+7 (701) 588 50 05 Телефон для связи
RU

WhatsApp

Позвонить

60 ОПЦИОННЫЕ ЗАПЧАСТИ в Алматы

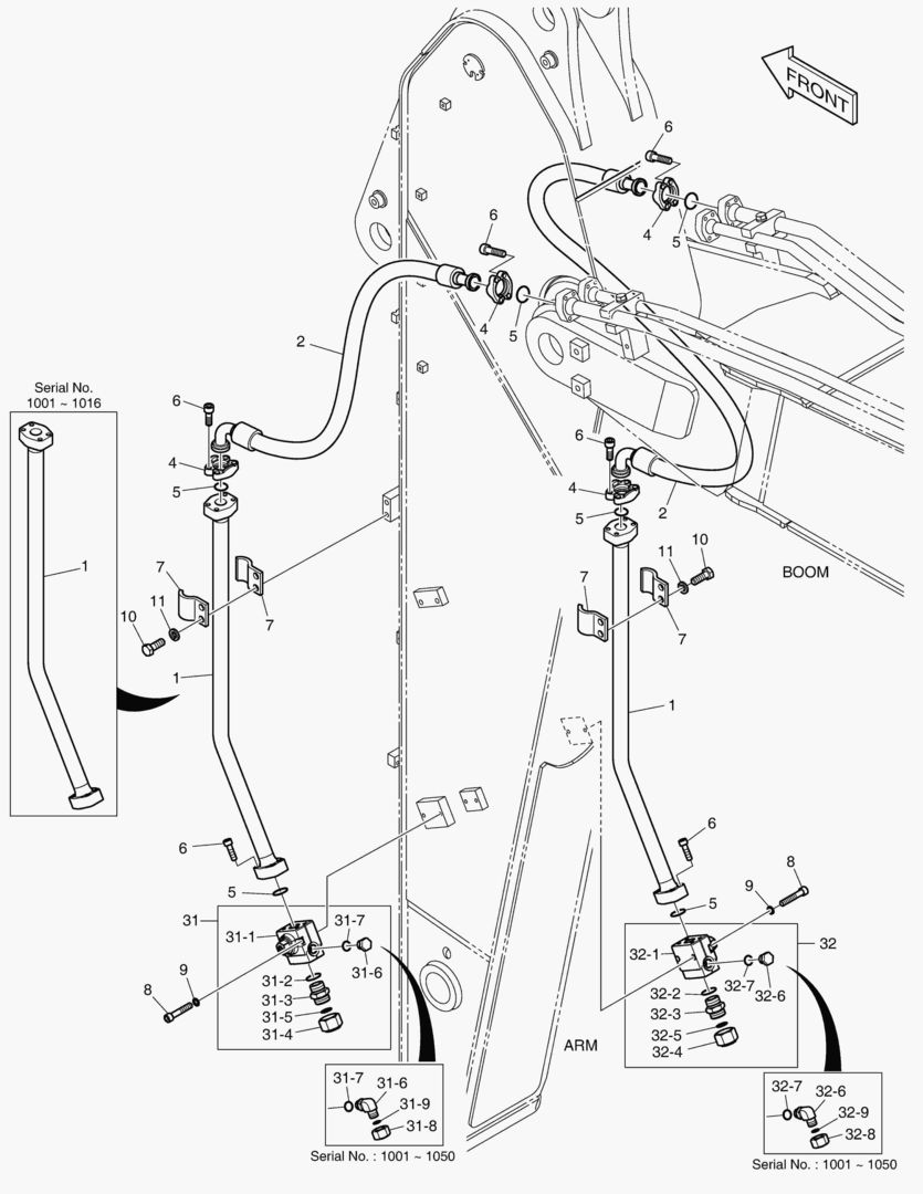
6940 ARM PIPING - ARM 3.1m(ONE & TWO WAY)

6940 ARM PIPING - ARM 3.1m(ONE & TWO WAY)

1Артикул: 420212-03984, PIPING,ARM;1&2 WAY
2Артикул: 420207-00940A, PIPE ASSY,HYDRAULIC
3Артикул: 420207-00940B, PIPE ASSY,HYDRAULIC
Подробнее >
СИГНАЛИЗАЦИЯ О ПЕРЕГРУЗКЕ

СИГНАЛИЗАЦИЯ О ПЕРЕГРУЗКЕ

1Артикул: 300619-01447, ELECTRIC ASSY;OVERLOAD WARNING
2Артикул: 2547-9045, SENSOR;PRESSURE
3Артикул: K1048145, SENSOR,PRESSURE
Подробнее >
ГИДРОСИСТЕМА РУКОЯТИ - РУКОЯТЬ 2.2 м(ВРАЩАЮЩИЙСЯ)

ГИДРОСИСТЕМА РУКОЯТИ - РУКОЯТЬ 2.2 м(ВРАЩАЮЩИЙСЯ)

1Артикул: 420212-05464, PIPING,ARM(ROTATING)
2Артикул: 420207-01541, PIPE ASSY,HYDRAULIC
3Артикул: DS20131945, HOSE ASSY,HYDRAULIC
Подробнее >
ГЛАВНАЯ МАГИСТРАЛЬ - СТРЕЛА ПЛАВАЮЩЕГО ТИПА

ГЛАВНАЯ МАГИСТРАЛЬ - СТРЕЛА ПЛАВАЮЩЕГО ТИПА

1Артикул: 420212-06357, PIPING,MAIN;BOOM FLOATING
2Артикул: 110406-00530B, BRACKET
3Артикул: DS2012552, HOSE ASSY,HYDRAULIC
Подробнее >
ПРОТИВОВЕС - 3.3 ТОНН

ПРОТИВОВЕС - 3.3 ТОНН

1Артикул: 160702-00332A, WEIGHT ASSY,COUNTER
2Артикул: 160702-00332C, WEIGHT ASSY,COUNTER
3Артикул: 180102-00524, FOAM;COUNTER WEIGHT
Подробнее >
7050 BUCKET ASS`Y - 0.73mВі(39`) - SIDE PIN

7050 BUCKET ASS`Y - 0.73mВі(39`) - SIDE PIN

1Артикул: K1013168A, BUCKET ASS`Y-0.73mВі
2Артикул: 230104-01236, BUCKET ASS`Y-0.73mВі
3Артикул: 230104-01236A, BUCKET ASS`Y-0.73mВі
Подробнее >
ГИДРОСИСТЕМА РУКОЯТИ - РУКОЯТЬ 3.1 м(ВРАЩАЮЩИЙСЯ)

ГИДРОСИСТЕМА РУКОЯТИ - РУКОЯТЬ 3.1 м(ВРАЩАЮЩИЙСЯ)

1Артикул: 420212-03985, PIPING,ARM
2Артикул: 420207-00941, PIPE ASSY,HYDRAULIC
3Артикул: DS20131700, HOSE ASSY,HYDRAULIC
Подробнее >
ГЛАВНАЯ МАГИСТРАЛЬ - ШАРНИРНАЯ СТРЕЛА

ГЛАВНАЯ МАГИСТРАЛЬ - ШАРНИРНАЯ СТРЕЛА

1Артикул: 420212-06364, PIPING,MAIN;ARTI
2Артикул: K1025252, VALVE;SLOW RETURN
3Артикул: DS2025202, HOSE ASSY,HYDRAULIC
Подробнее >
6175 PILOT PIPING - ONE & TWO WAY [1184~]

6175 PILOT PIPING - ONE & TWO WAY [1184~]

1Артикул: 420212-06336, PIPING,PILOT;ONE OR TWO WAY
2Артикул: 410116-00526, VALVE,EPPR
3Артикул: 410116-00646, . VALVE
Подробнее >
6990 BUCKET - 0.45гЋҐ

6990 BUCKET - 0.45гЋҐ

1Артикул: K1015997C, BUCKET ASS`Y-0.45mВі
2Артикул: 230104-01227, BUCKET ASS`Y-0.45mВі
3Артикул: 230104-01227A, BUCKET ASS`Y-0.45mВі
Подробнее >
ГИДРОСИСТЕМА РУКОЯТИ - БЫСТРАЯ ПОСАДКА(РУКОЯТЬ 2.6 м)

ГИДРОСИСТЕМА РУКОЯТИ - БЫСТРАЯ ПОСАДКА(РУКОЯТЬ 2.6 м)

1Артикул: 420212-03615, PIPING,ARM
2Артикул: 420207-00942, PIPE ASSY,HYDRAULIC
3Артикул: 420207-00942A, PIPE
Подробнее >
ГИДРОСИСТЕМА РУКОЯТИ - РУКОЯТЬ 2.3 м(БЫСТРОУСТАНАВЛИВАЕМЫЙ ФИКСАТОР)

ГИДРОСИСТЕМА РУКОЯТИ - РУКОЯТЬ 2.3 м(БЫСТРОУСТАНАВЛИВАЕМЫЙ ФИКСАТОР)

1Артикул: 420212-05475, PIPING,ARM;QUICK CLAMP
2Артикул: 420207-01558, PIPE ASSY,HYDRAULIC
3Артикул: 420207-01558A, PIPE
Подробнее >
МОНТАЖ ДИЗЕЛЬНОГО НАГРЕВАТЕЛЯ

МОНТАЖ ДИЗЕЛЬНОГО НАГРЕВАТЕЛЯ

1Артикул: 440207-00096, HEATER,DIESEL
2Артикул: 440207-00082A, HEATER,DIESEL
3Артикул: 110411-00095, BRACKET,DIESEL HEATER
Подробнее >
ГЛАВНАЯ МАГИСТРАЛЬ - СТРЕЛА ПЛАВАЮЩЕГО ТИПА(ЗАМОК)

ГЛАВНАЯ МАГИСТРАЛЬ - СТРЕЛА ПЛАВАЮЩЕГО ТИПА(ЗАМОК)

1Артикул: 420212-06358, PIPING,MAIN;BOOM FLOATING
2Артикул: 410111-00092, VALVE;EASY BOOM
3Артикул: 300715-00065, . COIL,SOLENOID
Подробнее >
ТРУБОПРОВОД СЕРВОУПРАВЛЕНИЯ - ИЗМЕНЕНИЕ РЕЖИМА(2)

ТРУБОПРОВОД СЕРВОУПРАВЛЕНИЯ - ИЗМЕНЕНИЕ РЕЖИМА(2)

1Артикул: 420212-06268, PIPING,PILOT;PATTERN CHANGE
2Артикул: DS2113058, HOSE
3Артикул: DS2113046, HOSE
Подробнее >
РУКОЯТЬ - 2.3 м (ДЛЯ ШАРНИРНОЙ СТРЕЛЫ)

РУКОЯТЬ - 2.3 м (ДЛЯ ШАРНИРНОЙ СТРЕЛЫ)

1Артикул: 230201-00463, ARM ASSY
2Артикул: 230204-00178, ARM,MACHINE;2.3M
3Артикул: 230204-00178A, ARM,MACHINE;2.3M
Подробнее >
КОВРИК НА ПОЛУ КУЗОВА - ШАРНИРНЫЙ

КОВРИК НА ПОЛУ КУЗОВА - ШАРНИРНЫЙ

1Артикул: 110935-00048A, MAT,FLOOR;(ARTI)
2Артикул: 110935-00048B, MAT,FLOOR;(ARTI)
3Артикул: 110935-00048C, MAT,FLOOR;(ARTI)
Подробнее >
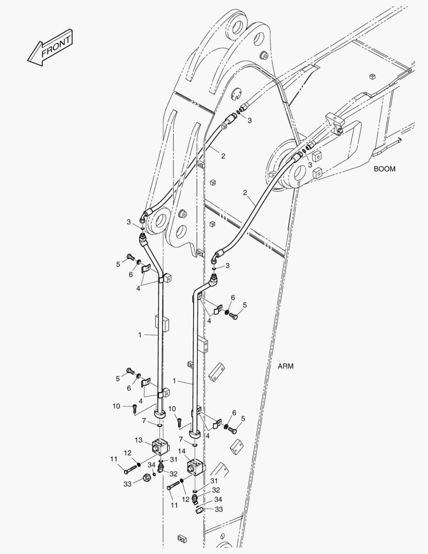
7210 ARM PIPING - ARM 2.3m(ONE & TWO WAY)

7210 ARM PIPING - ARM 2.3m(ONE & TWO WAY)

1Артикул: 420212-05471, PIPING,ARM;1&2 WAY
2Артикул: 420207-01540A, PIPE ASSY,HYDRAULIC
3Артикул: 420207-01540B, PIPE ASSY,HYDRAULIC
Подробнее >
БУЛЬДОЗЕРНЫЙ ОТВАЛ - 2990 мм

БУЛЬДОЗЕРНЫЙ ОТВАЛ - 2990 мм

1Артикул: 230102-00038, BLADE ASSY,DOZER
2Артикул: 230102-00039C, BLADE,DOZER;2990MM
3Артикул: K1006525A, . BUSHING
Подробнее >
ЗАЩИТА ОТ ДОЖДЯ

ЗАЩИТА ОТ ДОЖДЯ

1Артикул: 102202-00002A, SHIELD ASSY,RAIN
2Артикул: 102202-00001, SHIELD,RAIN
3Артикул: 110420-00008, BRACKET,RAIN SHIELD(R.H)
Подробнее >
БАШМАК ГУСЕНИЦЫ В СБОРЕ - 800G

БАШМАК ГУСЕНИЦЫ В СБОРЕ - 800G

1Артикул: 200106-00241, SHOE ASSY,TRACK
2Артикул: 200106-00246, SHOE ASSY,TRACK;800G
3Артикул: 200103-00103, . TRACK LINK ASS`Y
Подробнее >
РАБОЧАЯ ФАРА - ШАРНИРНАЯ СТРЕЛА

РАБОЧАЯ ФАРА - ШАРНИРНАЯ СТРЕЛА

1Артикул: 300619-01443, ELECTRIC ASSY;WORKING LAMP(ARTI)
2Артикул: 301005-00132, LAMP,WORKING(HALOGEN)
3Артикул: 2515-1016D4, . BULB,HALOGEN
Подробнее >
ГИДРОСИСТЕМА РУКОЯТИ - РУКОЯТЬ 2.2 м(ГРЕЙФЕРНЫЙ КОВШ)

ГИДРОСИСТЕМА РУКОЯТИ - РУКОЯТЬ 2.2 м(ГРЕЙФЕРНЫЙ КОВШ)

1Артикул: 420212-05468, PIPING,ARM(CLAMSHELL)
2Артикул: DS2016218, HOSE ASSY,HYDRAULIC
3Артикул: DS20401013, HOSE ASSY,HYDRAULIC
Подробнее >
2 ТРУБОПРОВОДА - С ФИЛЬТРОМ

2 ТРУБОПРОВОДА - С ФИЛЬТРОМ

1Артикул: 420212-06389, PIPING,BREAKER FILTER;TWO WAY
2Артикул: 471-00114, FILTER,BREAKER
3Артикул: 474-00046, . ELEMENT,BREAKER FILTER
Подробнее >
7480 BUCKET ASSВґY - 0.80mВі - G CLASS

7480 BUCKET ASSВґY - 0.80mВі - G CLASS

1Артикул: 230104-02094, BUCKET ASSY;0.8M3 R1G
2Артикул: -, BUCKET,WELD;0.8M3 R1G
3Артикул: 430203-00023, . ADAPTER,TOOTH
Подробнее >
7420 TRACK FRAME - HIGH TARCK

7420 TRACK FRAME - HIGH TARCK

1Артикул: 160617-00280, FRAME ASSY,TRACK
2Артикул: 400826-00011A, JOINT,CENTER
3Артикул: 140109-00017B, BEARING,SWING
Подробнее >
ТРУБОПРОВОД - СТРЕЛА С ИЗМЕНЯЕМОЙ ГЕОМЕТРИЕЙ

ТРУБОПРОВОД - СТРЕЛА С ИЗМЕНЯЕМОЙ ГЕОМЕТРИЕЙ

1Артикул: 420212-06372, PIPING,MAIN;ONE OR TWO WAY
2Артикул: DS2016244, HOSE ASSY,HYDRAULIC
3Артикул: DS2016184, HOSE ASSY,HYDRAULIC
Подробнее >
7440 TMS - NA [1253~]

7440 TMS - NA [1253~]

1Артикул: 300619-03341, ELECTRIC ASSY,TMS1.5
2Артикул: 300619-03138, ELECTRIC ASSY
3Артикул: 300611-00901, . CONTROLLER
Подробнее >
РАМА ГУСЕНИЦЫ - УЗКИЙ

РАМА ГУСЕНИЦЫ - УЗКИЙ

1Артикул: 160617-00179B, FRAME,TRACK;NARROW
2Артикул: 160617-00179C, FRAME,TRACK;NARROW
Подробнее >
ГЛАВНАЯ МАГИСТРАЛЬ - БЫСТРАЯ ПОСАДКА

ГЛАВНАЯ МАГИСТРАЛЬ - БЫСТРАЯ ПОСАДКА

1Артикул: 420212-06348, PIPING,QUICK CLAMP
2Артикул: K1054772, VALVE;QUICK-FIT
3Артикул: 410111-00142, VALVE;QUICK-FIT
Подробнее >
7370 BUCKET ASS`Y - 0.51mВі - H CLASS

7370 BUCKET ASS`Y - 0.51mВі - H CLASS

1Артикул: 230104-01871A, BUCKET ASSY;0.51M3 R2H
2Артикул: 230104-01871B, BUCKET ASSY;0.51M3 R2H
3Артикул: 230104-02510, BUCKET ASSY;0.51M3 R2H
Подробнее >
МОНТАЖ БУЛЬДОЗЕРА

МОНТАЖ БУЛЬДОЗЕРА

1Артикул: 230102-00076, BLADE ASSY,DOZER
2Артикул: 400312-00027, CYLINDER,DOZER;(L.H)
3Артикул: 400312-00028, CYLINDER,DOZER;(R.H)
Подробнее >
ГИДРОСИСТЕМА РУКОЯТИ - РУКОЯТЬ 2.3 м(ГРЕЙФЕРНЫЙ КОВШ)

ГИДРОСИСТЕМА РУКОЯТИ - РУКОЯТЬ 2.3 м(ГРЕЙФЕРНЫЙ КОВШ)

1Артикул: 420212-05477, PIPING,ARM;CLAMSHELL
2Артикул: DS2016217, HOSE ASSY,HYDRAULIC
3Артикул: DS20401013, HOSE ASSY,HYDRAULIC
Подробнее >
ГИДРОСИСТЕМА РУКОЯТИ-ГИДРОЗАМОК

ГИДРОСИСТЕМА РУКОЯТИ-ГИДРОЗАМОК

1Артикул: 420212-03969, PIPING,BOOM(ARM LOCK)
2Артикул: 400305-00125B, CYLINDER,ARM;LOCK V/V
3Артикул: 400305-00125C, CYLINDER,ARM
Подробнее >
ТРУБОПРОВОД СЕРВОУПРАВЛЕНИЯ - ИЗМЕНЕНИЕ РЕЖИМА(1)

ТРУБОПРОВОД СЕРВОУПРАВЛЕНИЯ - ИЗМЕНЕНИЕ РЕЖИМА(1)

1Артикул: 420212-06334, PIPING,PILOT;PATTERN CHANGE
2Артикул: DS2121110, HOSE ASSY,HYDRAULIC
3Артикул: DS2121296, HOSE
Подробнее >
ГЛАВНАЯ МАГИСТРАЛЬ - БУЛЬДОЗЕР

ГЛАВНАЯ МАГИСТРАЛЬ - БУЛЬДОЗЕР

1Артикул: 420212-06377, PIPING,MAIN;DOZER
2Артикул: 250127-00291, PLATE,MOUNTING
3Артикул: 2181-4133D37, ADAPTER
Подробнее >
7020 BUCKET - 0.8mВі

7020 BUCKET - 0.8mВі

1Артикул: K1012437E, BUCKET ASS`Y-0.8mВі
2Артикул: 230104-01223, BUCKET ASS`Y-0.8mВі
3Артикул: 230104-01223A, BUCKET ASS`Y-0.8mВі
Подробнее >
КОВРИК НА ПОЛУ КУЗОВА - ОДНА ПЕДАЛЬ

КОВРИК НА ПОЛУ КУЗОВА - ОДНА ПЕДАЛЬ

1Артикул: 110935-00047A, MAT,FLOOR
2Артикул: 110935-00047B, MAT,FLOOR;PEDAL(R.H)
3Артикул: 110935-00047C, MAT,FLOOR;PEDAL(R.H)
Подробнее >
ТОПЛИВНЫЙ ФИЛЬТР - С ПОДОГРЕВАТЕЛЬНОЙ ЧАШЕЙ

ТОПЛИВНЫЙ ФИЛЬТР - С ПОДОГРЕВАТЕЛЬНОЙ ЧАШЕЙ

1Артикул: 420212-06246, PIPING,FUEL;BOWL HEATER
2Артикул: 400403-00072, FILTER,FUEL
3Артикул: 400403-00170, FILTER,FUEL
Подробнее >
7490 BUCKET ASSВґY - 0.93mВі - G CLASS

7490 BUCKET ASSВґY - 0.93mВі - G CLASS

1Артикул: 230104-02096, BUCKET ASSY;0.93M3 R1G
2Артикул: -, BUCKET,WELD;0.93M3 R1G
3Артикул: 430203-00023, . ADAPTER,TOOTH
Подробнее >
ПРОБЛЕСКОВЫЙ МАЯЧОК - С ЛАМПОЙ

ПРОБЛЕСКОВЫЙ МАЯЧОК - С ЛАМПОЙ

1Артикул: 300619-00080B, ROTATING BEACON ASSY
2Артикул: 300619-00080E, ROTATING BEACON ASSY
3Артикул: 131002-00085, BUSHING ASS`Y
Подробнее >
ТРУБОПРОВОД СЕРВОУПРАВЛЕНИЯ - 2 НАСОСА(2 ПУТИ)

ТРУБОПРОВОД СЕРВОУПРАВЛЕНИЯ - 2 НАСОСА(2 ПУТИ)

1Артикул: 420212-06340, PIPING,PILOT;TWO WAY(TWO PUMP)
2Артикул: 410135-00235, VALVE,SOLENOID
3Артикул: 410135-00235A, VALVE,SOLENOID(5-SOL)
Подробнее >
ГЛАВНАЯ МАГИСТРАЛЬ - ДВА ПУТИ

ГЛАВНАЯ МАГИСТРАЛЬ - ДВА ПУТИ

1Артикул: 420212-06367, PIPING,MAIN;TWO WAY
2Артикул: 410127-00142, VALVE,RELIEF;PROPORTIONAL
3Артикул: 410127-00233, VALVE,RELIEF
Подробнее >
2 ТРУБОПРОВОДА - СТРЕЛА С ИЗМЕНЯЕМОЙ ГЕОМЕТРИЕЙ

2 ТРУБОПРОВОДА - СТРЕЛА С ИЗМЕНЯЕМОЙ ГЕОМЕТРИЕЙ

1Артикул: 420212-06387, PIPING,TWO WAY(ARTI)
2Артикул: 2181-2294D6, ELBOW
3Артикул: S8000291, O-RING
Подробнее >
БУЛЬДОЗЕРНЫЙ ОТВАЛ - 2690 мм

БУЛЬДОЗЕРНЫЙ ОТВАЛ - 2690 мм

1Артикул: 230102-00034, BLADE ASSY,DOZER
2Артикул: 230102-00035C, BLADE,DOZER 2690mm
3Артикул: K1006525A, . BUSHING
Подробнее >
БАШМАК ГУСЕНИЦЫ В СБОРЕ - 700G

БАШМАК ГУСЕНИЦЫ В СБОРЕ - 700G

1Артикул: 200106-00240, SHOE ASSY,TRACK
2Артикул: 200106-00245, TRACK SHOE ASS`Y 700G
3Артикул: 200103-00103, . TRACK LINK ASS`Y
Подробнее >
7010 BUCKET - 0.76гЋҐ

7010 BUCKET - 0.76гЋҐ

1Артикул: K1012435C, BUCKET ASS`Y-0.76mВі
2Артикул: 230104-01221, BUCKET ASS`Y-0.76mВі
3Артикул: 230104-01221A, BUCKET ASS`Y-0.76mВі
Подробнее >
ТРУБОПРОВОД СТРЕЛЫ С ИЗМЕНЯЕМОЙ ГЕОМЕТРИЕЙ - ВРАЩАЮЩИЙСЯ

ТРУБОПРОВОД СТРЕЛЫ С ИЗМЕНЯЕМОЙ ГЕОМЕТРИЕЙ - ВРАЩАЮЩИЙСЯ

1Артикул: 420212-04146, PIPING,ARTI BOOM
2Артикул: 420207-01038B, PIPE
3Артикул: 420207-01039B, PIPE
Подробнее >
ТРУБОПРОВОД ШАРНИРНОЙ СТРЕЛЫ - ГИДРОЗАМОК СТРЕЛЫ

ТРУБОПРОВОД ШАРНИРНОЙ СТРЕЛЫ - ГИДРОЗАМОК СТРЕЛЫ

1Артикул: 420212-04024, PIPING,ARTI BOOM;LOCK V/V
2Артикул: 400309-00209A, CYLINDER,ARTI BOOM(L.H)
3Артикул: 400309-00209B, CYLINDER,BOOM;ARTI. LOCK VALVE;LH
Подробнее >
РУКОЯТЬ - 2.2 м

РУКОЯТЬ - 2.2 м

1Артикул: 230201-00462, ARM ASSY
2Артикул: 230204-00177, ARM,MACHINE;2.2M
3Артикул: 230204-00177A, ARM,MACHINE;2.2M
Подробнее >
ТРУБОПРОВОД СЕРВОУПРАВЛЕНИЯ - ГИДРОЗАМОК(ШАРНИРНАЯ СТРЕЛА)

ТРУБОПРОВОД СЕРВОУПРАВЛЕНИЯ - ГИДРОЗАМОК(ШАРНИРНАЯ СТРЕЛА)

1Артикул: 420212-06345, PIPING,PILOT;LOCK VALVE;ARTI
2Артикул: DS2121304, HOSE ASSY,HYDRAULIC
3Артикул: 181-00121D1, TEE
Подробнее >
ТРУБОПРОВОД СЕРВОУПРАВЛЕНИЯ-КЛАПАН ЗАМКА РУКОЯТИ

ТРУБОПРОВОД СЕРВОУПРАВЛЕНИЯ-КЛАПАН ЗАМКА РУКОЯТИ

1Артикул: 420212-06346, PIPING,PILOT;LOCK VALVE ARM
2Артикул: DS2120101, HOSE,HYDRAULIC
3Артикул: DS2121329, HOSE,HYDRAULIC
Подробнее >
6120 DIESEL HEATER

6120 DIESEL HEATER

1Артикул: 440207-00082A, HEATER,DIESEL
2Артикул: 440207-00019, HEATER,DIESEL
3Артикул: 400909-00056, PUMP,FUEL
Подробнее >
7430 TRAVEL PIPING - HIGH TARCK

7430 TRAVEL PIPING - HIGH TARCK

1Артикул: 420212-10025, PIPING,UNDERCARRIAGE;HLC
2Артикул: DS2017110, HOSE ASSY,HYDRAULIC
3Артикул: DS2011307, HOSE ASSY,HYDRAULIC
Подробнее >
7390 BUCKET ASS`Y - 0.78mВі - H CLASS

7390 BUCKET ASS`Y - 0.78mВі - H CLASS

1Артикул: 230104-01875A, BUCKET ASSY;0.78M3 R2H
2Артикул: 230104-01875B, BUCKET ASSY;0.78M3 R2H
3Артикул: 230104-02514, BUCKET ASSY;0.78M3 R2H
Подробнее >
ТРУБОПРОВОД БУЛЬДОЗЕРА - ГУСЕНИЦЫ

ТРУБОПРОВОД БУЛЬДОЗЕРА - ГУСЕНИЦЫ

1Артикул: 420212-06382, BLADE PIPING
2Артикул: 420207-01022A, PIPE;BLADE DOWN
3Артикул: 420207-01022B, PIPE
Подробнее >
ПРОБЛЕСКОВЫЙ МАЯЧОК - ЗАЖИТА

ПРОБЛЕСКОВЫЙ МАЯЧОК - ЗАЖИТА

1Артикул: 300619-00082B, ROTATING BEACON ASSY
2Артикул: 300619-00082E, ROTATING BEACON ASSY
3Артикул: 131002-00085, BUSHING ASS`Y
Подробнее >
6170 PILOT PIPING - ONE & TWO WAY [1001~1183]

6170 PILOT PIPING - ONE & TWO WAY [1001~1183]

1Артикул: 420212-06336, PIPING,PILOT;ONE OR TWO WAY
2Артикул: 426-00266, VALVE;EPPR
3Артикул: K9001362, . VALVE;E.P.P.R
Подробнее >
ТРУБОПРОВОД ХОДА - БУЛЬДОЗЕР

ТРУБОПРОВОД ХОДА - БУЛЬДОЗЕР

1Артикул: 420212-06383, PIPING,TRAVEL;DOZER
2Артикул: DS2017114, HOSE ASSY,HYDRAULIC
3Артикул: DS20111149, HOSE ASSY,HYDRAULIC
Подробнее >
7450 TMS - EU [1253~]

7450 TMS - EU [1253~]

1Артикул: 300619-03342, ELECTRIC ASSY,TMS1.5
2Артикул: 300619-03139, ELECTRIC ASSY;TMS1.5
3Артикул: 300611-00902, . CONTROLLER;TMS1.5
Подробнее >
КОВРИК НА ПОЛУ КУЗОВА - ШАРНИРНЫЙ + STT

КОВРИК НА ПОЛУ КУЗОВА - ШАРНИРНЫЙ + STT

1Артикул: 110935-00049A, MAT,FLOOR;(STRT & ARTI)
2Артикул: 110935-00049B, MAT,FLOOR;(STRT & ARTI)
3Артикул: 110935-00049C, MAT,FLOOR;(STRT & ARTI)
Подробнее >
МАЯЧОК ТЕЛЕСКОПА

МАЯЧОК ТЕЛЕСКОПА

1Артикул: 300619-00085A, TELESCOPIC BEACON ASSY
2Артикул: 300619-00085C, TELESCOPIC BEACON ASSY;NOT 6LAMP
3Артикул: 110429-00002C, BRACKET
Подробнее >
6220 ARM PIPING - ONE & TWO WAY(ARM 2.6m)

6220 ARM PIPING - ONE & TWO WAY(ARM 2.6m)

1Артикул: 420212-03611, PIPING,ARM;1&2 WAY
2Артикул: 420207-00940A, PIPE ASSY,HYDRAULIC
3Артикул: 420207-00940B, PIPE ASSY,HYDRAULIC
Подробнее >
ГИДРОСИСТЕМА РУКОЯТИ - РУКОЯТЬ 2.6 м(ВРАЩАЮЩИЙСЯ)

ГИДРОСИСТЕМА РУКОЯТИ - РУКОЯТЬ 2.6 м(ВРАЩАЮЩИЙСЯ)

1Артикул: 420212-03613, PIPING,ARM;ROTATING
2Артикул: 420207-00941, PIPE ASSY,HYDRAULIC
3Артикул: DS20131699, HOSE
Подробнее >
РАБОЧАЯ ФАРА - 6 ЛАМПЫ

РАБОЧАЯ ФАРА - 6 ЛАМПЫ

1Артикул: 300619-00076A, LAMP ASSY,ADD WORKING
2Артикул: 300619-00076B, LAMP ASSY
3Артикул: 300619-00076C, LAMP ASSY
Подробнее >
7000 BUCKET - 0.57mВі

7000 BUCKET - 0.57mВі

1Артикул: K1015999C, BUCKET ASS`Y-0.57mВі
2Артикул: 230104-01229, BUCKET ASS`Y-0.57mВі
3Артикул: 230104-01229A, BUCKET ASS`Y-0.57mВі
Подробнее >
БАШМАК ГУСЕНИЦЫ В СБОРЕ - 500G

БАШМАК ГУСЕНИЦЫ В СБОРЕ - 500G

1Артикул: 200106-00239, TRACK SHOE ASS`Y
2Артикул: 200106-00244, SHOE ASSY,TRACK;500G
3Артикул: 200103-00103, . TRACK LINK ASS`Y
Подробнее >
СТЕКЛООЧИСТИТЕЛЬ НИЖНЕГО СТЕКЛА

СТЕКЛООЧИСТИТЕЛЬ НИЖНЕГО СТЕКЛА

1Артикул: 300619-00782, ELECTRIC ASSY
2Артикул: 538-00012, MOTOR,WIPER
3Артикул: 426-00282, VALVE
Подробнее >
ТРУБОПРОВОД - С ФИЛЬТРОМ

ТРУБОПРОВОД - С ФИЛЬТРОМ

1Артикул: 420212-06385, PIPING,BREAKER FILTER;ONE WAY
2Артикул: 471-00114, FILTER,BREAKER
3Артикул: 474-00046, . ELEMENT,BREAKER FILTER
Подробнее >
МАЯЧОК ТЕЛЕСКОПА(С ЛАМПОЙ)

МАЯЧОК ТЕЛЕСКОПА(С ЛАМПОЙ)

1Артикул: 300619-00084B, TELESCOPIC BEACON ASSY
2Артикул: 195-01805, SUPPORT
3Артикул: 2114-1898D2, WASHER
Подробнее >
7460 BUCKET ASSВґY - 0.70mВі - G CLASS

7460 BUCKET ASSВґY - 0.70mВі - G CLASS

1Артикул: 230104-02089, BUCKET ASSY;0.7M3 R1G
2Артикул: -, BUCKET,WELD;0.7M3 R1G
3Артикул: 430203-00023, . ADAPTER,TOOTH
Подробнее >
ГИДРОСИСТЕМА РУКОЯТИ - РУКОЯТЬ 3.1 м(БЫСТРОУСТАНАВЛИВАЕМЫЙ ФИКСАТОР)

ГИДРОСИСТЕМА РУКОЯТИ - РУКОЯТЬ 3.1 м(БЫСТРОУСТАНАВЛИВАЕМЫЙ ФИКСАТОР)

1Артикул: 420212-03986, PIPING,ARM
2Артикул: 420207-00946, PIPE ASSY,HYDRAULIC
3Артикул: 420207-00946A, PIPE
Подробнее >
6680 ALTERNATOR - 80A [1001~1060]

6680 ALTERNATOR - 80A [1001~1060]

1Артикул: 300619-00892, ELECTRIC ASSY;ALTERNATOR
2Артикул: 300901-00033, ALTERNATOR
3Артикул: 130707-00042, . PULLEY,ALTERNATOR
Подробнее >
2 ТРУБОПРОВОДА - С ФИЛЬТРОМ

2 ТРУБОПРОВОДА - С ФИЛЬТРОМ

1Артикул: 420212-06390, PIPING,BREAKER FILTER;TWO WAY
2Артикул: 471-00114, FILTER,BREAKER
3Артикул: 474-00046, . ELEMENT,BREAKER FILTER
Подробнее >
ГИДРОСИСТЕМА РУКОЯТИ - РУКОЯТЬ 3.1 м(ГРЕЙФЕРНЫЙ КОВШ)

ГИДРОСИСТЕМА РУКОЯТИ - РУКОЯТЬ 3.1 м(ГРЕЙФЕРНЫЙ КОВШ)

1Артикул: 420212-03983, PIPING,ARM
2Артикул: DS2016175, HOSE ASSY,HYDRAULIC
3Артикул: DS2040921, HOSE ASSY,HYDRAULIC
Подробнее >
ТРУБОПРОВОД СТРЕЛЫ С ИЗМЕНЯЕМОЙ ГЕОМЕТРИЕЙ

ТРУБОПРОВОД СТРЕЛЫ С ИЗМЕНЯЕМОЙ ГЕОМЕТРИЕЙ

1Артикул: 420212-04130, PIPING,ARTI BOOM
2Артикул: 420207-01017B, PIPE ASSY,HYDRAULIC
3Артикул: 420207-01017C, PIPE
Подробнее >
6130 FUEL FILLER PUMP

6130 FUEL FILLER PUMP

1Артикул: 400909-00030, PUMP ASSY,FUEL FILLER
2Артикул: 401-00449, PUMP,FUEL TRANSFER
3Артикул: 2181-2755B, . ADAPTER
Подробнее >
ТРУБОПРОВОД СЕРВОУПРАВЛЕНИЯ - ШАРНИРНАЯ СТРЕЛА

ТРУБОПРОВОД СЕРВОУПРАВЛЕНИЯ - ШАРНИРНАЯ СТРЕЛА

1Артикул: 420212-06273A, PIPING,PILOT;ARTI BOOM
2Артикул: 420212-06273B, PIPING,PILOT;ARTI
3Артикул: 410119-00006, VALVE,PEDAL
Подробнее >
БАШМАК ГУСЕНИЦЫ В СБОРЕ - 900G

БАШМАК ГУСЕНИЦЫ В СБОРЕ - 900G

1Артикул: 200106-00242, SHOE ASSY,TRACK
2Артикул: 200106-00247, TRACK SHOE ASS`Y 900G
3Артикул: 200103-00103, . TRACK LINK ASS`Y
Подробнее >
ПОВОРОТНЫЙ СИГНАЛ

ПОВОРОТНЫЙ СИГНАЛ

1Артикул: 420212-06941, PIPING,PILOT;SWING ALARM
2Артикул: 430216-00176, JOINT SUB ASSY
3Артикул: 250122-00080, . PLATE,SUPPORT
Подробнее >
РАМА ГУСЕНИЦЫ - БУЛЬДОЗЕР

РАМА ГУСЕНИЦЫ - БУЛЬДОЗЕР

1Артикул: 160617-00180B, FRAME,TRACK;DOZER
2Артикул: 160617-00180C, FRAME,TRACK;DOZER
3Артикул: 160617-00180E, FRAME,TRACK;LC & DOZER
Подробнее >
РУКОЯТЬ - 3.1 м

РУКОЯТЬ - 3.1 м

1Артикул: 230201-00313, ARM ASSY
2Артикул: 230204-00147B, ARM,MACHINE;3.1M
3Артикул: 230204-00147C, ARM,MACHINE;3.1M
Подробнее >
ТРУБОПРОВОД ХОДА - УЗКИЕ ГУСЕНИЦЫ

ТРУБОПРОВОД ХОДА - УЗКИЕ ГУСЕНИЦЫ

1Артикул: 420212-06381, PIPING,TRAVEL;NARROW
2Артикул: DS2017112, HOSE ASSY,HYDRAULIC
3Артикул: DS2017113, HOSE ASSY,HYDRAULIC
Подробнее >
6880 ARM PIPING - ARM 2.2m (ONE & TWO WAY)

6880 ARM PIPING - ARM 2.2m (ONE & TWO WAY)

1Артикул: 420212-05462, PIPING,ARM;1&2 WAY
2Артикул: 420207-01540A, PIPE ASSY,HYDRAULIC
3Артикул: 420207-01540B, PIPE ASSY,HYDRAULIC
Подробнее >
7380 BUCKET ASS`Y - 0.65mВі - H CLASS

7380 BUCKET ASS`Y - 0.65mВі - H CLASS

1Артикул: 230104-01873A, BUCKET ASSY;0.65M3 R2H
2Артикул: 230104-01873B, BUCKET ASSY;0.65M3 R2H
3Артикул: 230104-02512, BUCKET ASSY;0.65M3 R2H
Подробнее >
ТРУБОПРОВОД СЕРВОУПРАВЛЕНИЯ - СТРЕЛА ПЛАВАЮЩЕГО ТИПА

ТРУБОПРОВОД СЕРВОУПРАВЛЕНИЯ - СТРЕЛА ПЛАВАЮЩЕГО ТИПА

1Артикул: 420212-06331, PIPING,PILOT;BOOM FLOATING
2Артикул: DS2121155, HOSE ASSY,HYDRAULIC
3Артикул: DS2123102, HOSE,HYDRAULIC
Подробнее >
ГИДРОСИСТЕМА РУКОЯТИ - РУКОЯТЬ 2.3 м (ШАРНИРНАЯ СТРЕЛА)

ГИДРОСИСТЕМА РУКОЯТИ - РУКОЯТЬ 2.3 м (ШАРНИРНАЯ СТРЕЛА)

1Артикул: 420212-05470, PIPING,ARM
2Артикул: 400310-00171, CYLINDER,BUCKET
3Артикул: 400310-00171A, CYLINDER ASSY,BUCKET
Подробнее >
БУЛЬДОЗЕРНЫЙ ОТВАЛ - 3090 мм

БУЛЬДОЗЕРНЫЙ ОТВАЛ - 3090 мм

1Артикул: 230102-00040, BLADE ASSY,DOZER
2Артикул: 230102-00041C, BLADE,DOZER;3090MM
3Артикул: K1006525A, . BUSHING
Подробнее >
ГЛАВНАЯ МАГИСТРАЛЬ - БЫСТРОУСТАНАВЛИВАЕМЫЙ ФИКСАТОР(ШАРНИРНАЯ СТРЕЛА)

ГЛАВНАЯ МАГИСТРАЛЬ - БЫСТРОУСТАНАВЛИВАЕМЫЙ ФИКСАТОР(ШАРНИРНАЯ СТРЕЛА)

1Артикул: 420212-06350, PIPING,QUICK CLAMP;ARTI
2Артикул: DS20111333, HOSE,HYDRAULIC
3Артикул: DS20111398, HOSE,HYDRAULIC
Подробнее >
ТРУБОПРОВОД СЕРВОУПРАВЛЕНИЯ - 2 НАСОСА(ОДИН ПУТЬ)

ТРУБОПРОВОД СЕРВОУПРАВЛЕНИЯ - 2 НАСОСА(ОДИН ПУТЬ)

1Артикул: 420212-06339, PIPING,PILOT;ONE WAY(TWO PUMP)
2Артикул: 410135-00235, VALVE,SOLENOID
3Артикул: 410135-00235A, VALVE,SOLENOID(5-SOL)
Подробнее >
ГИДРОСИСТЕМА РУКОЯТИ - РУКОЯТЬ 2.2 м(БЫСТРОУСТАНАВЛИВАЕМЫЙ ФИКСАТОР)

ГИДРОСИСТЕМА РУКОЯТИ - РУКОЯТЬ 2.2 м(БЫСТРОУСТАНАВЛИВАЕМЫЙ ФИКСАТОР)

1Артикул: 420212-05466, PIPING,ARM(QUICK CLAMP)
2Артикул: 420207-01542, PIPE ASSY,HYDRAULIC
3Артикул: 420207-01542A, PIPE
Подробнее >
ГЛАВНАЯ МАГИСТРАЛЬ - ВРАЩАЮЩИЙСЯ(ШАРНИРНАЯ СТРЕЛА)

ГЛАВНАЯ МАГИСТРАЛЬ - ВРАЩАЮЩИЙСЯ(ШАРНИРНАЯ СТРЕЛА)

1Артикул: 420212-06360, PIPING,PERO;ARTI
2Артикул: DS20111496, HOSE ASSY,HYDRAULIC
Подробнее >
ТРУБОПРОВОД - С ФИЛЬТРОМ

ТРУБОПРОВОД - С ФИЛЬТРОМ

1Артикул: 420212-06388, PIPING,BREAKER FILTER;ARTI
2Артикул: 471-00114, FILTER,BREAKER
3Артикул: 474-00046, . ELEMENT,BREAKER FILTER
Подробнее >
6420 MAIN PIPING - QUICK CLAMP & TWO PUMP

6420 MAIN PIPING - QUICK CLAMP & TWO PUMP

1Артикул: 420212-06354, PIPING,MAIN
2Артикул: 2181-4133D3, ADAPTER
3Артикул: DS2362012, TEE
Подробнее >
6250 BOOM PIPING - QUICK CLAMP

6250 BOOM PIPING - QUICK CLAMP

1Артикул: 420212-03607, PIPING,BOOM(QUICK FIT)
2Артикул: DS20111034, HOSE
3Артикул: DS20111193, HOSE ASSY,HYDRAULIC
Подробнее >
6980 BUCKET - 0.38гЋҐ

6980 BUCKET - 0.38гЋҐ

1Артикул: K1015995C, BUCKET ASS`Y-0.38mВі
2Артикул: 230104-01225, BUCKET ASS`Y-0.38mВі
3Артикул: 230104-01225A, BUCKET ASS`Y-0.38mВі
Подробнее >
ТРУБОПРОВОД СЕРВОУПРАВЛЕНИЯ - БУЛЬДОЗЕР(ШАРНИРНЫЙ)

ТРУБОПРОВОД СЕРВОУПРАВЛЕНИЯ - БУЛЬДОЗЕР(ШАРНИРНЫЙ)

1Артикул: 420212-06276A, PIPING,PILOT;DOZER & ARTI
2Артикул: DS2121017, HOSE
3Артикул: DS2119190, HOSE ASSY,HYDRAULIC
Подробнее >
7060 BUCKET ASS`Y - 0.8mВі(42`) - SIDE PIN

7060 BUCKET ASS`Y - 0.8mВі(42`) - SIDE PIN

1Артикул: K1013171A, BUCKET ASS`Y-0.8mВі
2Артикул: 230104-01239, BUCKET ASS`Y-0.8mВі
3Артикул: 230104-01239A, BUCKET ASS`Y-0.8mВі
Подробнее >
ГИДРОСИСТЕМА РУКОЯТИ - ВРАЩАЮЩИЙСЯ (РУКОЯТЬ 2.3 м)

ГИДРОСИСТЕМА РУКОЯТИ - ВРАЩАЮЩИЙСЯ (РУКОЯТЬ 2.3 м)

1Артикул: 420212-05473, PIPING,ARM;ROTATING
2Артикул: 420207-01541, PIPE ASSY,HYDRAULIC
3Артикул: DS20131447, HOSE ASSY,HYDRAULIC
Подробнее >
7200 ARTI.BOOM PIPING - ONE & TWO WAY

7200 ARTI.BOOM PIPING - ONE & TWO WAY

1Артикул: 420212-04139, PIPING,ARTI BOOM
2Артикул: 420207-00977B, PIPE ASSY,HYDRAULIC
3Артикул: 420207-00977C, PIPE
Подробнее >
7040 BUCKET ASS`Y - 0.66mВі(36`) - SIDE PIN

7040 BUCKET ASS`Y - 0.66mВі(36`) - SIDE PIN

1Артикул: K1013165A, BUCKET ASS`Y-0.66mВі
2Артикул: 230104-01233, BUCKET ASS`Y-0.66mВі
3Артикул: 230104-01233A, BUCKET ASS`Y-0.66mВі
Подробнее >
7410 BUCKET ASS`Y - 0.91mВі - H CLASS

7410 BUCKET ASS`Y - 0.91mВі - H CLASS

1Артикул: 230104-01880A, BUCKET ASSY;0.91M3 R2H
2Артикул: 230104-01880B, BUCKET ASSY;0.91M3 R2H
3Артикул: 230104-02462, BUCKET ASSY;0.91M3 R2H
Подробнее >
РАБОЧАЯ ФАРА - 2 ЛАМПЫ(КОЖУХ)

РАБОЧАЯ ФАРА - 2 ЛАМПЫ(КОЖУХ)

1Артикул: 300619-00077, LAMP ASS`Y,ADD WORKING
2Артикул: 300619-00077A, LAMP ASSY
3Артикул: K1055454, LAMP,HEAD
Подробнее >
ЭЛЕКТРИЧЕСКИЕ ЗАПЧАСТИ-БЫСТРОУСТАНАВЛИВАЕМЫЙ ФИКСАТОР

ЭЛЕКТРИЧЕСКИЕ ЗАПЧАСТИ-БЫСТРОУСТАНАВЛИВАЕМЫЙ ФИКСАТОР

1Артикул: 300619-00089, ELECTRIC ASSY
2Артикул: 549-00092, SWITCH
3Артикул: 530-00432A, HARNESS,JOINT
Подробнее >
БУЛЬДОЗЕРНЫЙ ОТВАЛ - 2790 мм

БУЛЬДОЗЕРНЫЙ ОТВАЛ - 2790 мм

1Артикул: 230102-00032, BLADE ASSY,DOZER
2Артикул: 230102-00033E, BLADE,DOZER 2790mm
3Артикул: K1006525A, . BUSHING
Подробнее >
6840 WINDOW GUARD

6840 WINDOW GUARD

1Артикул: 110921-00054, GUARD ASS`Y;FRONT
2Артикул: 110921-00055, GUARD;FRONT WINDOW
3Артикул: 110921-00056, GUARD;FRONT WINDOW
Подробнее >
СТРЕЛА С ИЗМЕНЯЕМОЙ ГЕОМЕТРИЕЙ

СТРЕЛА С ИЗМЕНЯЕМОЙ ГЕОМЕТРИЕЙ

1Артикул: 230208-00019, BOOM ASSY,ARTI
2Артикул: 230213-00009B, BOOM,UPPER
3Артикул: 230213-00009C, BOOM,UPPER,MACHINING
Подробнее >
ЗАЩИТНЫЙ КОРПУС ПРОТИВОТУМАННЫХ ФАР

ЗАЩИТНЫЙ КОРПУС ПРОТИВОТУМАННЫХ ФАР

1Артикул: 110921-00008G, GUARD ASSY;OPG
2Артикул: 110921-00008H, GUARD ASSY;OPG
3Артикул: 110921-00008K, GUARD ASSY;OPG
Подробнее >
7030 BUCKET - 0.93mВі

7030 BUCKET - 0.93mВі

1Артикул: K1016001C, BUCKET ASS`Y-0.93mВі
2Артикул: 230104-01231, BUCKET ASS`Y-0.93mВі
3Артикул: 230104-01231A, BUCKET ASS`Y-0.93mВі
Подробнее >
ГИДРОСИСТЕМА РУКОЯТИ - РУКОЯТЬ 2.6 м (ГРЕЙФЕРНЫЙ КОВШ)

ГИДРОСИСТЕМА РУКОЯТИ - РУКОЯТЬ 2.6 м (ГРЕЙФЕРНЫЙ КОВШ)

1Артикул: 420212-03617, PIPING,ARM
2Артикул: DS2016174, HOSE ASSY,HYDRAULIC
3Артикул: DS2040921, HOSE ASSY,HYDRAULIC
Подробнее >
КАМЕРА БОКОВОГО ВИДА

КАМЕРА БОКОВОГО ВИДА

1Артикул: 300619-01223, ELECTRIC ASSY;SIDE CAMERA
2Артикул: S5102503, WASHER
3Артикул: 2120-2166D8, BOLT
Подробнее >
ТРУБОПРОВОД СЕРВОУПРАВЛЕНИЯ-ГИДРОЗАМОК СТРЕЛЫ

ТРУБОПРОВОД СЕРВОУПРАВЛЕНИЯ-ГИДРОЗАМОК СТРЕЛЫ

1Артикул: 420212-06344, PIPING,PILOT;LOCK VALVE BOOM
2Артикул: DS2120028, HOSE ASSY,HYDRAULIC
3Артикул: DS2121239, HOSE ASSY,HYDRAULIC
Подробнее >
ТРУБОПРОВОД СТРЕЛЫ С ИЗМЕНЯЕМОЙ ГЕОМЕТРИЕЙ - БЫСТРАЯ ПОСАДКА

ТРУБОПРОВОД СТРЕЛЫ С ИЗМЕНЯЕМОЙ ГЕОМЕТРИЕЙ - БЫСТРАЯ ПОСАДКА

1Артикул: 420212-04140, PIPING,ARTI BOOM;QUICK FIT
2Артикул: DS20111043, HOSE ASSY,HYDRAULIC
3Артикул: DS20111044, HOSE ASSY,HYDRAULIC
Подробнее >
6150 MAIN PIPING - ONE & TWO WAY

6150 MAIN PIPING - ONE & TWO WAY

1Артикул: 420212-06365, PIPING,MAIN;ONE OR TWO WAY
2Артикул: 410127-00142, VALVE,RELIEF;PROPORTIONAL
3Артикул: 410127-00233, VALVE,RELIEF
Подробнее >
ГЛАВНАЯ МАГИСТРАЛЬ - БУЛЬДОЗЕР(ШАРНИРНЫЙ)

ГЛАВНАЯ МАГИСТРАЛЬ - БУЛЬДОЗЕР(ШАРНИРНЫЙ)

1Артикул: 420212-06379, PIPING,MAIN;DOZER AND ARTI
2Артикул: DS20111335, HOSE ASSY,HYDRAULIC
3Артикул: DS2012989, HOSE ASSY,HYDRAULIC
Подробнее >
7470 BUCKET ASSВґY - 0.76mВі - G CLASS

7470 BUCKET ASSВґY - 0.76mВі - G CLASS

1Артикул: 230104-02092, BUCKET ASSY;0.76M3 R1G
2Артикул: -, BUCKET,WELD;0.76M3 R1G
3Артикул: 430203-00023, . ADAPTER,TOOTH
Подробнее >
РАДИО

РАДИО

1Артикул: 300654-00043, STEREO,CAR;RADIO
2Артикул: 300654-00040, STEREO,CAR;HANDSFREE(24V)
Подробнее >
ГИДРОСИСТЕМА СТРЕЛЫ - ВРАЩЕНИЕ

ГИДРОСИСТЕМА СТРЕЛЫ - ВРАЩЕНИЕ

1Артикул: 420212-03606, PIPING,BOOM;ROTATING
2Артикул: 420207-00933A, PIPE ASSY,HYDRAULIC
3Артикул: 420207-00934A, PIPE ASSY,HYDRAULIC
Подробнее >
КАБИНА С НИЗКИМ ЗАЩИТНЫМ ОГРАЖДЕНИЯ

КАБИНА С НИЗКИМ ЗАЩИТНЫМ ОГРАЖДЕНИЯ

1Артикул: 110921-00053, GUARD ASS`Y;LOWER
2Артикул: 110921-00053A, GUARD ASSY,LOWER
3Артикул: 110921-00055, GUARD;FRONT WINDOW
Подробнее >
ГИДРОСИСТЕМА СТРЕЛЫ-ГИДРОЗАМОК

ГИДРОСИСТЕМА СТРЕЛЫ-ГИДРОЗАМОК

1Артикул: 420212-04022, PIPING,BOOM(LOCK VALVE)
2Артикул: 400309-00203B, CYLINDER,BOOM;LOCK V/V(L.H)
3Артикул: 400309-00203C, CYLINDER,BOOM
Подробнее >
ГИДРОСИСТЕМА РУКОЯТИ - РУКОЯТЬ 3.1 м

ГИДРОСИСТЕМА РУКОЯТИ - РУКОЯТЬ 3.1 м

1Артикул: 420212-03981, PIPING,ARM
2Артикул: 400310-00116A, CYLINDER,BUCKET
3Артикул: 400310-00116B, CYLINDER,BUCKET
Подробнее >
ЧЕХОЛ КРЫШКИ - ИЗ СТАЛИ

ЧЕХОЛ КРЫШКИ - ИЗ СТАЛИ

1Артикул: 220204-00048A, COVER ASSY,ROOF STEEL
2Артикул: 220204-00155, COVER,ROOF STEEL
3Артикул: 220204-00031A, COVER,ROOF STEEL INNER
Подробнее >
РАБОЧАЯ ФАРА - 6 ЛАМПЫ(КОЖУХ)

РАБОЧАЯ ФАРА - 6 ЛАМПЫ(КОЖУХ)

1Артикул: 300619-00078A, LAMP ASSY,ADD WORKING
2Артикул: 300619-00078B, LAMP ASSY
3Артикул: K1055454, LAMP,HEAD
Подробнее >
6210 BOOM PIPING - ONE & TWO WAY

6210 BOOM PIPING - ONE & TWO WAY

1Артикул: 420212-03971, PIPING,BOOM;ONE/TWO WAY
2Артикул: 420207-00929A, PIPE ASSY,HYDRAULIC
3Артикул: 420207-00929B, PIPE ASSY,HYDRAULIC
Подробнее >
БУЛЬДОЗЕРНЫЙ ОТВАЛ - 2890 мм

БУЛЬДОЗЕРНЫЙ ОТВАЛ - 2890 мм

1Артикул: 230102-00036, BLADE ASSY,DOZER
2Артикул: 230102-00037C, BLADE,DOZER;2890MM
3Артикул: K1006525A, . BUSHING
Подробнее >
ТРУБОПРОВОД СЕРВОУПРАВЛЕНИЯ - 2 ПУТИ

ТРУБОПРОВОД СЕРВОУПРАВЛЕНИЯ - 2 ПУТИ

1Артикул: 420212-06265A, PIPING,PILOT;TWO WAY
2Артикул: 420212-06265C, PIPING,PILOT
3Артикул: 410116-00091, VALVE,EPPR
Подробнее >
ТРУБОПРОВОД СМАЗОЧНОЙ СИСТЕМЫ - ШАРНИРНАЯ СТРЕЛА

ТРУБОПРОВОД СМАЗОЧНОЙ СИСТЕМЫ - ШАРНИРНАЯ СТРЕЛА

1Артикул: 420212-04145, PIPING,LUBRICATION;ARTI
2Артикул: 2184-1045D165, HOSE
3Артикул: DS2053834, HOSE
Подробнее >
6780 ROTATING BEACON

6780 ROTATING BEACON

1Артикул: 300619-00081B, ROTATING BEACON ASSY
2Артикул: 300619-00081E, ROTATING BEACON ASSY
3Артикул: 300619-00081H, ROTATING BEACON ASSY
Подробнее >
ТРУБОПРОВОД СЕРВОУПРАВЛЕНИЯ - ПРЯМОЙ ВАЛ ХОДА

ТРУБОПРОВОД СЕРВОУПРАВЛЕНИЯ - ПРЯМОЙ ВАЛ ХОДА

1Артикул: 420212-06264A, PIPING,PILOT;STRAIGHT TRAVEL
2Артикул: 420212-06264B, PIPING,PILOT;STRAIGHT TRAVEL
3Артикул: 420212-06264C, PIPING,CABIN,STRAIGHT TRAVEL
Подробнее >
ТРУБОПРОВОД ШАРНИРНОЙ СТРЕЛЫ - ШАРНИРНЫЙ ЗАПОР

ТРУБОПРОВОД ШАРНИРНОЙ СТРЕЛЫ - ШАРНИРНЫЙ ЗАПОР

1Артикул: 420212-04132, PIPING,ARTI BOOM(LOCK VALVE)
2Артикул: 400306-00051B, CYLINDER,ARTI BOOM;LOCK V/V
3Артикул: 400306-00051C, CYLINDER,ARTI
Подробнее >
ГИДРОСИСТЕМА РУКОЯТИ - РУКОЯТЬ 2.2 м

ГИДРОСИСТЕМА РУКОЯТИ - РУКОЯТЬ 2.2 м

1Артикул: 420212-05461, PIPING,ARM
2Артикул: 400310-00171, CYLINDER,BUCKET
3Артикул: 400310-00171A, CYLINDER ASSY,BUCKET
Подробнее >
ТРУБОПРОВОД ШАРНИРНОЙ СТРЕЛЫ - ГИДРОЗАМОК(РУКОЯТЬ)

ТРУБОПРОВОД ШАРНИРНОЙ СТРЕЛЫ - ГИДРОЗАМОК(РУКОЯТЬ)

1Артикул: 420212-04134, PIPING,ARTI BOOM
2Артикул: 400305-00125B, CYLINDER,ARM;LOCK V/V
3Артикул: 400305-00125C, CYLINDER,ARM
Подробнее >
СТОП СИГНАЛ В СБОРЕ

СТОП СИГНАЛ В СБОРЕ

1Артикул: 300619-01243, ELECTRIC ASSY;LAMP
2Артикул: S5102503, WASHER
3Артикул: K1055454, LAMP,HEAD
Подробнее >
ГЛАВНАЯ МАГИСТРАЛЬ - 2 НАСОСА

ГЛАВНАЯ МАГИСТРАЛЬ - 2 НАСОСА

1Артикул: 420212-06351, PIPING,MAIN;TWO PUMP
2Артикул: 410111-00005, VALVE;STOP(TWO PUMP)
3Артикул: 410111-00005A, VALVE,STOP
Подробнее >
РАБОЧАЯ ФАРА - 2 ЛАМПЫ

РАБОЧАЯ ФАРА - 2 ЛАМПЫ

1Артикул: 300619-00075, LAMP ASS`Y,ADD WORKING
2Артикул: 300619-00075A, LAMP ASSY
3Артикул: K1055454, LAMP,HEAD
Подробнее >
7400 BUCKET ASS`Y - 0.82mВі - H CLASS

7400 BUCKET ASS`Y - 0.82mВі - H CLASS

1Артикул: 230104-01878A, BUCKET ASSY;0.82M3 R2H
2Артикул: 230104-01878B, BUCKET ASSY;0.82M3 R2H
3Артикул: 230104-02516, BUCKET ASSY;0.82M3 R2H
Подробнее >
ТРУБОПРОВОД СЕРВОУПРАВЛЕНИЯ - ВРАЩАЮЩИЙСЯ

ТРУБОПРОВОД СЕРВОУПРАВЛЕНИЯ - ВРАЩАЮЩИЙСЯ

1Артикул: 420212-06270A, PIPING,PILOT;ROTATING
2Артикул: 420212-06270E, PIPING,PILOT
3Артикул: 410116-00091, VALVE,EPPR
Подробнее >
ГЛАВНАЯ МАГИСТРАЛЬ - ВРАЩАЮЩИЙСЯ

ГЛАВНАЯ МАГИСТРАЛЬ - ВРАЩАЮЩИЙСЯ

1Артикул: 420212-06361, PIPING,MAIN(ROTATING)
2Артикул: K1016086A, PUMP;GEAR
3Артикул: K1005830, GEAR
Подробнее >
ТРУБОПРОВОД СЕРВОУПРАВЛЕНИЯ - 2 НАСОСА

ТРУБОПРОВОД СЕРВОУПРАВЛЕНИЯ - 2 НАСОСА

1Артикул: 420212-06329, PIPING,PILOT;TWO PUMP
2Артикул: DS2120015, HOSE ASSY,HYDRAULIC
3Артикул: DS2120125, HOSE ASSY,HYDRAULIC
Подробнее >
7360 CABIN - ROPS(NA)

7360 CABIN - ROPS(NA)

1Артикул: 220101-00492M, CABIN ASSY
2Артикул: 220101-00492N, CABIN ASSY
3Артикул: 220101-00492P, CABIN ASSY
Подробнее >
ТРУБОПРОВОД СЕРВОУПРАВЛЕНИЯ - БУЛЬДОЗЕР

ТРУБОПРОВОД СЕРВОУПРАВЛЕНИЯ - БУЛЬДОЗЕР

1Артикул: 420212-06271A, PIPING,PILOT;DOZER
2Артикул: 420212-06271C, PIPING,PILOT
3Артикул: 420-00490A, VALVE,REMOCON(DOZER)
Подробнее >