+7 (701) 588 50 05 Телефон для связи
RU

WhatsApp

Позвонить

60 ОПЦИОННЫЕ ЗАПЧАСТИ в Алматы

6450 BUCKET - 0.2гЋҐ

6450 BUCKET - 0.2гЋҐ

1Артикул: K1030772B, BUCKET ASS`Y- 0.2гЋҐ
2Артикул: 230104-01773, BUCKET ASS`Y- 0.2гЋҐ
3Артикул: -, BUCKET - 0.2гЋҐ
Подробнее >
ТРУБОПРОВОД ШАРНИРНОЙ СТРЕЛЫ

ТРУБОПРОВОД ШАРНИРНОЙ СТРЕЛЫ

1Артикул: 420212-00070, ARTI BOOM PIPING
2Артикул: K1054437, PIPE
3Артикул: K1054438, PIPE
Подробнее >
ТРУБОПРОВОД СЕРВОУПРАВЛЕНИЯ - ИЗМЕНЕНИЕ РЕЖИМА(1)

ТРУБОПРОВОД СЕРВОУПРАВЛЕНИЯ - ИЗМЕНЕНИЕ РЕЖИМА(1)

1Артикул: K1041618A, PILOT PIPING;PATTERN CHANGE
2Артикул: K1002374, VALVE;SELECT
3Артикул: 2181-1126D14, ADAPTER
Подробнее >
ГИДРОСИСТЕМА СТРЕЛЫ - ГИДРОЗАМОК(ШАРНИРНЫЙ)

ГИДРОСИСТЕМА СТРЕЛЫ - ГИДРОЗАМОК(ШАРНИРНЫЙ)

1Артикул: 420212-00100, ARTI BOOM PIPING(BOOM LOCK)
2Артикул: 420212-16259, PIPING,ARTI BOOM,BOOM LOCK
3Артикул: 400309-00025, CYLINDER;BOOM
Подробнее >
БЫСТРОУСТАНАВЛИВАЕМЫЙ ФИКСАТОР ВКЛЮЧАТЕЛЯ

БЫСТРОУСТАНАВЛИВАЕМЫЙ ФИКСАТОР ВКЛЮЧАТЕЛЯ

1Артикул: K1036623, QUICK CLAMP SWITCH
2Артикул: 300619-03641, ELECTRIC ASSY;QUICK COUPLER
3Артикул: 549-00027, SWITCH;ROCKER
Подробнее >
ТРУБОПРОВОД СЕРВОУПРАВЛЕНИЯ - ГИДРОЗАМОК(ШАРНИРНЫЙ)

ТРУБОПРОВОД СЕРВОУПРАВЛЕНИЯ - ГИДРОЗАМОК(ШАРНИРНЫЙ)

1Артикул: 420212-00123, PIPING,PILOT;ARTI.LOCK
2Артикул: DS2281091, ELBOW
3Артикул: S8040061, O-RING
Подробнее >
ЗАЩИТНОЕ ОГРАЖДЕНИЕ КРЫШИ

ЗАЩИТНОЕ ОГРАЖДЕНИЕ КРЫШИ

1Артикул: K1033691B, ROOF GUARD ASS`Y
2Артикул: K1033220C, GUARD;ROOF
3Артикул: 2120-2166D27, BOLT
Подробнее >
БАШМАК ГУСЕНИЦЫ - ИЗ СТАЛИ(450G)

БАШМАК ГУСЕНИЦЫ - ИЗ СТАЛИ(450G)

1Артикул: K1029850B, TRACK SHOE ASS`Y
2Артикул: 200106-00508, TRACK SHOE ASS`Y
3Артикул: K1030450, TRACK SHOE ASS`Y
Подробнее >
6100 FUEL FILLER PUMP

6100 FUEL FILLER PUMP

1Артикул: K1036765C, FUEL FILLER PUMP
2Артикул: 400909-00002, FUEL FILLER PUMP
3Артикул: K1033417A, PUMP;FUEL FILLER
Подробнее >
ГИДРОСИСТЕМА РУКОЯТИ - РУКОЯТЬ 2.25 м

ГИДРОСИСТЕМА РУКОЯТИ - РУКОЯТЬ 2.25 м

1Артикул: K1030865C, ARM PIPING
2Артикул: 420212-00666, PIPING,ARM
3Артикул: K1029588B, CYLINDER;BUCKET
Подробнее >
ГИДРОСИСТЕМА СТРЕЛЫ - ЗАМОК РУКОЯТИ(ШАРНИРНЫЙ)

ГИДРОСИСТЕМА СТРЕЛЫ - ЗАМОК РУКОЯТИ(ШАРНИРНЫЙ)

1Артикул: 420212-00075, PIPING,ARTI BOOM;ARM LOCK
2Артикул: 420212-16231, PIPING,ARTI BOOM;ARM LOCK
3Артикул: 400305-00019, CYLINDER;ARM(LOCK VALVE)
Подробнее >
6290 ROTATING BEACON

6290 ROTATING BEACON

1Артикул: K1036621A, ROTATING BEACON
2Артикул: 300619-00141B, ROTATING BEACON ASSY
3Артикул: 300619-00141C, ROTATING BEACON ASSY
Подробнее >
ГИДРОСИСТЕМА РУКОЯТИ - ГРЕЙФЕРНЫЙ КОВШ(РУКОЯТЬ 1.7 м)

ГИДРОСИСТЕМА РУКОЯТИ - ГРЕЙФЕРНЫЙ КОВШ(РУКОЯТЬ 1.7 м)

1Артикул: K1029584B, ARM PIPING;CLAMSHELL
2Артикул: 421-00022, VALVE,SWITCH
3Артикул: DS2093657, HOSE
Подробнее >
ГИДРОСИСТЕМА РУКОЯТИ - ВРАЩАЮЩИЙСЯ(РУКОЯТЬ 2.25 м)

ГИДРОСИСТЕМА РУКОЯТИ - ВРАЩАЮЩИЙСЯ(РУКОЯТЬ 2.25 м)

1Артикул: K1036180, ARM PIPING;ROTATION
2Артикул: 420212-04308, PIPING,ARM;ROTATION
3Артикул: K1036185, PIPE
Подробнее >
6610 BUCKET ASSВґY - 0.20mВі - G CLASS

6610 BUCKET ASSВґY - 0.20mВі - G CLASS

1Артикул: 230104-02072, BUCKET ASSY;0.2M3 R1G
2Артикул: -, BUCKET,WELD;0.2M3 R1G
3Артикул: 430203-00035, . ADAPTER,TOOTH
Подробнее >
6340 SIDE MIRROR

6340 SIDE MIRROR

1Артикул: K1030442A, STAY,SIDE MIRROR
2Артикул: K1029838, STAY,MIRROR
3Артикул: 2120-2166D3, BOLT
Подробнее >
6311 AUDIO [51129~]

6311 AUDIO [51129~]

1Артикул: 300619-00619A, ELECTRIC ASSY;RADIO
2Артикул: 300654-00090, STEREO;W/O HANDSFREE; 12V
Подробнее >
ГИДРОСИСТЕМА СТРЕЛЫ - ВРАЩАЮЩИЙСЯ

ГИДРОСИСТЕМА СТРЕЛЫ - ВРАЩАЮЩИЙСЯ

1Артикул: K1029469A, BOOM PIPING;ROTATION
2Артикул: 420212-06311, PIPING,BOOM
3Артикул: K1029531A, PIPE
Подробнее >
РУКОЯТЬ - 2.25 м

РУКОЯТЬ - 2.25 м

1Артикул: K1028909C, ARM;ASSY
2Артикул: 230201-00154, ARM ASSY;2.25M
3Артикул: K1028910B, ARM;MACH(2.25m)
Подробнее >
6490 FLOOR MAT - ARTI. & PE3C

6490 FLOOR MAT - ARTI. & PE3C

1Артикул: K1036651A, MAT;ARTI. & PE3C
Подробнее >
ГИДРОСИСТЕМА СТРЕЛЫ - БЫСТРОУСТАНАВЛИВАЕМЫЙ ФИКСАТОР(ШАРНИРНЫЙ)

ГИДРОСИСТЕМА СТРЕЛЫ - БЫСТРОУСТАНАВЛИВАЕМЫЙ ФИКСАТОР(ШАРНИРНЫЙ)

1Артикул: 420212-00083, QUICK CLAMP PIPING,ARTI
2Артикул: 191-02629, BRACKET
3Артикул: 181-00020, ADAPTER
Подробнее >
ГИДРОСИСТЕМА СТРЕЛЫ - ГИДРОЗАМОК

ГИДРОСИСТЕМА СТРЕЛЫ - ГИДРОЗАМОК

1Артикул: K1029471E, BOOM PIPING;BOOM LOCK
2Артикул: 420212-00662, PIPING,BOOM LOCK VALVE
3Артикул: K1029558A, CYLINDER;BOOM
Подробнее >
ТРУБОПРОВОД БУЛЬДОЗЕРА - ПРЕДОХРАНИТЕЛЬНЫЙ

ТРУБОПРОВОД БУЛЬДОЗЕРА - ПРЕДОХРАНИТЕЛЬНЫЙ

1Артикул: K1036427A, DOZER PIPING-CHECK
2Артикул: 420212-06436, DOZER PIPING-CHECK
3Артикул: K1039402, CYLINDER;DOZER(L.H)
Подробнее >
КРЫШКА ДЛЯ РАБОТЫ В УСЛОВИЯХ ТРОПИЧЕСКОГО КЛИМАТА

КРЫШКА ДЛЯ РАБОТЫ В УСЛОВИЯХ ТРОПИЧЕСКОГО КЛИМАТА

1Артикул: 110513-01671, COVER,UNDER;TROPICAL
2Артикул: K1054790, COVER;UNDER
3Артикул: K1054808, COVER,UNDER
Подробнее >
6620 BUCKET ASSВґY - 0.28mВі - G CLASS

6620 BUCKET ASSВґY - 0.28mВі - G CLASS

1Артикул: 230104-02074, BUCKET ASSY;0.28M3 R1G
2Артикул: -, BUCKET,WELD;0.28M3 R1G
3Артикул: 430203-00035, . ADAPTER,TOOTH
Подробнее >
ГИДРОСИСТЕМА РУКОЯТИ - БЫСТРОУСТАНАВЛИВАЕМЫЙ ФИКСАТОР(РУКОЯТЬ 1.7 м)

ГИДРОСИСТЕМА РУКОЯТИ - БЫСТРОУСТАНАВЛИВАЕМЫЙ ФИКСАТОР(РУКОЯТЬ 1.7 м)

1Артикул: K1045170, ARM PIPING;QUICK CLAMP
2Артикул: 420212-11667, PIPING,ARM;QUICK FIT(1.7M)
3Артикул: K1029646, PIPE
Подробнее >
ЭЛЕКТРИЧЕСКИЕ ЗАПЧАСТИ - СИГНАЛ ЗАДНЕГО ХОДА

ЭЛЕКТРИЧЕСКИЕ ЗАПЧАСТИ - СИГНАЛ ЗАДНЕГО ХОДА

1Артикул: K1046061, ELECTRIC;TRAVEL ALARM
2Артикул: 516-00011, BUZZER
3Артикул: S0508666, BOLT M8X1.25X16
Подробнее >
6520 MAIN PIPING - ARTI. & ROTATING

6520 MAIN PIPING - ARTI. & ROTATING

1Артикул: 420212-00102, MAIN PIPING;RO AND ARTI
2Артикул: K1042778A, VALVE;CONTROL;ARTI&RO
3Артикул: K1054131, VALVE,CONTROL;ARTI&ROTATING
Подробнее >
ГИДРОСИСТЕМА РУКОЯТИ - ВРАЩАЮЩИЙСЯ(РУКОЯТЬ 1.7 м)

ГИДРОСИСТЕМА РУКОЯТИ - ВРАЩАЮЩИЙСЯ(РУКОЯТЬ 1.7 м)

1Артикул: K1029582, ARM PIPING;ROTATION
2Артикул: 420212-10033, PIPING,ARM;ROTATION 1.7M
3Артикул: K1029734, PIPE
Подробнее >
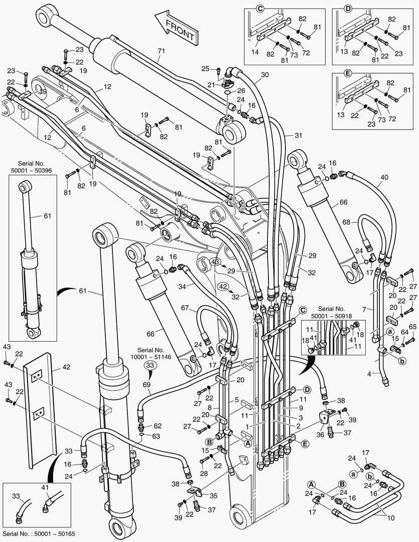
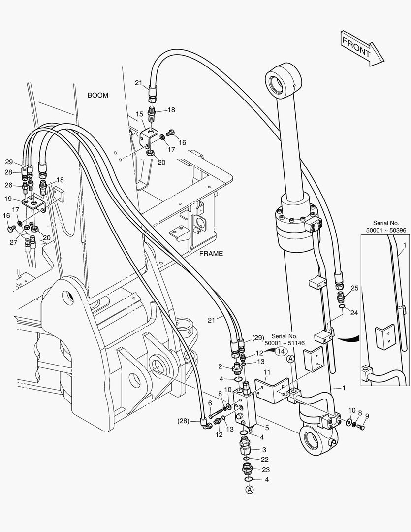
ГЛАВНАЯ МАГИСТРАЛЬ - ШАРНИРНАЯ СТРЕЛА

ГЛАВНАЯ МАГИСТРАЛЬ - ШАРНИРНАЯ СТРЕЛА

1Артикул: 420212-00101, MAIN PIPING;ARTI BOOM
2Артикул: K1042867A, VALVE;ARTI CONTROL
3Артикул: 410105-00134, VALVE,CONTROL;ARTI
Подробнее >
ГИДРОСИСТЕМА СТРЕЛЫ - КЛАПАН ЗАМКА РУКОЯТИ

ГИДРОСИСТЕМА СТРЕЛЫ - КЛАПАН ЗАМКА РУКОЯТИ

1Артикул: K1050475, BOOM PIPING;ARM LOCK VALVE)
2Артикул: 420212-00664, PIPING,BOOM;ARM LOCK
3Артикул: K1050250, CYLINDER;ARM
Подробнее >
ГИДРОСИСТЕМА РУКОЯТИ - БЫСТРОУСТАНАВЛИВАЕМЫЙ ФИКСАТОР(РУКОЯТЬ 2.25 м)

ГИДРОСИСТЕМА РУКОЯТИ - БЫСТРОУСТАНАВЛИВАЕМЫЙ ФИКСАТОР(РУКОЯТЬ 2.25 м)

1Артикул: K1045171, ARM PIPING;QUICK CLAMP
2Артикул: 420212-11669, PIPING,ARM;QUICK FIT(2.25M)
3Артикул: K1045178, PIPE
Подробнее >
6380 BOOM PIPING - QUICK CLAMP

6380 BOOM PIPING - QUICK CLAMP

1Артикул: K1045129, BOOM PIPING;QUICK CLAMP
2Артикул: 420212-09912, PIPING,BOOM
3Артикул: 191-02629, BRACKET
Подробнее >
ТРУБОПРОВОД СЕРВОУПРАВЛЕНИЯ - ГИДРОЗАМОК

ТРУБОПРОВОД СЕРВОУПРАВЛЕНИЯ - ГИДРОЗАМОК

1Артикул: K1041542A, PILOT PIPING;BOOM LOCK
2Артикул: 420212-01470, PIPING,PILOT;BOOM LOCK
3Артикул: 2181-4125, TEE
Подробнее >
ТРУБОПРОВОД СЕРВОУПРАВЛЕНИЯ - ВРАЩАЮЩИЙСЯ

ТРУБОПРОВОД СЕРВОУПРАВЛЕНИЯ - ВРАЩАЮЩИЙСЯ

1Артикул: K1036992E, PILOT PIPING;ROTATION
2Артикул: 426-00247A, VALVE;SOLENOID
3Артикул: K9001354, . SPOOL,SOLENOID
Подробнее >
ЛАМПА В КАБИНЕ

ЛАМПА В КАБИНЕ

1Артикул: K1036620A, ADDITIONAL WORK LAMP
2Артикул: 300619-00253, LAMP ASSY,ADD WORKING
3Артикул: 300619-00253A, LAMP ASSY,ADDITIONAL WORKING
Подробнее >
ТРУБОПРОВОД СЕРВОУПРАВЛЕНИЯ - ИЗМЕНЕНИЕ РЕЖИМА(2)

ТРУБОПРОВОД СЕРВОУПРАВЛЕНИЯ - ИЗМЕНЕНИЕ РЕЖИМА(2)

1Артикул: K1036572B, PILOT PIPING;PATTERN
2Артикул: DS2093221, HOSE
3Артикул: DS2093026, HOSE ASSY,HYDRAULIC
Подробнее >
ТРУБОПРОВОД СЕРВОУПРАВЛЕНИЯ - КЛАПАН ЗАМКА РУКОЯТИ

ТРУБОПРОВОД СЕРВОУПРАВЛЕНИЯ - КЛАПАН ЗАМКА РУКОЯТИ

1Артикул: K1049799, PILOT PIPING;ARM LOCK
2Артикул: 420212-01471, PIPING,PILOT;ARM LOCK
3Артикул: 2181-1951D1, TEE
Подробнее >
ЗАЩИТНЫЙ КОРПУС ПРОТИВОТУМАННЫХ ФАР

ЗАЩИТНЫЙ КОРПУС ПРОТИВОТУМАННЫХ ФАР

1Артикул: K1037828C, FOGS GUARD
2Артикул: 110921-02555, GUARD
3Артикул: K1037835, CABIN ASSY
Подробнее >
ГИДРОСИСТЕМА РУКОЯТИ - ГРЕЙФЕРНЫЙ КОВШ(РУКОЯТЬ 2.25 м)

ГИДРОСИСТЕМА РУКОЯТИ - ГРЕЙФЕРНЫЙ КОВШ(РУКОЯТЬ 2.25 м)

1Артикул: K1036166B, ARM PIPING;CLAMSHELL
2Артикул: 420212-06313, PIPING,ARM
3Артикул: 421-00022, VALVE,SWITCH
Подробнее >
ГИДРОСИСТЕМА СТРЕЛЫ - ВРАЩАЮЩИЙСЯ(ШАРНИРНЫЙ)

ГИДРОСИСТЕМА СТРЕЛЫ - ВРАЩАЮЩИЙСЯ(ШАРНИРНЫЙ)

1Артикул: 420212-00071, BOOM PIPING;ROTATING
2Артикул: K1054460, PIPE
3Артикул: K1054461, PIPE
Подробнее >
РАБОЧАЯ ФАРА - ШАРНИРНАЯ СТРЕЛА

РАБОЧАЯ ФАРА - ШАРНИРНАЯ СТРЕЛА

1Артикул: 301005-00004, WORKING LAMP;ARTI
2Артикул: 124-00208D2, CLIP
3Артикул: K1025100, LAMP;WORK
Подробнее >
КАССЕТНЫЙ ПЛЕЕР

КАССЕТНЫЙ ПЛЕЕР

1Артикул: K1036624, CASSETTE PLAYER ASS`Y
2Артикул: K1013232, STEREO;CAR
Подробнее >
ШАРНИРНАЯ СТРЕЛА

ШАРНИРНАЯ СТРЕЛА

1Артикул: 230208-00001, ARTI. BOOM ASS`Y
2Артикул: 230210-00003, BOOM;LOWER
3Артикул: 230210-00003A, BOOM,LOWER
Подробнее >
ТРУБОПРОВОД СЕРВОУПРАВЛЕНИЯ - СИГНАЛ ЗАДНЕГО ХОДА

ТРУБОПРОВОД СЕРВОУПРАВЛЕНИЯ - СИГНАЛ ЗАДНЕГО ХОДА

1Артикул: K1036569C, PILOT PIPING;TRAVEL ALARM
2Артикул: 420212-06414, PILOT PIPING;TRAVEL ALARM
3Артикул: 420212-08300, PIPING,PILOT;TRAVEL ALARM
Подробнее >
БАШМАК ГУСЕНИЦЫ В СБОРЕ - 450G

БАШМАК ГУСЕНИЦЫ В СБОРЕ - 450G

1Артикул: K1030450, TRACK SHOE ASS`Y
2Артикул: 272-00055, LINK;TRACK(R.H)
3Артикул: 272-00047, LINK;TRACK(L.H)
Подробнее >
СОЛНЦЕЗАЩИТНЫЙ КОЗЫРЕК

СОЛНЦЕЗАЩИТНЫЙ КОЗЫРЕК

1Артикул: K1030443, SUN VISOR ASS`Y
2Артикул: 220208-00018, SUN VISOR ASS`Y
3Артикул: 621-01495, SUN VISOR
Подробнее >
БЫСТРОУСТАНАВЛИВАЕМЫЙ ФИКСАТОР ТРУБОПРОВОДА

БЫСТРОУСТАНАВЛИВАЕМЫЙ ФИКСАТОР ТРУБОПРОВОДА

1Артикул: K1046882, PILOT PIPING;QUICK CLAMP
2Артикул: 420212-00245, PILOT PIPING;QUICK CLAMP
3Артикул: 426-00236, VALVE;SOLENOID
Подробнее >
ГЛАВНАЯ МАГИСТРАЛЬ - ВРАЩАЮЩИЙСЯ

ГЛАВНАЯ МАГИСТРАЛЬ - ВРАЩАЮЩИЙСЯ

1Артикул: K1037458C, MAIN PIPING;ROTATING
2Артикул: 420212-00234, MAIN PIPING;ROTATING
3Артикул: K1042777, CONTROL VALVE ASS`Y
Подробнее >
ТРУБОПРОВОД СЕРВОУПРАВЛЕНИЯ - ШАРНИРНАЯ СТРЕЛА

ТРУБОПРОВОД СЕРВОУПРАВЛЕНИЯ - ШАРНИРНАЯ СТРЕЛА

1Артикул: 420212-00667, PILOT PIPING;WITH ARTI.
2Артикул: K1040513, VALVE;PEDAL
3Артикул: 2181-1126D14, ADAPTER
Подробнее >
СИГНАЛИЗАЦИЯ О ПЕРЕГРУЗКЕ

СИГНАЛИЗАЦИЯ О ПЕРЕГРУЗКЕ

1Артикул: K1046062A, OVERLOAD WARNING
2Артикул: 300619-00230, ELECTRIC ASSY;OVERLOAD WARNING
3Артикул: 2547-9045, SENSOR;PRESSURE
Подробнее >
ПРОТИВОВЕС - ДОБАВЛЕННЫЙ

ПРОТИВОВЕС - ДОБАВЛЕННЫЙ

1Артикул: K1054675, COUNTER WEIGHT 1.7TON
Подробнее >
ПЕДАЛЬ - ВРАЩАЮЩИЙСЯ ИЛИ ШАРНИРНЫЙ

ПЕДАЛЬ - ВРАЩАЮЩИЙСЯ ИЛИ ШАРНИРНЫЙ

1Артикул: 101101-00070, LEVER ASSY;OPTION(LH)
2Артикул: K1033020B, PEDAL
3Артикул: 180308-00054, RUBBER,PEDAL
Подробнее >
6310 CD PLAYER [50001~51128]

6310 CD PLAYER [50001~51128]

1Артикул: K1036625, CD PLAYER ASS`Y
2Артикул: 300619-00619, ELECTRIC ASSY;CD PLAYER
3Артикул: K1010982, CD PLAYER
Подробнее >