+7 (701) 588 50 05 Телефон для связи
RU

WhatsApp

Позвонить

60 ОПЦИОННЫЕ ЗАПЧАСТИ в Алматы

6290 BOOM PIPING - ONE & TWO WAY

6290 BOOM PIPING - ONE & TWO WAY

1Артикул: 420212-05345, PIPING,BOOM
2Артикул: 420207-01486A, PIPE
3Артикул: 420207-01487A, PIPE
Подробнее >
РАМА ГУСЕНИЦЫ - ПОЛНОЦЕНАЯ ЗАЩИТА

РАМА ГУСЕНИЦЫ - ПОЛНОЦЕНАЯ ЗАЩИТА

1Артикул: 200112-00077, GUARD,TRACK
2Артикул: 200112-00029C, GUARD,TRACK
3Артикул: S0527666, BOLT
Подробнее >
6820 BUCKET - 1.25mВі

6820 BUCKET - 1.25mВі

1Артикул: 230104-00618, BUCKET ASSY
2Артикул: 230104-00619C, BUCKET ASSY;1.25M3
3Артикул: -, . BUCKET,1.25M3
Подробнее >
6850 BUCKET - 1.83mВі

6850 BUCKET - 1.83mВі

1Артикул: 230104-00624, BUCKET ASSY
2Артикул: 230104-00625C, BUCKET ASSY;1.83M3
3Артикул: -, . BUCKET,1.83M3
Подробнее >
ТРУБОПРОВОД ХОДА - УЗКИЕ ГУСЕНИЦЫ

ТРУБОПРОВОД ХОДА - УЗКИЕ ГУСЕНИЦЫ

1Артикул: 420212-02224, PIPING,UNDERCARRIAGE
2Артикул: DS2040436, HOSE
3Артикул: DS2040437, HOSE
Подробнее >
ЭЛЕКТРИЧЕСКИЕ ЗАПЧАСТИ - КАБИНА(СИСТЕМА ЗАЩИТЫ ПРИ ОПРОКИДЫВАНИИ)

ЭЛЕКТРИЧЕСКИЕ ЗАПЧАСТИ - КАБИНА(СИСТЕМА ЗАЩИТЫ ПРИ ОПРОКИДЫВАНИИ)

1Артикул: 300619-04153B, ELECTRIC ASSY,CABIN
2Артикул: DS0025056, BOLT
3Артикул: 547-00023, SENSOR
Подробнее >
ГЛАВНАЯ МАГИСТРАЛЬ - 2 НАСОСА

ГЛАВНАЯ МАГИСТРАЛЬ - 2 НАСОСА

1Артикул: 420212-04818, PIPING,MAIN;TWO PUMP
2Артикул: 410137-00082, VALVE,STOP
3Артикул: 110406-05344, BRACKET
Подробнее >
7080 TRAVEL ALARM

7080 TRAVEL ALARM

1Артикул: 300619-00928, ELECTRIC ASSY
2Артикул: 516-00011, BUZZER
3Артикул: S2208666, BOLT
Подробнее >
КАБИНА(1) - СИСТЕМА ЗАЩИТЫ ПРИ ОПРОКИДЫВАНИИ

КАБИНА(1) - СИСТЕМА ЗАЩИТЫ ПРИ ОПРОКИДЫВАНИИ

1Артикул: 220101-01847, CABIN ASSY(ROPS)
2Артикул: -, BODY,CABIN(ROPS)
3Артикул: K1057517, DAMPER,GLASS(L.H)
Подробнее >
СИГНАЛИЗАЦИЯ О ПЕРЕГРУЗКЕ

СИГНАЛИЗАЦИЯ О ПЕРЕГРУЗКЕ

1Артикул: K1009445A, OVERLOAD WARNING
2Артикул: 549-00102, SWITCH
3Артикул: K1002406D4, ACTUATOR
Подробнее >
6170 FUEL FILLER PUMP

6170 FUEL FILLER PUMP

1Артикул: 400909-00267, PUMP ASSY,FUEL FILLER
2Артикул: 400909-00293, PUMP,FUEL TRANFER
3Артикул: 410104-00512, VALVE ASSY,CHECK
Подробнее >
СИГНАЛ ЗАДНЕГО ХОДА - СИСТЕМА ЗАЩИТЫ ПРИ ОПРОКИДЫВАНИИ

СИГНАЛ ЗАДНЕГО ХОДА - СИСТЕМА ЗАЩИТЫ ПРИ ОПРОКИДЫВАНИИ

1Артикул: 300702-00061, ELECTRIC ASSY
2Артикул: 549-00103, SWITCH
3Артикул: 301401-00010, ACTUATOR,SWITCH
Подробнее >
7610 SUN VISOR - ROPS

7610 SUN VISOR - ROPS

1Артикул: 220208-00052, SUNVISOR ASSY
2Артикул: 220208-00001B, SUNVISOR
3Артикул: S3450983, SCREW
Подробнее >
ПОДСТАВКА ДЛЯ НОГ - ПРАВОСТОРОННИЙ(СИСТЕМА ЗАЩИТЫ ПРИ ОПРОКИДЫВАНИИ)

ПОДСТАВКА ДЛЯ НОГ - ПРАВОСТОРОННИЙ(СИСТЕМА ЗАЩИТЫ ПРИ ОПРОКИДЫВАНИИ)

1Артикул: 220107-00043A, REST,FOOT(R.H)
2Артикул: 220107-00041, REST,FOOT
3Артикул: 2120-2166D1, BOLT
Подробнее >
6310 ELECTRIC PARTS - PEDAL(BREAKER)

6310 ELECTRIC PARTS - PEDAL(BREAKER)

1Артикул: 300619-04103, ELECTRIC ASSY
2Артикул: 110420-01299A, BRACKET
3Артикул: 2120-2166D1, BOLT
Подробнее >
ГЛАВНАЯ МАГИСТРАЛЬ - БЫСТРОУСТАНАВЛИВАЕМЫЙ ФИКСАТОР

ГЛАВНАЯ МАГИСТРАЛЬ - БЫСТРОУСТАНАВЛИВАЕМЫЙ ФИКСАТОР

1Артикул: 420212-00699, MAIN PIPING-QUICK FIT
2Артикул: 426-00287B, VALVE,QUICK-FIT
3Артикул: 410135-00109, . VALVE,SOLENOID
Подробнее >
6830 BUCKET - 1.49mВі

6830 BUCKET - 1.49mВі

1Артикул: 230104-00615, BUCKET ASSY
2Артикул: 230104-00616C, BUCKET ASSY;1.49M3
3Артикул: -, . BUCKET,1.49M3
Подробнее >
ГИДРОСИСТЕМА РУКОЯТИ - РУКОЯТЬ 3.95 м

ГИДРОСИСТЕМА РУКОЯТИ - РУКОЯТЬ 3.95 м

1Артикул: 420212-02143, PIPING,ARM;3.95M
2Артикул: 400310-00054E, CYLINDER,BUCKET
3Артикул: DS2129003, HOSE
Подробнее >
6410 PILOT PIPING - ROTATING & QUICK FIT

6410 PILOT PIPING - ROTATING & QUICK FIT

1Артикул: K1006564A, PILOT PIPING
2Артикул: 124-00208D5, CLIP
3Артикул: DS2093594, HOSE
Подробнее >
6860 ROCK BUCKET - 1.28mВі(HEAVY DUTY)

6860 ROCK BUCKET - 1.28mВі(HEAVY DUTY)

1Артикул: 230104-00627, BUCKET ASSY
2Артикул: 230104-00628E, BUCKET ASSY;1.28M3
3Артикул: -, . BUCKET,1.28M3
Подробнее >
6960 BUCKET ASS`Y - 1.71mВі - X CLASS

6960 BUCKET ASS`Y - 1.71mВі - X CLASS

1Артикул: 230104-02985, BUCKET ASSY;1.71M3
2Артикул: -, BUCKET,1.71M3
3Артикул: 430203-00037, . ADAPTER,TOOTH
Подробнее >
ВОЗДУХООЧИСТИТЕЛЬ - НЕФТЯНАЯ СМАЗКА

ВОЗДУХООЧИСТИТЕЛЬ - НЕФТЯНАЯ СМАЗКА

1Артикул: 400414-00651, CLEANER ASSY,AIR;OIL-BATH
2Артикул: K1009279, AIR CLEANER
3Артикул: K9001293, . ELEMENT,OIL WASHED
Подробнее >
ПУЛЬТ УПРАВЛЕНИЯ - ЛЕВОСТОРОННИЙ(СИСТЕМА ЗАЩИТЫ ПРИ ОПРОКИДЫВАНИИ)

ПУЛЬТ УПРАВЛЕНИЯ - ЛЕВОСТОРОННИЙ(СИСТЕМА ЗАЩИТЫ ПРИ ОПРОКИДЫВАНИИ)

1Артикул: 220111-00047M, STAND ASSY,CONTROL(L.H)
2Артикул: 220204-00124A, COVER,STAND;UPPER(L.H)
3Артикул: 220204-00125A, COVER,STAND;LOWER(L.H)
Подробнее >
6930 BUCKET ASSВґY - 1.92mВі - S CLASS

6930 BUCKET ASSВґY - 1.92mВі - S CLASS

1Артикул: 230104-02571A, BUCKET ASSY;1.92M3
2Артикул: -, BUCKET,1.92M3
3Артикул: 430203-00037, . ADAPTER,TOOTH
Подробнее >
ЗАЩИТНЫЙ КОРПУС ПРОТИВОТУМАННЫХ ФАР - СИСТЕМА ЗАЩИТЫ ПРИ ОПРОКИДЫВАНИИ

ЗАЩИТНЫЙ КОРПУС ПРОТИВОТУМАННЫХ ФАР - СИСТЕМА ЗАЩИТЫ ПРИ ОПРОКИДЫВАНИИ

1Артикул: 110921-00008L, GUARD ASSY
2Артикул: 110921-00003K, GUARD ASSY
3Артикул: 110921-00004C, GUARD ASSY(FRONT)
Подробнее >
7230 WORKING LAMP - 6 LAMP(FOGS & HALOGEN)

7230 WORKING LAMP - 6 LAMP(FOGS & HALOGEN)

1Артикул: 300619-02735C, LAMP ASSY,WORKING
2Артикул: K1055454, LAMP,HEAD
3Артикул: 2515-1016D4, . BULB,HALOGEN
Подробнее >
ТРУБОПРОВОД СЕРВОУПРАВЛЕНИЯ - 2 ПУТИ(2)

ТРУБОПРОВОД СЕРВОУПРАВЛЕНИЯ - 2 ПУТИ(2)

1Артикул: 420212-07859, PILOT PIPING-TWO WAY
2Артикул: K1017382A, PEDAL VALVE
3Артикул: 195-01683A, BRACKET,PEDAL(R.H)
Подробнее >
ГИДРОСИСТЕМА РУКОЯТИ - РУКОЯТЬ 2.6 м

ГИДРОСИСТЕМА РУКОЯТИ - РУКОЯТЬ 2.6 м

1Артикул: 420212-02142, PIPING,ARM;2.6M
2Артикул: 400310-00054E, CYLINDER,BUCKET
3Артикул: DS2039193, HOSE
Подробнее >
7170 RAIN SHIELD & LAMP MOUNTING

7170 RAIN SHIELD & LAMP MOUNTING

1Артикул: 534-00117B, RAIN SHIELD & LAMP ASS`Y
2Артикул: 159-00294C, COVER;RAIN SHIELD
3Артикул: 162-00040A, STRIP;WEATHER(1000mm)
Подробнее >
7870 AIRCON UNIT - ROPS

7870 AIRCON UNIT - ROPS

1Артикул: 440205-00033C, CONDITIONER,AIR
2Артикул: K1002206, MOTOR,BLOWER 24V
3Артикул: K1002207, POWER FET
Подробнее >
6940 BUCKET ASSВґY - 2.22mВі - S CLASS

6940 BUCKET ASSВґY - 2.22mВі - S CLASS

1Артикул: 230104-02573A, BUCKET ASSY;2.22M3
2Артикул: -, BUCKET,2.22M3
3Артикул: 430203-00037, . ADAPTER,TOOTH
Подробнее >
КОВРИК НА ПОЛУ КУЗОВА - СИСТЕМА ЗАЩИТЫ ПРИ ОПРОКИДЫВАНИИ

КОВРИК НА ПОЛУ КУЗОВА - СИСТЕМА ЗАЩИТЫ ПРИ ОПРОКИДЫВАНИИ

1Артикул: 110955-00049, STEP ASSY
2Артикул: 110955-00048, STEP,CABIN DOOR
3Артикул: S2004366, BOLT,HEX FLANGE
Подробнее >
7220 WORKING LAMP - 2 LAMP(FOGS & HALOGEN)

7220 WORKING LAMP - 2 LAMP(FOGS & HALOGEN)

1Артикул: 300619-02734B, LAMP ASSY,WORKING
2Артикул: K1055454, LAMP,HEAD
3Артикул: 2515-1016D4, . BULB,HALOGEN
Подробнее >
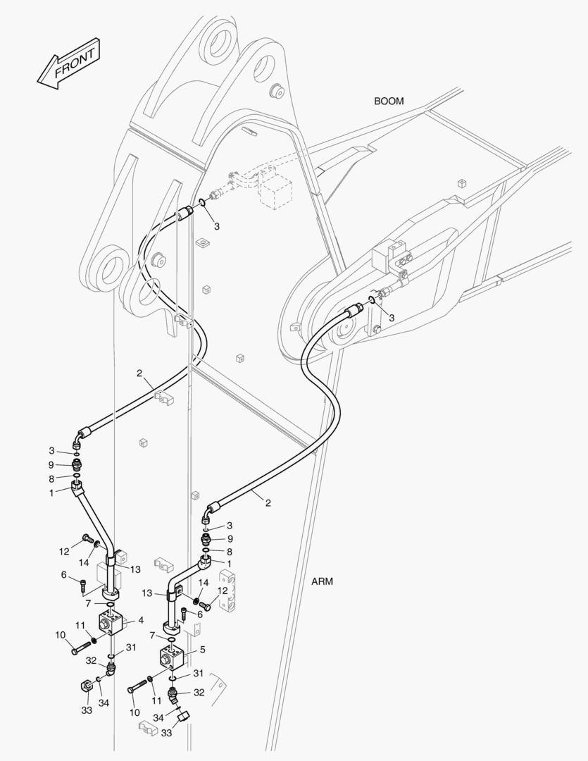
6300 ARM PIPING - ONE & TWO WAY

6300 ARM PIPING - ONE & TWO WAY

1Артикул: 420212-01937, ARM PIPING,ONE & TWO WAY
2Артикул: 420207-02594, PIPE
3Артикул: DS2040383, HOSE
Подробнее >
6130 HEATER PLUG - 220V

6130 HEATER PLUG - 220V

1Артикул: 430221-01455, PLUG,HEATER;220V
2Артикул: 440207-00287A, PLUG HEATER
3Артикул: 110515-00519, COVER
Подробнее >
СТЕКЛООЧИСТИТЕЛЬ НИЖНЕГО СТЕКЛА

СТЕКЛООЧИСТИТЕЛЬ НИЖНЕГО СТЕКЛА

1Артикул: 300619-00782, ELECTRIC ASSY
2Артикул: 538-00012, MOTOR,WIPER
3Артикул: 426-00282, VALVE
Подробнее >
КАБИНА(4) - СИСТЕМА ЗАЩИТЫ ПРИ ОПРОКИДЫВАНИИ

КАБИНА(4) - СИСТЕМА ЗАЩИТЫ ПРИ ОПРОКИДЫВАНИИ

1Артикул: 220101-01847, CABIN ASSY(ROPS)
2Артикул: 110982-00496K, DOOR ASSY,SIDE
3Артикул: -, . PANEL ASSY,DOOR
Подробнее >
ТРУБОПРОВОД СЕРВОУПРАВЛЕНИЯ - ОДИН ПУТЬ

ТРУБОПРОВОД СЕРВОУПРАВЛЕНИЯ - ОДИН ПУТЬ

1Артикул: 420212-10277A, PIPING,ONE WAY
2Артикул: 2181-1126D34, ADAPTER
3Артикул: 2181-1702D4, ELBOW
Подробнее >
ЭЛЕКТРИЧЕСКИЕ ЗАПЧАСТИ - HEATED SEAT

ЭЛЕКТРИЧЕСКИЕ ЗАПЧАСТИ - HEATED SEAT

1Артикул: K1009396A, ELECTRIC,SEAT HEATER
2Артикул: 549-00101, SWITCH
3Артикул: K1002406D1, ACTUATOR,SWITCH
Подробнее >
ТРУБОПРОВОД - С ФИЛЬТРОМ

ТРУБОПРОВОД - С ФИЛЬТРОМ

1Артикул: 400406-00789, FILTER ASSY,BREAKER
2Артикул: DS2011330, HOSE
3Артикул: DS2013838, HOSE
Подробнее >
6950 BUCKET ASS`Y - 1.56mВі - X CLASS

6950 BUCKET ASS`Y - 1.56mВі - X CLASS

1Артикул: 230104-02983, BUCKET ASSY;1.56M3
2Артикул: -, BUCKET,1.56M3
3Артикул: 430203-00037, . ADAPTER,TOOTH
Подробнее >
ВКЛЮЧАТЕЛЬ - 2 НАСОСА

ВКЛЮЧАТЕЛЬ - 2 НАСОСА

1Артикул: K1013374, ELECTRIC(TWO PUMP)
2Артикул: 549-00101, SWITCH
3Артикул: K1002406D22, ACTUATOR,SWITCH
Подробнее >
ЭЛЕКТРИЧЕСКИЕ ЗАПЧАСТИ - ПУЛЬТ УПРАВЛЕНИЯ(СИСТЕМА ЗАЩИТЫ ПРИ ОПРОКИДЫВАНИИ)

ЭЛЕКТРИЧЕСКИЕ ЗАПЧАСТИ - ПУЛЬТ УПРАВЛЕНИЯ(СИСТЕМА ЗАЩИТЫ ПРИ ОПРОКИДЫВАНИИ)

1Артикул: 300619-04260, ELECTRIC ASSY,STAND
2Артикул: 301419-00229, SWITCH,STARTER
3Артикул: 110702-00151, . KEY,START SWITCH
Подробнее >
7150 ROOF COVER - PLASTIC

7150 ROOF COVER - PLASTIC

1Артикул: 110508-15918, SUN ROOF COVER
2Артикул: 110508-15919, COVER,SUN ROOF
3Артикул: 621-02872, COVER,ROOF HINGE
Подробнее >
6120 HEATER PLUG - 110V

6120 HEATER PLUG - 110V

1Артикул: 430221-01454, PLUG,HEATER;110V
2Артикул: 440207-00277A, PLUG HEATER
3Артикул: 110515-00519, COVER
Подробнее >
7190 WINDOW GUARD

7190 WINDOW GUARD

1Артикул: K1002771, WINDOW GUARD
2Артикул: K1002759A, GUARD,FRONT UPPER
3Артикул: 623-00086, GUARD,FRONT LOWER
Подробнее >
6790 ARM PIPING - ONE & TWO WAY(ARM 3.95m)

6790 ARM PIPING - ONE & TWO WAY(ARM 3.95m)

1Артикул: 420212-01943, ARM PIPING,ONE & TWO WAY
2Артикул: 420207-02594, PIPE
3Артикул: DS2040502, HOSE
Подробнее >
РАБОЧАЯ ФАРА(6-ЛАМПЫ) - СИСТЕМА ЗАЩИТЫ ПРИ ОПРОКИДЫВАНИИ

РАБОЧАЯ ФАРА(6-ЛАМПЫ) - СИСТЕМА ЗАЩИТЫ ПРИ ОПРОКИДЫВАНИИ

1Артикул: 300619-02286C, LAMP ASSY
2Артикул: 110429-00002G, BRACKET
3Артикул: 2120-2166D11, BOLT
Подробнее >
ТРУБОПРОВОД СЕРВОУПРАВЛЕНИЯ - КЛАПАН ЗАМКА РУКОЯТИ

ТРУБОПРОВОД СЕРВОУПРАВЛЕНИЯ - КЛАПАН ЗАМКА РУКОЯТИ

1Артикул: K1009235, PILOT PIPING-ARM LOCK V/V
2Артикул: DS2093222, HOSE
3Артикул: DS2092010, HOSE
Подробнее >
ВКЛЮЧАТЕЛЬ - 2 НАСОСА(СИСТЕМА ЗАЩИТЫ ПРИ ОПРОКИДЫВАНИИ)

ВКЛЮЧАТЕЛЬ - 2 НАСОСА(СИСТЕМА ЗАЩИТЫ ПРИ ОПРОКИДЫВАНИИ)

1Артикул: 300619-00681, ELECTRIC ASSY;TWO PUMP
2Артикул: 549-00101, SWITCH
3Артикул: 301401-00019, ACTUATOR,SWITCH
Подробнее >
ГИДРОСИСТЕМА СТРЕЛЫ - 6.2 м

ГИДРОСИСТЕМА СТРЕЛЫ - 6.2 м

1Артикул: 420212-06170, PIPING,BOOM;(6.2M)
2Артикул: 420207-00274B, PIPE
3Артикул: 420207-00275B, PIPE
Подробнее >
КРЕСЛО - ОБОГРЕВАТЕЛЬ

КРЕСЛО - ОБОГРЕВАТЕЛЬ

1Артикул: 901-00047, SEAT ASS`Y
2Артикул: K9001200, UPPER ASS`Y
3Артикул: K9001201, BACK COVER
Подробнее >
6840 BUCKET - 1.61mВі

6840 BUCKET - 1.61mВі

1Артикул: 230104-00621, BUCKET ASSY
2Артикул: 230104-00622C, BUCKET ASSY;1.61M3
3Артикул: -, . BUCKET,1.61M3
Подробнее >
БЫСТРОУСТАНАВЛИВАЕМЫЙ ФИКСАТОР ВКЛЮЧАТЕЛЯ - СИСТЕМА ЗАЩИТЫ ПРИ ОПРОКИДЫВАНИИ

БЫСТРОУСТАНАВЛИВАЕМЫЙ ФИКСАТОР ВКЛЮЧАТЕЛЯ - СИСТЕМА ЗАЩИТЫ ПРИ ОПРОКИДЫВАНИИ

1Артикул: 300619-00089, ELECTRIC ASSY
2Артикул: 549-00092, SWITCH
3Артикул: 530-00432A, HARNESS,JOINT
Подробнее >
РАБОЧАЯ ФАРА(6-ЛАМПЫ) - СИСТЕМА ЗАЩИТЫ ПРИ ОПРОКИДЫВАНИИ

РАБОЧАЯ ФАРА(6-ЛАМПЫ) - СИСТЕМА ЗАЩИТЫ ПРИ ОПРОКИДЫВАНИИ

1Артикул: 300619-02726B, LAMP ASSY,WORKING
2Артикул: K1055454, LAMP,HEAD
3Артикул: 2515-1016D4, . BULB,HALOGEN
Подробнее >
ГЛАВНАЯ МАГИСТРАЛЬ - ОДИН ПУТЬ

ГЛАВНАЯ МАГИСТРАЛЬ - ОДИН ПУТЬ

1Артикул: 420212-00341, PIPING,MAIN;ONE WAY
2Артикул: 423-00193B, BLOCK
3Артикул: DS2232107, ADAPTER
Подробнее >
ПОДСТАВКА ДЛЯ НОГ - ЛЕВОСТОРОННИЙ(СИСТЕМА ЗАЩИТЫ ПРИ ОПРОКИДЫВАНИИ)

ПОДСТАВКА ДЛЯ НОГ - ЛЕВОСТОРОННИЙ(СИСТЕМА ЗАЩИТЫ ПРИ ОПРОКИДЫВАНИИ)

1Артикул: 220107-00044A, REST,FOOT(L.H)
2Артикул: 220107-00041, REST,FOOT
3Артикул: 2120-2166D1, BOLT
Подробнее >
КАБИНА(3) - СИСТЕМА ЗАЩИТЫ ПРИ ОПРОКИДЫВАНИИ

КАБИНА(3) - СИСТЕМА ЗАЩИТЫ ПРИ ОПРОКИДЫВАНИИ

1Артикул: 220101-01847, CABIN ASSY(ROPS)
2Артикул: 420210-00082A, PIPE,LEVER
3Артикул: 2120-2166D53, SCREW
Подробнее >
ГЛАВНАЯ МАГИСТРАЛЬ - ДВА ПУТИ

ГЛАВНАЯ МАГИСТРАЛЬ - ДВА ПУТИ

1Артикул: 420212-06920, PIPING,MAIN;TWO WAY
2Артикул: 410111-00130B, VALVE;SELECT
3Артикул: DS2232107, ADAPTER
Подробнее >
КРОНШТЕЙН ПРОБЛЕСКОВОГО МАЯЧКА

КРОНШТЕЙН ПРОБЛЕСКОВОГО МАЯЧКА

1Артикул: 300619-02752A, BEACON ASSY,ROTATING
2Артикул: 195-02909A, BRACKET
3Артикул: 2114-1898D1, WASHER
Подробнее >
ИЗМЕНЕНИЯ РЕЖИМА ТРУБОПРОВОДА(1)

ИЗМЕНЕНИЯ РЕЖИМА ТРУБОПРОВОДА(1)

1Артикул: 420212-13205, PIPING,PILOT
2Артикул: 410132-00029, VALVE,SELECTOR
3Артикул: 110406-05348, BRACKET
Подробнее >
РЕШЕТКА СТЕКЛА - СИСТЕМА ЗАЩИТЫ ПРИ ОПРОКИДЫВАНИИ

РЕШЕТКА СТЕКЛА - СИСТЕМА ЗАЩИТЫ ПРИ ОПРОКИДЫВАНИИ

1Артикул: 110921-00054A, GUARD ASSY
2Артикул: 110921-00055A, GUARD,FRONT WINDOW
3Артикул: 110921-00056A, GUARD,FRONT WINDOW
Подробнее >
РУКОЯТКА - КАБИНА(СИСТЕМА ЗАЩИТЫ ПРИ ОПРОКИДЫВАНИИ)

РУКОЯТКА - КАБИНА(СИСТЕМА ЗАЩИТЫ ПРИ ОПРОКИДЫВАНИИ)

1Артикул: 110925-00382B, HANDLE ASSY
2Артикул: 110925-00385B, HANDLE
3Артикул: 2114-1898D6, WASHER
Подробнее >
РУКОЯТЬ - 2.6 м

РУКОЯТЬ - 2.6 м

1Артикул: 230201-00416, ARM ASSY
2Артикул: 230204-00343C, ARM,MACHINE;2.6M
3Артикул: 230204-00343E, ARM,2.6M
Подробнее >
6900 BUCKET ASSВґY - 2.32mВі - H CLASS

6900 BUCKET ASSВґY - 2.32mВі - H CLASS

1Артикул: 230104-02503A, BUCKET ASSY;2.32M3
2Артикул: -, BUCKET,2.32M3
3Артикул: 430203-00036, . ADAPTER,TOOTH
Подробнее >
7750 TMS - CELLULAR & ROPS(V2.0)

7750 TMS - CELLULAR & ROPS(V2.0)

1Артикул: 300619-04505, ELECTRIC ASSY,TMS2.0
2Артикул: 2120-2166D6, BOLT
3Артикул: 2114-1898D3, WASHER
Подробнее >
ТРУБОПРОВОД СМАЗОЧНОЙ СИСТЕМЫ - РУКОЯТЬ 3.95 м

ТРУБОПРОВОД СМАЗОЧНОЙ СИСТЕМЫ - РУКОЯТЬ 3.95 м

1Артикул: 420212-02336, PIPING,ARM;LUBRICATION
2Артикул: DS2094035, HOSE
3Артикул: DS2059596, HOSE
Подробнее >
7300 TMS - CELLULAR & FOGS(V2.0)

7300 TMS - CELLULAR & FOGS(V2.0)

1Артикул: 300619-04517A, ELECTRIC ASSY
2Артикул: 300703-00045, ANTENNA,GPS ONLY
3Артикул: 131009-00102, BUSHING,RUBBER
Подробнее >
ИЗМЕНЕНИЯ РЕЖИМА ТРУБОПРОВОДА(2)

ИЗМЕНЕНИЯ РЕЖИМА ТРУБОПРОВОДА(2)

1Артикул: K1016899A, PIPING,PILOT
2Артикул: DS2095030, HOSE
3Артикул: DS2095029, HOSE
Подробнее >
ГИДРОСИСТЕМА СТРЕЛЫ - БЫСТРОУСТАНАВЛИВАЕМЫЙ ФИКСАТОР(СТРЕЛА 6.2 м)

ГИДРОСИСТЕМА СТРЕЛЫ - БЫСТРОУСТАНАВЛИВАЕМЫЙ ФИКСАТОР(СТРЕЛА 6.2 м)

1Артикул: 420212-06176, PIPING,BOOM,QUICK CLAMP
2Артикул: DS20531051, HOSE
3Артикул: DS2053835, HOSE
Подробнее >
6690 BOOM PIPING - LOCK VALVE(BOOM 6.2m)

6690 BOOM PIPING - LOCK VALVE(BOOM 6.2m)

1Артикул: 420212-06178, PIPING,BOOM;ARM LOCK
2Артикул: 2184-1046D268, HOSE
3Артикул: 400305-00056G, CYLINDER,ARM,LOCK VALVE
Подробнее >
7740 TMS - CELLULAR & SATELLITE & ROPS(V1.5)

7740 TMS - CELLULAR & SATELLITE & ROPS(V1.5)

1Артикул: 300619-03342, ELECTRIC ASSY,TMS1.5
2Артикул: 300619-03139, ELECTRIC ASSY;TMS1.5
3Артикул: 300611-00902, . CONTROLLER;TMS1.5
Подробнее >
ПРОБЛЕСКОВЫЙ МАЯЧОК - СИСТЕМА ЗАЩИТЫ ПРИ ОПРОКИДЫВАНИИ

ПРОБЛЕСКОВЫЙ МАЯЧОК - СИСТЕМА ЗАЩИТЫ ПРИ ОПРОКИДЫВАНИИ

1Артикул: 300619-00081L, BEACON ASSY,ROTATING
2Артикул: 300705-00095, BEACON,LED
3Артикул: 131002-00085B, BUSHING ASSY
Подробнее >
6480 BOOM PIPING - QUICK CLAMP

6480 BOOM PIPING - QUICK CLAMP

1Артикул: 420212-11601, BOOM PIPING(QUICK CLAMP)
2Артикул: DS2053937, HOSE
3Артикул: DS2053835, HOSE
Подробнее >
ГИДРОСИСТЕМА СТРЕЛЫ - ГИДРОЗАМОК

ГИДРОСИСТЕМА СТРЕЛЫ - ГИДРОЗАМОК

1Артикул: 420212-02138, PIPING,BOOM LOCK VALVE
2Артикул: 400309-00086E, CYLINDER,BOOM;LOCK V/V(L.H)
3Артикул: 400309-00086G, CYLINDER,BOOM,LOCK VALVE;LH
Подробнее >
7210 WORKING LAMP - 6 LAMP(HALOGEN)

7210 WORKING LAMP - 6 LAMP(HALOGEN)

1Артикул: 300619-02725C, LAMP ASSY,WORKING
2Артикул: 195-02910C, BRACKET
3Артикул: S0515653, BOLT
Подробнее >
ЧЕХОЛ КРЫШКИ - ИЗ СТАЛИ(СИСТЕМА ЗАЩИТЫ ПРИ ОПРОКИДЫВАНИИ)

ЧЕХОЛ КРЫШКИ - ИЗ СТАЛИ(СИСТЕМА ЗАЩИТЫ ПРИ ОПРОКИДЫВАНИИ)

1Артикул: 220204-00048A, COVER ASSY,ROOF STEEL
2Артикул: 220204-00155, COVER,ROOF STEEL
3Артикул: 220204-00031A, COVER,ROOF STEEL INNER
Подробнее >
КРЫШКА ОБОГРЕВАТЕЛЯ - СИСТЕМА ЗАЩИТЫ ПРИ ОПРОКИДЫВАНИИ

КРЫШКА ОБОГРЕВАТЕЛЯ - СИСТЕМА ЗАЩИТЫ ПРИ ОПРОКИДЫВАНИИ

1Артикул: 220204-00290K, COVER ASSY,CABIN;REAR
2Артикул: 250120-00138A, PLATE,REAR
3Артикул: 460103-01023, DUCT,FOOT
Подробнее >
ПОВОРОТНЫЙ СИГНАЛ - ОДИН ПУТЬ

ПОВОРОТНЫЙ СИГНАЛ - ОДИН ПУТЬ

1Артикул: 420212-11372, PIPING,PILOT
2Артикул: 301413-00340, SWITCH,OIL PRESSURE
3Артикул: S8000111, O-RING
Подробнее >
6260 PILOT PIPING - ONE & TWO WAY

6260 PILOT PIPING - ONE & TWO WAY

1Артикул: 420212-04792, PIPING,PILOT
2Артикул: 410116-00526, VALVE,EPPR
3Артикул: 410116-00646, . VALVE
Подробнее >
ЗАЩИТНЫЙ КОРПУС ПРОТИВОТУМАННЫХ ФАР В СБОРЕ

ЗАЩИТНЫЙ КОРПУС ПРОТИВОТУМАННЫХ ФАР В СБОРЕ

1Артикул: 110921-01181E, GUARD ASSY,OPG
2Артикул: 110921-01182B, GUARD,OPG
3Артикул: 220103-00574, GUARD,FOGS(FRONT)
Подробнее >
КАБИНА(2) - СИСТЕМА ЗАЩИТЫ ПРИ ОПРОКИДЫВАНИИ

КАБИНА(2) - СИСТЕМА ЗАЩИТЫ ПРИ ОПРОКИДЫВАНИИ

1Артикул: 220101-01847, CABIN ASSY(ROPS)
2Артикул: 220205-00025M, DOOR ASSY,SLIDE
3Артикул: -, . FRAME;SLIDE DOOR
Подробнее >
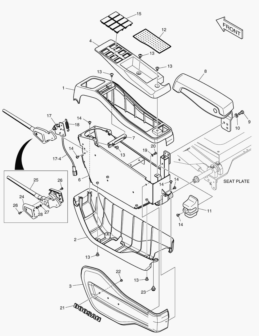
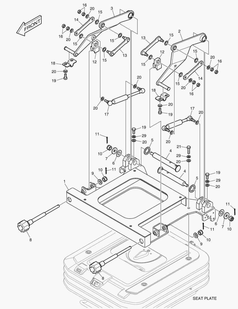
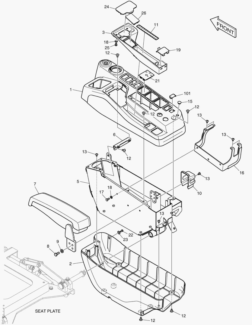
7110 SEAT PLATE - HIGH

7110 SEAT PLATE - HIGH

1Артикул: K1002229A, SEAT PLATE
2Артикул: K1002230A, BRACKET
3Артикул: K1002231A, PLATE
Подробнее >
6890 BUCKET ASS`Y - 2.03mВі - H CLASS

6890 BUCKET ASS`Y - 2.03mВі - H CLASS

1Артикул: 230104-02501A, BUCKET ASSY;2.03M3
2Артикул: -, BUCKET,2.03M3
3Артикул: 430203-00036, . ADAPTER,TOOTH
Подробнее >
6210 UNDER COVER - DIESEL HEATER

6210 UNDER COVER - DIESEL HEATER

1Артикул: 110513-02291, COVER ASSY,UNDER
2Артикул: 110513-00492C, COVER,UNDER
3Артикул: 110513-00493B, COVER,UNDER
Подробнее >
ТРУБОПРОВОД СЕРВОУПРАВЛЕНИЯ - 2 НАСОСА(ОДИН ПУТЬ)

ТРУБОПРОВОД СЕРВОУПРАВЛЕНИЯ - 2 НАСОСА(ОДИН ПУТЬ)

1Артикул: 420212-14251, PIPING,ONE WAY
2Артикул: 2181-1126D34, ADAPTER
3Артикул: 2181-1702D4, ELBOW
Подробнее >
КАБИНА С НИЗКИМ ЗАЩИТНЫМ ОГРАЖДЕНИЯ - СИСТЕМА ЗАЩИТЫ ПРИ ОПРОКИДЫВАНИИ

КАБИНА С НИЗКИМ ЗАЩИТНЫМ ОГРАЖДЕНИЯ - СИСТЕМА ЗАЩИТЫ ПРИ ОПРОКИДЫВАНИИ

1Артикул: 110921-00053A, GUARD ASSY,LOWER
2Артикул: 110921-00055A, GUARD,FRONT WINDOW
3Артикул: 2114-1898D17, WASHER
Подробнее >
КОВРИК НА ПОЛУ КУЗОВА - ВРАЩАЮЩИЙСЯ

КОВРИК НА ПОЛУ КУЗОВА - ВРАЩАЮЩИЙСЯ

1Артикул: 110935-00567, MAT ASSY,FLOOR
2Артикул: 110935-00084B, MAT,FLOOR
Подробнее >
ЗАЩИТА ОТ ДОЖДЯ - СИСТЕМА ЗАЩИТЫ ПРИ ОПРОКИДЫВАНИИ

ЗАЩИТА ОТ ДОЖДЯ - СИСТЕМА ЗАЩИТЫ ПРИ ОПРОКИДЫВАНИИ

1Артикул: 102202-00002A, SHIELD ASSY,RAIN
2Артикул: 102202-00001, SHIELD,RAIN
3Артикул: 110420-00008, BRACKET,RAIN SHIELD(R.H)
Подробнее >
ФИЛЬТР ШУМА В СБОРЕ

ФИЛЬТР ШУМА В СБОРЕ

1Артикул: K1013883, ELECTRIC ASSY(NOISE FILTER)
2Артикул: 2471-6062, FILTER,NOISE(BLOWER)
Подробнее >
РАБОЧАЯ ФАРА(2-ЛАМПЫ) - СИСТЕМА ЗАЩИТЫ ПРИ ОПРОКИДЫВАНИИ

РАБОЧАЯ ФАРА(2-ЛАМПЫ) - СИСТЕМА ЗАЩИТЫ ПРИ ОПРОКИДЫВАНИИ

1Артикул: 300619-00077B, LAMP ASSY,WORKING
2Артикул: K1055454, LAMP,HEAD
3Артикул: 2515-1016D4, . BULB,HALOGEN
Подробнее >
ПРЕДОХРАНИТЕЛЬ ГУСЕНИЦЫ - ПОЛНОСТЬЮ

ПРЕДОХРАНИТЕЛЬ ГУСЕНИЦЫ - ПОЛНОСТЬЮ

1Артикул: 200112-00033, GUARD,TRACK;FULL(3.2M)
2Артикул: 200112-00203A, GUARD,TRACK;FULL,REAR
3Артикул: 200112-00204A, GUARD,TRACK;FULL,REAR
Подробнее >
7280 TMS - CELLULAR & SATELLITE & FOGS(V1.5)

7280 TMS - CELLULAR & SATELLITE & FOGS(V1.5)

1Артикул: 300619-04845, ELECTRIC ASSY,TMS2.0
2Артикул: -, TMS,ANTENNA
3Артикул: 300703-00036, . ANTENNA,ORB/GPS
Подробнее >
6160 FUEL FILTER - WITH BOWL & HEAD HEATER

6160 FUEL FILTER - WITH BOWL & HEAD HEATER

1Артикул: 420212-16329, PIPING,FUEL
2Артикул: 400403-00504, FILTER,FUEL(HEAD HEATER)
3Артикул: -, . HEAD,FUEL FILTER
Подробнее >
7250 ROTATING BEACON WITH 6 LAMP

7250 ROTATING BEACON WITH 6 LAMP

1Артикул: 300705-00013K, BEACON ASSY,ROTATING
2Артикул: S0508653, BOLT M8X1.25X16
3Артикул: 300705-00095, BEACON,LED
Подробнее >
ТРУБОПРОВОД СЕРВОУПРАВЛЕНИЯ(2) - ВРАЩАЮЩИЙСЯ

ТРУБОПРОВОД СЕРВОУПРАВЛЕНИЯ(2) - ВРАЩАЮЩИЙСЯ

1Артикул: K1006461H, PILOT PIPING;ROTATING
2Артикул: K1001873A, PLATE
3Артикул: K1017382A, PEDAL VALVE
Подробнее >
2 ТРУБОПРОВОДА - С ФИЛЬТРОМ

2 ТРУБОПРОВОДА - С ФИЛЬТРОМ

1Артикул: 400406-00790, FILTER ASSY,BREAKER
2Артикул: DS2011330, HOSE
3Артикул: DS2013838, HOSE
Подробнее >
7270 TMS - CELLULAR & SATELLITE(V1.5)

7270 TMS - CELLULAR & SATELLITE(V1.5)

1Артикул: 300619-03342, ELECTRIC ASSY,TMS1.5
2Артикул: 300619-03139, ELECTRIC ASSY;TMS1.5
3Артикул: 300611-00902, . CONTROLLER;TMS1.5
Подробнее >
6370 FLOOR MAT - TWO WAY OR OEP

6370 FLOOR MAT - TWO WAY OR OEP

1Артикул: 110935-00568, MAT ASSY,FLOOR
2Артикул: 110935-00276A, MAT,FLOOR
Подробнее >
БАШМАК ГУСЕНИЦЫ В СБОРЕ - 900G

БАШМАК ГУСЕНИЦЫ В СБОРЕ - 900G

1Артикул: 200106-00128, SHOE ASSY,TRACK(900MM)
2Артикул: 200106-00035B, SHOE ASSY,TRACK
3Артикул: 200103-00067A, . LINK ASSY,TRACK
Подробнее >
УСТАНОВКА КАБИНЫ - СИСТЕМА ЗАЩИТЫ ПРИ ОПРОКИДЫВАНИИ

УСТАНОВКА КАБИНЫ - СИСТЕМА ЗАЩИТЫ ПРИ ОПРОКИДЫВАНИИ

1Артикул: 180204-00044E, RUBBER,CABIN MOUNT
2Артикул: 180204-00002A, RUBBER
3Артикул: S0512366, BOLT
Подробнее >
ТРУБОПРОВОД СЕРВОУПРАВЛЕНИЯ(1) - ВРАЩАЮЩИЙСЯ

ТРУБОПРОВОД СЕРВОУПРАВЛЕНИЯ(1) - ВРАЩАЮЩИЙСЯ

1Артикул: K1005787E, PILOT PIPING-ROTATING
2Артикул: 426-00247B, VALVE,SOLENOID
3Артикул: K9007363, . SPOOL,SOLENOID
Подробнее >
СТРЕЛА - 6.2 м

СТРЕЛА - 6.2 м

1Артикул: 230207-00181, BOOM ASSY;6.2m
2Артикул: 230211-00124L, BOOM,MACHINE;6.2M
3Артикул: 230211-00124M, BOOM,MACHINE;6.2M
Подробнее >
ТРУБОПРОВОД СЕРВОУПРАВЛЕНИЯ - ГИДРОЗАМОК СТРЕЛЫ

ТРУБОПРОВОД СЕРВОУПРАВЛЕНИЯ - ГИДРОЗАМОК СТРЕЛЫ

1Артикул: K1005975B, PILOT PIPING-BOOM LOCK V/V
2Артикул: DS2093223, HOSE
3Артикул: DS2092061, HOSE
Подробнее >
РАБОЧАЯ ФАРА(2-ЛАМПЫ) - СИСТЕМА ЗАЩИТЫ ПРИ ОПРОКИДЫВАНИИ

РАБОЧАЯ ФАРА(2-ЛАМПЫ) - СИСТЕМА ЗАЩИТЫ ПРИ ОПРОКИДЫВАНИИ

1Артикул: 300619-00075B, LAMP ASSY
2Артикул: K1055454, LAMP,HEAD
3Артикул: 2515-1016D4, . BULB,HALOGEN
Подробнее >
ТРУБОПРОВОД СМАЗОЧНОЙ СИСТЕМЫ - РУКОЯТЬ 2.6 м

ТРУБОПРОВОД СМАЗОЧНОЙ СИСТЕМЫ - РУКОЯТЬ 2.6 м

1Артикул: 420212-02335, PIPING,ARM;LUBRICATION
2Артикул: DS2094035, HOSE
3Артикул: DS2059593, HOSE
Подробнее >
ПРОБЛЕСКОВЫЙ МАЯЧОК - С ПРОТИВОТУМАННЫМИ ФАРАМИ

ПРОБЛЕСКОВЫЙ МАЯЧОК - С ПРОТИВОТУМАННЫМИ ФАРАМИ

1Артикул: 300619-00083E, BEACON ASSY,ROTATING
2Артикул: 310207-02570A, HARNESS
3Артикул: 310207-06493, HARNESS,JOINT
Подробнее >
7330 ELECTRIC PARTS - WORKING LAMP(LED)

7330 ELECTRIC PARTS - WORKING LAMP(LED)

1Артикул: 300619-04850, ELECTRIC ASSY
2Артикул: 301005-01253, LAMP ASSY,WORKING(LED)
3Артикул: 110429-00263, BRACKET
Подробнее >
6660 BOOM PIPING - ONE & TWO WAY(BOOM 6.2m)

6660 BOOM PIPING - ONE & TWO WAY(BOOM 6.2m)

1Артикул: 420212-06172, PIPING,BOOM,ONE & TWO WAY
2Артикул: 420207-01740, PIPE
3Артикул: 420207-01741, PIPE
Подробнее >
СИГНАЛИЗАЦИЯ О ПЕРЕГРУЗКЕ - СИСТЕМА ЗАЩИТЫ ПРИ ОПРОКИДЫВАНИИ

СИГНАЛИЗАЦИЯ О ПЕРЕГРУЗКЕ - СИСТЕМА ЗАЩИТЫ ПРИ ОПРОКИДЫВАНИИ

1Артикул: 300619-00090, OVERLOAD WARNING
2Артикул: 549-00102, SWITCH
3Артикул: 301401-00006, ACTUATOR,SWITCH
Подробнее >
7290 TMS - CELLULAR(V2.0)

7290 TMS - CELLULAR(V2.0)

1Артикул: 300619-04505, ELECTRIC ASSY,TMS2.0
2Артикул: 2120-2166D6, BOLT
3Артикул: 2114-1898D3, WASHER
Подробнее >
ТРУБОПРОВОД СМАЗОЧНОЙ СИСТЕМЫ - СТРЕЛА 6.2 м

ТРУБОПРОВОД СМАЗОЧНОЙ СИСТЕМЫ - СТРЕЛА 6.2 м

1Артикул: 420212-06179, PIPING,BOOM LUBRICATION
2Артикул: K1039643, PIPE
3Артикул: K1039644, PIPE
Подробнее >
7310 TMS - CELLULAR & SATELLITE(V2.0)

7310 TMS - CELLULAR & SATELLITE(V2.0)

1Артикул: 300619-04506, ELECTRIC ASSY,TMS2.0
2Артикул: 2120-2166D6, BOLT
3Артикул: 2114-1898D3, WASHER
Подробнее >
7560 FLOOR MAT - ROTATING(ROPS)

7560 FLOOR MAT - ROTATING(ROPS)

1Артикул: 110935-00571, MAT ASSY,FLOOR
2Артикул: 110935-00072, MAT,FLOOR;ONE PEDAL(L.H)
Подробнее >
ЛИСТ НАСТИЛА - СИСТЕМА ЗАЩИТЫ ПРИ ОПРОКИДЫВАНИИ

ЛИСТ НАСТИЛА - СИСТЕМА ЗАЩИТЫ ПРИ ОПРОКИДЫВАНИИ

1Артикул: 250106-00726G, PLATE ASSY,FLOOR
2Артикул: 250106-00149P, PLATE,FLOOR
3Артикул: 220105-00029C, PEDAL,TRAVEL(R.H)
Подробнее >
ВЕНТИЛЯЦИЯ - СИСТЕМА ЗАЩИТЫ ПРИ ОПРОКИДЫВАНИИ

ВЕНТИЛЯЦИЯ - СИСТЕМА ЗАЩИТЫ ПРИ ОПРОКИДЫВАНИИ

1Артикул: 440213-00909B, VENTILATION ASSY
2Артикул: DS0401175, WASHER
3Артикул: S3450833, SCREW
Подробнее >
ЗВУКОВОСПРОИЗВОДЯЩАЯ АППАРАТУРА - СИСТЕМА ЗАЩИТЫ ПРИ ОПРОКИДЫВАНИИ

ЗВУКОВОСПРОИЗВОДЯЩАЯ АППАРАТУРА - СИСТЕМА ЗАЩИТЫ ПРИ ОПРОКИДЫВАНИИ

1Артикул: 300642-00029, RADIO
2Артикул: 300654-00068, STEREO,CAR
Подробнее >
7730 ROTATING BEACON WITH 6 LAMP(FOGS & ROPS)

7730 ROTATING BEACON WITH 6 LAMP(FOGS & ROPS)

1Артикул: 300619-00082H, BEACON ASSY,ROTATING
2Артикул: 131002-00085B, BUSHING ASSY
3Артикул: S5010513, WASHER
Подробнее >
6750 ARM PIPING - QUICK CLAMP(ARM 2.6m)

6750 ARM PIPING - QUICK CLAMP(ARM 2.6m)

1Артикул: 420212-02353, PIPING,ARM;QUICK CLAMP
2Артикул: 420207-00530A, PIPE
3Артикул: 420207-00531A, PIPE
Подробнее >
ПОДВЕСКА - СИСТЕМА ЗАЩИТЫ ПРИ ОПРОКИДЫВАНИИ

ПОДВЕСКА - СИСТЕМА ЗАЩИТЫ ПРИ ОПРОКИДЫВАНИИ

1Артикул: 190112-00001C, SUSPENSION ASSY
2Артикул: 190112-00009B, SUSPENSION,SEAT
3Артикул: 430205-00011, . BELLOWS
Подробнее >
7550 FLOOR MAT - TWO WAY OR OEP(ROPS)

7550 FLOOR MAT - TWO WAY OR OEP(ROPS)

1Артикул: 110935-00572, MAT ASSY,FLOOR
2Артикул: 110935-00071, MAT,FLOOR;ONE PEDAL(R.H)
Подробнее >
6810 ARM PIPING - QUICK CLAMP(ARM 3.95m)

6810 ARM PIPING - QUICK CLAMP(ARM 3.95m)

1Артикул: K1018561, ARM PIPING(QUICK CLAMP)
2Артикул: K1018562, PIPE
3Артикул: K1018563, PIPE
Подробнее >
НИЖНЕЕ ОГРАЖДЕНИЕ КАБИНЫ

НИЖНЕЕ ОГРАЖДЕНИЕ КАБИНЫ

1Артикул: 623-00086, GUARD,FRONT LOWER
2Артикул: 623-00085A, GUARD,FRONT LOWER
3Артикул: 2114-1898D17, WASHER
Подробнее >
6220 UNDER COVER - DIESEL HEATER(HEAVY DUTY)

6220 UNDER COVER - DIESEL HEATER(HEAVY DUTY)

1Артикул: 110513-02292, COVER ASSY,UNDER
2Артикул: 110513-00482C, COVER,UNDER;HD
3Артикул: 110513-00483B, COVER,UNDER;HD
Подробнее >
ЭЛЕКТРОПРОВОДКА - СИСТЕМА ЗАЩИТЫ ПРИ ОПРОКИДЫВАНИИ

ЭЛЕКТРОПРОВОДКА - СИСТЕМА ЗАЩИТЫ ПРИ ОПРОКИДЫВАНИИ

1Артикул: 300619-04216, WIRING HARNESS
2Артикул: 310207-05800C, HARNESS,MAIN
3Артикул: 120402-00439, . CLIP
Подробнее >
7760 TMS - CELLULAR & SATELLITE & ROPS(V2.0)

7760 TMS - CELLULAR & SATELLITE & ROPS(V2.0)

1Артикул: 300619-04506, ELECTRIC ASSY,TMS2.0
2Артикул: 2120-2166D6, BOLT
3Артикул: 2114-1898D3, WASHER
Подробнее >
7320 TMS - CELLULAR & SATELLITE & FOGS(V2.0)

7320 TMS - CELLULAR & SATELLITE & FOGS(V2.0)

1Артикул: 300619-04518A, ELECTRIC ASSY
2Артикул: 300703-00046, ANTENNA;SAT+GPS
3Артикул: 131009-00102, BUSHING,RUBBER
Подробнее >
6910 BUCKET ASSВґY - 1.56mВі - S CLASS

6910 BUCKET ASSВґY - 1.56mВі - S CLASS

1Артикул: 230104-02505A, BUCKET ASSY;1.56M3
2Артикул: -, BUCKET,1.56M3
3Артикул: 430203-00037, . ADAPTER,TOOTH
Подробнее >
6450 FLOOR MAT - TWO WAY & ROTATING

6450 FLOOR MAT - TWO WAY & ROTATING

1Артикул: 110935-00569, MAT ASSY,FLOOR
2Артикул: 110935-00277A, MAT,FLOOR
Подробнее >
СКОЛЬЗЯЩАЯ ПЛИТА СИДЕНИЯ - СИСТЕМА ЗАЩИТЫ ПРИ ОПРОКИДЫВАНИИ

СКОЛЬЗЯЩАЯ ПЛИТА СИДЕНИЯ - СИСТЕМА ЗАЩИТЫ ПРИ ОПРОКИДЫВАНИИ

1Артикул: 250110-00054M, PLATE ASSY,SEAT
2Артикул: 250110-00232, PLATE,SEAT
3Артикул: 110431-00029C, BRACKET,STAND(L.H)
Подробнее >
БАШМАК ГУСЕНИЦЫ В СБОРЕ - 800G

БАШМАК ГУСЕНИЦЫ В СБОРЕ - 800G

1Артикул: 200106-00127, SHOE ASSY,TRACK(800MM)
2Артикул: 200106-00141B, SHOE ASSY,TRACK;800MM
3Артикул: 200103-00067A, . LINK ASSY,TRACK
Подробнее >
7570 FLOOR MAT - TWO WAY & ROTATING(ROPS)

7570 FLOOR MAT - TWO WAY & ROTATING(ROPS)

1Артикул: 110935-00573, MAT ASSY,FLOOR
2Артикул: 110935-00073, MAT,FLOOR;TWO PEDAL
Подробнее >
ЭЛЕКТРИЧЕСКИЕ ЗАПЧАСТИ-БЫСТРОУСТАНАВЛИВАЕМЫЙ ФИКСАТОР

ЭЛЕКТРИЧЕСКИЕ ЗАПЧАСТИ-БЫСТРОУСТАНАВЛИВАЕМЫЙ ФИКСАТОР

1Артикул: K1009450, ELECTRIC PARTS
2Артикул: 549-00092, SWITCH
3Артикул: 530-00432A, HARNESS,JOINT
Подробнее >
6470 MAIN PIPING - QUICK CLAMP & TWO PUMP

6470 MAIN PIPING - QUICK CLAMP & TWO PUMP

1Артикул: 420212-00821, PIPING,MAIN;TWO PUMP
2Артикул: 426-00287B, VALVE,QUICK-FIT
3Артикул: 410135-00109, . VALVE,SOLENOID
Подробнее >
КРЫШКА ТРУБОПРОВОДА - СИСТЕМА ЗАЩИТЫ ПРИ ОПРОКИДЫВАНИИ

КРЫШКА ТРУБОПРОВОДА - СИСТЕМА ЗАЩИТЫ ПРИ ОПРОКИДЫВАНИИ

1Артикул: 110517-00363K, COVER ASSY,SIDE
2Артикул: 110517-00261B, COVER,SIDE
3Артикул: 110517-00262B, COVER,SIDE
Подробнее >
6800 ARM PIPING - ROTATION(ARM 3.95m)

6800 ARM PIPING - ROTATION(ARM 3.95m)

1Артикул: 420212-12352, PIPING,ARM,ROTATING
2Артикул: K1018559, PIPE
3Артикул: DS2013744, HOSE
Подробнее >
КРЕСЛО - СИСТЕМА ЗАЩИТЫ ПРИ ОПРОКИДЫВАНИИ

КРЕСЛО - СИСТЕМА ЗАЩИТЫ ПРИ ОПРОКИДЫВАНИИ

1Артикул: 220110-00029E, SEAT,OPERATOR
2Артикул: 220108-00003, REST,HEAD
3Артикул: 180304-00015, CUSHION,BACK
Подробнее >
БАШМАК ГУСЕНИЦЫ-600G(ДВОЙНОЙ ГРУНТОЗАЦЕП)

БАШМАК ГУСЕНИЦЫ-600G(ДВОЙНОЙ ГРУНТОЗАЦЕП)

1Артикул: 200106-00129, SHOE ASSY,TRACK;(600MM)
2Артикул: 200106-00020A, SHOE ASSY,TRACK;600MM
3Артикул: 200103-00067A, . LINK ASSY,TRACK
Подробнее >
7600 ROOF COVER - PLASTIC(ROPS)

7600 ROOF COVER - PLASTIC(ROPS)

1Артикул: 220204-00047B, COVER ASSY,CABIN
2Артикул: 220204-00270, COVER,ROOF
3Артикул: 110927-00014, HINGE,ROOF COVER
Подробнее >
6140 UNDER COVER - HEATER PLUG

6140 UNDER COVER - HEATER PLUG

1Артикул: 110513-02293, COVER ASSY,UNDER
2Артикул: 110513-00492C, COVER,UNDER
3Артикул: 110513-00493B, COVER,UNDER
Подробнее >
6870 BUCKET ASSВґY - 1.44mВі - H CLASS

6870 BUCKET ASSВґY - 1.44mВі - H CLASS

1Артикул: 230104-02497A, BUCKET ASSY;1.44M3
2Артикул: -, BUCKET,1.44M3
3Артикул: 430203-00036, . ADAPTER,TOOTH
Подробнее >
7440 HEATER COVER - ROPS(DIESEL HEATER)

7440 HEATER COVER - ROPS(DIESEL HEATER)

1Артикул: 250120-00213A, PLATE ASSY,REAR
2Артикул: 250120-00214A, PLATE,REAR
3Артикул: 2120-2166D25, BOLT
Подробнее >
ПРОБЛЕСКОВЫЙ МАЯЧОК - С ПРОТИВОТУМАННЫМИ ФАРАМИ

ПРОБЛЕСКОВЫЙ МАЯЧОК - С ПРОТИВОТУМАННЫМИ ФАРАМИ

1Артикул: 300705-00014G, BEACON ASSY,ROTATING
2Артикул: 310207-06493, HARNESS,JOINT
3Артикул: 131002-00085B, BUSHING ASSY
Подробнее >
6730 ARM PIPING - ONE & TWO WAY(ARM 2.6m)

6730 ARM PIPING - ONE & TWO WAY(ARM 2.6m)

1Артикул: 420212-01940, ARM PIPING,ONE & TWO WAY
2Артикул: DS2039194, HOSE
3Артикул: 2180-1026D23, O-RING
Подробнее >
КАМЕРА ЗАДНЕГО ВИДА

КАМЕРА ЗАДНЕГО ВИДА

1Артикул: 300619-04239, ELECTRIC ASSY
2Артикул: 2120-2166D8, BOLT
3Артикул: 2120-2166D12, BOLT
Подробнее >
ГЛАВНАЯ МАГИСТРАЛЬ - ВРАЩАЮЩИЙСЯ

ГЛАВНАЯ МАГИСТРАЛЬ - ВРАЩАЮЩИЙСЯ

1Артикул: 420212-04794, PIPING,MAIN;ROTATING
2Артикул: 426-00284B, VALVE,ONE SPOOL
3Артикул: 110406-05373, BRACKET
Подробнее >
6100 COUNTER WEIGHT - 6.6TON

6100 COUNTER WEIGHT - 6.6TON

1Артикул: 160702-01555, WEIGHT ASSY,COUNTER
2Артикул: 160702-01532A, WEIGHT,COUNTER;6.6TON
3Артикул: -, . WEIGHT,COUNTER
Подробнее >
7710 ROTATING BEACON WITH 6 LAMP - ROPS

7710 ROTATING BEACON WITH 6 LAMP - ROPS

1Артикул: 300619-00080H, BEACON ASSY,ROTATING
2Артикул: 131002-00085B, BUSHING ASSY
3Артикул: S5010513, WASHER
Подробнее >
РУКОЯТЬ - 3.95 м

РУКОЯТЬ - 3.95 м

1Артикул: 230201-00188, ARM ASSY
2Артикул: 230204-00100L, ARM,MACHINE;3.95M
3Артикул: 230204-00100M, ARM,3.95M
Подробнее >
6590 SWING ALARM - ONE OR TWO WAY(TWO PUMP)

6590 SWING ALARM - ONE OR TWO WAY(TWO PUMP)

1Артикул: 420212-11387, PIPING,PILOT
2Артикул: 301413-00340, SWITCH,OIL PRESSURE
3Артикул: S8000111, O-RING
Подробнее >
7490 SEAT BASE - ROPS

7490 SEAT BASE - ROPS

1Артикул: 160102-00008, BASE ASS`Y,SEAT
2Артикул: 220204-00096A, COVER ASS`Y,SEAT BASE
3Артикул: 2120-2166D52, BOLT
Подробнее >
ТОПЛИВНЫЙ ФИЛЬТР - С ПОДОГРЕВАТЕЛЬНОЙ ЧАШЕЙ

ТОПЛИВНЫЙ ФИЛЬТР - С ПОДОГРЕВАТЕЛЬНОЙ ЧАШЕЙ

1Артикул: 420212-16332, PIPING,FUEL
2Артикул: 240304-00032A, SEPARATOR ASSY,WATER
3Артикул: -, . HEAD
Подробнее >
6880 BUCKET ASS`Y - 1.81mВі - H CLASS

6880 BUCKET ASS`Y - 1.81mВі - H CLASS

1Артикул: 230104-02453A, BUCKET ASSY;1.81M3
2Артикул: -, BUCKET,1.81M3
3Артикул: 430203-00036, . ADAPTER,TOOTH
Подробнее >
ГИДРОСИСТЕМА СТРЕЛЫ - ВРАЩЕНИЕ

ГИДРОСИСТЕМА СТРЕЛЫ - ВРАЩЕНИЕ

1Артикул: 420212-11599, BOOM PIPING-ROTAING
2Артикул: K1006220A, PIPE
3Артикул: K1006221A, PIPE
Подробнее >
СТЕКЛООЧИСТИТЕЛЬ НИЖНЕГО СТЕКЛА - СИСТЕМА ЗАЩИТЫ ПРИ ОПРОКИДЫВАНИИ

СТЕКЛООЧИСТИТЕЛЬ НИЖНЕГО СТЕКЛА - СИСТЕМА ЗАЩИТЫ ПРИ ОПРОКИДЫВАНИИ

1Артикул: 300619-00680, ELECTRIC ASS`Y
2Артикул: 549-00101, SWITCH
3Артикул: 301401-00022, ACTUATOR,SWITCH
Подробнее >
6360 SWING ALARM - TWO WAY

6360 SWING ALARM - TWO WAY

1Артикул: 420212-11389, PIPING,PILOT
2Артикул: 301413-00340, SWITCH,OIL PRESSURE
3Артикул: S8000111, O-RING
Подробнее >
ГИДРОСИСТЕМА РУКОЯТИ - БЫСТРОУСТАНАВЛИВАЕМЫЙ ФИКСАТОР

ГИДРОСИСТЕМА РУКОЯТИ - БЫСТРОУСТАНАВЛИВАЕМЫЙ ФИКСАТОР

1Артикул: K1006230A, ARM PIPING(QUICK CLAMP)
2Артикул: K1006231A, PIPE
3Артикул: K1006232A, PIPE
Подробнее >
ПУЛЬТ УПРАВЛЕНИЯ - ПРАВОСТОРОННИЙ(СИСТЕМА ЗАЩИТЫ ПРИ ОПРОКИДЫВАНИИ)

ПУЛЬТ УПРАВЛЕНИЯ - ПРАВОСТОРОННИЙ(СИСТЕМА ЗАЩИТЫ ПРИ ОПРОКИДЫВАНИИ)

1Артикул: 220111-00138, STAND ASSY,CONTROL;RH
2Артикул: 220204-00351, COVER,STAND;UPPER(R.H)
3Артикул: 220204-00130B, COVER,STAND;LOWER(R.H)
Подробнее >
УСТАНОВКА СИДЕНЬЯ - СИСТЕМА ЗАЩИТЫ ПРИ ОПРОКИДЫВАНИИ

УСТАНОВКА СИДЕНЬЯ - СИСТЕМА ЗАЩИТЫ ПРИ ОПРОКИДЫВАНИИ

1Артикул: 220110-00016E, SEAT ASSY,OPERATER
2Артикул: 220110-00029E, SEAT,OPERATOR
3Артикул: S2208866, BOLT,SOCKET M8X1.25X20
Подробнее >
6200 DIESEL HEATER

6200 DIESEL HEATER

1Артикул: 440207-00531, HEATER ASSY,DIESEL
2Артикул: 440207-00082B, HEATER,DIESEL
3Артикул: 440207-00019A, . HEATER,DIESEL
Подробнее >
БАШМАК ГУСЕНИЦЫ В СБОРЕ - 700G

БАШМАК ГУСЕНИЦЫ В СБОРЕ - 700G

1Артикул: 200106-00126, SHOE ASSY,TRACK(700MM)
2Артикул: 200106-00140B, SHOE ASSY,TRACK
3Артикул: 200103-00067A, . LINK ASSY,TRACK
Подробнее >
БАШМАК ГУСЕНИЦЫ В СБОРЕ - 850G

БАШМАК ГУСЕНИЦЫ В СБОРЕ - 850G

1Артикул: 200106-00130, SHOE ASSY,TRACK(850MM)
2Артикул: 200106-00142B, SHOE ASSY,TRACK
3Артикул: 200103-00067A, . LINK ASSY,TRACK
Подробнее >
ТРУБОПРОВОД СЕРВОУПРАВЛЕНИЯ - 2 НАСОСА

ТРУБОПРОВОД СЕРВОУПРАВЛЕНИЯ - 2 НАСОСА

1Артикул: 420212-10371, PIPING,PILOT;TWO PUMP
2Артикул: 426-00246A, VALVE,SOLENOID
3Артикул: K9001354, . SPOOL,SOLENOID
Подробнее >
РАМА ГУСЕНИЦЫ - УЗКИЙ

РАМА ГУСЕНИЦЫ - УЗКИЙ

1Артикул: 160617-00501, FRAME,TRACK;3M
2Артикул: 160617-00224E, FRAME,TRACK;3M
3Артикул: 200112-00201, GUARD,TRACK
Подробнее >
ГЕНЕРАТОР - 80A

ГЕНЕРАТОР - 80A

1Артикул: 300619-01704, ALTERNATOR ASSY
2Артикул: 300901-00207, ALTERNATOR;80A
3Артикул: 130707-00042, . PULLEY,ALTERNATOR
Подробнее >
ЗАЩИТА ОТ ДОЖДЯ

ЗАЩИТА ОТ ДОЖДЯ

1Артикул: K1002561B, RAIN SHIELD
2Артикул: 159-00294C, COVER;RAIN SHIELD
3Артикул: 162-00040A, STRIP;WEATHER(1000mm)
Подробнее >
6430 ARM PIPING - ROTATING

6430 ARM PIPING - ROTATING

1Артикул: 420212-06289, PIPING,ARM-ROTATING
2Артикул: 420207-01672, PIPE
3Артикул: DS2013596, HOSE
Подробнее >
6230 MAIN PIPING - ONE & TWO WAY

6230 MAIN PIPING - ONE & TWO WAY

1Артикул: 420212-13338, PIPING,MAIN;1 OR 2 WAY
2Артикул: DS2232004, ADAPTER
3Артикул: S8000291, O-RING
Подробнее >
ГИДРОСИСТЕМА СТРЕЛЫ - КЛАПАН ЗАМКА РУКОЯТИ

ГИДРОСИСТЕМА СТРЕЛЫ - КЛАПАН ЗАМКА РУКОЯТИ

1Артикул: 420212-02140, ARM PIPING-LOCK VALVE
2Артикул: 2184-1046D269, HOSE
3Артикул: 400305-00566, CYLINDER,ARM
Подробнее >
6190 FUEL FILTER - WITH BOWL & HEAD HEATER

6190 FUEL FILTER - WITH BOWL & HEAD HEATER

1Артикул: 420212-16331, PIPING,FUEL
2Артикул: 110406-03898A, BRACKET
3Артикул: 110406-04229B, BRACKET
Подробнее >
ГИДРОСИСТЕМА РУКОЯТИ - ВРАЩАЮЩИЙСЯ(РУКОЯТЬ 2.6 м)

ГИДРОСИСТЕМА РУКОЯТИ - ВРАЩАЮЩИЙСЯ(РУКОЯТЬ 2.6 м)

1Артикул: 420212-02352, PIPING,ARM;ROTATION
2Артикул: 420207-00529, PIPE
3Артикул: DS2013518, HOSE
Подробнее >
ГИДРОСИСТЕМА СТРЕЛЫ - ВРАЩАЮЩИЙСЯ(СТРЕЛА 6.2 м)

ГИДРОСИСТЕМА СТРЕЛЫ - ВРАЩАЮЩИЙСЯ(СТРЕЛА 6.2 м)

1Артикул: 420212-06174, PIPING,ROTATING
2Артикул: 420207-01744, PIPE
3Артикул: 420207-01745, PIPE
Подробнее >
6150 UNDER COVER - HEATER PLUG(HEAVY DUTY)

6150 UNDER COVER - HEATER PLUG(HEAVY DUTY)

1Артикул: 110513-02294, COVER ASSY,UNDER;HD
2Артикул: 110513-00482C, COVER,UNDER;HD
3Артикул: 110513-00483B, COVER,UNDER;HD
Подробнее >
ТРУБОПРОВОД СЕРВОУПРАВЛЕНИЯ - 2 ПУТИ(1)

ТРУБОПРОВОД СЕРВОУПРАВЛЕНИЯ - 2 ПУТИ(1)

1Артикул: 420212-10280, PIPING,PILOT;TWO WAY
2Артикул: 426-00247B, VALVE,SOLENOID
3Артикул: K9007363, . SPOOL,SOLENOID
Подробнее >
ТРУБОПРОВОД СЕРВОУПРАВЛЕНИЯ - СИСТЕМА ЗАЩИТЫ ПРИ ОПРОКИДЫВАНИИ

ТРУБОПРОВОД СЕРВОУПРАВЛЕНИЯ - СИСТЕМА ЗАЩИТЫ ПРИ ОПРОКИДЫВАНИИ

1Артикул: 420212-02835G, PIPING,CABIN;ROPS
2Артикул: 410113-00043B, VALVE,JOYSTICK(L.H)
3Артикул: 410113-00044B, VALVE,JOYSTICK(R.H)
Подробнее >
ОБТЕКАЕМАЯ ПОДКУЗОВНАЯ ПАНЕЛЬ - ОСОБО ПРОЧНЫЙ

ОБТЕКАЕМАЯ ПОДКУЗОВНАЯ ПАНЕЛЬ - ОСОБО ПРОЧНЫЙ

1Артикул: 110513-02272, COVER ASSY,UNDER;HD
2Артикул: 110513-00482C, COVER,UNDER;HD
3Артикул: 110513-00483B, COVER,UNDER;HD
Подробнее >
УСТАНОВКА СИДЕНЬЯ - ОБОГРЕВАТЕЛЬ

УСТАНОВКА СИДЕНЬЯ - ОБОГРЕВАТЕЛЬ

1Артикул: K1002085, SEAT MOUNTING
2Артикул: 901-00047, SEAT ASS`Y
3Артикул: S2208866, BOLT,SOCKET M8X1.25X20
Подробнее >
6920 BUCKET ASSВґY - 1.71mВі - S CLASS

6920 BUCKET ASSВґY - 1.71mВі - S CLASS

1Артикул: 230104-02569A, BUCKET ASSY;1.71M3
2Артикул: -, BUCKET,1.71M3
3Артикул: 430203-00037, . ADAPTER,TOOTH
Подробнее >