+7 (701) 588 50 05 Телефон для связи
RU

WhatsApp

Позвонить

ОПЦИОННЫЕ ЗАПЧАСТИ в Алматы

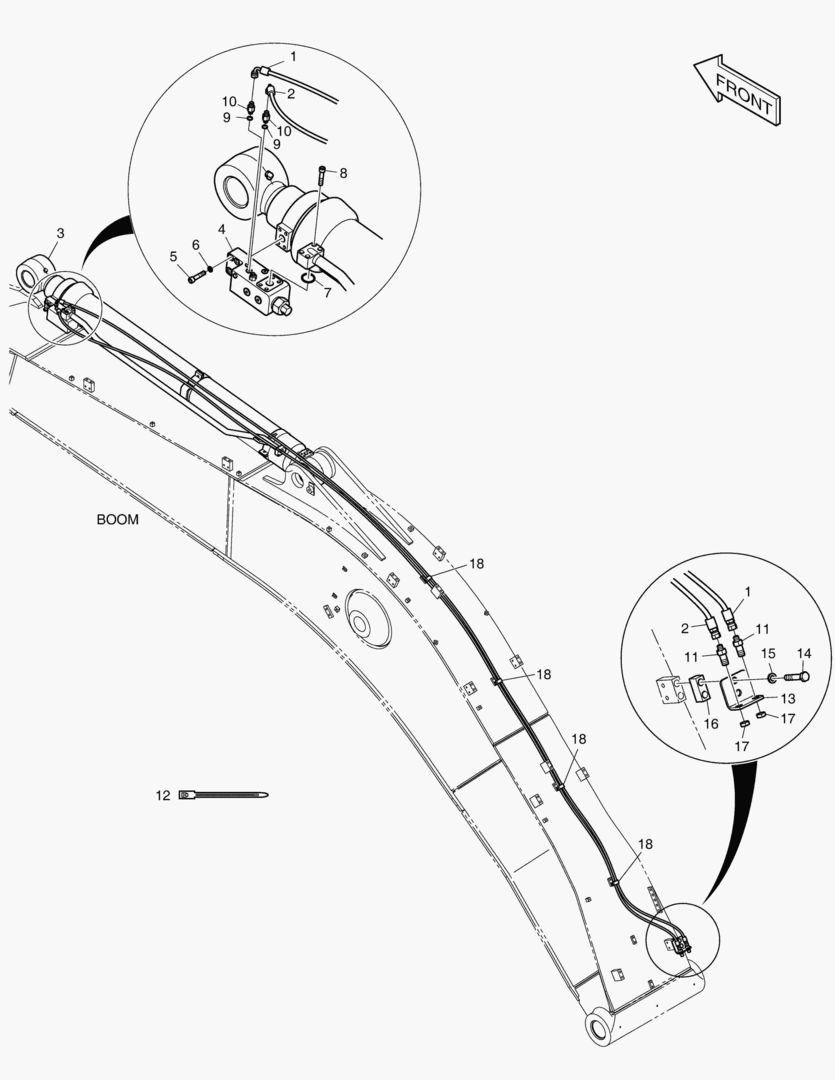
ГИДРОСИСТЕМА СТРЕЛЫ - ВРАЩАЮЩИЙСЯ(СТРЕЛА 6.2 м)

ГИДРОСИСТЕМА СТРЕЛЫ - ВРАЩАЮЩИЙСЯ(СТРЕЛА 6.2 м)

1Артикул: 420212-06174, PIPING,ROTATING
2Артикул: 420207-01744, PIPE
3Артикул: 420207-01745, PIPE
Подробнее >
ГИДРОСИСТЕМА РУКОЯТИ - РУКОЯТЬ 3.95 м

ГИДРОСИСТЕМА РУКОЯТИ - РУКОЯТЬ 3.95 м

1Артикул: 420212-02143, PIPING,ARM;3.95M
2Артикул: 400310-00054C, CYLINDER,BUCKET
3Артикул: 400310-00054E, CYLINDER,BUCKET
Подробнее >
КОВРИК НА ПОЛУ КУЗОВА - СИСТЕМА ЗАЩИТЫ ПРИ ОПРОКИДЫВАНИИ

КОВРИК НА ПОЛУ КУЗОВА - СИСТЕМА ЗАЩИТЫ ПРИ ОПРОКИДЫВАНИИ

1Артикул: 110935-00070, MAT,FLOOR
Подробнее >
7780 TMS - CELLULAR & FOGS(V2.0)

7780 TMS - CELLULAR & FOGS(V2.0)

1Артикул: 300619-04505, ELECTRIC ASSY,TMS2.0
2Артикул: 2120-2166D6, BOLT
3Артикул: 2114-1898D3, WASHER
Подробнее >
ПРОБЛЕСКОВЫЙ МАЯЧОК - СИСТЕМА ЗАЩИТЫ ПРИ ОПРОКИДЫВАНИИ

ПРОБЛЕСКОВЫЙ МАЯЧОК - СИСТЕМА ЗАЩИТЫ ПРИ ОПРОКИДЫВАНИИ

1Артикул: 300619-00081H, ROTATING BEACON ASSY
2Артикул: 131002-00085A, BUSHING ASSY
3Артикул: 300705-00037, LAMP
Подробнее >
7700 TMS - CELLULAR & SATELLITE & ROPS(V1.5) [6168~]

7700 TMS - CELLULAR & SATELLITE & ROPS(V1.5) [6168~]

1Артикул: 300619-03342, ELECTRIC ASSY,TMS1.5
2Артикул: 300619-03139, ELECTRIC ASSY;TMS1.5
3Артикул: 300611-00902, . CONTROLLER;TMS1.5
Подробнее >
ЭЛЕКТРОПРОВОДКА - СИСТЕМА ЗАЩИТЫ ПРИ ОПРОКИДЫВАНИИ

ЭЛЕКТРОПРОВОДКА - СИСТЕМА ЗАЩИТЫ ПРИ ОПРОКИДЫВАНИИ

1Артикул: 300619-02818, WIRING GROUP,ELECTRIC
2Артикул: 310207-03554C, HARNESS,MAIN;ROPS
3Артикул: K1000814, . DIODE
Подробнее >
ГИДРОСИСТЕМА СТРЕЛЫ - ГИДРОЗАМОК

ГИДРОСИСТЕМА СТРЕЛЫ - ГИДРОЗАМОК

1Артикул: 420212-06178, PIPING,BOOM;ARM LOCK
2Артикул: 2184-1046D268, HOSE
3Артикул: 400305-00056B, CYLINDER,ARM;LOCK VALVE
Подробнее >
РУКОЯТЬ - 2.6 м

РУКОЯТЬ - 2.6 м

1Артикул: 230201-00416, ARM ASSY
2Артикул: 230204-00335A, ARM,MACHINE
3Артикул: 230204-00335B, ARM,MACHINING;2.6M
Подробнее >
ГИДРОСИСТЕМА РУКОЯТИ - БЫСТРАЯ ПОСАДКА(РУКОЯТЬ 2.6 м)

ГИДРОСИСТЕМА РУКОЯТИ - БЫСТРАЯ ПОСАДКА(РУКОЯТЬ 2.6 м)

1Артикул: 420212-02353, PIPING,ARM;QUICK CLAMP
2Артикул: 420207-00530, PIPE ASSY,HYDRAULIC
3Артикул: 420207-00530A, PIPE
Подробнее >
7070 ARM PIPING - ROTATION(ARM 3.95m)

7070 ARM PIPING - ROTATION(ARM 3.95m)

1Артикул: K1018558, ARM PIPING-ROTAING
2Артикул: K1018559, PIPE
3Артикул: DS2013744, HOSE
Подробнее >
СКОЛЬЗЯЩАЯ ПЛИТА СИДЕНИЯ - СИСТЕМА ЗАЩИТЫ ПРИ ОПРОКИДЫВАНИИ

СКОЛЬЗЯЩАЯ ПЛИТА СИДЕНИЯ - СИСТЕМА ЗАЩИТЫ ПРИ ОПРОКИДЫВАНИИ

1Артикул: 250110-00054H, PLATE ASSY,SEAT
2Артикул: 250110-00054L, PLATE ASSY,SEAT
3Артикул: 250110-00054M, PLATE ASSY,SEAT
Подробнее >
ПРОТИВОВЕС - 6.6ТОНН(ИНДИЯ)

ПРОТИВОВЕС - 6.6ТОНН(ИНДИЯ)

1Артикул: K1005171B, COUNTER WEIGHT ASS`Y
2Артикул: 120-00272A, BOLT
3Артикул: 114-00055, WASHER
Подробнее >
7810 TMS - CELLULAR & SATELLITE & FOGS(V2.0)

7810 TMS - CELLULAR & SATELLITE & FOGS(V2.0)

1Артикул: 300619-04506, ELECTRIC ASSY,TMS2.0
2Артикул: 2120-2166D6, BOLT
3Артикул: 2114-1898D3, WASHER
Подробнее >
ИЗМЕНЕНИЯ РЕЖИМА ТРУБОПРОВОДА(1)

ИЗМЕНЕНИЯ РЕЖИМА ТРУБОПРОВОДА(1)

1Артикул: K1016900A, ASSEMBLY;PILOT PIPING;Pattern
2Артикул: 420212-13205, PIPING,PILOT
3Артикул: K1014874, VALVE
Подробнее >
6150 FLOOR MAT - TWO WAY OR OEP

6150 FLOOR MAT - TWO WAY OR OEP

1Артикул: 110935-00276A, MAT,FLOOR
Подробнее >
7660 BUCKET ASSВґY - 1.71mВі - S CLASS

7660 BUCKET ASSВґY - 1.71mВі - S CLASS

1Артикул: 230104-02138, BUCKET ASSY;1.71M3
2Артикул: 230104-02138A, BUCKET ASSY
3Артикул: 230104-02569, BUCKET ASSY;1.71M3 R2S
Подробнее >
РУКОЯТКА - КАБИНА(СИСТЕМА ЗАЩИТЫ ПРИ ОПРОКИДЫВАНИИ)

РУКОЯТКА - КАБИНА(СИСТЕМА ЗАЩИТЫ ПРИ ОПРОКИДЫВАНИИ)

1Артикул: 110925-00382, HANDLE ASSY
2Артикул: 110925-00382B, HANDLE ASSY
3Артикул: 110925-00385, HANDLE,OUTER
Подробнее >
БОКОВАЯ ДВЕРЬ -ЛЕВОСТОРОННИЙ(НЕ В ТРОПИЧЕСКИХ УСЛОВИЯХ)

БОКОВАЯ ДВЕРЬ -ЛЕВОСТОРОННИЙ(НЕ В ТРОПИЧЕСКИХ УСЛОВИЯХ)

1Артикул: 110508-04679, COVER ASSY;NON TROPICAL
2Артикул: 110982-00460A, DOOR ASSY,SIDE;(L.H)
3Артикул: 110982-01072, DOOR ASSY,SIDE
Подробнее >
6300 ARM PIPING - LOCK VALVE

6300 ARM PIPING - LOCK VALVE

1Артикул: 420212-02140, ARM PIPING-LOCK VALVE
2Артикул: 2184-1046D269, HOSE
3Артикул: 400305-00056C, CYLINDER,ARM,LOCK VALVE
Подробнее >
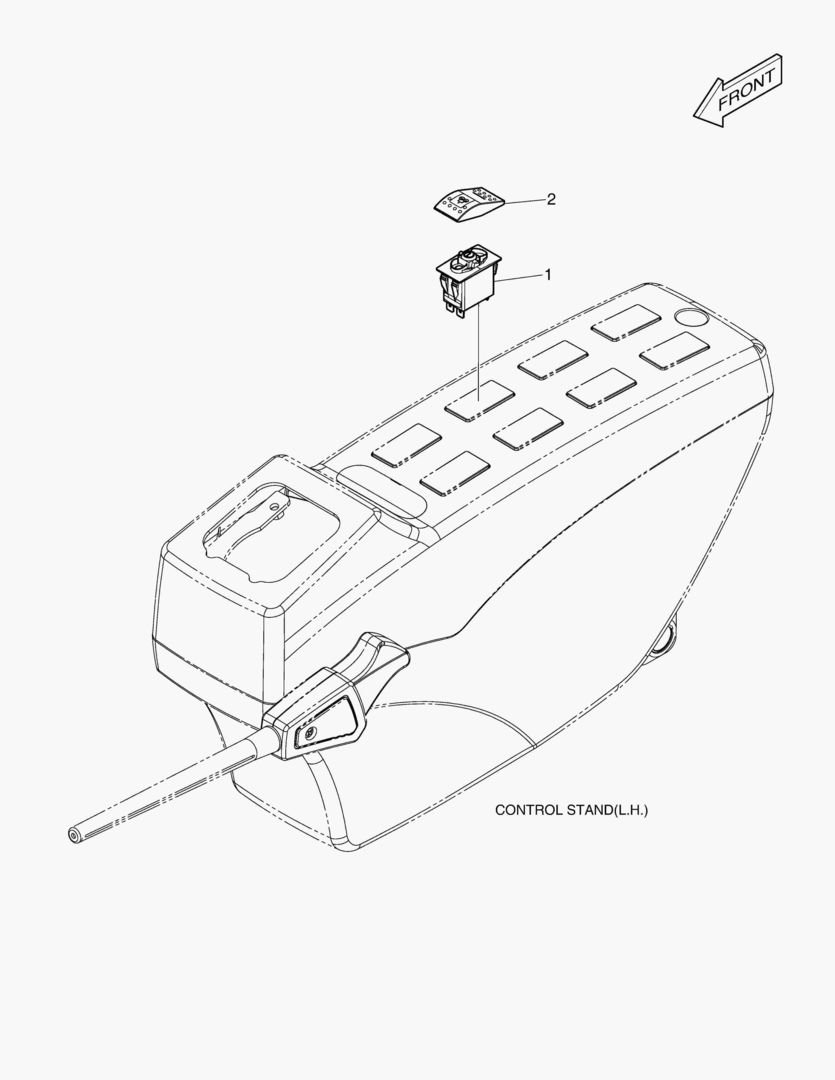
ПУЛЬТ УПРАВЛЕНИЯ - ПРАВОСТОРОННИЙ(СИСТЕМА ЗАЩИТЫ ПРИ ОПРОКИДЫВАНИИ)

ПУЛЬТ УПРАВЛЕНИЯ - ПРАВОСТОРОННИЙ(СИСТЕМА ЗАЩИТЫ ПРИ ОПРОКИДЫВАНИИ)

1Артикул: 220111-00092A, STAND ASSY,CONTROL;RH
2Артикул: 220111-00092B, STAND ASSY,CONTROL;RH
3Артикул: 220111-00092C, STAND ASSY,CONTROL;RH
Подробнее >
7460 ROTATING BEACON - WITH LAMP(ROPS)

7460 ROTATING BEACON - WITH LAMP(ROPS)

1Артикул: 300619-00080E, ROTATING BEACON ASSY
2Артикул: 131002-00085A, BUSHING ASSY
3Артикул: S5102503, WASHER
Подробнее >
КОВРИК НА ПОЛУ КУЗОВА - ОДНА ПЕДАЛЬ(ЛЕВОСТОРОННИЙ)(СИСТЕМА ЗАЩИТЫ ПРИ ОПРОКИДЫВАНИИ)

КОВРИК НА ПОЛУ КУЗОВА - ОДНА ПЕДАЛЬ(ЛЕВОСТОРОННИЙ)(СИСТЕМА ЗАЩИТЫ ПРИ ОПРОКИДЫВАНИИ)

1Артикул: 110935-00072, MAT,FLOOR;ONE PEDAL(L.H)
Подробнее >
УСТАНОВКА СИДЕНЬЯ - СИСТЕМА ЗАЩИТЫ ПРИ ОПРОКИДЫВАНИИ

УСТАНОВКА СИДЕНЬЯ - СИСТЕМА ЗАЩИТЫ ПРИ ОПРОКИДЫВАНИИ

1Артикул: 220110-00016C, SEAT ASSY,OPERATER
2Артикул: 220110-00016E, SEAT ASSY,OPERATER
3Артикул: 220110-00029C, SEAT,OPERATOR
Подробнее >
ПРЕДОХРАНИТЕЛЬ ГУСЕНИЦЫ-ШИРИНА ГУСЕНИЦЫ 3 м

ПРЕДОХРАНИТЕЛЬ ГУСЕНИЦЫ-ШИРИНА ГУСЕНИЦЫ 3 м

1Артикул: 200112-00032, GUARD,TRACK;STD(3.0M)
2Артикул: K1009970, GUARD;TRACK
3Артикул: S0527666, BOLT
Подробнее >
6230 PILOT PIPING - ROTATING & QUICK FIT

6230 PILOT PIPING - ROTATING & QUICK FIT

1Артикул: K1006564A, PILOT PIPING
2Артикул: 124-00208D6, CLIP
3Артикул: DS2093043, HOSE
Подробнее >
ЗВУКОВОСПРОИЗВОДЯЩАЯ АППАРАТУРА - СИСТЕМА ЗАЩИТЫ ПРИ ОПРОКИДЫВАНИИ

ЗВУКОВОСПРОИЗВОДЯЩАЯ АППАРАТУРА - СИСТЕМА ЗАЩИТЫ ПРИ ОПРОКИДЫВАНИИ

1Артикул: 300619-01031, ELECTRIC ASSY;RADIO, USB
2Артикул: 300619-01031A, ELECTRIC ASSY
3Артикул: 300654-00009, STEREO,CAR;RADIO(24V)+USB
Подробнее >
ГИДРОСИСТЕМА СТРЕЛЫ - ГИДРОЗАМОК

ГИДРОСИСТЕМА СТРЕЛЫ - ГИДРОЗАМОК

1Артикул: 420212-02138, PIPING,BOOM LOCK VALVE
2Артикул: 400309-00086B, CYLINDER,BOOM;LOCK V/V(L.H)
3Артикул: 400309-00086C, CYLINDER,BOOM;LOCK V/V(L.H)
Подробнее >
РАМА ГУСЕНИЦЫ - ПОЛНОЦЕНАЯ ЗАЩИТА

РАМА ГУСЕНИЦЫ - ПОЛНОЦЕНАЯ ЗАЩИТА

1Артикул: 200112-00033, GUARD,TRACK;FULL(3.2M)
2Артикул: K1008761, GUARD;TRACK(R.H)-REAR
3Артикул: 200112-00203, GUARD,TRACK;FULL,REAR
Подробнее >
7480 ROTATING BEACON - WITH GUARD & LAMP(ROPS)

7480 ROTATING BEACON - WITH GUARD & LAMP(ROPS)

1Артикул: 300619-00082E, ROTATING BEACON ASSY
2Артикул: 131002-00085A, BUSHING ASSY
3Артикул: S5102503, WASHER
Подробнее >
ТРУБОПРОВОД ХОДА - ШИРИНА ГУСЕНИЦЫ 3 м

ТРУБОПРОВОД ХОДА - ШИРИНА ГУСЕНИЦЫ 3 м

1Артикул: 420212-02224, PIPING,UNDERCARRIAGE
2Артикул: DS2040436, HOSE
3Артикул: DS2040437, HOSE
Подробнее >
6880 CD PLAYER [5950~6251]

6880 CD PLAYER [5950~6251]

1Артикул: 300637-00012, PLAYER,CD;24V(USB)
2Артикул: 300637-00009, PLAYER,CD(24V)
Подробнее >
РАБОЧАЯ ФАРА(2-ЛАМПЫ)

РАБОЧАЯ ФАРА(2-ЛАМПЫ)

1Артикул: 300619-02747, LAMP ASSY,WORKING
2Артикул: 534-00085, LAMP
3Артикул: 2515-1016D4, . BULB,HALOGEN
Подробнее >
КОВРИК НА ПОЛУ КУЗОВА - ВРАЩАЮЩИЙСЯ

КОВРИК НА ПОЛУ КУЗОВА - ВРАЩАЮЩИЙСЯ

1Артикул: 110935-00084B, MAT,FLOOR
Подробнее >
БАШМАК ГУСЕНИЦЫ В СБОРЕ - 900G

БАШМАК ГУСЕНИЦЫ В СБОРЕ - 900G

1Артикул: 200106-00128, SHOE ASSY,TRACK(900MM)
2Артикул: 200106-00035B, SHOE ASSY,TRACK
3Артикул: 200103-00067A, . LINK ASSY,TRACK
Подробнее >
7081 SWING ALARM - ONE WAY(TWO PUMP) [5950~6251]

7081 SWING ALARM - ONE WAY(TWO PUMP) [5950~6251]

1Артикул: 420212-11428, PIPING,PILOT,1 WAY
2Артикул: 549-00010, SWITCH,PRESSURE
3Артикул: S8000111, O-RING
Подробнее >
6520 WINDOW GUARD

6520 WINDOW GUARD

1Артикул: K1002771, WINDOW GUARD
2Артикул: K1002759A, GUARD,FRONT UPPER
3Артикул: 623-00086, GUARD,FRONT LOWER
Подробнее >
6690 BUCKET ASS`Y - 1.20mВі(42`) - SIDE PIN

6690 BUCKET ASS`Y - 1.20mВі(42`) - SIDE PIN

1Артикул: 230104-00630, BUCKET ASSY
2Артикул: 230104-00631B, BUCKET SUB ASS`Y-1.20гЋҐ(H.D)
3Артикул: 230104-00631C, BUCKET SUB ASS`Y
Подробнее >
НИЖНЕЕ ОГРАЖДЕНИЕ КАБИНЫ

НИЖНЕЕ ОГРАЖДЕНИЕ КАБИНЫ

1Артикул: 623-00086, GUARD,FRONT LOWER
2Артикул: 623-00085A, GUARD,FRONT LOWER
3Артикул: 2114-1898D17, WASHER
Подробнее >
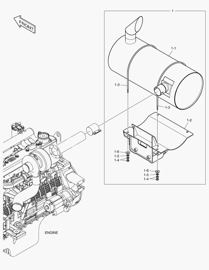
ВОЗДУХООЧИСТИТЕЛЬ - НЕФТЯНАЯ СМАЗКА

ВОЗДУХООЧИСТИТЕЛЬ - НЕФТЯНАЯ СМАЗКА

1Артикул: 400414-00120, CLEANER ASSY,AIR;OIL WASHED
2Артикул: K1009279, AIR CLEANER
3Артикул: K9001293, . ELEMENT,OIL WASHED
Подробнее >
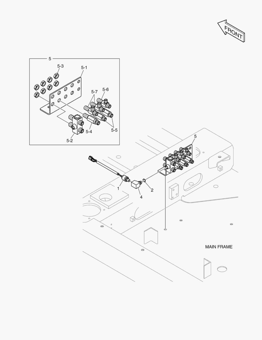
ГЛАВНАЯ МАГИСТРАЛЬ - ДВА ПУТИ

ГЛАВНАЯ МАГИСТРАЛЬ - ДВА ПУТИ

1Артикул: 420212-06920, PIPING,MAIN;TWO WAY
2Артикул: 410132-00007, VALVE;SELECT
3Артикул: 410132-00025, VALVE,SELECTOR
Подробнее >
ЗАЩИТНЫЙ КОРПУС ПРОТИВОТУМАННЫХ ФАР В СБОРЕ

ЗАЩИТНЫЙ КОРПУС ПРОТИВОТУМАННЫХ ФАР В СБОРЕ

1Артикул: 110921-01181A, GUARD ASSY;FOGS
2Артикул: 110921-01182A, GUARD;FOGS
3Артикул: 220103-00574, GUARD,FOGS(FRONT)
Подробнее >
7820 BUCKET ASS`Y - 1.56mВі - X CLASS

7820 BUCKET ASS`Y - 1.56mВі - X CLASS

1Артикул: 230104-02983, BUCKET ASSY;1.56M3
2Артикул: -, BUCKET,1.56M3
3Артикул: 430203-00037, . ADAPTER,TOOTH
Подробнее >
ЭЛЕКТРИЧЕСКИЕ ЗАПЧАСТИ - ПУЛЬТ УПРАВЛЕНИЯ(СИСТЕМА ЗАЩИТЫ ПРИ ОПРОКИДЫВАНИИ)

ЭЛЕКТРИЧЕСКИЕ ЗАПЧАСТИ - ПУЛЬТ УПРАВЛЕНИЯ(СИСТЕМА ЗАЩИТЫ ПРИ ОПРОКИДЫВАНИИ)

1Артикул: 300619-02692, ELECTRIC ASSY,STAND;ROPS
2Артикул: 300619-02692A, ELECTRIC ASSY,STAND
3Артикул: K1001858A, SWITCH,STARTER
Подробнее >
6760 TRAVEL ALARM

6760 TRAVEL ALARM

1Артикул: 300619-00928, ELECTRIC ASSY
2Артикул: 516-00011, BUZZER
3Артикул: S2208666, BOLT
Подробнее >
ТРУБОПРОВОД СМАЗОЧНОЙ СИСТЕМЫ - РУКОЯТЬ 2.6 м

ТРУБОПРОВОД СМАЗОЧНОЙ СИСТЕМЫ - РУКОЯТЬ 2.6 м

1Артикул: 420212-02335, PIPING,ARM;LUBRICATION
2Артикул: DS2094035, HOSE
3Артикул: DS2059593, HOSE
Подробнее >
7640 BUCKET ASSВґY - 2.32mВі - H CLASS

7640 BUCKET ASSВґY - 2.32mВі - H CLASS

1Артикул: 230104-01906A, BUCKET ASSY;2.32M3 R2H
2Артикул: 230104-01906B, BUCKET ASSY
3Артикул: 230104-02503, BUCKET ASSY;2.32M3 R2H
Подробнее >
ГИДРОСИСТЕМА РУКОЯТИ - РУКОЯТЬ 2.6 м

ГИДРОСИСТЕМА РУКОЯТИ - РУКОЯТЬ 2.6 м

1Артикул: 420212-02142, PIPING,ARM;2.6M
2Артикул: 400310-00054C, CYLINDER,BUCKET
3Артикул: 400310-00054E, CYLINDER,BUCKET
Подробнее >
ЗАЩИТА ОТ ДОЖДЯ

ЗАЩИТА ОТ ДОЖДЯ

1Артикул: K1002561B, RAIN SHIELD
2Артикул: 159-00294C, COVER;RAIN SHIELD
3Артикул: 162-00040A, STRIP;WEATHER(1000mm)
Подробнее >
7610 BUCKET ASSВґY - 1.66mВі - H CLASS

7610 BUCKET ASSВґY - 1.66mВі - H CLASS

1Артикул: 230104-01900A, BUCKET ASSY;1.66M3 R2H
2Артикул: 230104-01900B, BUCKET ASSY;1.66M3 R2H
3Артикул: 230104-02499, BUCKET ASSY;1.66M3 R2H
Подробнее >
СИГНАЛИЗАЦИЯ О ПЕРЕГРУЗКЕ - СИСТЕМА ЗАЩИТЫ ПРИ ОПРОКИДЫВАНИИ

СИГНАЛИЗАЦИЯ О ПЕРЕГРУЗКЕ - СИСТЕМА ЗАЩИТЫ ПРИ ОПРОКИДЫВАНИИ

1Артикул: 300619-00090, OVERLOAD WARNING
2Артикул: 549-00102, SWITCH
3Артикул: 301401-00006, ACTUATOR,SWITCH
Подробнее >
7740 ELECTRIC PARTS - PEDAL(BREAKER) [6252~]

7740 ELECTRIC PARTS - PEDAL(BREAKER) [6252~]

1Артикул: 300619-04103, ELECTRIC ASSY
2Артикул: 110420-01299A, BRACKET
3Артикул: 2120-2166D1, BOLT
Подробнее >
ТРУБОПРОВОД СЕРВОУПРАВЛЕНИЯ - 2 ПУТИ(1)

ТРУБОПРОВОД СЕРВОУПРАВЛЕНИЯ - 2 ПУТИ(1)

1Артикул: 420212-10280, PIPING,PILOT;TWO WAY
2Артикул: 426-00247B, VALVE,SOLENOID
3Артикул: K9007363, . SPOOL,SOLENOID
Подробнее >
КРЫШКА ТРУБОПРОВОДА - СИСТЕМА ЗАЩИТЫ ПРИ ОПРОКИДЫВАНИИ

КРЫШКА ТРУБОПРОВОДА - СИСТЕМА ЗАЩИТЫ ПРИ ОПРОКИДЫВАНИИ

1Артикул: 110517-00363G, COVER ASSY,SIDE
2Артикул: 110517-00363H, COVER ASSY,SIDE
3Артикул: 110517-00363K, COVER ASSY,SIDE
Подробнее >
6360 MAIN PIPING - QUICK CLAMP & TWO PUMP

6360 MAIN PIPING - QUICK CLAMP & TWO PUMP

1Артикул: 420212-00821, PIPING,MAIN;TWO PUMP
2Артикул: 426-00287B, VALVE,QUICK-FIT
3Артикул: 410135-00109, . VALVE,SOLENOID
Подробнее >
6820 ROTATING BEACON

6820 ROTATING BEACON

1Артикул: 300619-00883, ROTATING BEACON ASSY
2Артикул: 131002-00085, BUSHING ASS`Y
3Артикул: S5102503, WASHER
Подробнее >
7760 TMS - CELLULAR(V2.0)

7760 TMS - CELLULAR(V2.0)

1Артикул: 300619-04505, ELECTRIC ASSY,TMS2.0
2Артикул: 2120-2166D6, BOLT
3Артикул: 2114-1898D3, WASHER
Подробнее >
7695 TMS(NA) - CELLULAR & SATELLITE & ROPS(V1.5) [6168~]

7695 TMS(NA) - CELLULAR & SATELLITE & ROPS(V1.5) [6168~]

1Артикул: 300619-03341, ELECTRIC ASSY,TMS1.5
2Артикул: 300619-03138, ELECTRIC ASSY
3Артикул: 300611-00901, . CONTROLLER
Подробнее >
КРЕСЛО - СИСТЕМА ЗАЩИТЫ ПРИ ОПРОКИДЫВАНИИ

КРЕСЛО - СИСТЕМА ЗАЩИТЫ ПРИ ОПРОКИДЫВАНИИ

1Артикул: 220110-00029C, SEAT,OPERATOR
2Артикул: 220110-00029E, SEAT,OPERATOR
3Артикул: 220108-00003, REST,HEAD
Подробнее >
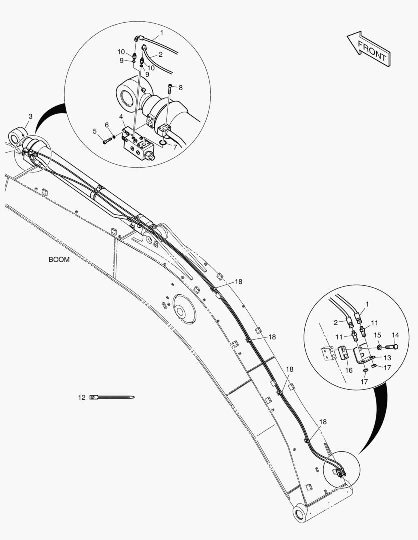
ГИДРОСИСТЕМА СТРЕЛЫ - ВРАЩЕНИЕ

ГИДРОСИСТЕМА СТРЕЛЫ - ВРАЩЕНИЕ

1Артикул: 420212-11599, BOOM PIPING-ROTAING
2Артикул: K1006220A, PIPE
3Артикул: K1006221A, PIPE
Подробнее >
МАЯЧОК ТЕЛЕСКОПА - СИСТЕМА ЗАЩИТЫ ПРИ ОПРОКИДЫВАНИИ

МАЯЧОК ТЕЛЕСКОПА - СИСТЕМА ЗАЩИТЫ ПРИ ОПРОКИДЫВАНИИ

1Артикул: 300619-02730, TELESCOPIC BEACON ASSY
2Артикул: 110429-00002B, BRACKET,LAMP;REAR
3Артикул: 2120-2166D11, BOLT
Подробнее >
6387 PILOT PIPING - TWO PUMP(ONE WAY) [6252~]

6387 PILOT PIPING - TWO PUMP(ONE WAY) [6252~]

1Артикул: 420212-14251, PIPING,ONE WAY
2Артикул: 2181-1126D34, ADAPTER
3Артикул: 2181-1702D4, ELBOW
Подробнее >
ЧЕХОЛ КРЫШКИ - PC(СИСТЕМА ЗАЩИТЫ ПРИ ОПРОКИДЫВАНИИ)

ЧЕХОЛ КРЫШКИ - PC(СИСТЕМА ЗАЩИТЫ ПРИ ОПРОКИДЫВАНИИ)

1Артикул: 220204-00047B, COVER ASSY,CABIN
2Артикул: 220204-00270, COVER,ROOF
3Артикул: 110927-00014, HINGE,ROOF COVER
Подробнее >
ГИДРОСИСТЕМА РУКОЯТИ - БЫСТРАЯ ПОСАДКА(РУКОЯТЬ 3.95 м)

ГИДРОСИСТЕМА РУКОЯТИ - БЫСТРАЯ ПОСАДКА(РУКОЯТЬ 3.95 м)

1Артикул: K1018561, ARM PIPING(QUICK CLAMP)
2Артикул: K1018562, PIPE
3Артикул: K1018563, PIPE
Подробнее >
ТРУБОПРОВОД СЕРВОУПРАВЛЕНИЯ(2) - ВРАЩАЮЩИЙСЯ

ТРУБОПРОВОД СЕРВОУПРАВЛЕНИЯ(2) - ВРАЩАЮЩИЙСЯ

1Артикул: K1006461H, PILOT PIPING;ROTATING
2Артикул: K1001873A, PLATE
3Артикул: K1017382A, PEDAL VALVE
Подробнее >
6720 BUCKET ASS`Y - 1.79mВі(57`) - SIDE PIN

6720 BUCKET ASS`Y - 1.79mВі(57`) - SIDE PIN

1Артикул: 230104-00642, BUCKET ASSY;(57`)
2Артикул: 230104-00643B, BUCKET SUB ASS`Y-1.79mВі(H.D)
3Артикул: 230104-00643C, BUCKET SUB ASS`Y-1.79mВі(H.D)
Подробнее >
РАБОЧАЯ ФАРА(6-ЛАМПЫ) - СИСТЕМА ЗАЩИТЫ ПРИ ОПРОКИДЫВАНИИ

РАБОЧАЯ ФАРА(6-ЛАМПЫ) - СИСТЕМА ЗАЩИТЫ ПРИ ОПРОКИДЫВАНИИ

1Артикул: 300619-02286A, LAMP ASSY,WORKING;6 LAMP
2Артикул: 110429-00002B, BRACKET,LAMP;REAR
3Артикул: 2120-2166D11, BOLT
Подробнее >
ПРОБЛЕСКОВЫЙ МАЯЧОК(ТЕЛЕСКОПИЧЕСКИЙ ПОГРУЗЧИК)

ПРОБЛЕСКОВЫЙ МАЯЧОК(ТЕЛЕСКОПИЧЕСКИЙ ПОГРУЗЧИК)

1Артикул: 300705-00032A, BEACON ASSY
2Артикул: 195-01805, SUPPORT
3Артикул: S5010513, WASHER
Подробнее >
ГИДРОСИСТЕМА РУКОЯТИ - БЫСТРАЯ ПОСАДКА(РУКОЯТЬ 3.2 м)

ГИДРОСИСТЕМА РУКОЯТИ - БЫСТРАЯ ПОСАДКА(РУКОЯТЬ 3.2 м)

1Артикул: K1006230A, ARM PIPING(QUICK CLAMP)
2Артикул: K1006231A, PIPE
3Артикул: K1006232A, PIPE
Подробнее >
7084 SWING ALARM - ONE OR TWO WAY(TWO PUMP) [5950~]

7084 SWING ALARM - ONE OR TWO WAY(TWO PUMP) [5950~]

1Артикул: 420212-11387, PIPING,PILOT
2Артикул: 549-00010, SWITCH,PRESSURE
3Артикул: 301413-00340, SWITCH,OIL PRESSURE
Подробнее >
6670 BUCKET - 1.61mВі

6670 BUCKET - 1.61mВі

1Артикул: 230104-00621, BUCKET ASSY
2Артикул: 230104-00622A, BUCKET ASSY;1.61M3
3Артикул: 230104-00622B, BUCKET ASSY;1.61M3
Подробнее >
7540 FUEL HEATER - ROPS [5950~6175]

7540 FUEL HEATER - ROPS [5950~6175]

1Артикул: 300619-00677A, FUEL HEATER,ROPS
2Артикул: 549-00101, SWITCH
3Артикул: K1053326, RELAY
Подробнее >
КАБИНА(3) - СИСТЕМА ЗАЩИТЫ ПРИ ОПРОКИДЫВАНИИ

КАБИНА(3) - СИСТЕМА ЗАЩИТЫ ПРИ ОПРОКИДЫВАНИИ

1Артикул: 220101-01147E, CABIN ASSY
2Артикул: 220101-01147G, CABIN ASSY
3Артикул: 220101-01147H, CABIN ASSY
Подробнее >
6700 BUCKET ASS`Y - 1.42mВі(48`) - SIDE PIN

6700 BUCKET ASS`Y - 1.42mВі(48`) - SIDE PIN

1Артикул: 230104-00634, BUCKET ASSY
2Артикул: 230104-00635B, BUCKET SUB ASS`Y-1.42mВі(H.D)
3Артикул: 230104-00635C, BUCKET SUB ASS`Y
Подробнее >
РАБОЧАЯ ФАРА(2-ЛАМПЫ) - СИСТЕМА ЗАЩИТЫ ПРИ ОПРОКИДЫВАНИИ

РАБОЧАЯ ФАРА(2-ЛАМПЫ) - СИСТЕМА ЗАЩИТЫ ПРИ ОПРОКИДЫВАНИИ

1Артикул: 300619-00077A, LAMP ASSY
2Артикул: K1055454, LAMP,HEAD
3Артикул: 2515-1016D4, . BULB,HALOGEN
Подробнее >
7050 ARM PIPING - ONE & TWO WAY(ARM 3.95m)

7050 ARM PIPING - ONE & TWO WAY(ARM 3.95m)

1Артикул: 420212-01943, ARM PIPING,ONE & TWO WAY
2Артикул: 420207-02594, PIPE
3Артикул: DS2040502, HOSE
Подробнее >
6730 BUCKET ASS`Y - 2.01mВі(63`) - SIDE PIN

6730 BUCKET ASS`Y - 2.01mВі(63`) - SIDE PIN

1Артикул: 230104-00646, BUCKET ASSY
2Артикул: 230104-00647B, BUCKET SUB ASS`Y-2.01mВі(H.D)
3Артикул: 230104-00647C, BUCKET SUB ASS`Y
Подробнее >
7261 FLOOR PLATE - ROPS [6252~]

7261 FLOOR PLATE - ROPS [6252~]

1Артикул: 250106-00726E, PLATE ASSY,FLOOR;ROPS
2Артикул: 250106-00726G, PLATE ASSY,FLOOR
3Артикул: 250106-00149N, PLATE,FLOOR;ROPS CRAWLER
Подробнее >
БАШМАК ГУСЕНИЦЫ В СБОРЕ - 850G

БАШМАК ГУСЕНИЦЫ В СБОРЕ - 850G

1Артикул: 200106-00130, SHOE ASSY,TRACK(850MM)
2Артикул: 200106-00142B, SHOE ASSY,TRACK
3Артикул: 200103-00067A, . LINK ASSY,TRACK
Подробнее >
ГИДРОСИСТЕМА СТРЕЛЫ - БЫСТРОУСТАНАВЛИВАЕМЫЙ ФИКСАТОР(СТРЕЛА 6.2 м)

ГИДРОСИСТЕМА СТРЕЛЫ - БЫСТРОУСТАНАВЛИВАЕМЫЙ ФИКСАТОР(СТРЕЛА 6.2 м)

1Артикул: 420212-06176, PIPING,BOOM,QUICK CLAMP
2Артикул: DS20531051, HOSE
3Артикул: DS2053835, HOSE
Подробнее >
ЧЕХОЛ КРЫШКИ

ЧЕХОЛ КРЫШКИ

1Артикул: 621-03732C, ROOF COVER ASSY
2Артикул: 621-03727B, COVER,ROOF
3Артикул: 123-00516B, LOCK ASSY
Подробнее >
6571 UNDER COVER - HEAVY DUTY [6252~]

6571 UNDER COVER - HEAVY DUTY [6252~]

1Артикул: 110513-00481, COVER ASSY,UNDER
2Артикул: 110513-00482B, COVER,UNDER;HD
3Артикул: 110513-00482C, COVER,UNDER;HD
Подробнее >
7080 SWING ALARM - ONE WAY [5950~6251]

7080 SWING ALARM - ONE WAY [5950~6251]

1Артикул: 420212-10248, PIPING,PILOT
2Артикул: 549-00010, SWITCH,PRESSURE
3Артикул: S8000111, O-RING
Подробнее >
7670 BUCKET ASSВґY - 1.92mВі - S CLASS

7670 BUCKET ASSВґY - 1.92mВі - S CLASS

1Артикул: 230104-02139, BUCKET ASSY;1.92M3
2Артикул: 230104-02139A, BUCKET ASSY;1.92M3 R2S
3Артикул: 230104-02571, BUCKET ASSY;1.92M3 R2S
Подробнее >
БАШМАК ГУСЕНИЦЫ В СБОРЕ - 700G

БАШМАК ГУСЕНИЦЫ В СБОРЕ - 700G

1Артикул: 200106-00126, SHOE ASSY,TRACK(700MM)
2Артикул: 200106-00140B, SHOE ASSY,TRACK
3Артикул: 200103-00067A, . LINK ASSY,TRACK
Подробнее >
7600 BUCKET ASSВґY - 1.44mВі - H CLASS

7600 BUCKET ASSВґY - 1.44mВі - H CLASS

1Артикул: 230104-01888A, BUCKET ASSY;1.44M3 R2H
2Артикул: 230104-01888B, BUCKET ASSY
3Артикул: 230104-02497, BUCKET ASSY;1.44M3 R2H
Подробнее >
ТРУБОПРОВОД СЕРВОУПРАВЛЕНИЯ - 2 ПУТИ(2)

ТРУБОПРОВОД СЕРВОУПРАВЛЕНИЯ - 2 ПУТИ(2)

1Артикул: 420212-07859, PILOT PIPING-TWO WAY
2Артикул: K1017382A, PEDAL VALVE
3Артикул: 195-01683A, BRACKET,PEDAL(R.H)
Подробнее >
6680 BUCKET - 1.83mВі

6680 BUCKET - 1.83mВі

1Артикул: 230104-00624, BUCKET ASSY
2Артикул: 230104-00625A, BUCKET;SUB ASSY(1.83M3)
3Артикул: 230104-00625B, BUCKET ASSY;1.83M3
Подробнее >
КАБИНА(1) - СИСТЕМА ЗАЩИТЫ ПРИ ОПРОКИДЫВАНИИ

КАБИНА(1) - СИСТЕМА ЗАЩИТЫ ПРИ ОПРОКИДЫВАНИИ

1Артикул: 220101-01147E, CABIN ASSY
2Артикул: 220101-01147G, CABIN ASSY
3Артикул: 220101-01147H, CABIN ASSY
Подробнее >
ГЛАВНАЯ МАГИСТРАЛЬ - 2 НАСОСА

ГЛАВНАЯ МАГИСТРАЛЬ - 2 НАСОСА

1Артикул: 420212-04818, PIPING,MAIN;TWO PUMP
2Артикул: 410137-00082, VALVE,STOP
3Артикул: K1010007, BRACKET
Подробнее >
7690 TMS - CELLULAR & SATELLITE(V1.5) [6168~]

7690 TMS - CELLULAR & SATELLITE(V1.5) [6168~]

1Артикул: 300619-03342, ELECTRIC ASSY,TMS1.5
2Артикул: 300619-03139, ELECTRIC ASSY;TMS1.5
3Артикул: 300611-00902, . CONTROLLER;TMS1.5
Подробнее >
7086 FUEL PIPING - DUAL PRE FILTER [6225~]

7086 FUEL PIPING - DUAL PRE FILTER [6225~]

1Артикул: 420212-14349, PIPING,FUEL
2Артикул: 240304-00017B, SEPARATOR,WATER
3Артикул: 240304-00016C, SEPARATOR,WATER
Подробнее >
7720 BUCKET ASSВґY - 1.61mВі - G CLASS

7720 BUCKET ASSВґY - 1.61mВі - G CLASS

1Артикул: 230104-02124, BUCKET ASSY
2Артикул: -, BUCKET,WELD
3Артикул: 430203-00036, . ADAPTER,TOOTH
Подробнее >
СТЕКЛООЧИСТИТЕЛЬ НИЖНЕГО СТЕКЛА - СИСТЕМА ЗАЩИТЫ ПРИ ОПРОКИДЫВАНИИ

СТЕКЛООЧИСТИТЕЛЬ НИЖНЕГО СТЕКЛА - СИСТЕМА ЗАЩИТЫ ПРИ ОПРОКИДЫВАНИИ

1Артикул: 300619-00680, ELECTRIC ASS`Y
2Артикул: 549-00101, SWITCH
3Артикул: 301401-00022, ACTUATOR,SWITCH
Подробнее >
СТЕКЛООЧИСТИТЕЛЬ НИЖНЕГО СТЕКЛА

СТЕКЛООЧИСТИТЕЛЬ НИЖНЕГО СТЕКЛА

1Артикул: 300619-00782, ELECTRIC ASSY
2Артикул: 538-00012, MOTOR,WIPER
3Артикул: 426-00282, VALVE
Подробнее >
ТРУБОПРОВОД СМАЗОЧНОЙ СИСТЕМЫ - СТРЕЛА 6.2 м

ТРУБОПРОВОД СМАЗОЧНОЙ СИСТЕМЫ - СТРЕЛА 6.2 м

1Артикул: 420212-06179, PIPING,BOOM LUBRICATION
2Артикул: K1039643, PIPE
3Артикул: K1039644, PIPE
Подробнее >
КАБИНА(4) - СИСТЕМА ЗАЩИТЫ ПРИ ОПРОКИДЫВАНИИ

КАБИНА(4) - СИСТЕМА ЗАЩИТЫ ПРИ ОПРОКИДЫВАНИИ

1Артикул: 220101-01147E, CABIN ASSY
2Артикул: 220101-01147G, CABIN ASSY
3Артикул: 220101-01147H, CABIN ASSY
Подробнее >
6660 BUCKET - 1.25mВі

6660 BUCKET - 1.25mВі

1Артикул: 230104-00618, BUCKET ASSY
2Артикул: 230104-00619A, BUCKET;SUB ASSY(1.25M3)
3Артикул: 230104-00619B, BUCKET;SUB ASSY(1.25M3)
Подробнее >
6570 UNDER COVER - HEAVY DUTY [5950~6251]

6570 UNDER COVER - HEAVY DUTY [5950~6251]

1Артикул: 110513-00481, COVER ASSY,UNDER
2Артикул: 110513-00482A, COVER,UNDER;HD
3Артикул: 110513-00483, COVER,UNDER;HD
Подробнее >
РАБОЧАЯ ФАРА(2-ЛАМПЫ) - СИСТЕМА ЗАЩИТЫ ПРИ ОПРОКИДЫВАНИИ

РАБОЧАЯ ФАРА(2-ЛАМПЫ) - СИСТЕМА ЗАЩИТЫ ПРИ ОПРОКИДЫВАНИИ

1Артикул: 300619-00075A, LAMP ASSY
2Артикул: K1055454, LAMP,HEAD
3Артикул: 2515-1016D4, . BULB,HALOGEN
Подробнее >
7770 TMS - CELLULAR & ROPS(V2.0)

7770 TMS - CELLULAR & ROPS(V2.0)

1Артикул: 300619-04505, ELECTRIC ASSY,TMS2.0
2Артикул: 2120-2166D6, BOLT
3Артикул: 2114-1898D3, WASHER
Подробнее >
РЕШЕТКА СТЕКЛА - СИСТЕМА ЗАЩИТЫ ПРИ ОПРОКИДЫВАНИИ

РЕШЕТКА СТЕКЛА - СИСТЕМА ЗАЩИТЫ ПРИ ОПРОКИДЫВАНИИ

1Артикул: 110921-00054, GUARD ASS`Y;FRONT
2Артикул: 110921-00055, GUARD;FRONT WINDOW
3Артикул: 110921-00056, GUARD;FRONT WINDOW
Подробнее >
7083 SWING ALARM - TWO WAY [5950~]

7083 SWING ALARM - TWO WAY [5950~]

1Артикул: 420212-11389, PIPING,PILOT
2Артикул: 549-00010, SWITCH,PRESSURE
3Артикул: 301413-00340, SWITCH,OIL PRESSURE
Подробнее >
ТОПЛИВНЫЙ ФИЛЬТР - С ПОДОГРЕВАТЕЛЬНОЙ ЧАШЕЙ

ТОПЛИВНЫЙ ФИЛЬТР - С ПОДОГРЕВАТЕЛЬНОЙ ЧАШЕЙ

1Артикул: 420212-05870, FUEL FILTER;BOWL HEATER
2Артикул: 400403-00074, FILTER,FUEL;WITH SENSOR
3Артикул: 400403-00205, FILTER,FUEL;SENSOR
Подробнее >
РАБОЧАЯ ФАРА(2-ЛАМПЫ) - СИСТЕМА ЗАЩИТЫ ПРИ ОПРОКИДЫВАНИИ

РАБОЧАЯ ФАРА(2-ЛАМПЫ) - СИСТЕМА ЗАЩИТЫ ПРИ ОПРОКИДЫВАНИИ

1Артикул: 300619-02726, LAMP ASSY,WORKING;6 LAMP
2Артикул: K1055454, LAMP,HEAD
3Артикул: 2515-1016D4, . BULB,HALOGEN
Подробнее >
7470 ROTATING BEACON - WITH GUARD(ROPS)

7470 ROTATING BEACON - WITH GUARD(ROPS)

1Артикул: 300619-00083A, ROTATING BEACON ASSY
2Артикул: 310207-02571, HARNESS
3Артикул: S0508653, BOLT M8X1.25X16
Подробнее >
ГЛАВНАЯ МАГИСТРАЛЬ - БЫСТРАЯ ПОСАДКА

ГЛАВНАЯ МАГИСТРАЛЬ - БЫСТРАЯ ПОСАДКА

1Артикул: 420212-00699, MAIN PIPING-QUICK FIT
2Артикул: 426-00287B, VALVE,QUICK-FIT
3Артикул: 410135-00109, . VALVE,SOLENOID
Подробнее >
6940 BOOM PIPING - ONE & TWO WAY(BOOM 6.2m)

6940 BOOM PIPING - ONE & TWO WAY(BOOM 6.2m)

1Артикул: 420212-06172, PIPING,BOOM,ONE & TWO WAY
2Артикул: 420207-01740, PIPE
3Артикул: 420207-01741, PIPE
Подробнее >
ТРУБОПРОВОД СМАЗОЧНОЙ СИСТЕМЫ -РУКОЯТЬ 3.95 м

ТРУБОПРОВОД СМАЗОЧНОЙ СИСТЕМЫ -РУКОЯТЬ 3.95 м

1Артикул: 420212-02336, PIPING,ARM;LUBRICATION
2Артикул: DS2094035, HOSE
3Артикул: DS2059596, HOSE
Подробнее >
7710 BUCKET ASSВґY - 1.49mВі - G CLASS

7710 BUCKET ASSВґY - 1.49mВі - G CLASS

1Артикул: 230104-02122, BUCKET ASSY
2Артикул: -, BUCKET,WELD
3Артикул: 430203-00036, . ADAPTER,TOOTH
Подробнее >
ГЕНЕРАТОР ПЕРЕМЕННОГО ТОКА - 80A

ГЕНЕРАТОР ПЕРЕМЕННОГО ТОКА - 80A

1Артикул: 300901-00040, ALTERNATOR ASSY
2Артикул: 300901-00033, ALTERNATOR
3Артикул: 130707-00042, . PULLEY,ALTERNATOR
Подробнее >
7730 BUCKET ASSВґY - 1.83mВі - G CLASS

7730 BUCKET ASSВґY - 1.83mВі - G CLASS

1Артикул: 230104-02126, BUCKET ASSY
2Артикул: -, BUCKET,WELD
3Артикул: 430203-00036, . ADAPTER,TOOTH
Подробнее >
КАБИНА С НИЗКИМ ЗАЩИТНЫМ ОГРАЖДЕНИЯ - СИСТЕМА ЗАЩИТЫ ПРИ ОПРОКИДЫВАНИИ

КАБИНА С НИЗКИМ ЗАЩИТНЫМ ОГРАЖДЕНИЯ - СИСТЕМА ЗАЩИТЫ ПРИ ОПРОКИДЫВАНИИ

1Артикул: 110921-00053, GUARD ASS`Y;LOWER
2Артикул: 110921-00055, GUARD;FRONT WINDOW
3Артикул: 2114-1898D17, WASHER
Подробнее >
КРОНШТЕЙН ПРОБЛЕСКОВОГО МАЯЧКА

КРОНШТЕЙН ПРОБЛЕСКОВОГО МАЯЧКА

1Артикул: 300619-02752, BEACON ASSY
2Артикул: 195-02909A, BRACKET
3Артикул: 2114-1898D1, WASHER
Подробнее >
РАБОЧАЯ ФАРА - ЗАДНИЙ

РАБОЧАЯ ФАРА - ЗАДНИЙ

1Артикул: K1009404, WORKING LAMP-REAR
2Артикул: 300619-04496, WORKING;REAR LAMP
3Артикул: 530-00431, HARNESS;REAR LAMP
Подробнее >
ПОДСТАВКА ДЛЯ НОГ - ЛЕВОСТОРОННИЙ(СИСТЕМА ЗАЩИТЫ ПРИ ОПРОКИДЫВАНИИ)

ПОДСТАВКА ДЛЯ НОГ - ЛЕВОСТОРОННИЙ(СИСТЕМА ЗАЩИТЫ ПРИ ОПРОКИДЫВАНИИ)

1Артикул: 220107-00005, REST,FOOT(L.H)
2Артикул: 220107-00004, REST,FOOT;BRACKET(LH)
3Артикул: 2120-2166D1, BOLT
Подробнее >
ЗАЩИТА ОТ ДОЖДЯ - СИСТЕМА ЗАЩИТЫ ПРИ ОПРОКИДЫВАНИИ

ЗАЩИТА ОТ ДОЖДЯ - СИСТЕМА ЗАЩИТЫ ПРИ ОПРОКИДЫВАНИИ

1Артикул: 102202-00002A, SHIELD ASSY,RAIN
2Артикул: 102202-00001, SHIELD,RAIN
3Артикул: 110420-00008, BRACKET,RAIN SHIELD(R.H)
Подробнее >
РАБОЧАЯ ФАРА(4-ЛАМПЫ)

РАБОЧАЯ ФАРА(4-ЛАМПЫ)

1Артикул: K1009403A, WORKING LAMP ASS`Y
2Артикул: 300619-02746A, WORKING LAMP
3Артикул: 195-02910C, BRACKET
Подробнее >
ТРУБОПРОВОД СЕРВОУПРАВЛЕНИЯ - ГИДРОЗАМОК СТРЕЛЫ

ТРУБОПРОВОД СЕРВОУПРАВЛЕНИЯ - ГИДРОЗАМОК СТРЕЛЫ

1Артикул: K1005975B, PILOT PIPING-BOOM LOCK V/V
2Артикул: 420212-14043, PIPING,PILOT;BOOM LOCK VALVE
3Артикул: DS2093223, HOSE
Подробнее >
7750 SUN VISOR [6252~]

7750 SUN VISOR [6252~]

1Артикул: 220208-00052, SUNVISOR ASSY
2Артикул: 220208-00001B, SUNVISOR
3Артикул: S3450983, SCREW
Подробнее >
ПРОБЛЕСКОВЫЙ МАЯЧОК - С ПРОТИВОТУМАННЫМИ ФАРАМИ

ПРОБЛЕСКОВЫЙ МАЯЧОК - С ПРОТИВОТУМАННЫМИ ФАРАМИ

1Артикул: 300705-00014C, BEACON ASSY
2Артикул: 131002-00085A, BUSHING ASSY
3Артикул: S5102503, WASHER
Подробнее >
БЫСТРОУСТАНАВЛИВАЕМЫЙ ФИКСАТОР ВКЛЮЧАТЕЛЯ - СИСТЕМА ЗАЩИТЫ ПРИ ОПРОКИДЫВАНИИ

БЫСТРОУСТАНАВЛИВАЕМЫЙ ФИКСАТОР ВКЛЮЧАТЕЛЯ - СИСТЕМА ЗАЩИТЫ ПРИ ОПРОКИДЫВАНИИ

1Артикул: 300619-00089, ELECTRIC ASSY
2Артикул: 549-00092, SWITCH
3Артикул: 530-00432A, HARNESS,JOINT
Подробнее >
ПОДСТАВКА ДЛЯ НОГ - ПРАВОСТОРОННИЙ(СИСТЕМА ЗАЩИТЫ ПРИ ОПРОКИДЫВАНИИ)

ПОДСТАВКА ДЛЯ НОГ - ПРАВОСТОРОННИЙ(СИСТЕМА ЗАЩИТЫ ПРИ ОПРОКИДЫВАНИИ)

1Артикул: 220107-00006, REST,FOOT(R.H)
2Артикул: 220107-00003, REST,FOOT;BRACKET(RH)
3Артикул: 2120-2166D1, BOLT
Подробнее >
7085 FUEL PIPING - DUAL PRE FILTER [5950~6224]

7085 FUEL PIPING - DUAL PRE FILTER [5950~6224]

1Артикул: 420212-12717, PIPING,FUEL
2Артикул: 110413-00167, BRACKET,FUEL FILTER;PRE
3Артикул: K1013251, SEPARATOR;WATER
Подробнее >
6740 ROCK BUCKET - 1.28mВі(HEAVY DUTY)

6740 ROCK BUCKET - 1.28mВі(HEAVY DUTY)

1Артикул: 230104-00627, BUCKET ASSY
2Артикул: 230104-00628B, BUCKET ASSY;1.28M3 ROCK
3Артикул: 230104-00628C, BUCKET ASSY;1.28M3 ROCK
Подробнее >
7120 SEAT BASE - ROPS

7120 SEAT BASE - ROPS

1Артикул: 160102-00008, BASE ASS`Y,SEAT
2Артикул: 220204-00096A, COVER ASS`Y,SEAT BASE
3Артикул: 2120-2166D52, BOLT
Подробнее >
ВЕНТИЛЯЦИЯ - СИСТЕМА ЗАЩИТЫ ПРИ ОПРОКИДЫВАНИИ

ВЕНТИЛЯЦИЯ - СИСТЕМА ЗАЩИТЫ ПРИ ОПРОКИДЫВАНИИ

1Артикул: 440213-00582, VENTILATION ASSY;ROPS
2Артикул: 440213-00582A, VENTILATION ASSY;ROPS
3Артикул: 440213-00582B, VENTILATION ASSY;ROPS
Подробнее >
ГИДРОСИСТЕМА СТРЕЛЫ - 6.2 м

ГИДРОСИСТЕМА СТРЕЛЫ - 6.2 м

1Артикул: 420212-06170, PIPING,BOOM;(6.2M)
2Артикул: 420207-00274, PIPE
3Артикул: 420207-00275, PIPE
Подробнее >
КАМЕРА ЗАДНЕГО ВИДА

КАМЕРА ЗАДНЕГО ВИДА

1Артикул: 300619-01556, REAR VIEW CAMERA
2Артикул: 300619-01556A, ELECTRIC ASSY;REAR VIEW CAMERA
3Артикул: K1044160A, COVER
Подробнее >
ГИДРОСИСТЕМА РУКОЯТИ - ВРАЩАЮЩИЙСЯ (РУКОЯТЬ 2.6 м)

ГИДРОСИСТЕМА РУКОЯТИ - ВРАЩАЮЩИЙСЯ (РУКОЯТЬ 2.6 м)

1Артикул: 420212-02352, PIPING,ARM;ROTATION
2Артикул: 420207-00529, PIPE
3Артикул: DS2013518, HOSE
Подробнее >
ТРУБОПРОВОД СЕРВОУПРАВЛЕНИЯ - СИСТЕМА ЗАЩИТЫ ПРИ ОПРОКИДЫВАНИИ

ТРУБОПРОВОД СЕРВОУПРАВЛЕНИЯ - СИСТЕМА ЗАЩИТЫ ПРИ ОПРОКИДЫВАНИИ

1Артикул: 420212-02835C, PIPING,PILOT
2Артикул: 420212-02835E, PIPING,CABIN;ROPS
3Артикул: 410113-00043B, VALVE,JOYSTICK(L.H)
Подробнее >
КАБИНА(2) - СИСТЕМА ЗАЩИТЫ ПРИ ОПРОКИДЫВАНИИ

КАБИНА(2) - СИСТЕМА ЗАЩИТЫ ПРИ ОПРОКИДЫВАНИИ

1Артикул: 220101-01147E, CABIN ASSY
2Артикул: 220101-01147G, CABIN ASSY
3Артикул: 220101-01147H, CABIN ASSY
Подробнее >
КОВРИК НА ПОЛУ КУЗОВА - ОДНА ПЕДАЛЬ(ПРАВОСТОРОННИЙ)(СИСТЕМА ЗАЩИТЫ ПРИ ОПРОКИДЫВАНИИ)

КОВРИК НА ПОЛУ КУЗОВА - ОДНА ПЕДАЛЬ(ПРАВОСТОРОННИЙ)(СИСТЕМА ЗАЩИТЫ ПРИ ОПРОКИДЫВАНИИ)

1Артикул: 110935-00071, MAT,FLOOR;ONE PEDAL(R.H)
Подробнее >
7630 BUCKET ASS`Y - 2.03mВі - H CLASS

7630 BUCKET ASS`Y - 2.03mВі - H CLASS

1Артикул: 230104-02054, BUCKET ASSY;2.03M3 R2H
2Артикул: 230104-02054A, BUCKET ASSY
3Артикул: 230104-02501, BUCKET ASSY;2.03M3 R2H
Подробнее >
6170 BOOM PIPING - QUICK CLAMP

6170 BOOM PIPING - QUICK CLAMP

1Артикул: 420212-11601, BOOM PIPING(QUICK CLAMP)
2Артикул: DS2053937, HOSE
3Артикул: DS2053835, HOSE
Подробнее >
ТРУБОПРОВОД - С ФИЛЬТРОМ

ТРУБОПРОВОД - С ФИЛЬТРОМ

1Артикул: K1006587C, BREAKER FILTER;ONE WAY
2Артикул: 400406-00789, FILTER ASSY,BREAKER
3Артикул: DS2011330, HOSE
Подробнее >
ТРУБОПРОВОД СЕРВОУПРАВЛЕНИЯ - КЛАПАН ЗАМКА РУКОЯТИ

ТРУБОПРОВОД СЕРВОУПРАВЛЕНИЯ - КЛАПАН ЗАМКА РУКОЯТИ

1Артикул: K1009235, PILOT PIPING-ARM LOCK V/V
2Артикул: DS2093222, HOSE
3Артикул: DS2092010, HOSE
Подробнее >
КРЫШКА - НЕ В ТРОПИЧЕСКИХ УСЛОВИЯХ

КРЫШКА - НЕ В ТРОПИЧЕСКИХ УСЛОВИЯХ

1Артикул: 110501-00122A, BONNET ASSY
Подробнее >
7620 BUCKET ASS`Y - 1.81mВі - H CLASS

7620 BUCKET ASS`Y - 1.81mВі - H CLASS

1Артикул: 230104-02052, BUCKET ASSY;1.81M3 R2H
2Артикул: 230104-02052A, BUCKET ASSY
3Артикул: 230104-02453, BUCKET ASSY;1.81M3 R2H
Подробнее >
7790 TMS - CELLULAR & SATELLITE(V2.0)

7790 TMS - CELLULAR & SATELLITE(V2.0)

1Артикул: 300619-04506, ELECTRIC ASSY,TMS2.0
2Артикул: 2120-2166D6, BOLT
3Артикул: 2114-1898D3, WASHER
Подробнее >
6500 RAIN SHIELD & LAMP MOUNTING

6500 RAIN SHIELD & LAMP MOUNTING

1Артикул: 534-00117B, RAIN SHIELD & LAMP ASS`Y
2Артикул: 159-00294C, COVER;RAIN SHIELD
3Артикул: 162-00040A, STRIP;WEATHER(1000mm)
Подробнее >
ЭЛЕКТРИЧЕСКИЕ ЗАПЧАСТИ - БЫСТРОУСТАНАВЛИВАЕМЫЙ ФИКСАТОР

ЭЛЕКТРИЧЕСКИЕ ЗАПЧАСТИ - БЫСТРОУСТАНАВЛИВАЕМЫЙ ФИКСАТОР

1Артикул: K1009450, ELECTRIC PARTS
2Артикул: 549-00092, SWITCH
3Артикул: 530-00432A, HARNESS,JOINT
Подробнее >
ПРЕДОХРАНИТЕЛЬ ГУСЕНИЦЫ - FULL(ИНДИЯ)

ПРЕДОХРАНИТЕЛЬ ГУСЕНИЦЫ - FULL(ИНДИЯ)

1Артикул: 200112-00077, GUARD,TRACK
2Артикул: 200112-00029A, GUARD,TRACK LINK
3Артикул: 200112-00029B, GUARD,TRACK
Подробнее >
РУКОЯТЬ - 3.95 м

РУКОЯТЬ - 3.95 м

1Артикул: 230201-00188, ARM ASSY
2Артикул: 230204-00100G, ARM,MACHINE;3.95M
3Артикул: 230204-00100H, ARM,MACHINING;3.95M
Подробнее >
6980 BUCKET ASS`Y - 2.09mВі(72`) - SIDE PIN

6980 BUCKET ASS`Y - 2.09mВі(72`) - SIDE PIN

1Артикул: 230104-00808, BUCKET ASSY
2Артикул: 230104-00809C, BUCKET;SUB ASS`Y (72`)
3Артикул: 230104-00809E, BUCKET ASSY;72``
Подробнее >
6260 ARM PIPING - ROTATION(ARM 3.2m)

6260 ARM PIPING - ROTATION(ARM 3.2m)

1Артикул: 420212-06289, PIPING,ARM-ROTATING
2Артикул: 420207-01672, PIPE
3Артикул: DS2013596, HOSE
Подробнее >
СИГНАЛИЗАЦИЯ О ПЕРЕГРУЗКЕ

СИГНАЛИЗАЦИЯ О ПЕРЕГРУЗКЕ

1Артикул: K1009445A, OVERLOAD WARNING
2Артикул: 549-00102, SWITCH
3Артикул: K1002406D4, ACTUATOR
Подробнее >
7260 FLOOR PLATE - ROPS [5950~6251]

7260 FLOOR PLATE - ROPS [5950~6251]

1Артикул: 250106-00152H, PLATE ASSY,FLOOR;ROPS
2Артикул: 250106-00726, PLATE ASSY,FLOOR;ROPS
3Артикул: 250106-00726A, PLATE ASSY,FLOOR;ROPS
Подробнее >
ПОДВЕСКА - СИСТЕМА ЗАЩИТЫ ПРИ ОПРОКИДЫВАНИИ

ПОДВЕСКА - СИСТЕМА ЗАЩИТЫ ПРИ ОПРОКИДЫВАНИИ

1Артикул: 190112-00001C, SUSPENSION ASSY
2Артикул: 190112-00009B, SUSPENSION,SEAT
3Артикул: 430205-00011, . BELLOWS
Подробнее >
ТРУБОПРОВОД СЕРВОУПРАВЛЕНИЯ - 2 НАСОСА

ТРУБОПРОВОД СЕРВОУПРАВЛЕНИЯ - 2 НАСОСА

1Артикул: 420212-10371, PIPING,PILOT;TWO PUMP
2Артикул: 420212-00824, PIPING,PILOT;TWO PUMP
3Артикул: 426-00246A, VALVE,SOLENOID
Подробнее >
6630 ARM PIPING - ONE & TWO WAY(ARM 2.6m)

6630 ARM PIPING - ONE & TWO WAY(ARM 2.6m)

1Артикул: 420212-01940, ARM PIPING,ONE & TWO WAY
2Артикул: DS2039194, HOSE
3Артикул: 2180-1026D23, O-RING
Подробнее >
2 ТРУБОПРОВОДА - С ФИЛЬТРОМ

2 ТРУБОПРОВОДА - С ФИЛЬТРОМ

1Артикул: K1006390C, BREAKER FILTER;TWO WAY
2Артикул: DS2011330, HOSE
3Артикул: DS2013838, HOSE
Подробнее >
ВКЛЮЧАТЕЛЬ - 2 НАСОСА

ВКЛЮЧАТЕЛЬ - 2 НАСОСА

1Артикул: K1013374, ELECTRIC(TWO PUMP)
2Артикул: 549-00101, SWITCH
3Артикул: K1002406D22, ACTUATOR,SWITCH
Подробнее >
СТРЕЛА - 6.2 м

СТРЕЛА - 6.2 м

1Артикул: 230207-00181, BOOM ASSY;6.2m
2Артикул: 230211-00124E, BOOM 6.2m
3Артикул: 230211-00124G, BOOM,MACHINING;6.2M
Подробнее >
6421 TRACK FRAME(3m) - FULL GUARD [6251~]

6421 TRACK FRAME(3m) - FULL GUARD [6251~]

1Артикул: 200112-00020, GUARD ASSY,TRACK;FULL,3M
2Артикул: 200112-00203, GUARD,TRACK;FULL,REAR
3Артикул: 200112-00204, GUARD,TRACK;FULL,REAR
Подробнее >
СТРЕЛА - 6.5 м(ОСОБО ПРОЧНЫЙ)

СТРЕЛА - 6.5 м(ОСОБО ПРОЧНЫЙ)

1Артикул: 230207-00143, BOOM ASSY;6.5m
2Артикул: 230211-00131C, BOOM ASS`Y;6.5m HD
3Артикул: 230211-00131K, BOOM,MACHINE;6.5M HD
Подробнее >
6320 FLOOR MAT - TWO WAY OR OEP(ROTATING)

6320 FLOOR MAT - TWO WAY OR OEP(ROTATING)

1Артикул: 110935-00277A, MAT,FLOOR
Подробнее >
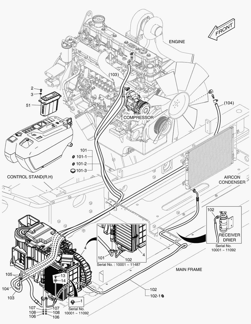
КОНДИЦИОНЕР - СИСТЕМА ЗАЩИТЫ ПРИ ОПРОКИДЫВАНИИ

КОНДИЦИОНЕР - СИСТЕМА ЗАЩИТЫ ПРИ ОПРОКИДЫВАНИИ

1Артикул: 440205-00033, CONDITIONER,AIR
2Артикул: 440205-00033A, CONDITIONER,AIR
3Артикул: 440205-00033C, CONDITIONER,AIR
Подробнее >
РАБОЧАЯ ФАРА(4-ЛАМПЫ)

РАБОЧАЯ ФАРА(4-ЛАМПЫ)

1Артикул: 300619-02748, LAMP ASSY,WORKING
2Артикул: 534-00085, LAMP
3Артикул: 2515-1016D4, . BULB,HALOGEN
Подробнее >
7500 TELESCOPIC BEACON - WITH LAMP(ROPS)

7500 TELESCOPIC BEACON - WITH LAMP(ROPS)

1Артикул: 300619-00084B, TELESCOPIC BEACON ASSY
2Артикул: 195-01805, SUPPORT
3Артикул: 2114-1898D2, WASHER
Подробнее >
6420 TRACK FRAME(3m) - FULL GUARD [5950~6250]

6420 TRACK FRAME(3m) - FULL GUARD [5950~6250]

1Артикул: 200112-00034, GUARD,TRACK;FULL(3.0M)
2Артикул: K1008761, GUARD;TRACK(R.H)-REAR
3Артикул: K1008762, GUARD;TRACK(L.H)-REAR
Подробнее >
УСТАНОВКА КАБИНЫ - СИСТЕМА ЗАЩИТЫ ПРИ ОПРОКИДЫВАНИИ

УСТАНОВКА КАБИНЫ - СИСТЕМА ЗАЩИТЫ ПРИ ОПРОКИДЫВАНИИ

1Артикул: 180204-00044E, RUBBER,CABIN MOUNT
2Артикул: 180204-00002A, RUBBER
3Артикул: S0512366, BOLT
Подробнее >
7800 TMS - CELLULAR & SATELLITE & ROPS(V2.0)

7800 TMS - CELLULAR & SATELLITE & ROPS(V2.0)

1Артикул: 300619-04506, ELECTRIC ASSY,TMS2.0
2Артикул: 2120-2166D6, BOLT
3Артикул: 2114-1898D3, WASHER
Подробнее >
7650 MUFFLER - FOR BRASIL

7650 MUFFLER - FOR BRASIL

1Артикул: 240103-00805, MUFFLER ASSY;BRASIL
2Артикул: 240103-00772, MUFFLER ASSY
3Артикул: 240103-00704A, . MUFFLER
Подробнее >
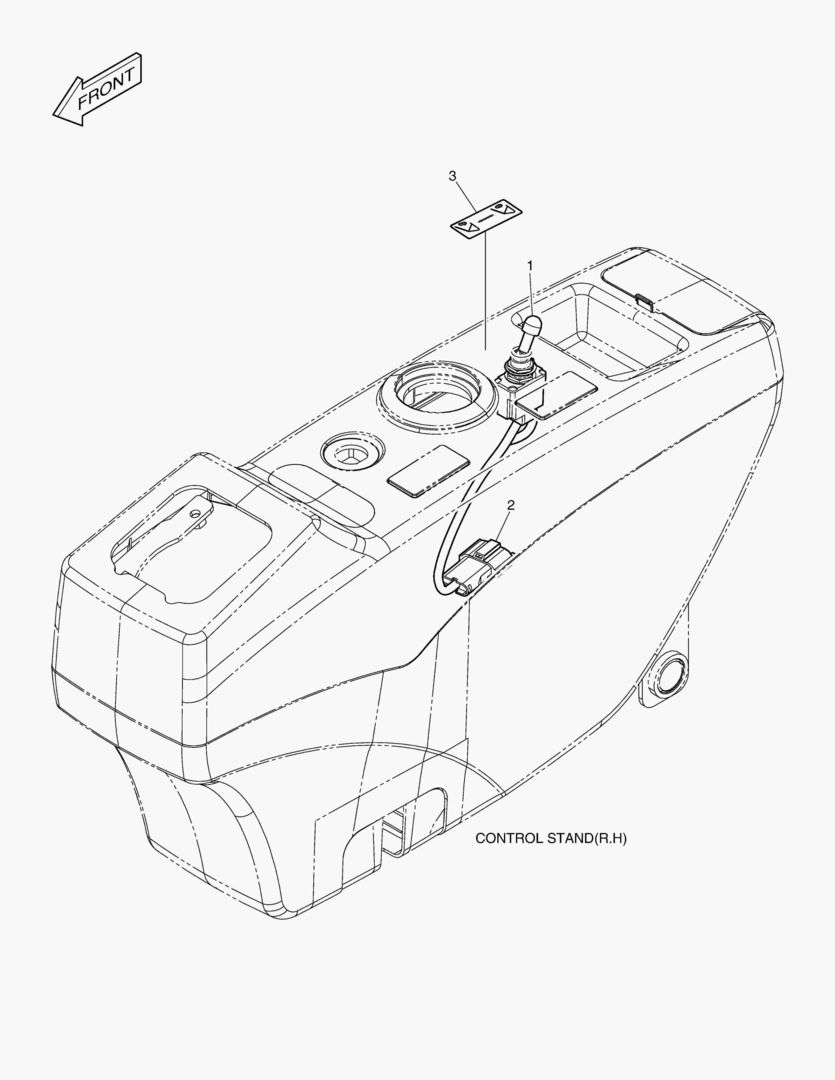
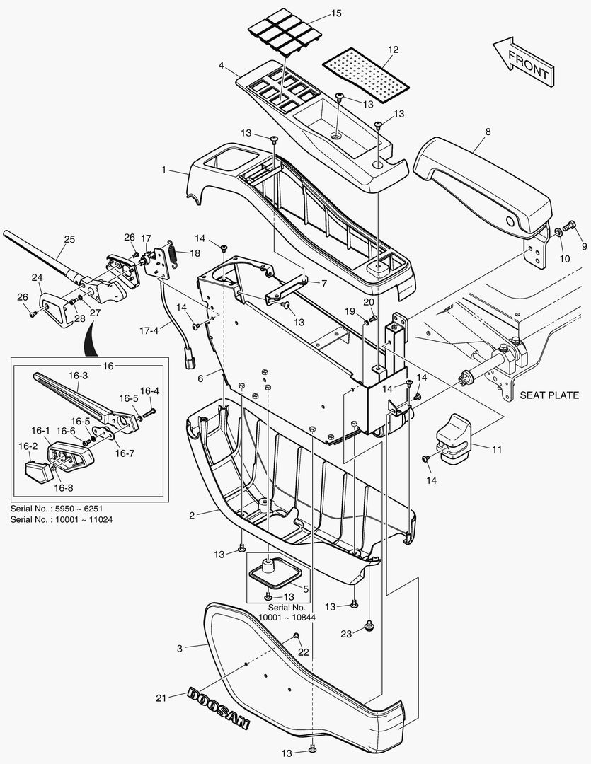
ПУЛЬТ УПРАВЛЕНИЯ - ЛЕВОСТОРОННИЙ(СИСТЕМА ЗАЩИТЫ ПРИ ОПРОКИДЫВАНИИ)

ПУЛЬТ УПРАВЛЕНИЯ - ЛЕВОСТОРОННИЙ(СИСТЕМА ЗАЩИТЫ ПРИ ОПРОКИДЫВАНИИ)

1Артикул: 220111-00047H, STAND ASSY,CONTROL(L.H)
2Артикул: 220111-00047K, STAND ASSY,CONTROL(L.H)
3Артикул: 220111-00047L, STAND ASSY,CONTROL
Подробнее >
6710 BUCKET ASS`Y - 1.65mВі(54`) - SIDE PIN

6710 BUCKET ASS`Y - 1.65mВі(54`) - SIDE PIN

1Артикул: 230104-00638, BUCKET ASSY
2Артикул: 230104-00639B, BUCKET SUB ASS`Y-1.65mВі(H.D)
3Артикул: 230104-00639C, BUCKET SUB ASS`Y
Подробнее >
СИГНАЛ ЗАДНЕГО ХОДА - СИСТЕМА ЗАЩИТЫ ПРИ ОПРОКИДЫВАНИИ

СИГНАЛ ЗАДНЕГО ХОДА - СИСТЕМА ЗАЩИТЫ ПРИ ОПРОКИДЫВАНИИ

1Артикул: 300619-00676A, ELECTRIC ASSY
2Артикул: 549-00103, SWITCH
3Артикул: 301401-00010, ACTUATOR,SWITCH
Подробнее >
РАБОЧАЯ ФАРА(2-ЛАМПЫ)

РАБОЧАЯ ФАРА(2-ЛАМПЫ)

1Артикул: 300619-02745, LAMP ASSY,WORKING
2Артикул: 534-00085, LAMP
3Артикул: 2515-1016D4, . BULB,HALOGEN
Подробнее >
7175 HEATER COVER - ROPS(DIESEL HEATER) [6252~]

7175 HEATER COVER - ROPS(DIESEL HEATER) [6252~]

1Артикул: 250120-00213A, PLATE ASSY,REAR
2Артикул: 250120-00214A, PLATE,REAR
3Артикул: 2120-2166D25, BOLT
Подробнее >
ЧЕХОЛ КРЫШКИ - ИЗ СТАЛИ(СИСТЕМА ЗАЩИТЫ ПРИ ОПРОКИДЫВАНИИ)

ЧЕХОЛ КРЫШКИ - ИЗ СТАЛИ(СИСТЕМА ЗАЩИТЫ ПРИ ОПРОКИДЫВАНИИ)

1Артикул: 220204-00048A, COVER ASSY,ROOF STEEL
2Артикул: 220204-00155, COVER,ROOF STEEL
3Артикул: 220204-00031A, COVER,ROOF STEEL INNER
Подробнее >
КОВРИК НА ПОЛУ КУЗОВА - 2 ПЕДАЛИ(СИСТЕМА ЗАЩИТЫ ПРИ ОПРОКИДЫВАНИИ)

КОВРИК НА ПОЛУ КУЗОВА - 2 ПЕДАЛИ(СИСТЕМА ЗАЩИТЫ ПРИ ОПРОКИДЫВАНИИ)

1Артикул: 110935-00073, MAT,FLOOR;TWO PEDAL
Подробнее >
ТРУБОПРОВОД СЕРВОУПРАВЛЕНИЯ(1) - ВРАЩАЮЩИЙСЯ

ТРУБОПРОВОД СЕРВОУПРАВЛЕНИЯ(1) - ВРАЩАЮЩИЙСЯ

1Артикул: K1005787E, PILOT PIPING-ROTATING
2Артикул: 426-00247B, VALVE,SOLENOID
3Артикул: K9007363, . SPOOL,SOLENOID
Подробнее >
7680 TMS(NA) - CELLULAR & SATELLITE(V1.5) [6168~]

7680 TMS(NA) - CELLULAR & SATELLITE(V1.5) [6168~]

1Артикул: 300619-03341, ELECTRIC ASSY,TMS1.5
2Артикул: 300619-03138, ELECTRIC ASSY
3Артикул: 300611-00901, . CONTROLLER
Подробнее >
7830 BUCKET ASS`Y - 1.71mВі - X CLASS

7830 BUCKET ASS`Y - 1.71mВі - X CLASS

1Артикул: 230104-02985, BUCKET ASSY;1.71M3
2Артикул: -, BUCKET,1.71M3
3Артикул: 430203-00037, . ADAPTER,TOOTH
Подробнее >
ИЗМЕНЕНИЯ РЕЖИМА ТРУБОПРОВОДА(2)

ИЗМЕНЕНИЯ РЕЖИМА ТРУБОПРОВОДА(2)

1Артикул: K1016899, PATTERN CHANGE PIPING
2Артикул: DS2095030, HOSE
3Артикул: DS2095029, HOSE
Подробнее >
ПОВОРОТНЫЙ СИГНАЛ

ПОВОРОТНЫЙ СИГНАЛ

1Артикул: 420212-00266, PIPING,PILOT;ONE & TWO WAY
2Артикул: 549-00010, SWITCH,PRESSURE
3Артикул: S8000111, O-RING
Подробнее >
ВКЛЮЧАТЕЛЬ - 2 НАСОСА(СИСТЕМА ЗАЩИТЫ ПРИ ОПРОКИДЫВАНИИ)

ВКЛЮЧАТЕЛЬ - 2 НАСОСА(СИСТЕМА ЗАЩИТЫ ПРИ ОПРОКИДЫВАНИИ)

1Артикул: 300619-00681, ELECTRIC ASSY;TWO PUMP
2Артикул: 549-00101, SWITCH
3Артикул: 301401-00019, ACTUATOR,SWITCH
Подробнее >
КРЫШКА ОБОГРЕВАТЕЛЯ - СИСТЕМА ЗАЩИТЫ ПРИ ОПРОКИДЫВАНИИ

КРЫШКА ОБОГРЕВАТЕЛЯ - СИСТЕМА ЗАЩИТЫ ПРИ ОПРОКИДЫВАНИИ

1Артикул: 220204-00290B, COVER ASSY,CABIN;REAR
2Артикул: 220204-00290G, COVER ASSY,CABIN;REAR
3Артикул: 220204-00290H, COVER ASSY,REAR
Подробнее >
ГЛАВНАЯ МАГИСТРАЛЬ - ВРАЩАЮЩИЙСЯ

ГЛАВНАЯ МАГИСТРАЛЬ - ВРАЩАЮЩИЙСЯ

1Артикул: 420212-04794, PIPING,MAIN;ROTATING
2Артикул: 426-00284B, VALVE,ONE SPOOL
3Артикул: K1006400B, BRACKET
Подробнее >
ПРОБЛЕСКОВЫЙ МАЯЧОК(ТЕЛЕСКОПИЧЕСКИЙ ПОГРУЗЧИК)

ПРОБЛЕСКОВЫЙ МАЯЧОК(ТЕЛЕСКОПИЧЕСКИЙ ПОГРУЗЧИК)

1Артикул: K1009422A, TELESCOPIC BEACON
2Артикул: 300619-02754A, TELESCOPIC BEACON ASSY
3Артикул: 195-02910C, BRACKET
Подробнее >
6385 PILOT PIPING - TWO PUMP(ONE or TWO WAY) [5950~]

6385 PILOT PIPING - TWO PUMP(ONE or TWO WAY) [5950~]

1Артикул: 420212-11388, PIPING,PILOT,2 WAY,W/ TWO PUMP
2Артикул: 430216-00006, JOINT PLATE SUB ASSY
3Артикул: K1000354, . PLATE
Подробнее >
7082 SWING ALARM - NON TWO WAY [6252~]

7082 SWING ALARM - NON TWO WAY [6252~]

1Артикул: 420212-11372, PIPING,PILOT
2Артикул: 301413-00340, SWITCH,OIL PRESSURE
3Артикул: S8000111, O-RING
Подробнее >
РУКОЯТЬ - 3.2 м(ОСОБО ПРОЧНЫЙ)

РУКОЯТЬ - 3.2 м(ОСОБО ПРОЧНЫЙ)

1Артикул: 230201-00414, ARM ASSY;3.2M
2Артикул: 230204-00350, ARM,MACHINE
3Артикул: 230204-00350A, ARM,MACHINING;3.2M HD
Подробнее >
ЭЛЕКТРОПРОВОДКА - СИСТЕМА ЗАЩИТЫ ПРИ ОПРОКИДЫВАНИИ

ЭЛЕКТРОПРОВОДКА - СИСТЕМА ЗАЩИТЫ ПРИ ОПРОКИДЫВАНИИ

1Артикул: 300619-02818, WIRING GROUP,ELECTRIC
2Артикул: 310207-03554, HARNESS,MAIN;ROPS
3Артикул: 310207-03554A, HARNESS,MAIN;ROPS
Подробнее >
ЭЛЕКТРИЧЕСКИЕ ЗАПЧАСТИ - КАБИНА(СИСТЕМА ЗАЩИТЫ ПРИ ОПРОКИДЫВАНИИ)

ЭЛЕКТРИЧЕСКИЕ ЗАПЧАСТИ - КАБИНА(СИСТЕМА ЗАЩИТЫ ПРИ ОПРОКИДЫВАНИИ)

1Артикул: 300619-02810C, ELECTRIC ASSY;ROPS
2Артикул: 300619-02810E, ELECTRIC ASSY,CABIN
3Артикул: 300619-02810G, ELECTRIC ASSY;ROPS
Подробнее >
ЗАЩИТНЫЙ КОРПУС ПРОТИВОТУМАННЫХ ФАР - СИСТЕМА ЗАЩИТЫ ПРИ ОПРОКИДЫВАНИИ

ЗАЩИТНЫЙ КОРПУС ПРОТИВОТУМАННЫХ ФАР - СИСТЕМА ЗАЩИТЫ ПРИ ОПРОКИДЫВАНИИ

1Артикул: 110921-00008H, GUARD ASSY;OPG
2Артикул: 110921-00008L, GUARD ASSY
3Артикул: 110921-00003G, GUARD ASSY;OPG(TOP)
Подробнее >
БАШМАК ГУСЕНИЦЫ В СБОРЕ - 800G

БАШМАК ГУСЕНИЦЫ В СБОРЕ - 800G

1Артикул: 200106-00127, SHOE ASSY,TRACK(800MM)
2Артикул: 200106-00141B, SHOE ASSY,TRACK;800MM
3Артикул: 200103-00067A, . LINK ASSY,TRACK
Подробнее >