+7 (701) 588 50 05 Телефон для связи
RU

WhatsApp

Позвонить

60 ОПЦИОННЫЕ ЗАПЧАСТИ в Алматы

ТРУБОПРОВОД - СТРЕЛА С ИЗМЕНЯЕМОЙ ГЕОМЕТРИЕЙ

ТРУБОПРОВОД - СТРЕЛА С ИЗМЕНЯЕМОЙ ГЕОМЕТРИЕЙ

1Артикул: 420212-07260, PIPING,MAIN
2Артикул: DS20111494, HOSE ASSY,HYDRAULIC
3Артикул: DS20111163, HOSE ASSY,HYDRAULIC
Подробнее >
КОВРИК НА ПОЛУ КУЗОВА - ОДНА ПЕДАЛЬ

КОВРИК НА ПОЛУ КУЗОВА - ОДНА ПЕДАЛЬ

1Артикул: 110935-00047A, MAT,FLOOR
2Артикул: 110935-00047B, MAT,FLOOR;PEDAL(R.H)
3Артикул: 110935-00047C, MAT,FLOOR;PEDAL(R.H)
Подробнее >
ТРУБОПРОВОД ХОДА-КОРОТКИЙ

ТРУБОПРОВОД ХОДА-КОРОТКИЙ

1Артикул: 420212-05740, PIPING,UNDERCARRIAGE
2Артикул: 2181-9081, FLANGE
3Артикул: DS7604004, BUSHING;RUBBER
Подробнее >
7350 BUCKET ASSВґY - 0.31mВі - H CLASS

7350 BUCKET ASSВґY - 0.31mВі - H CLASS

1Артикул: 230104-01856A, BUCKET ASSY;0.31M3 R2H
2Артикул: 230104-01856B, BUCKET ASSY;0.31M3 R2H
3Артикул: 230104-02545, BUCKET ASSY
Подробнее >
2 ТРУБОПРОВОДА - С ФИЛЬТРОМ

2 ТРУБОПРОВОДА - С ФИЛЬТРОМ

1Артикул: 420212-05737, PIPING,BREAKER FILTER;2 WAY
2Артикул: 471-00114, FILTER,BREAKER
3Артикул: 474-00046, . ELEMENT,BREAKER FILTER
Подробнее >
2 ТРУБОПРОВОДА - СТРЕЛА С ИЗМЕНЯЕМОЙ ГЕОМЕТРИЕЙ

2 ТРУБОПРОВОДА - СТРЕЛА С ИЗМЕНЯЕМОЙ ГЕОМЕТРИЕЙ

1Артикул: 420212-07261, PIPING,MAIN(TWO WAY)
2Артикул: DS20111494, HOSE ASSY,HYDRAULIC
3Артикул: 250127-00427B, PLATE,MOUNTING(L.H)
Подробнее >
ГЛАВНАЯ МАГИСТРАЛЬ - СТРЕЛА ПЛАВАЮЩЕГО ТИПА

ГЛАВНАЯ МАГИСТРАЛЬ - СТРЕЛА ПЛАВАЮЩЕГО ТИПА

1Артикул: 420212-05693, PIPING,MAIN;BOOM FLOATING
2Артикул: 110406-00530B, BRACKET
3Артикул: 2181-2627D1, ADAPTER
Подробнее >
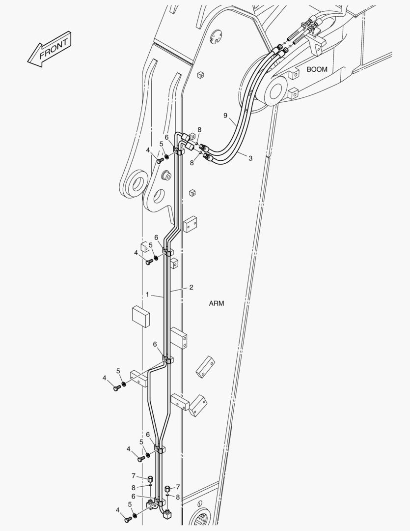
6210 ARM PIPING - ONE & TWO WAY(ARM 2.5m)

6210 ARM PIPING - ONE & TWO WAY(ARM 2.5m)

1Артикул: 420212-06690, PIPING,ARM;1&2 WAY
2Артикул: 420212-02413, PIPING,ARM(1&2 WAY)
3Артикул: 420207-01837, PIPE ASSY,HYDRAULIC
Подробнее >
ТРУБОПРОВОД СТРЕЛЫ С ИЗМЕНЯЕМОЙ ГЕОМЕТРИЕЙ - БЫСТРАЯ ПОСАДКА

ТРУБОПРОВОД СТРЕЛЫ С ИЗМЕНЯЕМОЙ ГЕОМЕТРИЕЙ - БЫСТРАЯ ПОСАДКА

1Артикул: 420212-02453, PIPING,ARTI BOOM;QUICK FIT
2Артикул: DS20111024, HOSE
3Артикул: DS20111866, HOSE
Подробнее >
СИГНАЛИЗАЦИЯ О ПЕРЕГРУЗКЕ

СИГНАЛИЗАЦИЯ О ПЕРЕГРУЗКЕ

1Артикул: 300619-00864, ELECTRIC ASSY
2Артикул: 2547-9045, SENSOR;PRESSURE
3Артикул: K1048145, SENSOR,PRESSURE
Подробнее >
7390 BUCKET ASSВґY - 0.67mВі - H CLASS

7390 BUCKET ASSВґY - 0.67mВі - H CLASS

1Артикул: 230104-01864A, BUCKET ASSY;0.67M3 R2H
2Артикул: 230104-01864B, BUCKET ASSY;0.67M3 R2H
3Артикул: 230104-02551, BUCKET ASSY
Подробнее >
7510 BUCKET ASSВґY - 0.51mВі - G CLASS

7510 BUCKET ASSВґY - 0.51mВі - G CLASS

1Артикул: 230104-02081, BUCKET ASSY
2Артикул: -, BUCKET,WELD
3Артикул: 430203-00022, . ADAPTER,TOOTH
Подробнее >
ЗАЩИТА ОТ ДОЖДЯ

ЗАЩИТА ОТ ДОЖДЯ

1Артикул: 102202-00002A, SHIELD ASSY,RAIN
2Артикул: 102202-00001, SHIELD,RAIN
3Артикул: 110420-00008, BRACKET,RAIN SHIELD(R.H)
Подробнее >
ТРУБОПРОВОД - С ФИЛЬТРОМ

ТРУБОПРОВОД - С ФИЛЬТРОМ

1Артикул: 420212-05731, PIPING,BREAKER FILTER;1 WAY
2Артикул: 471-00114, FILTER,BREAKER
3Артикул: 474-00046, . ELEMENT,BREAKER FILTER
Подробнее >
ГИДРОСИСТЕМА РУКОЯТИ - ГРЕЙФЕРНЫЙ КОВШ(РУКОЯТЬ 2.1 м)

ГИДРОСИСТЕМА РУКОЯТИ - ГРЕЙФЕРНЫЙ КОВШ(РУКОЯТЬ 2.1 м)

1Артикул: 420212-06688, PIPING,ARM;CLAMSHELL
2Артикул: S2212066, BOLT;SOCKET M10X1.5X25
3Артикул: DS2040970, HOSE
Подробнее >
ТРУБОПРОВОД СЕРВОУПРАВЛЕНИЯ - ШАРНИРНАЯ СТРЕЛА

ТРУБОПРОВОД СЕРВОУПРАВЛЕНИЯ - ШАРНИРНАЯ СТРЕЛА

1Артикул: 420212-05754B, PIPING,PILOT
2Артикул: DS2121286, HOSE
3Артикул: DS2121222, HOSE
Подробнее >
МОНТАЖ ДИЗЕЛЬНОГО НАГРЕВАТЕЛЯ

МОНТАЖ ДИЗЕЛЬНОГО НАГРЕВАТЕЛЯ

1Артикул: 440207-00092, HEATER ASSY;DIESEL
2Артикул: 440207-00082A, HEATER,DIESEL
3Артикул: 110411-00095, BRACKET,DIESEL HEATER
Подробнее >
7400 BUCKET ASSВґY - 0.74mВі - H CLASS

7400 BUCKET ASSВґY - 0.74mВі - H CLASS

1Артикул: 230104-01866A, BUCKET ASSY;0.74M3 R2H
2Артикул: 230104-01866B, BUCKET ASSY;0.74M3 R2H
3Артикул: 230104-02553, BUCKET ASSY;0.74M3 R2H
Подробнее >
ГЛАВНАЯ МАГИСТРАЛЬ - ДВА ПУТИ

ГЛАВНАЯ МАГИСТРАЛЬ - ДВА ПУТИ

1Артикул: 420212-05676, PIPING,MAIN;TWO WAY
2Артикул: 410127-00142, VALVE,RELIEF;PROPORTIONAL
3Артикул: 410127-00233, VALVE,RELIEF
Подробнее >
6840 WINDOW GUARD

6840 WINDOW GUARD

1Артикул: 110921-00054, GUARD ASS`Y;FRONT
2Артикул: 110921-00055, GUARD;FRONT WINDOW
3Артикул: 110921-00056, GUARD;FRONT WINDOW
Подробнее >
7050 BUCKET ASS`Y - 0.44гЋҐ (33`) - SIDE PIN

7050 BUCKET ASS`Y - 0.44гЋҐ (33`) - SIDE PIN

1Артикул: 230104-01209, BUCKET ASS`Y-0.44гЋҐ
2Артикул: 230104-01209A, BUCKET ASS`Y-0.44гЋҐ
3Артикул: 230104-01209B, BUCKET ASS`Y
Подробнее >
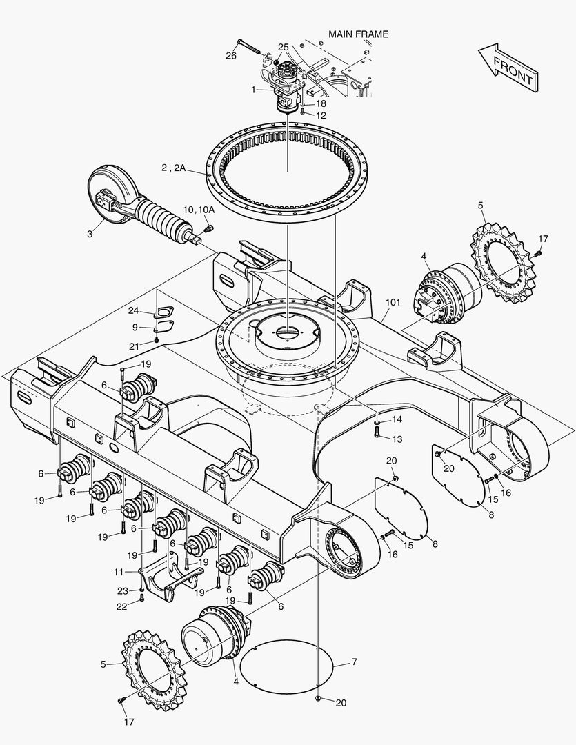
РАМА ГУСЕНИЦЫ-КОРОТКАЯ

РАМА ГУСЕНИЦЫ-КОРОТКАЯ

1Артикул: 160617-00155B, FRAME,TRACK;SHORT
2Артикул: 160617-00155C, FRAME,TRACK;SHORT
3Артикул: 160617-00155E, FRAME,TRACK;SHORT
Подробнее >
ТРУБОПРОВОД ШАРНИРНОЙ СТРЕЛЫ - ГИДРОЗАМОК(РУКОЯТЬ)

ТРУБОПРОВОД ШАРНИРНОЙ СТРЕЛЫ - ГИДРОЗАМОК(РУКОЯТЬ)

1Артикул: 420212-07225, PIPING,ARTI BOOM;ARM LOCK
2Артикул: 400305-00074B, CYLINDER,ARM(LOCK VALVE)
3Артикул: 400305-00074C, CYLINDER,ARM;LOCK VALVE
Подробнее >
ГИДРОЗАМОК ТРУБОПРОВОДА РУКОЯТИ - СТРЕЛА 4.6 м

ГИДРОЗАМОК ТРУБОПРОВОДА РУКОЯТИ - СТРЕЛА 4.6 м

1Артикул: 420212-03289, PIPING,BOOM;ARM LOCK
2Артикул: 400305-00108B, CYLINDER,ARM;LOCK V/V
3Артикул: 400305-00108C, CYLINDER,ARM
Подробнее >
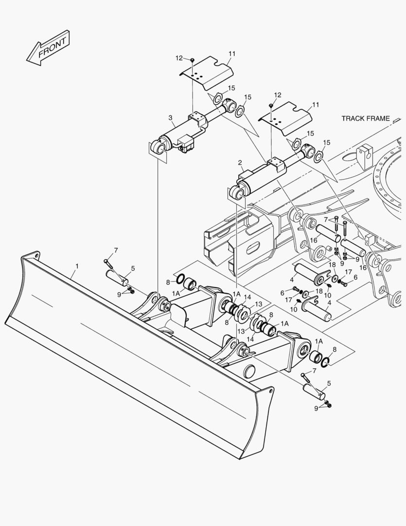
БУЛЬДОЗЕРНЫЙ ОТВАЛ - 2490 мм

БУЛЬДОЗЕРНЫЙ ОТВАЛ - 2490 мм

1Артикул: 230102-00026, BLADE ASSY,DOZER;(2490MM)
2Артикул: K1027142A, BLADE;DOZER(2490mm)
3Артикул: 110-00021, . BUSH
Подробнее >
ГИДРОСИСТЕМА РУКОЯТИ - ГРЕЙФЕРНЫЙ КОВШ(РУКОЯТЬ 3.0 м)

ГИДРОСИСТЕМА РУКОЯТИ - ГРЕЙФЕРНЫЙ КОВШ(РУКОЯТЬ 3.0 м)

1Артикул: 420212-03632, PIPING,ARM;CLAMSHELL
2Артикул: S2212066, BOLT;SOCKET M10X1.5X25
3Артикул: S8030121, O-RING
Подробнее >
ЧЕХОЛ КРЫШКИ - ИЗ СТАЛИ

ЧЕХОЛ КРЫШКИ - ИЗ СТАЛИ

1Артикул: 220204-00048A, COVER ASSY,ROOF STEEL
2Артикул: 220204-00155, COVER,ROOF STEEL
3Артикул: 220204-00031A, COVER,ROOF STEEL INNER
Подробнее >
СТЕКЛООЧИСТИТЕЛЬ НИЖНЕГО СТЕКЛА

СТЕКЛООЧИСТИТЕЛЬ НИЖНЕГО СТЕКЛА

1Артикул: 300619-00782, ELECTRIC ASSY
2Артикул: 538-00012, MOTOR,WIPER
3Артикул: 426-00282, VALVE
Подробнее >
ТРУБОПРОВОД ШАРНИРНОЙ СТРЕЛЫ - ГИДРОЗАМОК СТРЕЛЫ

ТРУБОПРОВОД ШАРНИРНОЙ СТРЕЛЫ - ГИДРОЗАМОК СТРЕЛЫ

1Артикул: 420212-03426, PIPING,ARTI BOOM;BOOM LOCK
2Артикул: 400309-00175B, CYLINDER,BOOM;LOCK V/V(L.H)
3Артикул: 400309-00175C, CYLINDER,BOOM
Подробнее >
6135 ADDITIONAL WATER SEPARATOR ASS`Y [1367~]

6135 ADDITIONAL WATER SEPARATOR ASS`Y [1367~]

1Артикул: 420212-14287, PIPING,FUEL
2Артикул: 240304-00016C, SEPARATOR,WATER
3Артикул: 400612-00083, . GASKET
Подробнее >
ГЛАВНАЯ МАГИСТРАЛЬ - 2 НАСОСА

ГЛАВНАЯ МАГИСТРАЛЬ - 2 НАСОСА

1Артикул: 420212-05687, PIPING,MAIN;TWO PUMP
2Артикул: 410111-00005, VALVE;STOP(TWO PUMP)
3Артикул: 410111-00005A, VALVE,STOP
Подробнее >
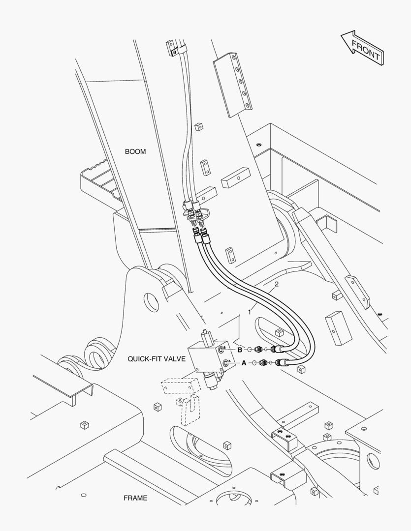
ГЛАВНАЯ МАГИСТРАЛЬ - БЫСТРАЯ ПОСАДКА

ГЛАВНАЯ МАГИСТРАЛЬ - БЫСТРАЯ ПОСАДКА

1Артикул: 420212-05684, PIPING,MAIN;QUICK CLAMP
2Артикул: K1054772, VALVE;QUICK-FIT
3Артикул: 410111-00142, VALVE;QUICK-FIT
Подробнее >
ТРУБОПРОВОД СЕРВОУПРАВЛЕНИЯ - 2 НАСОСА

ТРУБОПРОВОД СЕРВОУПРАВЛЕНИЯ - 2 НАСОСА

1Артикул: 420212-05722, PIPING,PILOT;TWO PUMP
2Артикул: DS2120045, HOSE ASSY,HYDRAULIC
3Артикул: DS2119220, HOSE
Подробнее >
7360 BUCKET ASSВґY - 0.42mВі - H CLASS

7360 BUCKET ASSВґY - 0.42mВі - H CLASS

1Артикул: 230104-01858A, BUCKET ASSY;0.42M3 R2H
2Артикул: 230104-01858B, BUCKET ASSY;0.42M3 R2H
3Артикул: 230104-02547, BUCKET ASSY
Подробнее >
МАЯЧОК ТЕЛЕСКОПА

МАЯЧОК ТЕЛЕСКОПА

1Артикул: 300619-00085A, TELESCOPIC BEACON ASSY
2Артикул: 300619-00085C, TELESCOPIC BEACON ASSY;NOT 6LAMP
3Артикул: 110429-00002C, BRACKET
Подробнее >
7420 TRACK SHOE ASS`Y - 700G(DX160LC-3)

7420 TRACK SHOE ASS`Y - 700G(DX160LC-3)

1Артикул: 200106-00240, SHOE ASSY,TRACK
2Артикул: 200106-00245, TRACK SHOE ASS`Y 700G
3Артикул: 200103-00103, . TRACK LINK ASS`Y
Подробнее >
7380 BUCKET ASSВґY - 0.60mВі - H CLASS

7380 BUCKET ASSВґY - 0.60mВі - H CLASS

1Артикул: 230104-01862A, BUCKET ASSY;0.60M3 R2H
2Артикул: 230104-01862B, BUCKET ASSY;0.60M3 R2H
3Артикул: 230104-02466, BUCKET ASSY
Подробнее >
МАЯЧОК ТЕЛЕСКОПА(С ЛАМПОЙ)

МАЯЧОК ТЕЛЕСКОПА(С ЛАМПОЙ)

1Артикул: 300619-00084B, TELESCOPIC BEACON ASSY
2Артикул: 195-01805, SUPPORT
3Артикул: 2114-1898D2, WASHER
Подробнее >
РУКОЯТЬ - 3.0 м

РУКОЯТЬ - 3.0 м

1Артикул: 230201-00244, ARM ASSY;(3.0M)
2Артикул: 230204-00126B, ARM ASSY;3.0M
3Артикул: 230204-00126E, ARM ASSY;3.0M
Подробнее >
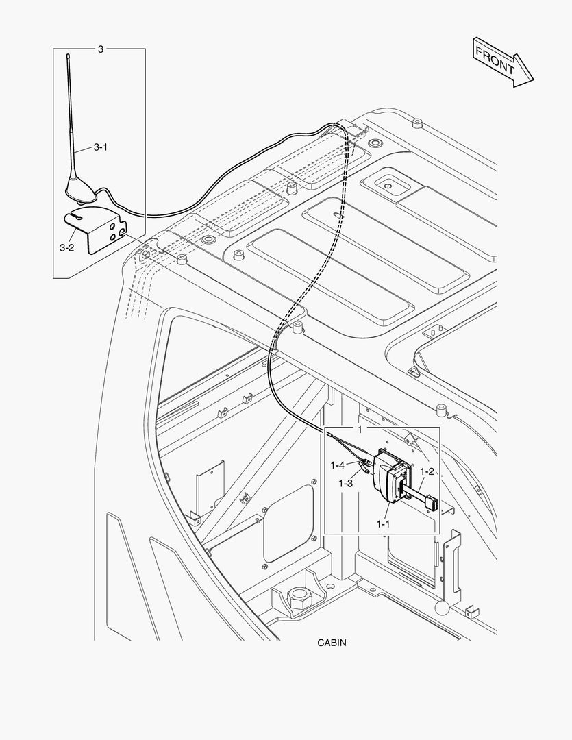
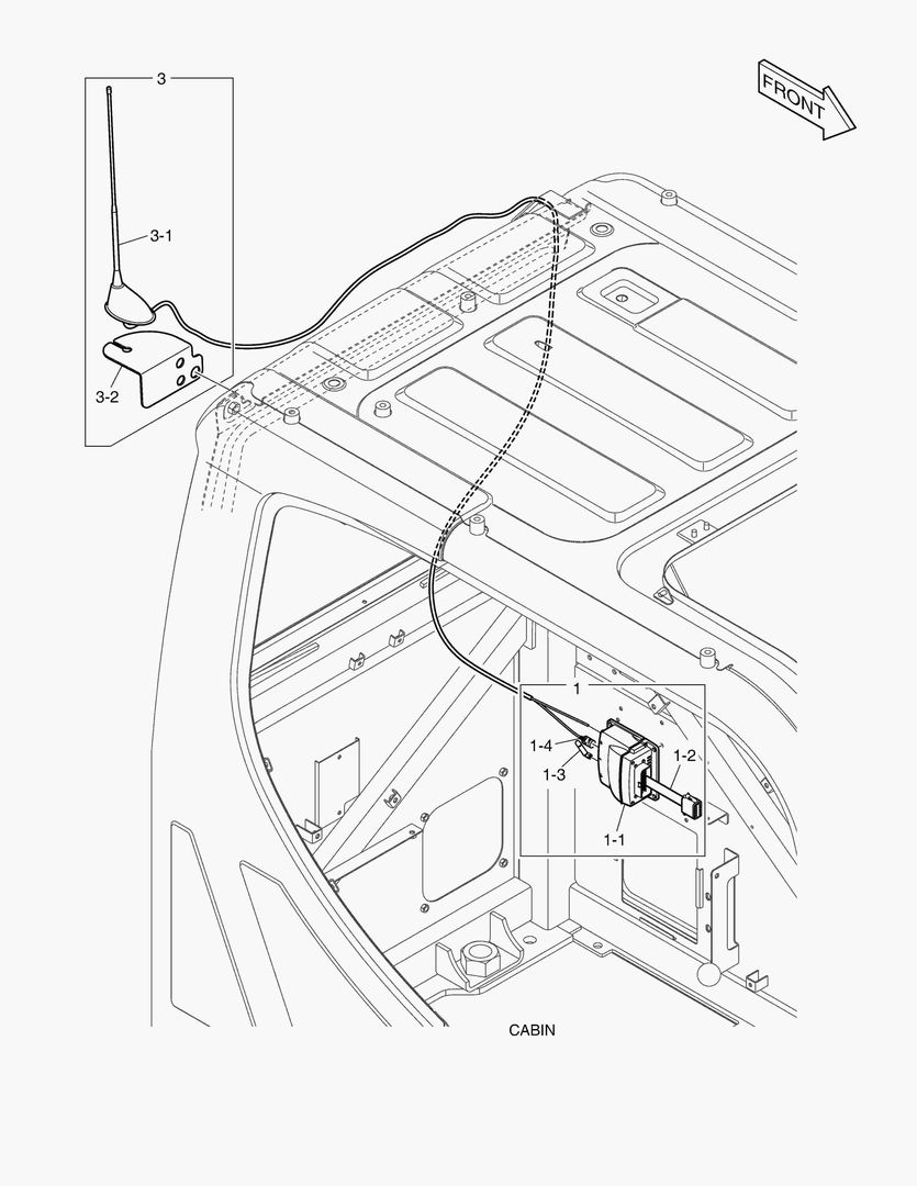
РАДИО

РАДИО

1Артикул: 300654-00043, STEREO,CAR;RADIO
2Артикул: 300654-00040, STEREO,CAR;HANDSFREE(24V)
Подробнее >
ТРУБОПРОВОД СЕРВОУПРАВЛЕНИЯ - 2 НАСОСА(2 ПУТИ)

ТРУБОПРОВОД СЕРВОУПРАВЛЕНИЯ - 2 НАСОСА(2 ПУТИ)

1Артикул: 420212-05715, PIPING,PILOT;TWO WAY&TWO PUMP
2Артикул: 410135-00235, VALVE,SOLENOID
3Артикул: 410135-00235A, VALVE,SOLENOID(5-SOL)
Подробнее >
6940 ARM PIPING - ONE & TWO WAY(ARM 3.0m)

6940 ARM PIPING - ONE & TWO WAY(ARM 3.0m)

1Артикул: 420212-03624, PIPING,ARM;1&2 WAY
2Артикул: 420207-00838A, PIPE ASSY,HYDRAULIC
3Артикул: 420207-00838B, PIPE ASSY,HYDRAULIC
Подробнее >
ТОПЛИВНЫЙ ФИЛЬТР - С ПОДОГРЕВАТЕЛЬНОЙ ЧАШЕЙ

ТОПЛИВНЫЙ ФИЛЬТР - С ПОДОГРЕВАТЕЛЬНОЙ ЧАШЕЙ

1Артикул: 420212-06695, PIPING,FUEL;WITH BOWL HEATER
2Артикул: 400403-00072, FILTER,FUEL
3Артикул: 400403-00170, FILTER,FUEL
Подробнее >
ГЛАВНАЯ МАГИСТРАЛЬ - ШАРНИРНАЯ СТРЕЛА

ГЛАВНАЯ МАГИСТРАЛЬ - ШАРНИРНАЯ СТРЕЛА

1Артикул: 420212-05673, PIPING,MAIN;ARTI
2Артикул: K1025252, VALVE;SLOW RETURN
3Артикул: DS2415007, ADAPTER
Подробнее >
7550 TRACK SHOE ASS`Y - 500G(ADDED HOLE) [1309~]

7550 TRACK SHOE ASS`Y - 500G(ADDED HOLE) [1309~]

1Артикул: 200106-00589, SHOE ASSY,TRACK;500MM ADDED HOLES
2Артикул: 200106-00591, SHOE ASSY,TRACK;500MM,ADDED HOLES
3Артикул: 200103-00099, . LINK ASSY,TRACK
Подробнее >
РАБОЧАЯ ФАРА - ШАРНИРНАЯ СТРЕЛА

РАБОЧАЯ ФАРА - ШАРНИРНАЯ СТРЕЛА

1Артикул: 300619-01485, ELECTRIC ASSY
2Артикул: 301005-00132, LAMP,WORKING(HALOGEN)
3Артикул: 2515-1016D4, . BULB,HALOGEN
Подробнее >
6120 FUEL FILLER PUMP

6120 FUEL FILLER PUMP

1Артикул: 400909-00029, PUMP ASSY,FUEL FILLER
2Артикул: 401-00449, PUMP,FUEL TRANSFER
3Артикул: 2181-2755B, . ADAPTER
Подробнее >
ГИДРОСИСТЕМА РУКОЯТИ - ГРЕЙФЕРНЫЙ КОВШ РУКОЯТЬ 2.5 м

ГИДРОСИСТЕМА РУКОЯТИ - ГРЕЙФЕРНЫЙ КОВШ РУКОЯТЬ 2.5 м

1Артикул: 420212-06692, PIPING,ARM;CLAMSHELL
2Артикул: S2212066, BOLT;SOCKET M10X1.5X25
3Артикул: S8030121, O-RING
Подробнее >
КОВРИК НА ПОЛУ КУЗОВА - ШАРНИРНЫЙ + STT

КОВРИК НА ПОЛУ КУЗОВА - ШАРНИРНЫЙ + STT

1Артикул: 110935-00049A, MAT,FLOOR;(STRT & ARTI)
2Артикул: 110935-00049B, MAT,FLOOR;(STRT & ARTI)
3Артикул: 110935-00049C, MAT,FLOOR;(STRT & ARTI)
Подробнее >
ГЛАВНАЯ МАГИСТРАЛЬ - СТРЕЛА ПЛАВАЮЩЕГО ТИПА(ЗАМОК)

ГЛАВНАЯ МАГИСТРАЛЬ - СТРЕЛА ПЛАВАЮЩЕГО ТИПА(ЗАМОК)

1Артикул: 420212-05694, PIPING,MAIN;BOOM FLOATING(L/V)
2Артикул: 410111-00096, VALVE
3Артикул: 300715-00065, . COIL,SOLENOID
Подробнее >
ГИДРОСИСТЕМА РУКОЯТИ - РУКОЯТЬ 3.0 м

ГИДРОСИСТЕМА РУКОЯТИ - РУКОЯТЬ 3.0 м

1Артикул: 420212-03621, PIPING,ARM
2Артикул: 400310-00107B, CYLINDER,BUCKET
3Артикул: 400310-00107C, CYLINDER,BUCKET
Подробнее >
ПРОБЛЕСКОВЫЙ МАЯЧОК - ЗАЖИТА

ПРОБЛЕСКОВЫЙ МАЯЧОК - ЗАЖИТА

1Артикул: 300619-00082B, ROTATING BEACON ASSY
2Артикул: 300619-00082E, ROTATING BEACON ASSY
3Артикул: 131002-00085, BUSHING ASS`Y
Подробнее >
7490 BUCKET ASSВґY - 0.39mВі - G CLASS

7490 BUCKET ASSВґY - 0.39mВі - G CLASS

1Артикул: 230104-02077, BUCKET ASSY
2Артикул: -, BUCKET,WELD
3Артикул: 430203-00022, . ADAPTER,TOOTH
Подробнее >
ТРУБОПРОВОД СМАЗОЧНОЙ СИСТЕМЫ - ШАРНИРНАЯ СТРЕЛА

ТРУБОПРОВОД СМАЗОЧНОЙ СИСТЕМЫ - ШАРНИРНАЯ СТРЕЛА

1Артикул: 420212-02456, PIPING,ARTI BOOM;LUBRICATION
2Артикул: DS20531125, HOSE
3Артикул: DS20531126, HOSE
Подробнее >
7570 TMS - NA [1307~]

7570 TMS - NA [1307~]

1Артикул: 300619-03341, ELECTRIC ASSY,TMS1.5
2Артикул: 300619-03138, ELECTRIC ASSY
3Артикул: 300611-00901, . CONTROLLER
Подробнее >
РАМА ГУСЕНИЦЫ-КОРОТКАЯ(БУЛЬДОЗЕР)

РАМА ГУСЕНИЦЫ-КОРОТКАЯ(БУЛЬДОЗЕР)

1Артикул: 160617-00157B, FRAME,TRACK;SHORT(DOZER)
2Артикул: 160617-00157C, FRAME,TRACK;SHORT(DOZER)
3Артикул: 160617-00157G, FRAME,TRACK;SHORT(DOZER)
Подробнее >
РАБОЧАЯ ФАРА - 6 ЛАМПЫ

РАБОЧАЯ ФАРА - 6 ЛАМПЫ

1Артикул: 300619-00076A, LAMP ASSY,ADD WORKING
2Артикул: 300619-00076B, LAMP ASSY
3Артикул: 300619-00076C, LAMP ASSY
Подробнее >
7060 BUCKET ASS`Y - 0.48гЋҐ (36`) - SIDE PIN

7060 BUCKET ASS`Y - 0.48гЋҐ (36`) - SIDE PIN

1Артикул: 230104-01213, BUCKET ASS`Y-0.48гЋҐ
2Артикул: 230104-01213A, BUCKET ASS`Y-0.48гЋҐ
3Артикул: 230104-01213B, BUCKET ASS`Y
Подробнее >
6110 DIESEL HEATER

6110 DIESEL HEATER

1Артикул: 440207-00082A, HEATER,DIESEL
2Артикул: 440207-00019, HEATER,DIESEL
3Артикул: 400909-00056, PUMP,FUEL
Подробнее >
6880 ARM PIPING - ONE & TWO WAY(ARM 2.1m)

6880 ARM PIPING - ONE & TWO WAY(ARM 2.1m)

1Артикул: 420212-06686, PIPING,ARM;1&2 WAY
2Артикул: 420212-01882, PIPING,ARM;1&2 WAY
3Артикул: 420207-01837, PIPE ASSY,HYDRAULIC
Подробнее >
ТРУБОПРОВОД СЕРВОУПРАВЛЕНИЯ - ИЗМЕНЕНИЕ РЕЖИМА(2)

ТРУБОПРОВОД СЕРВОУПРАВЛЕНИЯ - ИЗМЕНЕНИЕ РЕЖИМА(2)

1Артикул: 420212-05749B, PIPING,PILOT
2Артикул: DS2113046, HOSE
3Артикул: DS2113052, HOSE
Подробнее >
6670 ALTERNATOR - 80A [1001~1060]

6670 ALTERNATOR - 80A [1001~1060]

1Артикул: 300619-00892, ELECTRIC ASSY;ALTERNATOR
2Артикул: 300901-00033, ALTERNATOR
3Артикул: 130707-00042, . PULLEY,ALTERNATOR
Подробнее >
2 ТРУБОПРОВОДА - С ФИЛЬТРОМ

2 ТРУБОПРОВОДА - С ФИЛЬТРОМ

1Артикул: 420212-05733, PIPING,BREAKER FILTER;2 WAY
2Артикул: 471-00114, FILTER,BREAKER
3Артикул: 474-00046, . ELEMENT,BREAKER FILTER
Подробнее >
7450 TRACK FRAME - NARROW(DX160LC-3)

7450 TRACK FRAME - NARROW(DX160LC-3)

1Артикул: 160617-00179C, FRAME,TRACK;NARROW
Подробнее >
ТРУБОПРОВОД БУЛЬДОЗЕРА

ТРУБОПРОВОД БУЛЬДОЗЕРА

1Артикул: 420212-05742, BLADE PIPING
2Артикул: 420207-01507, PIPE;BLADE DOWN
3Артикул: 420207-03137A, PIPE
Подробнее >
БУЛЬДОЗЕРНЫЙ ОТВАЛ - 2690 мм

БУЛЬДОЗЕРНЫЙ ОТВАЛ - 2690 мм

1Артикул: 230102-00028, BLADE ASSY,DOZER;(2690MM)
2Артикул: K1016403A, BLADE;DOZER(2690mm)
3Артикул: 110-00021, . BUSH
Подробнее >
ГИДРОСИСТЕМА СТРЕЛЫ-ГИДРОЗАМОК

ГИДРОСИСТЕМА СТРЕЛЫ-ГИДРОЗАМОК

1Артикул: 420212-03287, PIPING,BOOM;BOOM LOCK
2Артикул: 400309-00169B, CYLINDER,BOOM;LOCK V/V(L.H)
3Артикул: 400309-00169C, CYLINDER,BOOM
Подробнее >
ТРУБОПРОВОД СЕРВОУПРАВЛЕНИЯ - БУЛЬДОЗЕР(ШАРНИРНЫЙ)

ТРУБОПРОВОД СЕРВОУПРАВЛЕНИЯ - БУЛЬДОЗЕР(ШАРНИРНЫЙ)

1Артикул: 420212-05757B, PIPING,PILOT
2Артикул: DS2121270, HOSE ASSY,HYDRAULIC
3Артикул: DS2119214, HOSE
Подробнее >
7520 BUCKET ASSВґY - 0.59mВі - G CLASS

7520 BUCKET ASSВґY - 0.59mВі - G CLASS

1Артикул: 230104-02083, BUCKET ASSY
2Артикул: -, BUCKET,WELD
3Артикул: 430203-00022, . ADAPTER,TOOTH
Подробнее >
ЗАЩИТНОЕ ОГРАЖДЕНИЕ

ЗАЩИТНОЕ ОГРАЖДЕНИЕ

1Артикул: 101582-00736, RAIL,GUARD;W/T GUARD RAIL
2Артикул: 101582-00732, RAIL,GUARD
3Артикул: 101582-00734, RAIL,GUARD
Подробнее >
ТРУБОПРОВОД СЕРВОУПРАВЛЕНИЯ - ПРЯМОЙ ВАЛ ХОДА

ТРУБОПРОВОД СЕРВОУПРАВЛЕНИЯ - ПРЯМОЙ ВАЛ ХОДА

1Артикул: 420212-05745B, PIPING,PILOT
2Артикул: 410119-00006, VALVE,PEDAL
3Артикул: K1003947A, FOOT REST
Подробнее >
7370 BUCKET ASSВґY - 0.52mВі - H CLASS

7370 BUCKET ASSВґY - 0.52mВі - H CLASS

1Артикул: 230104-01860A, BUCKET ASSY;0.52M3 R2H
2Артикул: 230104-01860B, BUCKET ASSY;0.52M3 R2H
3Артикул: 230104-02549, BUCKET ASSY
Подробнее >
7340 BUCKET ASSВґY - 0.21mВі - H CLASS [1001~1464]

7340 BUCKET ASSВґY - 0.21mВі - H CLASS [1001~1464]

1Артикул: 230104-01854A, BUCKET ASSY;0.21M3 R2H
2Артикул: 230104-01854B, BUCKET ASSY;0.21M3 R2H
3Артикул: -, BUCKET,WELD;0.21M3 R2H
Подробнее >
РУКОЯТЬ - 2.1 м

РУКОЯТЬ - 2.1 м

1Артикул: 230201-00176, ARM ASSY
2Артикул: 230204-00092A, ARM,MACHINE;(2.1M)
3Артикул: 230204-00092B, ARM,MACHINE;(2.1M)
Подробнее >
БАШМАК ГУСЕНИЦЫ В СБОРЕ - 500G

БАШМАК ГУСЕНИЦЫ В СБОРЕ - 500G

1Артикул: 200106-00203, TRACK SHOE ASS`Y
2Артикул: 200106-00254, TRACK SHOE ASS`Y - 500G
3Артикул: 200103-00099, . LINK ASSY,TRACK
Подробнее >
РАМА ГУСЕНИЦЫ - БУЛЬДОЗЕР(ДЛИННЫЙ)

РАМА ГУСЕНИЦЫ - БУЛЬДОЗЕР(ДЛИННЫЙ)

1Артикул: 160617-00158B, FRAME,TRACK;LONG & DOZER
2Артикул: 160617-00158C, FRAME,TRACK;LONG & DOZER
3Артикул: 160617-00158G, FRAME,TRACK;LONG & DOZER
Подробнее >
7540 BUCKET ASSВґY - 0.76mВі - G CLASS

7540 BUCKET ASSВґY - 0.76mВі - G CLASS

1Артикул: 230104-02087, BUCKET ASSY
2Артикул: -, BUCKET,WELD
3Артикул: 430203-00022, . ADAPTER,TOOTH
Подробнее >
РАБОЧАЯ ФАРА - 2 ЛАМПЫ(КОЖУХ)

РАБОЧАЯ ФАРА - 2 ЛАМПЫ(КОЖУХ)

1Артикул: 300619-00077, LAMP ASS`Y,ADD WORKING
2Артикул: 300619-00077A, LAMP ASSY
3Артикул: K1055454, LAMP,HEAD
Подробнее >
ТРУБОПРОВОД СЕРВОУПРАВЛЕНИЯ-ГИДРОЗАМОК СТРЕЛЫ

ТРУБОПРОВОД СЕРВОУПРАВЛЕНИЯ-ГИДРОЗАМОК СТРЕЛЫ

1Артикул: 420212-05706, PIPING,PILOT;LOCK VALVE BOOM
2Артикул: DS2121251, HOSE
3Артикул: DS2121267, HOSE ASSY,HYDRAULIC
Подробнее >
12 В РАЗЪЕМ

12 В РАЗЪЕМ

1Артикул: 300619-00098A, ELECTRIC ASSY
2Артикул: 300612-00001A, CONVERTER,DC
3Артикул: S3450953, SCREW
Подробнее >
7430 TRACK SHOE ASS`Y - 800G(DX160LC-3)

7430 TRACK SHOE ASS`Y - 800G(DX160LC-3)

1Артикул: 200106-00241, SHOE ASSY,TRACK
2Артикул: 200106-00246, SHOE ASSY,TRACK;800G
3Артикул: 200103-00103, . TRACK LINK ASS`Y
Подробнее >
ГИДРОСИСТЕМА РУКОЯТИ - ВРАЩАЮЩИЙСЯ(РУКОЯТЬ 2.1 м)

ГИДРОСИСТЕМА РУКОЯТИ - ВРАЩАЮЩИЙСЯ(РУКОЯТЬ 2.1 м)

1Артикул: 420212-01885, PIPING,ARM(ROTATION)
2Артикул: 420207-00557B, PIPE
3Артикул: DS20132244, HOSE
Подробнее >
ТРУБОПРОВОД СЕРВОУПРАВЛЕНИЯ - ГИДРОЗАМОК(ШАРНИРНАЯ СТРЕЛА)

ТРУБОПРОВОД СЕРВОУПРАВЛЕНИЯ - ГИДРОЗАМОК(ШАРНИРНАЯ СТРЕЛА)

1Артикул: 420212-05707, PIPING,PILOT;LOCK VALVE ARTI
2Артикул: DS2120112, HOSE ASSY,HYDRAULIC
3Артикул: 181-00121D1, TEE
Подробнее >
7020 BUCKET - 0.64гЋҐ

7020 BUCKET - 0.64гЋҐ

1Артикул: 230104-01202, BUCKET ASS`Y-0.64гЋҐ
2Артикул: 230104-01202A, BUCKET ASSY
3Артикул: 230104-01203, BUCKET - 0.64гЋҐ
Подробнее >
ПОВОРОТНЫЙ СИГНАЛ

ПОВОРОТНЫЙ СИГНАЛ

1Артикул: 420212-07154, PIPING,PILOT
2Артикул: 430216-00157, JOINT ASSY;SHUTTLE VALVE
3Артикул: DS0301032, . NUT
Подробнее >
7320 CABIN - ROPS(NA)

7320 CABIN - ROPS(NA)

1Артикул: 220101-00492M, CABIN ASSY
2Артикул: 220101-00492N, CABIN ASSY
3Артикул: 220101-00492P, CABIN ASSY
Подробнее >
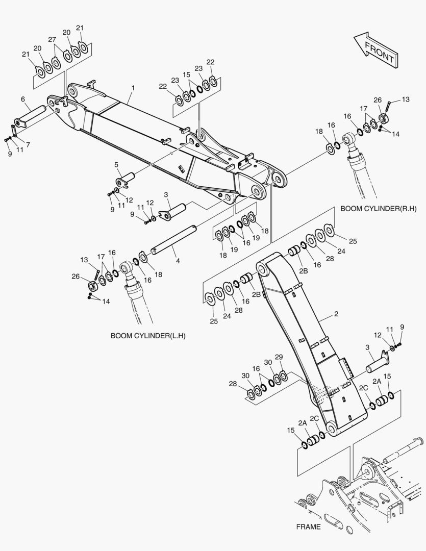
СТРЕЛА С ИЗМЕНЯЕМОЙ ГЕОМЕТРИЕЙ

СТРЕЛА С ИЗМЕНЯЕМОЙ ГЕОМЕТРИЕЙ

1Артикул: 230208-00009, BOOM ASSY,ARTI
2Артикул: 230213-00006E, BOOM,UPPER
3Артикул: 230213-00006G, BOOM,UPPER,MACHINING
Подробнее >
6980 BUCKET - 0.24гЋҐ(460mm)

6980 BUCKET - 0.24гЋҐ(460mm)

1Артикул: K1007633E, BUCKET ASS`Y- 0.24гЋҐ
2Артикул: 230104-01196, BUCKET ASS`Y- 0.24гЋҐ
3Артикул: 230104-01196A, BUCKET ASS`Y- 0.24гЋҐ
Подробнее >
БУЛЬДОЗЕРНЫЙ ОТВАЛ - 2590 мм

БУЛЬДОЗЕРНЫЙ ОТВАЛ - 2590 мм

1Артикул: 230102-00027, BLADE ASSY,DOZER;(2590MM)
2Артикул: K1016404A, BLADE;DOZER(2590mm)
3Артикул: 110-00021, . BUSH
Подробнее >
ТРУБОПРОВОД СЕРВОУПРАВЛЕНИЯ - ИЗМЕНЕНИЕ РЕЖИМА(1)

ТРУБОПРОВОД СЕРВОУПРАВЛЕНИЯ - ИЗМЕНЕНИЕ РЕЖИМА(1)

1Артикул: 420212-05716, PIPING,PILOT;PATTERN CHANGE
2Артикул: 410132-00001, VALVE,SELECTOR
3Артикул: 410132-00001A, VALVE,SELECTOR
Подробнее >
7000 BUCKET - 0.45гЋҐ

7000 BUCKET - 0.45гЋҐ

1Артикул: 230104-01194, BUCKET ASS`Y- 0.45гЋҐ
2Артикул: 230104-01194A, BUCKET ASS`Y- 0.45гЋҐ
3Артикул: 230104-01195, BUCKET - 0.45гЋҐ
Подробнее >
7040 BUCKET ASS`Y - 0.38гЋҐ (30`) - SIDE PIN

7040 BUCKET ASS`Y - 0.38гЋҐ (30`) - SIDE PIN

1Артикул: 230104-01206, BUCKET ASS`Y-0.38гЋҐ
2Артикул: 230104-01206A, BUCKET ASS`Y-0.38гЋҐ
3Артикул: 230104-01206B, BUCKET ASS`Y
Подробнее >
ТРУБОПРОВОД СЕРВОУПРАВЛЕНИЯ - 2 НАСОСА(ОДИН ПУТЬ)

ТРУБОПРОВОД СЕРВОУПРАВЛЕНИЯ - 2 НАСОСА(ОДИН ПУТЬ)

1Артикул: 420212-05714, PIPING,PILOT;ONE WAY&TWO PUMP
2Артикул: 410135-00235, VALVE,SOLENOID
3Артикул: 410135-00235A, VALVE,SOLENOID(5-SOL)
Подробнее >
ГИДРОСИСТЕМА СТРЕЛЫ - СТРЕЛА 4.6 м(ВРАЩАЮЩИЙСЯ)

ГИДРОСИСТЕМА СТРЕЛЫ - СТРЕЛА 4.6 м(ВРАЩАЮЩИЙСЯ)

1Артикул: 420212-02407, PIPING,BOOM(ROTATION)
2Артикул: 420207-00553C, PIPE
3Артикул: 420207-00554C, PIPE
Подробнее >
ПРОБЛЕСКОВЫЙ МАЯЧОК - С ЛАМПОЙ

ПРОБЛЕСКОВЫЙ МАЯЧОК - С ЛАМПОЙ

1Артикул: 300619-00080B, ROTATING BEACON ASSY
2Артикул: 300619-00080E, ROTATING BEACON ASSY
3Артикул: 131002-00085, BUSHING ASS`Y
Подробнее >
7300 BUCKET ASS`Y - 0.45mВі - DITCH CLEANING

7300 BUCKET ASS`Y - 0.45mВі - DITCH CLEANING

1Артикул: K1010821B, BUCKET ASS`Y-0.45гЋҐ
2Артикул: 230104-01776, BUCKET ASSY
3Артикул: K1010822A, BUCKET-0.45гЋҐ
Подробнее >
ЭЛЕКТРИЧЕСКИЕ ЗАПЧАСТИ-БЫСТРОУСТАНАВЛИВАЕМЫЙ ФИКСАТОР

ЭЛЕКТРИЧЕСКИЕ ЗАПЧАСТИ-БЫСТРОУСТАНАВЛИВАЕМЫЙ ФИКСАТОР

1Артикул: 300619-00089, ELECTRIC ASSY
2Артикул: 549-00092, SWITCH
3Артикул: 530-00432A, HARNESS,JOINT
Подробнее >
РАБОЧАЯ ФАРА - 6 ЛАМПЫ(КОЖУХ)

РАБОЧАЯ ФАРА - 6 ЛАМПЫ(КОЖУХ)

1Артикул: 300619-00078A, LAMP ASSY,ADD WORKING
2Артикул: 300619-00078B, LAMP ASSY
3Артикул: K1055454, LAMP,HEAD
Подробнее >
7440 TRACK SHOE ASS`Y - 900G(DX160LC-3)

7440 TRACK SHOE ASS`Y - 900G(DX160LC-3)

1Артикул: 200106-00242, SHOE ASSY,TRACK
2Артикул: 200106-00247, TRACK SHOE ASS`Y 900G
3Артикул: 200103-00103, . TRACK LINK ASS`Y
Подробнее >
7410 TRACK SHOE ASS`Y - 500G(DX160LC-3)

7410 TRACK SHOE ASS`Y - 500G(DX160LC-3)

1Артикул: 200106-00239, TRACK SHOE ASS`Y
2Артикул: 200106-00244, SHOE ASSY,TRACK;500G
3Артикул: 200103-00103, . TRACK LINK ASS`Y
Подробнее >
ГИДРОСИСТЕМА РУКОЯТИ - БЫСТРОУСТАНАВЛИВАЕМЫЙ ФИКСАТОР(РУКОЯТЬ 2.1 м)

ГИДРОСИСТЕМА РУКОЯТИ - БЫСТРОУСТАНАВЛИВАЕМЫЙ ФИКСАТОР(РУКОЯТЬ 2.1 м)

1Артикул: 420212-01888, PIPING,ARM;QUICK FIT
2Артикул: 420207-01345, PIPE ASSY,HYDRAULIC
3Артикул: 420207-01345A, PIPE ASSY,HYDRAULIC
Подробнее >
КОВРИК НА ПОЛУ КУЗОВА - ШАРНИРНЫЙ

КОВРИК НА ПОЛУ КУЗОВА - ШАРНИРНЫЙ

1Артикул: 110935-00048A, MAT,FLOOR;(ARTI)
2Артикул: 110935-00048B, MAT,FLOOR;(ARTI)
3Артикул: 110935-00048C, MAT,FLOOR;(ARTI)
Подробнее >
ТРУБОПРОВОД СЕРВОУПРАВЛЕНИЯ - 2 ПУТИ

ТРУБОПРОВОД СЕРВОУПРАВЛЕНИЯ - 2 ПУТИ

1Артикул: 420212-05747B, PIPING,PILOT;TWO WAY
2Артикул: 410116-00091, VALVE,EPPR
3Артикул: 410116-00418, . VALVE,EPPR
Подробнее >
6140 MAIN PIPING - ONE & TWO WAY

6140 MAIN PIPING - ONE & TWO WAY

1Артикул: 420212-05674, PIPING,MAIN;ONE OR TWO WAY
2Артикул: 410127-00142, VALVE,RELIEF;PROPORTIONAL
3Артикул: 410127-00233, VALVE,RELIEF
Подробнее >
7500 BUCKET ASSВґY - 0.45mВі - G CLASS

7500 BUCKET ASSВґY - 0.45mВі - G CLASS

1Артикул: 230104-02079, BUCKET ASSY
2Артикул: -, BUCKET,WELD
3Артикул: 430203-00022, . ADAPTER,TOOTH
Подробнее >
ТРУБОПРОВОД СЕРВОУПРАВЛЕНИЯ - ВРАЩАЮЩИЙСЯ

ТРУБОПРОВОД СЕРВОУПРАВЛЕНИЯ - ВРАЩАЮЩИЙСЯ

1Артикул: 420212-05751B, PIPING,PILOT
2Артикул: 410116-00091, VALVE,EPPR
3Артикул: 410116-00418, . VALVE,EPPR
Подробнее >
ГЛАВНАЯ МАГИСТРАЛЬ - ВРАЩАЮЩИЙСЯ(ШАРНИРНАЯ СТРЕЛА)

ГЛАВНАЯ МАГИСТРАЛЬ - ВРАЩАЮЩИЙСЯ(ШАРНИРНАЯ СТРЕЛА)

1Артикул: 420212-05683, PIPING,MAIN;ROTATING(ARTI)
2Артикул: DS20121057, HOSE ASSY,HYDRAULIC
Подробнее >
ГИДРОСИСТЕМА РУКОЯТИ - БЫСТРОУСТАНАВЛИВАЕМЫЙ ФИКСАТОР(РУКОЯТЬ 3.0 м)

ГИДРОСИСТЕМА РУКОЯТИ - БЫСТРОУСТАНАВЛИВАЕМЫЙ ФИКСАТОР(РУКОЯТЬ 3.0 м)

1Артикул: 420212-03630, PIPING,ARM;QUICK FIT
2Артикул: 420207-00840A, PIPE ASSY,HYDRAULIC
3Артикул: 420207-00840B, PIPE ASSY,HYDRAULIC
Подробнее >
ТРУБОПРОВОД - С ФИЛЬТРОМ

ТРУБОПРОВОД - С ФИЛЬТРОМ

1Артикул: 420212-05735, PIPING,BREAKER FILTER;1 WAY
2Артикул: 471-00114, FILTER,BREAKER
3Артикул: 474-00046, . ELEMENT,BREAKER FILTER
Подробнее >
ГИДРОСИСТЕМА РУКОЯТИ - БЫСТРАЯ ПОСАДКА(РУКОЯТЬ 2.5 м)

ГИДРОСИСТЕМА РУКОЯТИ - БЫСТРАЯ ПОСАДКА(РУКОЯТЬ 2.5 м)

1Артикул: 420212-02419, PIPING,ARM(QUICK FIT)
2Артикул: 420207-00558C, PIPE ASSY,HYDRAULIC
3Артикул: 420207-00558E, PIPE
Подробнее >
ГЛАВНАЯ МАГИСТРАЛЬ - БЫСТРОУСТАНАВЛИВАЕМЫЙ ФИКСАТОР(ШАРНИРНАЯ СТРЕЛА)

ГЛАВНАЯ МАГИСТРАЛЬ - БЫСТРОУСТАНАВЛИВАЕМЫЙ ФИКСАТОР(ШАРНИРНАЯ СТРЕЛА)

1Артикул: 420212-05686, PIPING,MAIN;QUICK CLAMP(ARTI)
2Артикул: DS20111417, HOSE ASSY,HYDRAULIC
3Артикул: DS20111027, HOSE ASSY,HYDRAULIC
Подробнее >
7480 TRAVEL PIPING - HIGH TARCK(DX160LC-3)

7480 TRAVEL PIPING - HIGH TARCK(DX160LC-3)

1Артикул: 420212-10025, PIPING,UNDERCARRIAGE;HLC
2Артикул: DS2017110, HOSE ASSY,HYDRAULIC
3Артикул: DS2011307, HOSE ASSY,HYDRAULIC
Подробнее >
РАБОЧАЯ ФАРА - 2 ЛАМПЫ

РАБОЧАЯ ФАРА - 2 ЛАМПЫ

1Артикул: 300619-00075, LAMP ASS`Y,ADD WORKING
2Артикул: 300619-00075A, LAMP ASSY
3Артикул: K1055454, LAMP,HEAD
Подробнее >
КАМЕРА БОКОВОГО ВИДА

КАМЕРА БОКОВОГО ВИДА

1Артикул: 300619-00866, ELECTRIC ASSY;SIDE VIEW CAMERA
2Артикул: S5102503, WASHER
3Артикул: 2120-2166D8, BOLT
Подробнее >
ТРУБОПРОВОД СЕРВОУПРАВЛЕНИЯ - СТРЕЛА ПЛАВАЮЩЕГО ТИПА

ТРУБОПРОВОД СЕРВОУПРАВЛЕНИЯ - СТРЕЛА ПЛАВАЮЩЕГО ТИПА

1Артикул: 420212-05718, PIPING,PILOT;BOOM FLOATING
2Артикул: DS2121267, HOSE ASSY,HYDRAULIC
3Артикул: DS2123100, HOSE
Подробнее >
7010 BUCKET - 0.51гЋҐ

7010 BUCKET - 0.51гЋҐ

1Артикул: 230104-01200, BUCKET ASS`Y- 0.51гЋҐ
2Артикул: 230104-01200A, BUCKET ASS`Y- 0.51гЋҐ
3Артикул: 230104-01201, BUCKET - 0.51гЋҐ
Подробнее >
ТРУБОПРОВОД СЕРВОУПРАВЛЕНИЯ-КЛАПАН ЗАМКА РУКОЯТИ

ТРУБОПРОВОД СЕРВОУПРАВЛЕНИЯ-КЛАПАН ЗАМКА РУКОЯТИ

1Артикул: 420212-05708, PIPING,PILOT;LOCK VALVE ARM
2Артикул: DS2121304, HOSE ASSY,HYDRAULIC
3Артикул: DS2121327, HOSE ASSY,HYDRAULIC
Подробнее >
ТРУБОПРОВОД СТРЕЛЫ С ИЗМЕНЯЕМОЙ ГЕОМЕТРИЕЙ - ВРАЩАЮЩИЙСЯ

ТРУБОПРОВОД СТРЕЛЫ С ИЗМЕНЯЕМОЙ ГЕОМЕТРИЕЙ - ВРАЩАЮЩИЙСЯ

1Артикул: 420212-02458, PIPING,ARTI BOOM;ROTATION
2Артикул: 420207-00581C, PIPE
3Артикул: 420207-00582C, PIPE
Подробнее >
БАШМАК ГУСЕНИЦЫ В СБОРЕ - 700G(ДЛИННАЯ ГУСЕНИЦА)

БАШМАК ГУСЕНИЦЫ В СБОРЕ - 700G(ДЛИННАЯ ГУСЕНИЦА)

1Артикул: 200106-00201, TRACK SHOE ASS`Y
2Артикул: 200106-00253, TRACK SHOE ASS`Y 700G
3Артикул: 200103-00098, . TRACK LINK ASS`Y
Подробнее >
6420 MAIN PIPING - QUICK CLAMP & TWO PUMP

6420 MAIN PIPING - QUICK CLAMP & TWO PUMP

1Артикул: 420212-05690, PIPING,MAIN;QUICK CLAMP&TWO PUMP
2Артикул: DS2232012, ADAPTER
3Артикул: DS2362016, TEE
Подробнее >
ГИДРОСИСТЕМА РУКОЯТИ - ВРАЩАЮЩИЙСЯ(РУКОЯТЬ 2.5 м)

ГИДРОСИСТЕМА РУКОЯТИ - ВРАЩАЮЩИЙСЯ(РУКОЯТЬ 2.5 м)

1Артикул: 420212-02416, PIPING,ARM(ROTATION)
2Артикул: 420207-00557B, PIPE
3Артикул: DS20131616, HOSE ASSY,HYDRAULIC
Подробнее >
6780 ROTATING BEACON

6780 ROTATING BEACON

1Артикул: 300619-00081B, ROTATING BEACON ASSY
2Артикул: 300619-00081E, ROTATING BEACON ASSY
3Артикул: 300619-00081H, ROTATING BEACON ASSY
Подробнее >
РЕЗИНОВЫЙ БАШМАК В СБОРЕ - 500G

РЕЗИНОВЫЙ БАШМАК В СБОРЕ - 500G

1Артикул: 200106-00364, TRACK SHOE(500mm Rubber)
2Артикул: 200106-00365, SHOE ASSY,TRACK;RUBBER PAD
3Артикул: 200106-00311, . SHOE,RUBBER;PAD
Подробнее >
6990 BUCKET - 0.39гЋҐ

6990 BUCKET - 0.39гЋҐ

1Артикул: 230104-01198, BUCKET ASS`Y- 0.39гЋҐ
2Артикул: 230104-01198A, BUCKET ASS`Y- 0.39гЋҐ
3Артикул: 230104-01199, BUCKET - 0.39гЋҐ
Подробнее >
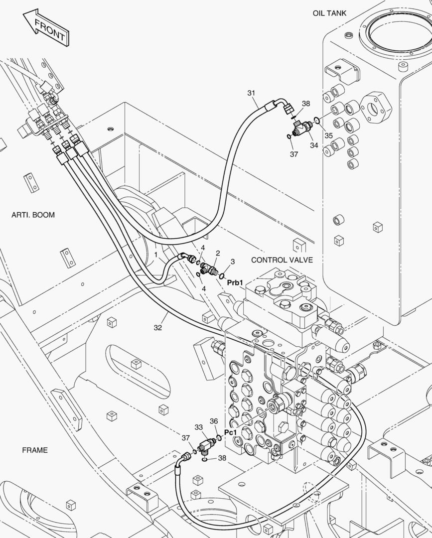
ГЛАВНАЯ МАГИСТРАЛЬ - БУЛЬДОЗЕР

ГЛАВНАЯ МАГИСТРАЛЬ - БУЛЬДОЗЕР

1Артикул: 420212-05696, PIPING,MAIN;DOZER
2Артикул: 250127-00601, PLATE,MOUNTING
3Артикул: 120202-00068, CLAMP,HOSE
Подробнее >
РЕЗИНОВЫЙ БАШМАК В СБОРЕ - 500G(ДЛИННАЯ ГУСЕНИЦА)

РЕЗИНОВЫЙ БАШМАК В СБОРЕ - 500G(ДЛИННАЯ ГУСЕНИЦА)

1Артикул: 200106-00363, SHOE ASSY,TRACK;(500MM)
2Артикул: 200106-00339, SHOE ASSY,TRACK;RUBBER PAD
3Артикул: 200106-00311, . SHOE,RUBBER;PAD
Подробнее >
ГИДРОСИСТЕМА РУКОЯТИ - РУКОЯТЬ 2.1 м

ГИДРОСИСТЕМА РУКОЯТИ - РУКОЯТЬ 2.1 м

1Артикул: 420212-06685, PIPING,ARM
2Артикул: 400310-00089C, CYLINDER,BUCKET
3Артикул: 400310-00089E, CYLINDER,BUCKET
Подробнее >
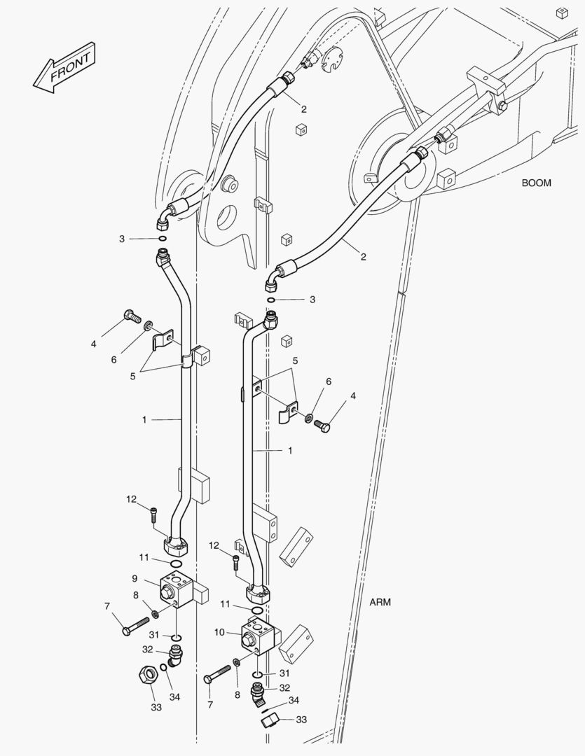
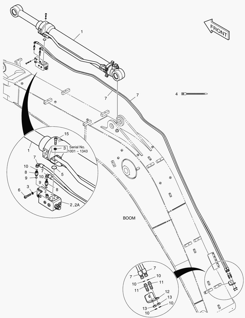
6200 BOOM PIPING - ONE & TWO WAY(BOOM 4.6m)

6200 BOOM PIPING - ONE & TWO WAY(BOOM 4.6m)

1Артикул: 420212-06645, PIPING,BOOM;1&2 WAY
2Артикул: 420207-01817A, PIPE ASSY,HYDRAULIC
3Артикул: 420207-01817B, PIPE ASSY,HYDRAULIC
Подробнее >
7460 TRAVEL PIPING - NARROW TRACK(DX160LC-3)

7460 TRAVEL PIPING - NARROW TRACK(DX160LC-3)

1Артикул: 420212-06381, PIPING,TRAVEL;NARROW
2Артикул: DS2017112, HOSE ASSY,HYDRAULIC
3Артикул: DS2017113, HOSE ASSY,HYDRAULIC
Подробнее >
БАШМАК ГУСЕНИЦЫ В СБОРЕ - 500G(ДЛИННАЯ ГУСЕНИЦА)

БАШМАК ГУСЕНИЦЫ В СБОРЕ - 500G(ДЛИННАЯ ГУСЕНИЦА)

1Артикул: 200106-00200, TRACK SHOE ASSY(500mm)
2Артикул: 200106-00251, TRACK SHOE ASS`Y - 500G
3Артикул: 200103-00098, . TRACK LINK ASS`Y
Подробнее >
ГЛАВНАЯ МАГИСТРАЛЬ - ВРАЩАЮЩИЙСЯ

ГЛАВНАЯ МАГИСТРАЛЬ - ВРАЩАЮЩИЙСЯ

1Артикул: 420212-05681, MAIN PIPING-ROTATING
2Артикул: K1016086A, PUMP;GEAR
3Артикул: 400910-00159, PUMP,GEAR
Подробнее >
7030 BUCKET - 0.76гЋҐ

7030 BUCKET - 0.76гЋҐ

1Артикул: 230104-01204, BUCKET ASS`Y- 0.76гЋҐ
2Артикул: 230104-01204A, BUCKET ASS`Y- 0.76гЋҐ
3Артикул: 230104-01205, BUCKET - 0.76гЋҐ
Подробнее >
ЭЛЕКТРИЧЕСКИЕ ЗАПЧАСТИ-СТРЕЛА ПЛАВАЮЩЕГО ТИПА

ЭЛЕКТРИЧЕСКИЕ ЗАПЧАСТИ-СТРЕЛА ПЛАВАЮЩЕГО ТИПА

1Артикул: 300619-01635, ELECTRIC ASSY
2Артикул: 300701-00020, ACTUATOR,SWITCH
3Артикул: 301423-00040, SWITCH,ROCKER
Подробнее >
6160 PILOT PIPING - ONE & TWO WAY

6160 PILOT PIPING - ONE & TWO WAY

1Артикул: 420212-05711, PIPING,PILOT
2Артикул: 426-00266, VALVE;EPPR
3Артикул: 410116-00526, VALVE,EPPR
Подробнее >
7180 ARTI.BOOM PIPING - ONE & TWO WAY

7180 ARTI.BOOM PIPING - ONE & TWO WAY

1Артикул: 420212-06646, PIPING,ARTI BOOM;1&2 WAY
2Артикул: 420207-01828, PIPE ASSY,HYDRAULIC
3Артикул: 420207-01828A, PIPE
Подробнее >
ТРУБОПРОВОД СТРЕЛЫ С ИЗМЕНЯЕМОЙ ГЕОМЕТРИЕЙ

ТРУБОПРОВОД СТРЕЛЫ С ИЗМЕНЯЕМОЙ ГЕОМЕТРИЕЙ

1Артикул: 420212-03720, PIPING,ARTI BOOM
2Артикул: 420207-01819, PIPE ASSY,HYDRAULIC
3Артикул: 420207-00571B, PIPE
Подробнее >
БАШМАК ГУСЕНИЦЫ В СБОРЕ - 600G

БАШМАК ГУСЕНИЦЫ В СБОРЕ - 600G

1Артикул: 200106-00202, TRACK SHOE ASS`Y
2Артикул: 200106-00255, TRACK SHOE ASS`Y 600G
3Артикул: 200103-00099, . LINK ASSY,TRACK
Подробнее >
ТРУБОПРОВОД СЕРВОУПРАВЛЕНИЯ - БУЛЬДОЗЕР

ТРУБОПРОВОД СЕРВОУПРАВЛЕНИЯ - БУЛЬДОЗЕР

1Артикул: 420212-05752B, PIPING,PILOT
2Артикул: 420-00490A, VALVE,REMOCON(DOZER)
3Артикул: DS2120002, HOSE ASSY,HYDRAULIC
Подробнее >
7470 TRACK FRAME - HIGH TARCK(DX160LC-3)

7470 TRACK FRAME - HIGH TARCK(DX160LC-3)

1Артикул: 160617-00281, FRAME ASSY,TRACK
2Артикул: 400826-00011A, JOINT,CENTER
3Артикул: 140109-00016A, BEARING,SWING
Подробнее >
ГИДРОСИСТЕМА СТРЕЛЫ - БЫСТРОУСТАНАВЛИВАЕМЫЙ ФИКСАТОР(СТРЕЛА 4.6 м)

ГИДРОСИСТЕМА СТРЕЛЫ - БЫСТРОУСТАНАВЛИВАЕМЫЙ ФИКСАТОР(СТРЕЛА 4.6 м)

1Артикул: 420212-02408, PIPING,BOOM(QUICK FIT)
2Артикул: DS20111109, HOSE ASSY,HYDRAULIC
3Артикул: DS20111864, HOSE ASSY,HYDRAULIC
Подробнее >
ГИДРОСИСТЕМА РУКОЯТИ - ВРАЩАЮЩИЙСЯ(РУКОЯТЬ 3.0 м)

ГИДРОСИСТЕМА РУКОЯТИ - ВРАЩАЮЩИЙСЯ(РУКОЯТЬ 3.0 м)

1Артикул: 420212-03627, PIPING,ARM;ROTATION
2Артикул: 420207-00839, PIPE ASSY,HYDRAULIC
3Артикул: DS20131136, HOSE ASSY,HYDRAULIC
Подробнее >
ТРУБОПРОВОД ШАРНИРНОЙ СТРЕЛЫ - ШАРНИРНЫЙ ЗАПОР

ТРУБОПРОВОД ШАРНИРНОЙ СТРЕЛЫ - ШАРНИРНЫЙ ЗАПОР

1Артикул: 420212-07226, PIPING,ARTI BOOM;ARTI LOCK
2Артикул: 400306-00024B, CYLINDER,ARTI(LOCK V/V)
3Артикул: 400306-00024C, CYLINDER,ARTI;LOCK VALVE
Подробнее >
БАШМАК ГУСЕНИЦЫ В СБОРЕ - 700G

БАШМАК ГУСЕНИЦЫ В СБОРЕ - 700G

1Артикул: 200106-00204, TRACK SHOE ASS`Y
2Артикул: 200106-00256, TRACK SHOE ASS`Y 700G
3Артикул: 200103-00099, . LINK ASSY,TRACK
Подробнее >
ГЛАВНАЯ МАГИСТРАЛЬ - БУЛЬДОЗЕР(ШАРНИРНЫЙ)

ГЛАВНАЯ МАГИСТРАЛЬ - БУЛЬДОЗЕР(ШАРНИРНЫЙ)

1Артикул: 420212-05698, PIPING,MAIN;DOZER AND ARTI
2Артикул: DS20121054, HOSE ASSY,HYDRAULIC
3Артикул: DS20121055, HOSE ASSY,HYDRAULIC
Подробнее >
ЗАЩИТНЫЙ КОРПУС ПРОТИВОТУМАННЫХ ФАР

ЗАЩИТНЫЙ КОРПУС ПРОТИВОТУМАННЫХ ФАР

1Артикул: 110921-00008G, GUARD ASSY;OPG
2Артикул: 110921-00008H, GUARD ASSY;OPG
3Артикул: 110921-00008K, GUARD ASSY;OPG
Подробнее >
КАБИНА С НИЗКИМ ЗАЩИТНЫМ ОГРАЖДЕНИЯ

КАБИНА С НИЗКИМ ЗАЩИТНЫМ ОГРАЖДЕНИЯ

1Артикул: 110921-00053, GUARD ASS`Y;LOWER
2Артикул: 110921-00053A, GUARD ASSY,LOWER
3Артикул: 110921-00055, GUARD;FRONT WINDOW
Подробнее >
7530 BUCKET ASSВґY - 0.64mВі - G CLASS

7530 BUCKET ASSВґY - 0.64mВі - G CLASS

1Артикул: 230104-02085, BUCKET ASSY
2Артикул: -, BUCKET,WELD
3Артикул: 430203-00022, . ADAPTER,TOOTH
Подробнее >
7580 TMS - EU [1307~]

7580 TMS - EU [1307~]

1Артикул: 300619-03342, ELECTRIC ASSY,TMS1.5
2Артикул: 300619-03139, ELECTRIC ASSY;TMS1.5
3Артикул: 300611-00902, . CONTROLLER;TMS1.5
Подробнее >
7310 BUCKET ASS`Y - 0.54mВі - DITCH CLEANING

7310 BUCKET ASS`Y - 0.54mВі - DITCH CLEANING

1Артикул: K1010823B, BUCKET ASS`Y-0.54mВі
2Артикул: 230104-01778, BUCKET ASSY
3Артикул: K1010824A, BUCKET-0.54mВі
Подробнее >
7560 TRACK SHOE ASS`Y - 500G(LONG CRAWLER_ADDED HOLE) [1309~]

7560 TRACK SHOE ASS`Y - 500G(LONG CRAWLER_ADDED HOLE) [1309~]

1Артикул: 200106-00588, SHOE ASSY,TRACK;500MM, ADDED HOLES
2Артикул: 200106-00590, SHOE ASSY,TRACK;500MM, ADDED HOLES
3Артикул: 200103-00098, . TRACK LINK ASS`Y
Подробнее >