+7 (701) 588 50 05 Телефон для связи
RU

WhatsApp

Позвонить

730S ЭКСКАВАТОР-ПОГРУЗЧИК в Алматы

КОВШИ СМЕННЫЕ УСТАНОВЛЕННЫЙ - 730S

КОВШИ СМЕННЫЕ УСТАНОВЛЕННЫЙ - 730S

1Артикул: BUCKET, BUCKET SALES - 13-- (330mm) - uses 3 teeth - SALES #6715500
2Артикул: BUCKET, BUCKET SALES - 16-- (406mm) - uses 4 teeth - SALES #6715501
3Артикул: BUCKET, BUCKET SALES - 18--(457mm) - uses 4 teeth - SALES #6807530
Подробнее >
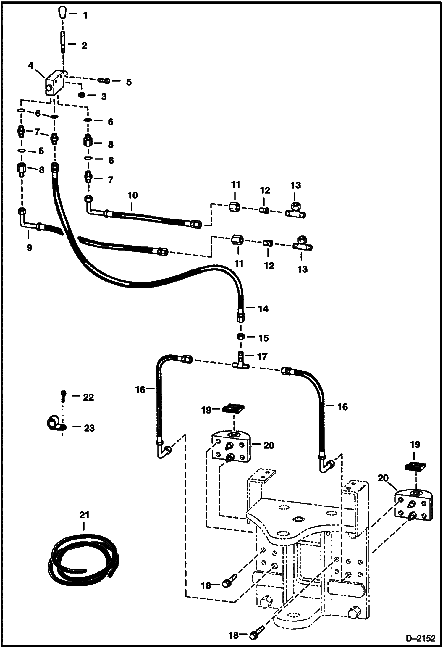
РАСПРЕДЕЛИТЕЛЬ РАСХОДНОГО КЛАПАНА, СХЕМА ГИДРАВЛИЧЕСКОЙ СИСТЕМЫ 730S

РАСПРЕДЕЛИТЕЛЬ РАСХОДНОГО КЛАПАНА, СХЕМА ГИДРАВЛИЧЕСКОЙ СИСТЕМЫ 730S

1Артикул: 6539134, HOSE
2Артикул: 6539135, HOSE
3Артикул: 86F7, LOCK NUT
Подробнее >
КОВШИ ЭКСКАВАТОРА-ПОГРУЗЧИКА 730S ЭКСКАВАТОР-ПОГРУЗЧИК

КОВШИ ЭКСКАВАТОРА-ПОГРУЗЧИКА 730S ЭКСКАВАТОР-ПОГРУЗЧИК

1Артикул: BUCKET, BUCKET SALES - Trenching - 12--, 16--, 20--, 24-- & 30--
2Артикул: 6593139, EDGE,CUTTING WELD ON BEVELED 10.79-- 12--
3Артикул: 6593067, CUTTING EDGE 16--
Подробнее >
СТАБИЛИЗАТОР ЦИЛИНДРА С УРАВНОВЕШИВАЮЩИМ КЛАПАНОМ 730S

СТАБИЛИЗАТОР ЦИЛИНДРА С УРАВНОВЕШИВАЮЩИМ КЛАПАНОМ 730S

1Артикул: 6589845, CYLINDER W/Ref. 2-19, 21
2Артикул: 6595002, TUBE
3Артикул: 92D12, NUT
Подробнее >
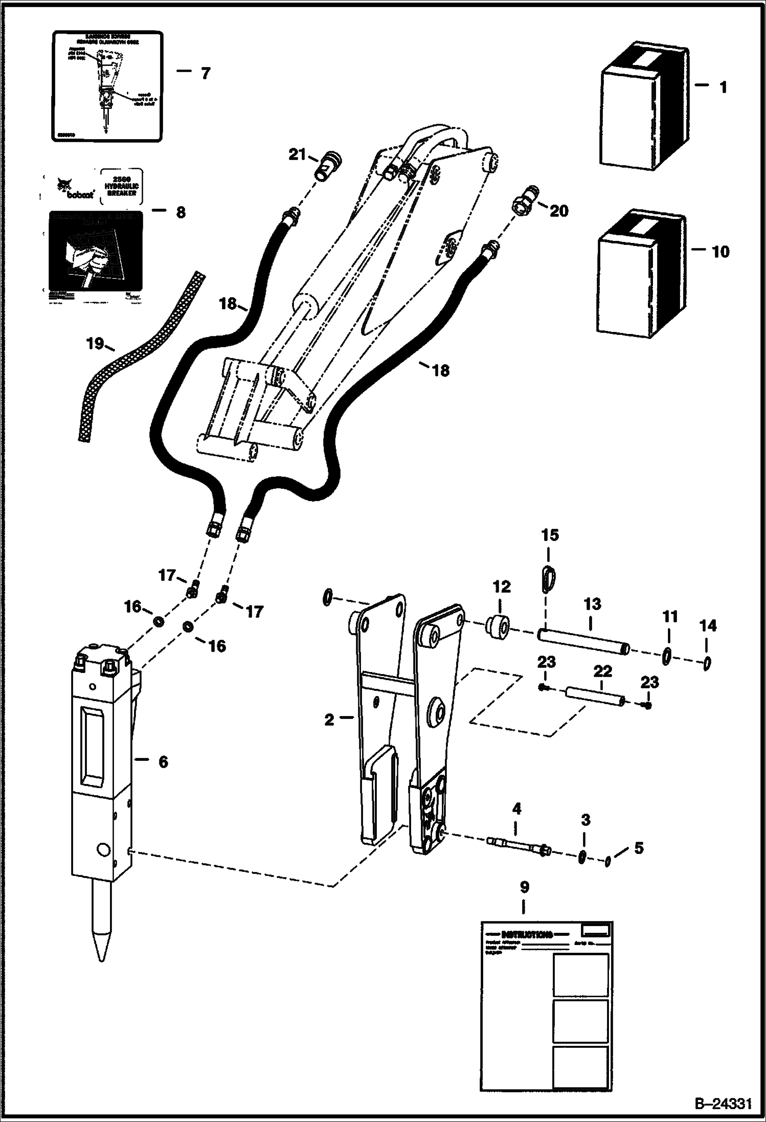
КОМПЛЕКТ ГИДРОПРИВОДОВ ГИДРОМОЛОТА - 2560 И 2570 730S

КОМПЛЕКТ ГИДРОПРИВОДОВ ГИДРОМОЛОТА - 2560 И 2570 730S

1Артикул: KIT, KIT SALES - Hydr. Breaker W/Ref. 2-9 - Sales #6705092
2Артикул: 6705592, FRAME
3Артикул: 6728010, WASHER Locking - Was 6662308 - A
Подробнее >
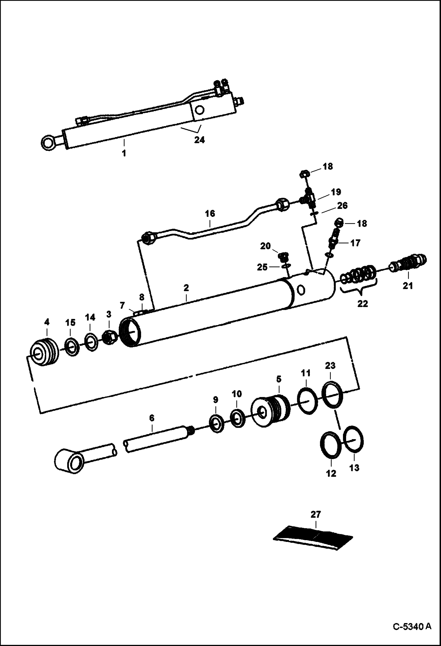
СТАБИЛИЗАТОР ЦИЛИНДРА 730S

СТАБИЛИЗАТОР ЦИЛИНДРА 730S

1Артикул: 6532229, CYLINDER W/Ref. 2-15
2Артикул: 6532312, CASE
3Артикул: 92D12, NUT Was 86D000012B - B
Подробнее >
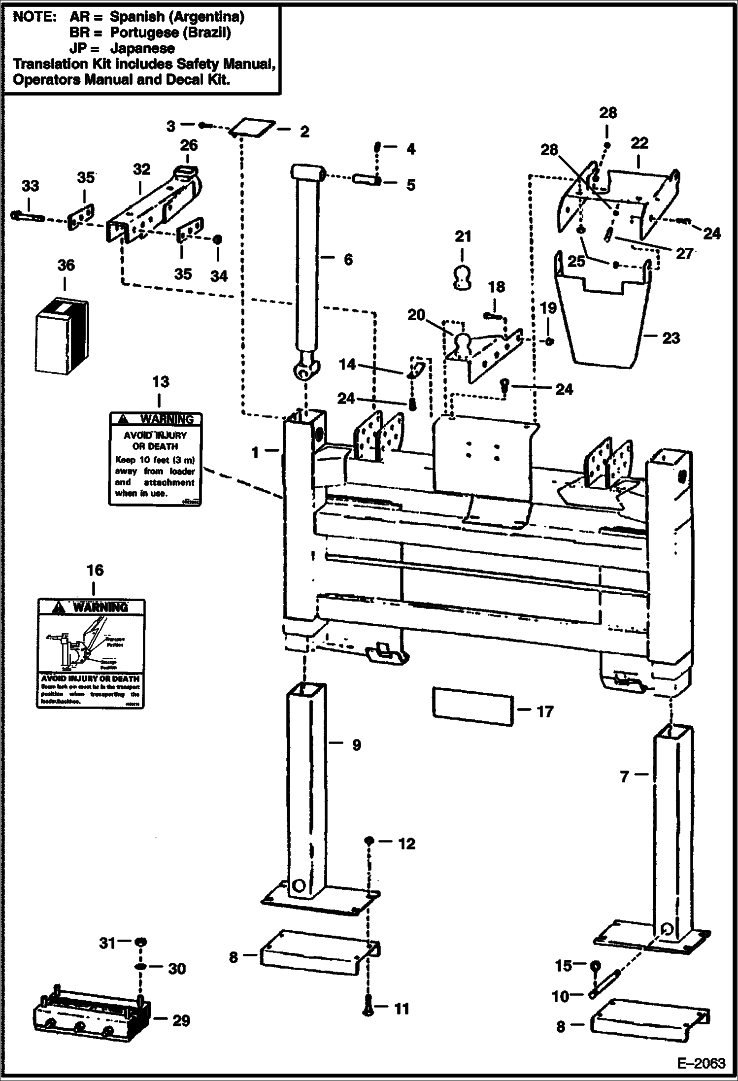
СТРЕЛА И ГИДРОЦИЛИНДР ЧЕРПАКА 730S

СТРЕЛА И ГИДРОЦИЛИНДР ЧЕРПАКА 730S

1Артикул: 7104122, CYLINDER, BOOM W/Ref. 2-6, 8-16
2Артикул: 7104123, SHAFT
3Артикул: 6539185, HEAD, CYL TILT
Подробнее >
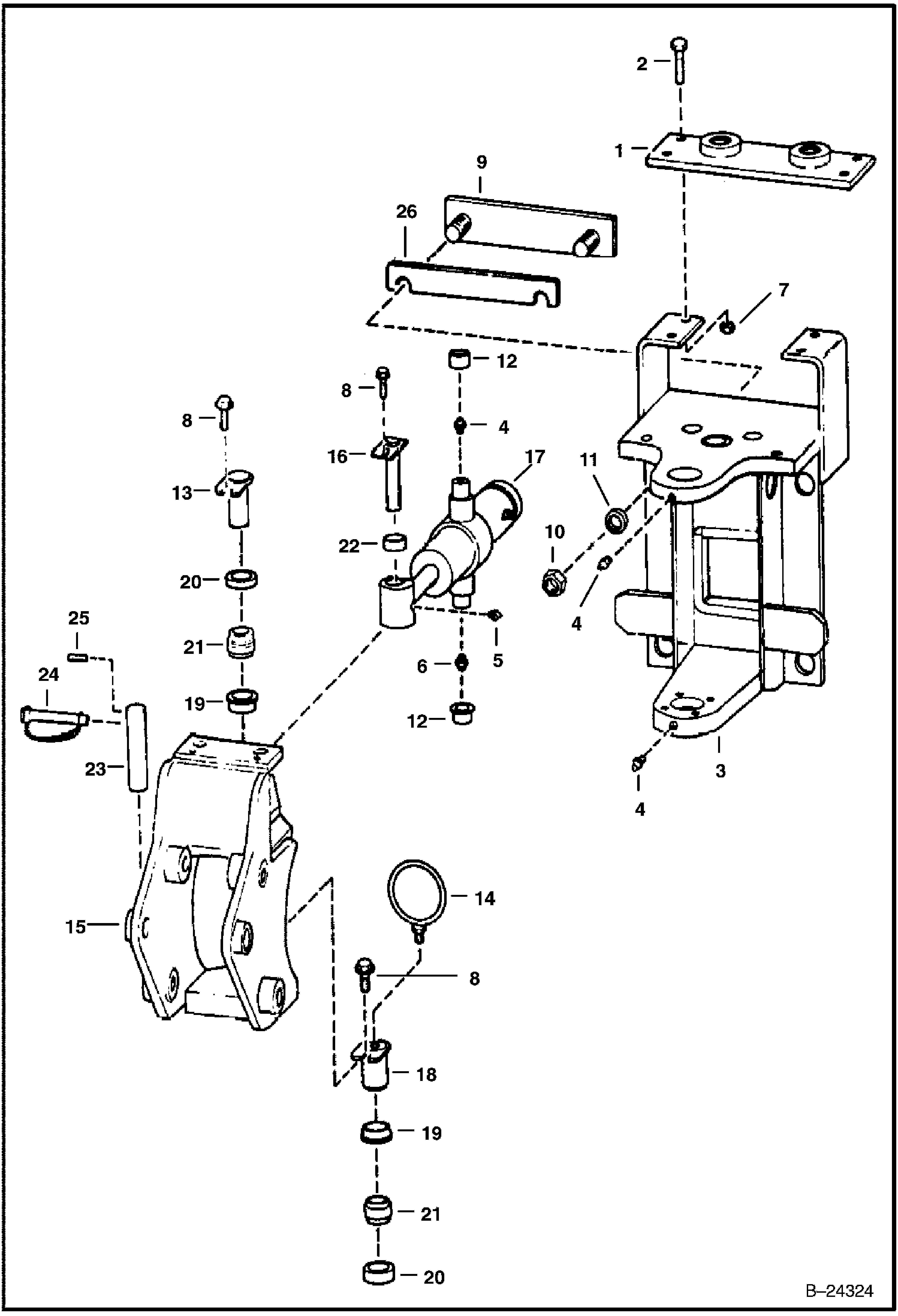
САЛАЗКИ - ПОВОРОТНАЯ ПЛАТФОРМА 730S

САЛАЗКИ - ПОВОРОТНАЯ ПЛАТФОРМА 730S

1Артикул: 6808812, BRACKET Was 6532339 - A
2Артикул: 17C1028, BOLT
3Артикул: 6806354, SLIDE FRAME Was 6539288 - A
Подробнее >
РАСПРЕДЕЛИТЕЛЬ РАСХОДНОГО КЛАПАНА 730S

РАСПРЕДЕЛИТЕЛЬ РАСХОДНОГО КЛАПАНА 730S

1Артикул: VALVE, VALVE NLA - W/Ref. 2-7 - Use W/pipe fittings - order 6685736, 18KB01008B + (2) of 17KB01008B - Was 6593217 - A
2Артикул: VALVE,, VALVE, AUX NLA - W/Ref. 2-7 - Use W/ O-ring boss fittings - Was 6692330 - A
3Артикул: VALVE, VALVE NLA - Use W/pipe fittings - order 6685738, 18KB01008B + (2) of 17KB01008B - Was 6630901 - A
Подробнее >
ГИДРАВЛИЧЕСКИЙ ЗАХВАТ ЦИЛИНДРА 730S

ГИДРАВЛИЧЕСКИЙ ЗАХВАТ ЦИЛИНДРА 730S

1Артикул: 6588958, CYLINDER W/Ref. 2-8 - Was 6539238 - A
2Артикул: 6539223, PISTON
3Артикул: 6659989, WEAR RING
Подробнее >
КОМПЛЕКТ ВСПОМОГАТЕЛЬНОЙ ГИДРАВЛИКИ 730S

КОМПЛЕКТ ВСПОМОГАТЕЛЬНОЙ ГИДРАВЛИКИ 730S

1Артикул: KIT, KIT SALES - W/Ref. 2-38 - Sales #6712079
2Артикул: 6539135, HOSE
3Артикул: 6539134, HOSE
Подробнее >
УСТРОЙСТВА УПРАВЛЕНИЯ 730S

УСТРОЙСТВА УПРАВЛЕНИЯ 730S

1Артикул: 6532607, LOCK
2Артикул: 6610077, SPRING
3Артикул: 7D6, NUT
Подробнее >
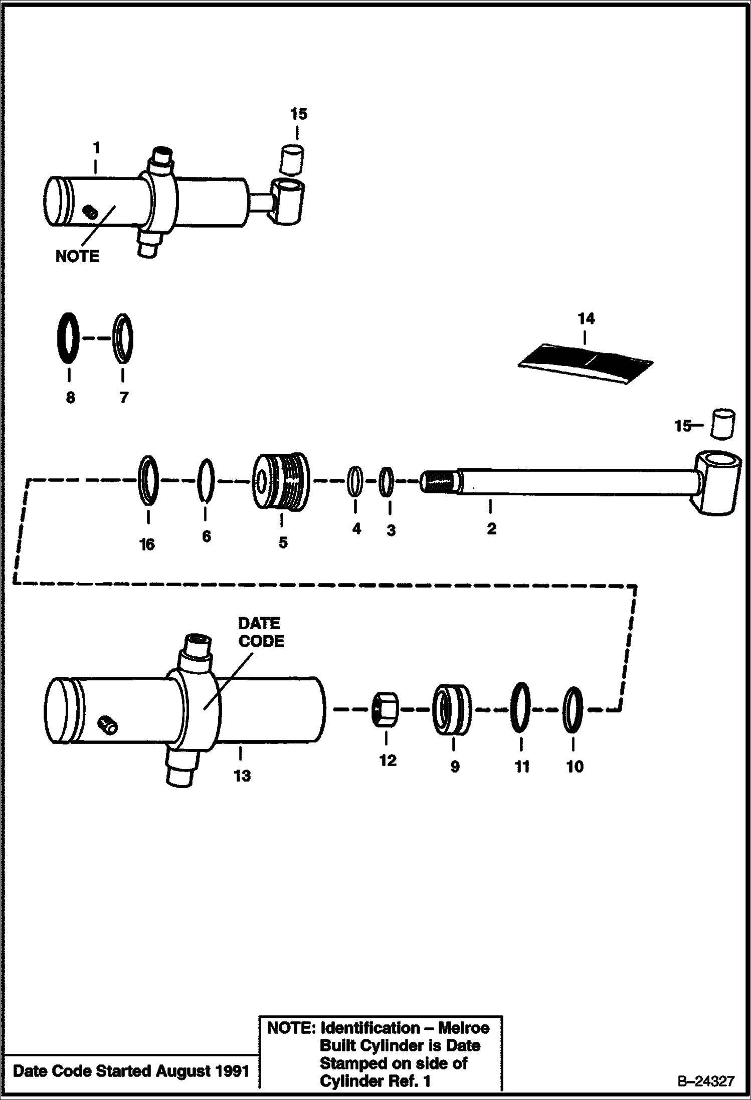
ЦИЛИНДР ПОВОРОТА - TEXAS ГИДРАВЛИКА 730S

ЦИЛИНДР ПОВОРОТА - TEXAS ГИДРАВЛИКА 730S

1Артикул: CYLINDER, CYLINDER See Illustration CYLINDER SWING - BOBCAT/ B24327 NLA - W/Ref. 2-13 - Order 7104246
2Артикул: 6653693, ROD
3Артикул: 6690707, WIPER, ROD CYL Was 6665086 - A
Подробнее >
СТРЕЛА И ЦИЛИНДР РУКОЯТИ СТРЕЛЫ ЧЕРПАКА 730S

СТРЕЛА И ЦИЛИНДР РУКОЯТИ СТРЕЛЫ ЧЕРПАКА 730S

1Артикул: CYLINDER, CYLINDER NLA - W/Ref. 2 - 16 - Order 7104122 - Was 6589334 - A
2Артикул: 6532324, ROD
3Артикул: 6690707, WIPER, ROD CYL Was 6665086 - A
Подробнее >
КОМПЛЕКТ КРОНШТЕЙНА - 7753, 773 730S

КОМПЛЕКТ КРОНШТЕЙНА - 7753, 773 730S

1Артикул: KIT, KIT SALES - W/Ref. 2-6 - Sales #6587194
2Артикул: 31C1028, SCREW
3Артикул: 53D10, NUT Was 83D000010B - B
Подробнее >
ЦИЛИНДР КОВША 730S

ЦИЛИНДР КОВША 730S

1Артикул: 7146697, CYLINDER ASSY W/Ref. 2-15 - Was 7105395 - A
2Артикул: SHAFT, SHAFT NLA - Order 7146698 shaft & 7147310 piston - Was 7105396 - A
3Артикул: 7146698, SHAFT
Подробнее >
СКОЛЬЗЯЩАЯ РАМА ГИДРАВЛИЧЕСКОГО ЗАХВАТА 730S - СЕРИЙНЫЙ НОМЕР 233 И ВЫШЕ

СКОЛЬЗЯЩАЯ РАМА ГИДРАВЛИЧЕСКОГО ЗАХВАТА 730S - СЕРИЙНЫЙ НОМЕР 233 И ВЫШЕ

1Артикул: 6657271, KNOB
2Артикул: 6538442, LEVER
3Артикул: 81D5, NUT
Подробнее >
МОНТАЖНЫЙ КОМПЛЕКТ ДЛЯ ГИДРОМОЛОТА - 2500 730S

МОНТАЖНЫЙ КОМПЛЕКТ ДЛЯ ГИДРОМОЛОТА - 2500 730S

1Артикул: KIT, KIT SALES - W/Ref. 2-15 - Sales #6539007
2Артикул: 6539009, BUSHING
3Артикул: 6539008, PIN
Подробнее >
АВТОСЦЕПКА В СБОРЕ 730S

АВТОСЦЕПКА В СБОРЕ 730S

1Артикул: 6562600, COUPLER W/Ref. 2-8
2Артикул: WHEEL, WHEEL NSS - Order Ref. 10
3Артикул: HOUSING, HOUSING NSS - Order Ref. 1
Подробнее >
ЦИЛИНДР ПОВОРОТА - BOBCAT 730S

ЦИЛИНДР ПОВОРОТА - BOBCAT 730S

1Артикул: 7104246, CYLINDER W/Ref. 2-13, 15 - Was 6589651 - A
2Артикул: 7104662, SHAFT W/Ref. 15 - Was 6538375 - A
3Артикул: 6690707, WIPER, ROD CYL Was 6665086 - A
Подробнее >
КОМПЛЕКТ ДЛЯ ПЕРЕОБОРУДОВАНИЯ КОВША 730S

КОМПЛЕКТ ДЛЯ ПЕРЕОБОРУДОВАНИЯ КОВША 730S

1Артикул: 6586756, KIT Bucket Conversion - Convert 909-911 Bucket - W/Ref. 2-4 - Was 6576756 - D
2Артикул: 6560596, BUSHING
3Артикул: 6586757, PLATE
Подробнее >
СХЕМА ГИДРАВЛИЧЕСКОЙ СИСТЕМЫ - СТРЕЛА 730S

СХЕМА ГИДРАВЛИЧЕСКОЙ СИСТЕМЫ - СТРЕЛА 730S

1Артикул: VALVE, VALVE See Illustration VALVE CONTROL/ B24318A
2Артикул: 79K8, O RING 10
3Артикул: 15K6, ADAPTER W/Ref. 2
Подробнее >
РАМА ШАССИ 730S

РАМА ШАССИ 730S

1Артикул: 6589977, MAIN FRAME W/O Mount Coupler - Ref. 32 - Was 6587259 - A
2Артикул: 6531973, CAP
3Артикул: 84G3710, SCREW
Подробнее >
КОМПЛЕКТ КРОНШТЕЙНА - 740, 753, 763, 751 730S

КОМПЛЕКТ КРОНШТЕЙНА - 740, 753, 763, 751 730S

1Артикул: KIT, KIT SALES - 740 Series - W/Ref. 2-5 & 9 - Sales #6562446
2Артикул: 6561942, MOUNT L.H.
3Артикул: 6561943, MOUNT R.H.
Подробнее >
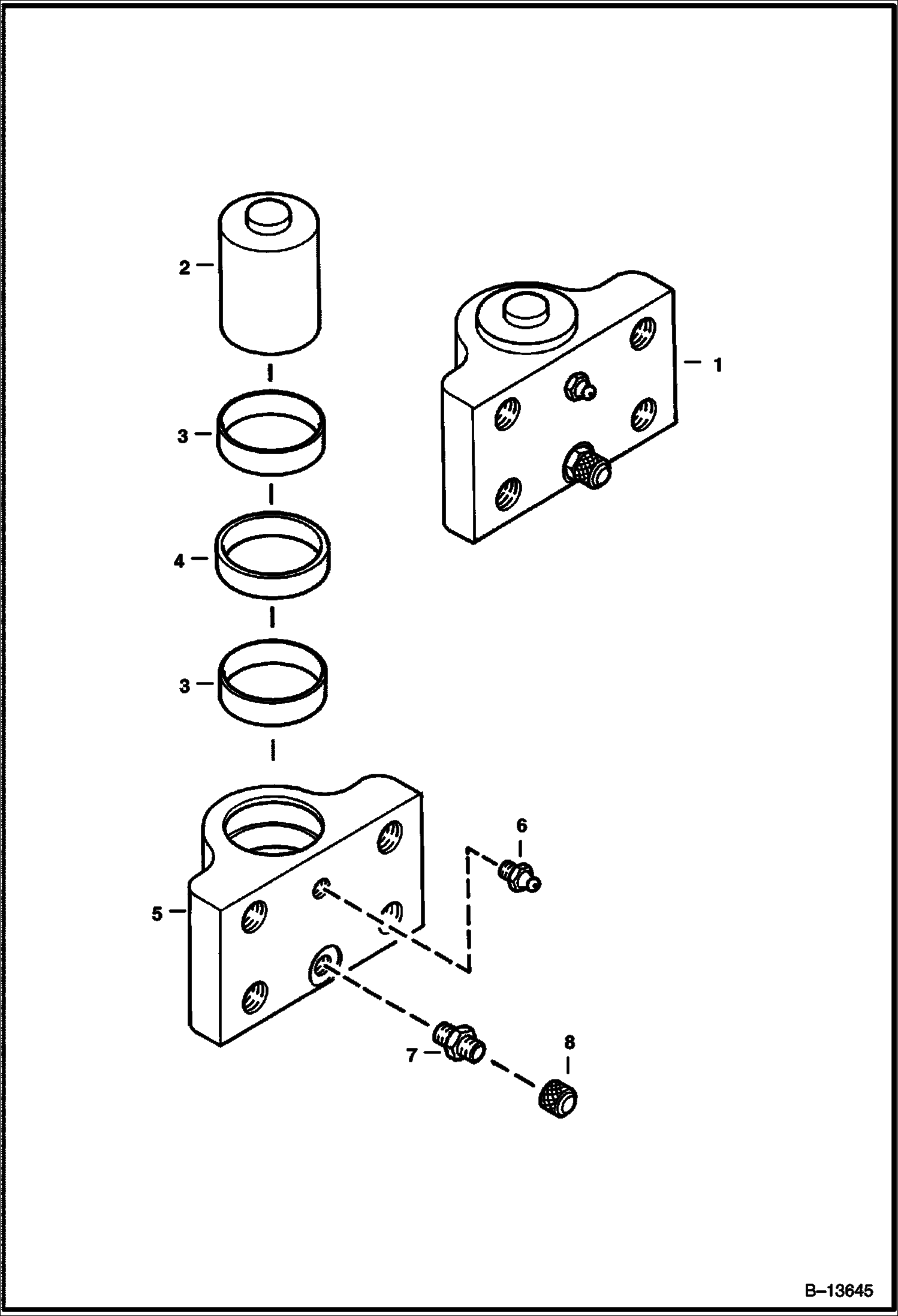
ГИДРАВЛИЧЕСКИЙ ЗАХВАТ КЛАПАНА 730S

ГИДРАВЛИЧЕСКИЙ ЗАХВАТ КЛАПАНА 730S

1Артикул: 6538462, VALVE W/Ref. 2-8
2Артикул: BLOCK, BLOCK NSS - Order Ref. 1 - Was 6538440 - A
3Артикул: 799119, RING
Подробнее >
ГИДРОСИСТЕМА - РАМА ШАССИ 730S

ГИДРОСИСТЕМА - РАМА ШАССИ 730S

1Артикул: 6650108, HOSE COVER bulk - sold per foot
2Артикул: 79K10, O RING 10
3Артикул: 6649389, HOSE COVER bulk - sold per foot
Подробнее >
УПРАВЛЕНИЕ КЛАПАНОМ 730S

УПРАВЛЕНИЕ КЛАПАНОМ 730S

1Артикул: 6662949, VALVE See Illustration VALVE CONTROL/ B24318A Ref. 2-25 - W/Ref. 2-19, 21-25, 27-29 & 31 on this Illustration
2Артикул: 62D6, NUT 5
3Артикул: 61D5, NUT
Подробнее >
СТРЕЛА И РУКОЯТЬ СТРЕЛЫ ЧЕРПАКА 730S

СТРЕЛА И РУКОЯТЬ СТРЕЛЫ ЧЕРПАКА 730S

1Артикул: CYLINDER, CYLINDER See Illustration CYLINDER BUCKET/ C3236 See Illustration CYLINDER BUCKET/ PE2641 BUCKET
2Артикул: 6584872, WASHER
3Артикул: 22J24, RING SNAP Was 6538285 - B
Подробнее >