+7 (701) 588 50 05 Телефон для связи
RU

WhatsApp

Позвонить

730SH ЭКСКАВАТОР-ПОГРУЗЧИК в Алматы

КОВШИ 730SH

КОВШИ 730SH

1Артикул: BUCKET, BUCKET SALES - Trenching - 12--, 16--, 20--, 24-- & 30--
2Артикул: 6593139, EDGE,CUTTING WELD ON BEVELED 10.79-- 12--
3Артикул: 6593067, CUTTING EDGE 16--
Подробнее >
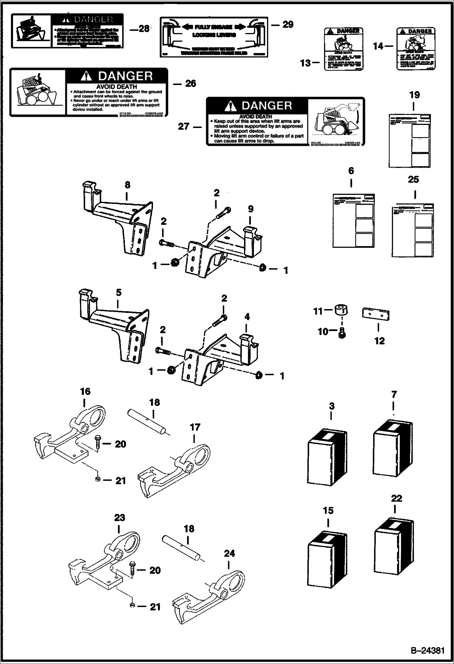
МОНТАЖНЫЕ КОМПЛЕКТЫ 730SH ЭКСКАВАТОР-ПОГРУЗЧИК

МОНТАЖНЫЕ КОМПЛЕКТЫ 730SH ЭКСКАВАТОР-ПОГРУЗЧИК

1Артикул: 53D10, NUT Was 83D10 - B,D
2Артикул: 31C1028, SCREW
3Артикул: 6538707, MOUNT KIT 751, 753, 753L & 763 - Ref. 1, 2, 4-6, 10-12 & 26-29 - Was SALES - D
Подробнее >
УПРАВЛЕНИЕ КЛАПАНОМ 730SH - СЕРИЙНЫЙ НОМЕР 646500500 И ВЫШЕ

УПРАВЛЕНИЕ КЛАПАНОМ 730SH - СЕРИЙНЫЙ НОМЕР 646500500 И ВЫШЕ

1Артикул: 6676398, VALVE See Illustration VALVE CONTROL/ B24320 Ref. 2-25 - Husco 5000F-119 - W/Ref. 2-19, 21-25, 27-29, 31 on this Illustration
2Артикул: 62D6, NUT 5
3Артикул: 61D5, NUT
Подробнее >
СКОЛЬЗЯЩАЯ РАМА ГИДРАВЛИЧЕСКОГО ЗАХВАТА 730SH - СЕРИЙНЫЙ НОМЕР 646500500 ЧЕРЕЗ 646500999

СКОЛЬЗЯЩАЯ РАМА ГИДРАВЛИЧЕСКОГО ЗАХВАТА 730SH - СЕРИЙНЫЙ НОМЕР 646500500 ЧЕРЕЗ 646500999

1Артикул: 6657271, KNOB
2Артикул: 6538442, LEVER
3Артикул: 81D5, NUT
Подробнее >
СКОЛЬЗЯЩАЯ РАМА ГИДРАВЛИЧЕСКОГО ЗАХВАТА 730SH - СЕРИЙНЫЙ НОМЕР 646500499 И НИЖЕ

СКОЛЬЗЯЩАЯ РАМА ГИДРАВЛИЧЕСКОГО ЗАХВАТА 730SH - СЕРИЙНЫЙ НОМЕР 646500499 И НИЖЕ

1Артикул: 6657271, KNOB
2Артикул: 6538442, LEVER
3Артикул: 81D5, NUT
Подробнее >
РАСПРЕДЕЛИТЕЛЬ РАСХОДНОГО КЛАПАНА 730SH

РАСПРЕДЕЛИТЕЛЬ РАСХОДНОГО КЛАПАНА 730SH

1Артикул: VALVE, VALVE NLA - W/Ref. 2-7 - Use W/pipe fittings - order 6685736, 18KB01008B + (2) of 17KB01008B - Was 6593217 - A
2Артикул: VALVE,, VALVE, AUX NLA - W/Ref. 2-7 - Use W/ O-ring boss fittings - Was 6692330 - A
3Артикул: VALVE, VALVE NLA - W/Ref. 2-7 - Use W/pipe fittings - order 6685738, 18KB01008B + (2) of 17KB01008B - Was 6630901 - A
Подробнее >
КОВШИ СМЕННЫЕ УСТАНОВЛЕННЫЙ - 730SH

КОВШИ СМЕННЫЕ УСТАНОВЛЕННЫЙ - 730SH

1Артикул: BUCKET, BUCKET SALES - 13-- (330mm) - uses 3 teeth - SALES #6715500
2Артикул: BUCKET, BUCKET SALES - 16-- (406mm) - uses 4 teeth - SALES #6715501
3Артикул: BUCKET, BUCKET SALES - 18--(457mm) - uses 4 teeth - SALES #6807530
Подробнее >
САЛАЗКИ - ПОВОРОТНАЯ ПЛАТФОРМА 730SH

САЛАЗКИ - ПОВОРОТНАЯ ПЛАТФОРМА 730SH

1Артикул: 6808812, BRACKET
2Артикул: 17C1028, BOLT
3Артикул: 6806354, SLIDE FRAME
Подробнее >
ЦИЛИНДР ПОВОРОТА - BOBCAT 730SH

ЦИЛИНДР ПОВОРОТА - BOBCAT 730SH

1Артикул: 7104246, CYLINDER W/Ref. 2-13, 15 - Was 6589651 - A
2Артикул: 7104662, SHAFT W/Ref. 15 - Was 6538375 - A
3Артикул: 6690707, WIPER, ROD CYL Was 6665086 - A
Подробнее >
ГИДРАВЛИЧЕСКИЙ ЗАХВАТ КЛАПАНА 730SH

ГИДРАВЛИЧЕСКИЙ ЗАХВАТ КЛАПАНА 730SH

1Артикул: 6538462, VALVE W/Ref. 2-8
2Артикул: BLOCK, BLOCK NSS - Order Ref. 1 - Was 6538440 - A
3Артикул: 799119, RING
Подробнее >
СМЕННЫЙ 730SH - С БОЛТОВЫМ КРЕПЛЕНИЕМ

СМЕННЫЙ 730SH - С БОЛТОВЫМ КРЕПЛЕНИЕМ

1Артикул: 6817828, KIT
2Артикул: 58K214, O RING 10
3Артикул: 6733540, PIN
Подробнее >
СХЕМА ГИДРАВЛИЧЕСКОЙ СИСТЕМЫ - СТРЕЛА 730SH

СХЕМА ГИДРАВЛИЧЕСКОЙ СИСТЕМЫ - СТРЕЛА 730SH

1Артикул: VALVE, VALVE See Illustration VALVE CONTROL/ B24318B See Illustration VALVE CONTROL/ B24371 See Illustration VALVE CONTROL/ B24320A See Illustration VALVE CONTROL/ B24326A
2Артикул: 99K8, RING,O For tapered boss face
3Артикул: 79K8, O RING 10 For flat boss face
Подробнее >
УПРАВЛЕНИЕ КЛАПАНОМ 730SH - СЕРИЙНЫЙ НОМЕР 646500499 И НИЖЕ

УПРАВЛЕНИЕ КЛАПАНОМ 730SH - СЕРИЙНЫЙ НОМЕР 646500499 И НИЖЕ

1Артикул: 6662949, VALVE See Illustration VALVE CONTROL/ B24318B Ref. 2-25 - Husco 5000F-102 - W/Ref. 2-19, 21-25, 27-29, 31 on this Illustration
2Артикул: 62D6, NUT 5
3Артикул: 61D5, NUT
Подробнее >
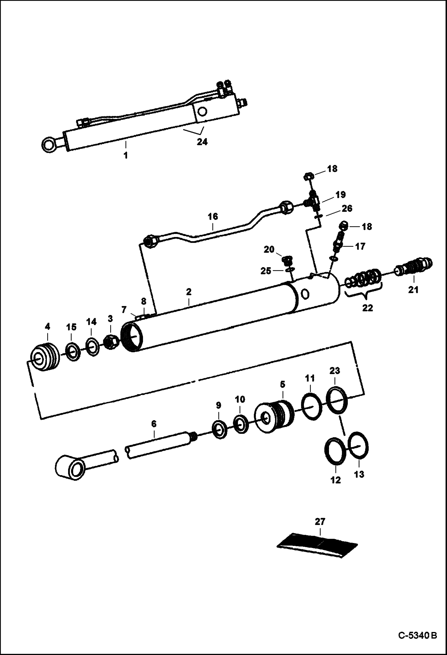
ЦИЛИНДР КОВША 730SH

ЦИЛИНДР КОВША 730SH

1Артикул: 7146697, CYLINDER ASSY W/Ref. 2-15 - Was 7105395 - A
2Артикул: SHAFT, SHAFT NLA - Order 7146698 shaft & 7147310 piston - Was 7105396 - A
3Артикул: 7146698, SHAFT
Подробнее >
РАМА ШАССИ 730SH

РАМА ШАССИ 730SH

1Артикул: 6805531, MAIN FRAME
2Артикул: 6808392, MAIN FRAME
3Артикул: 6531973, CAP
Подробнее >
СКОЛЬЗЯЩАЯ РАМА ГИДРАВЛИЧЕСКОГО ЗАХВАТА 730SH - СЕРИЙНЫЙ НОМЕР 646501001 И ВЫШЕ

СКОЛЬЗЯЩАЯ РАМА ГИДРАВЛИЧЕСКОГО ЗАХВАТА 730SH - СЕРИЙНЫЙ НОМЕР 646501001 И ВЫШЕ

1Артикул: 6657271, KNOB
2Артикул: 6538442, LEVER
3Артикул: 81D5, NUT
Подробнее >
КОВШИ УСТАНАВЛИВАЮТСЯ СМЕННЫЕ 730SH

КОВШИ УСТАНАВЛИВАЮТСЯ СМЕННЫЕ 730SH

1Артикул: BUCKET, BUCKET SALES - 13-- (330mm) - uses 3 teeth - SALES #6735414
2Артикул: BUCKET, BUCKET SALES - 16-- (406mm) - uses 4 teeth - SALES #6735418
3Артикул: BUCKET, BUCKET SALES - 18--(457mm) - uses 4 teeth - SALES #6735422
Подробнее >
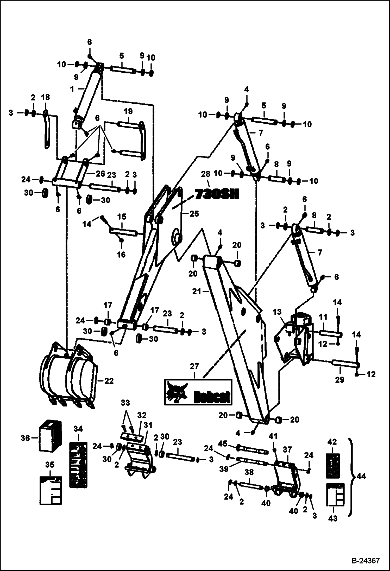
СТРЕЛА И ГИДРОЦИЛИНДР ЧЕРПАКА 730SH

СТРЕЛА И ГИДРОЦИЛИНДР ЧЕРПАКА 730SH

1Артикул: 7104122, CYLINDER, BOOM W/Ref. 2-6, 8-16
2Артикул: 7104123, SHAFT
3Артикул: 6539185, HEAD, CYL TILT
Подробнее >
ГИДРАВЛИЧЕСКИЙ ЗАХВАТ ЦИЛИНДРА 730SH

ГИДРАВЛИЧЕСКИЙ ЗАХВАТ ЦИЛИНДРА 730SH

1Артикул: 6588958, CYLINDER W/Ref. 2-8 - Was 6539238 - A
2Артикул: 6539223, PISTON
3Артикул: 6659989, WEAR RING
Подробнее >
СТРЕЛА И РУКОЯТЬ СТРЕЛЫ ЧЕРПАКА 730SH

СТРЕЛА И РУКОЯТЬ СТРЕЛЫ ЧЕРПАКА 730SH

1Артикул: CYLINDER, CYLINDER See Illustration CYLINDER BUCKET/ C3236A See Illustration CYLINDER BUCKET/ PE2641B BUCKET
2Артикул: 6584872, WASHER Was 7136272 - A
3Артикул: 22J24, RING SNAP Was 6538285 - B
Подробнее >
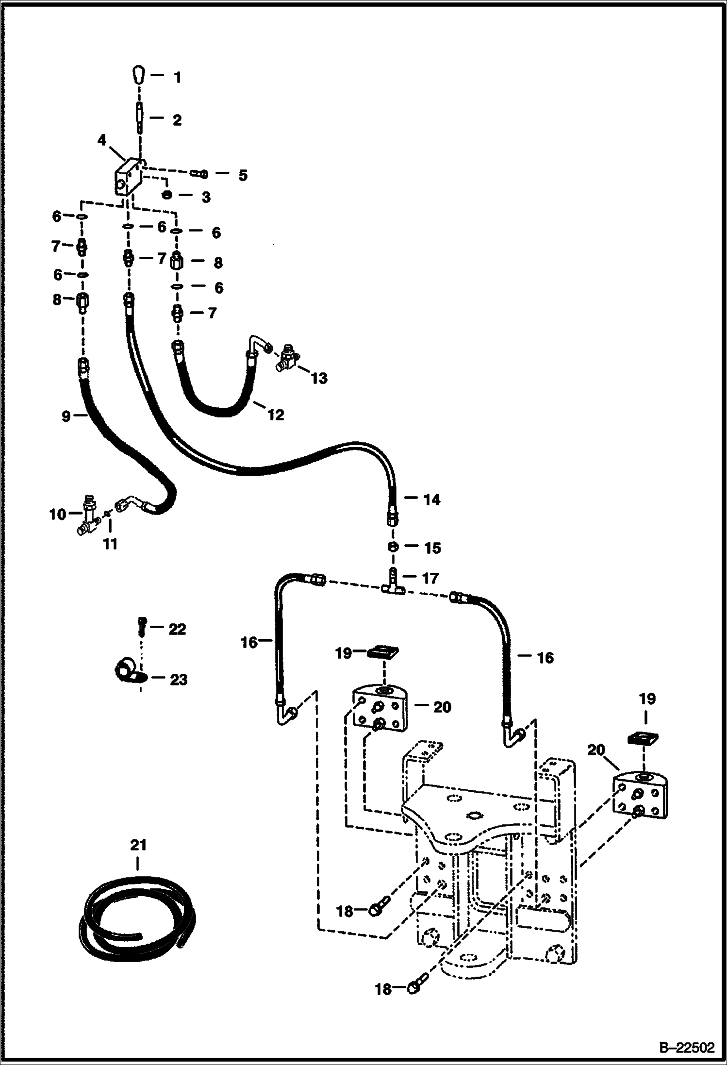
РАСПРЕДЕЛИТЕЛЬ РАСХОДНОГО КЛАПАНА, СХЕМА ГИДРАВЛИЧЕСКОЙ СИСТЕМЫ 730SH - СЕРИЙНЫЙ НОМЕР 646500499 И НИЖЕ

РАСПРЕДЕЛИТЕЛЬ РАСХОДНОГО КЛАПАНА, СХЕМА ГИДРАВЛИЧЕСКОЙ СИСТЕМЫ 730SH - СЕРИЙНЫЙ НОМЕР 646500499 И НИЖЕ

1Артикул: 84G3724, BOLT
2Артикул: 6806984, HOSE
3Артикул: 86F7, LOCK NUT
Подробнее >
КОМПЛЕКТ ДЛЯ ПЕРЕОБОРУДОВАНИЯ КОВША 730SH

КОМПЛЕКТ ДЛЯ ПЕРЕОБОРУДОВАНИЯ КОВША 730SH

1Артикул: 6586756, KIT Bucket Conversion - Convert 909-911 Bucket - W/Ref. 2-4 - Was 6576756 - D
2Артикул: 6560596, BUSHING
3Артикул: 6586757, PLATE
Подробнее >
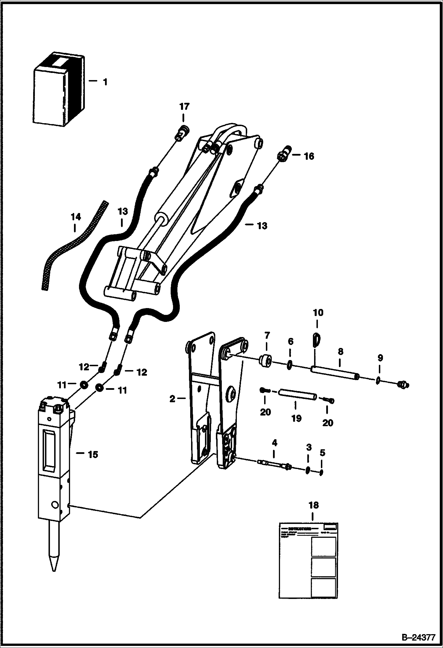
МОНТАЖНЫЙ КОМПЛЕКТ ДЛЯ ГИДРОМОЛОТА 2560, 3560, 2570, И 3570 BREAKER - 730SH

МОНТАЖНЫЙ КОМПЛЕКТ ДЛЯ ГИДРОМОЛОТА 2560, 3560, 2570, И 3570 BREAKER - 730SH

1Артикул: KIT, KIT SALES - W/Ref. 6 - 14, 16 - 18 - Sales # 6711715
2Артикул: 6705592, FRAME
3Артикул: 6728010, WASHER Locking - Was 6662308 - A
Подробнее >
УСТРОЙСТВА УПРАВЛЕНИЯ 730SH

УСТРОЙСТВА УПРАВЛЕНИЯ 730SH

1Артикул: 6532607, LOCK LOCK
2Артикул: 6610077, SPRING
3Артикул: 7D6, NUT
Подробнее >
СТАБИЛИЗАТОР ЦИЛИНДРА С УРАВНОВЕШИВАЮЩИМ КЛАПАНОМ 730SH

СТАБИЛИЗАТОР ЦИЛИНДРА С УРАВНОВЕШИВАЮЩИМ КЛАПАНОМ 730SH

1Артикул: 6589845, CYLINDER W/Ref. 2-19, 21
2Артикул: 6595002, TUBE
3Артикул: 92D12, NUT
Подробнее >
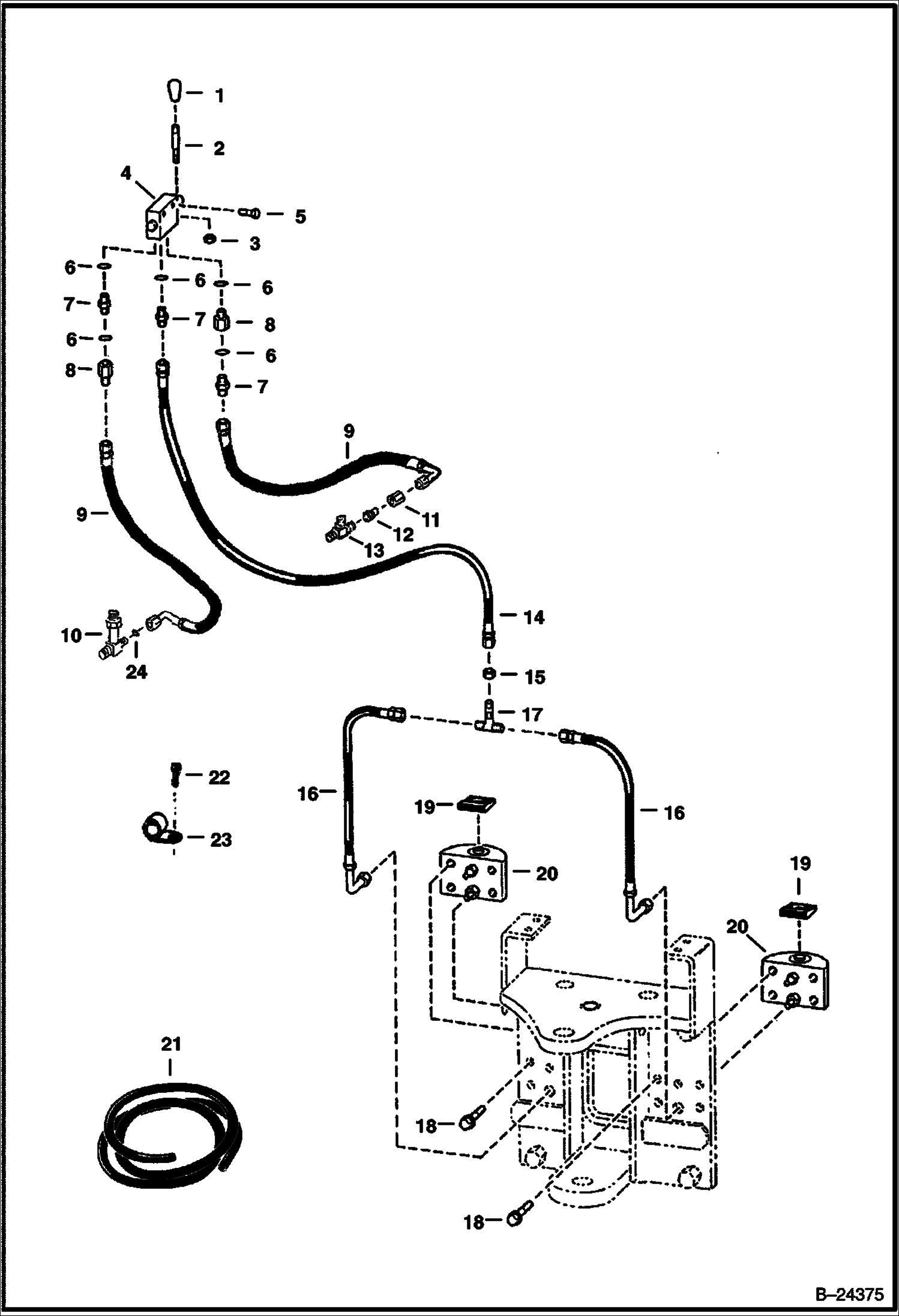
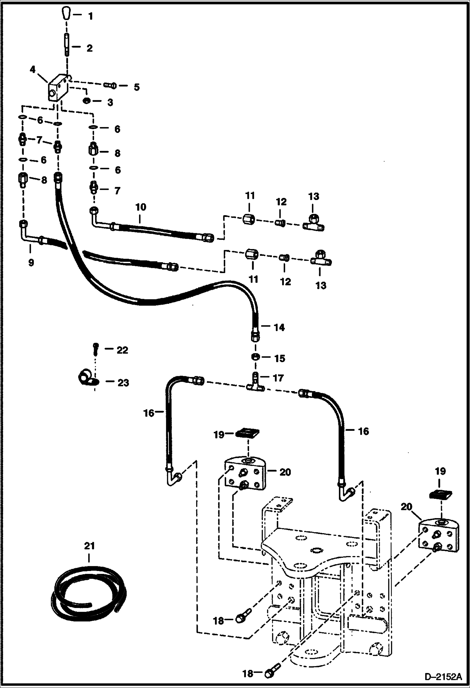
ГИДРОСИСТЕМА - ПОВОРОТ И СТАБИЛИЗАТОР 730SH

ГИДРОСИСТЕМА - ПОВОРОТ И СТАБИЛИЗАТОР 730SH

1Артикул: 21KB0606, FTG HYD STRAIGHT TEE Was 21KV00005B - A
2Артикул: 79K12, O RING 10
3Артикул: 6806117, TUBELINE
Подробнее >