+7 (701) 588 50 05 Телефон для связи
RU

WhatsApp

Позвонить

7BH ЭКСКАВАТОР-ПОГРУЗЧИК в Алматы

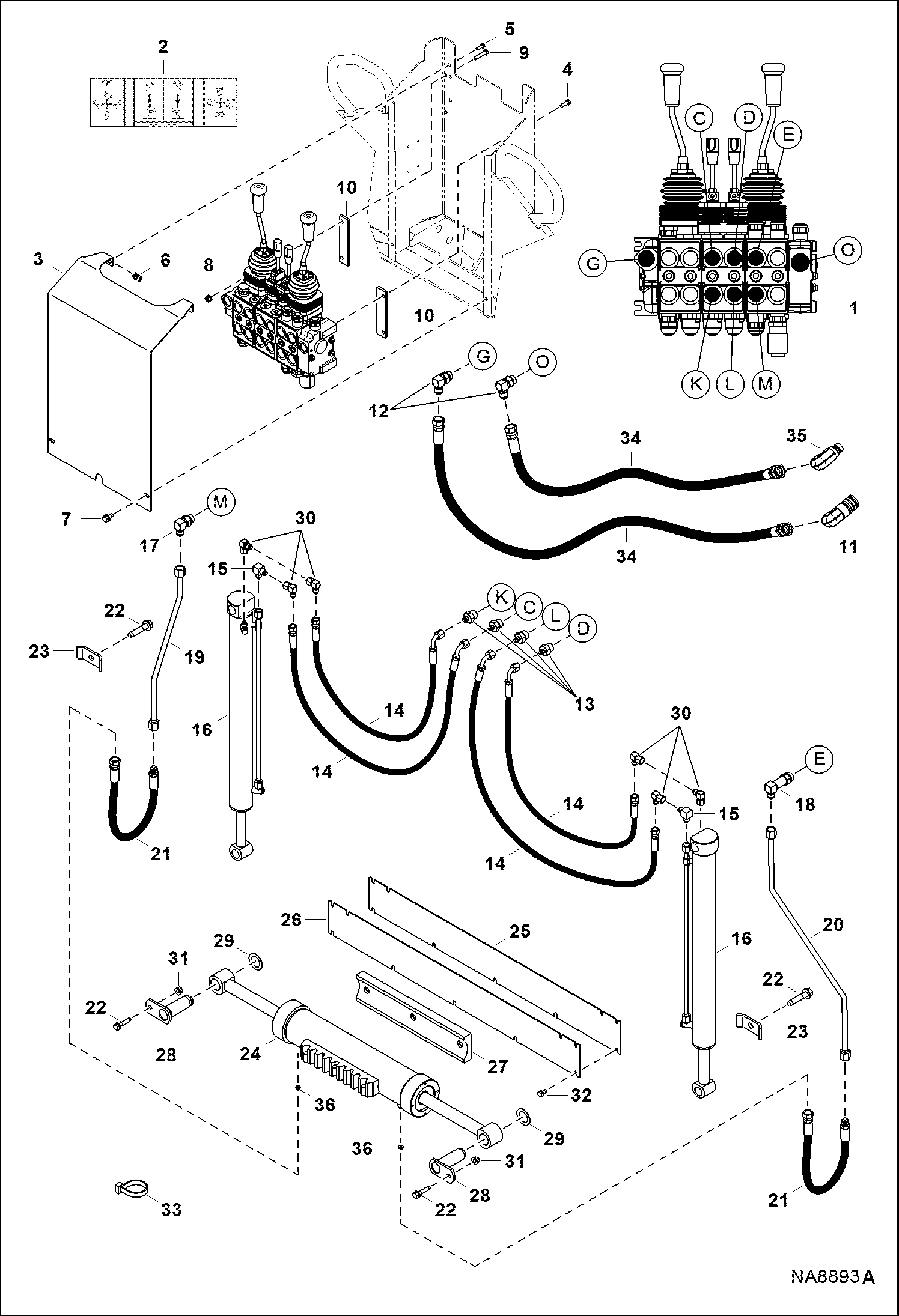
ЭКСКАВАТОР-ПОГРУЗЧИК (РЕГУЛИРУЮЩИЙ КЛАПАН - ДЖОЙСТИКИ) (7BH B3BG)

ЭКСКАВАТОР-ПОГРУЗЧИК (РЕГУЛИРУЮЩИЙ КЛАПАН - ДЖОЙСТИКИ) (7BH B3BG)

1Артикул: 7022328, JOYSTICK RH - Ref. 3-22, 24 & 25
2Артикул: 7022329, JOYSTICK LH - Ref. 3 & 5-25
3Артикул: 7022550, BOOT, RUBBER
Подробнее >
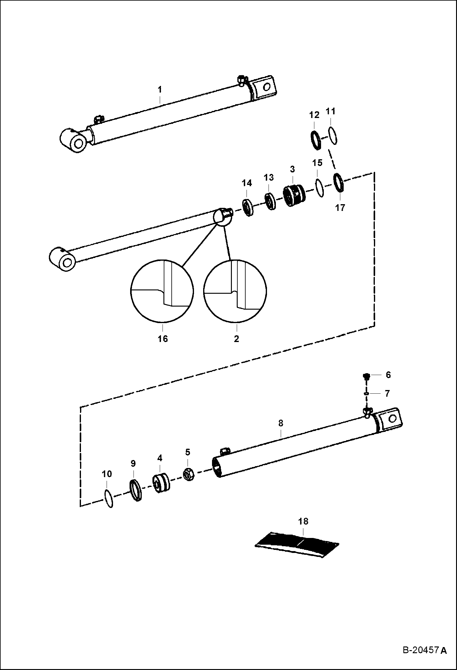
ЭКСКАВАТОР-ПОГРУЗЧИК (ЦИЛИНДР ПОВОРОТА) (7BH B3BG)

ЭКСКАВАТОР-ПОГРУЗЧИК (ЦИЛИНДР ПОВОРОТА) (7BH B3BG)

1Артикул: 6809901, CYLINDER ASMBLY Ref. 2-14
2Артикул: 947088, RING, BACK-UP
3Артикул: 6535294, CASE
Подробнее >
ЭКСКАВАТОР-ПОГРУЗЧИК (КОМПЛЕКТ ЗАЩЕЛОК) (7BH B3BG)

ЭКСКАВАТОР-ПОГРУЗЧИК (КОМПЛЕКТ ЗАЩЕЛОК) (7BH B3BG)

1Артикул: 7250445, KIT, LATCH Ref. 2-9
2Артикул: LATCH,, LATCH, BACKHOE See Illustration BACKHOE/ NA8839A RH
3Артикул: LATCH,, LATCH, BACKHOE See Illustration BACKHOE/ NA8839A LH
Подробнее >
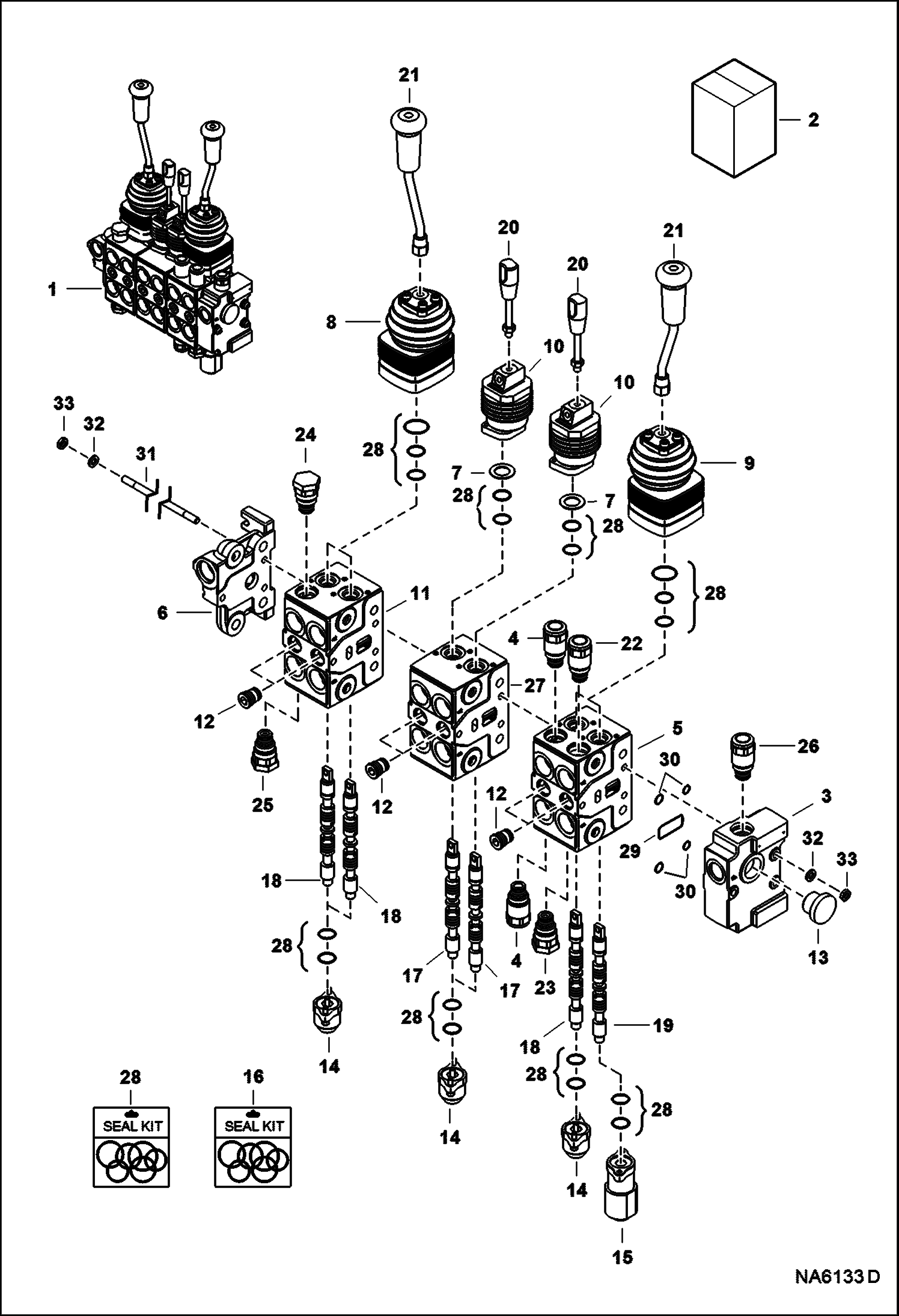
ЭКСКАВАТОР-ПОГРУЗЧИК (ГИДРАВЛИЧЕСКАЯ СХЕМА ГЛАВНОЙ РАМЫ) (7BH B3BG)

ЭКСКАВАТОР-ПОГРУЗЧИК (ГИДРАВЛИЧЕСКАЯ СХЕМА ГЛАВНОЙ РАМЫ) (7BH B3BG)

1Артикул: 7204326, VALVE, CONTROL See Illustration BACKHOE/ NA6133D
2Артикул: 7131327, DECAL control
3Артикул: 7130434, COVER
Подробнее >
ЭКСКАВАТОР-ПОГРУЗЧИК (РЕГУЛИРУЮЩИЙ КЛАПАН - УСТРОЙСТВА УПРАВЛЕНИЯ) (7BH B3BG)

ЭКСКАВАТОР-ПОГРУЗЧИК (РЕГУЛИРУЮЩИЙ КЛАПАН - УСТРОЙСТВА УПРАВЛЕНИЯ) (7BH B3BG)

1Артикул: CONTROL, CONTROL Ref. 2-17
2Артикул: 6693319, BOLT
3Артикул: CAP, CAP NSS - Order Ref. 1 - Was 6693320 - A
Подробнее >
ЭКСКАВАТОР-ПОГРУЗЧИК (РАМА ШАССИ) (7BH B3BG)

ЭКСКАВАТОР-ПОГРУЗЧИК (РАМА ШАССИ) (7BH B3BG)

1Артикул: 7BH, 7BH BACKHOE SALES #7243518 - Ref. 2-53
2Артикул: 6587384, HINGE, MOUNT SWIVEL
3Артикул: 6511880, PIN
Подробнее >
ЭКСКАВАТОР-ПОГРУЗЧИК (РЕГУЛИРУЮЩИЙ КЛАПАН) (7BH B3BG)

ЭКСКАВАТОР-ПОГРУЗЧИК (РЕГУЛИРУЮЩИЙ КЛАПАН) (7BH B3BG)

1Артикул: VALVE,, VALVE, CONTROL Ref. 2-33
2Артикул: 7022322, KIT, ROD TIE (3) of Ref. 31 & (6) each of Ref. 32 & 33
3Артикул: 7022323, SECTION, VALVE inlet
Подробнее >
ЭКСКАВАТОР-ПОГРУЗЧИК (ЦИЛИНДР СТРЕЛЫ) (С ВНЕШНЕЙ РЕЗЬБОВОЙ ШПИЛЬКОЙ И ГАЙКОЙ) (7BH B3BG)

ЭКСКАВАТОР-ПОГРУЗЧИК (ЦИЛИНДР СТРЕЛЫ) (С ВНЕШНЕЙ РЕЗЬБОВОЙ ШПИЛЬКОЙ И ГАЙКОЙ) (7BH B3BG)

1Артикул: 7103669, CYLINDER Ref. 2-6 & 8-18
2Артикул: 7103670, ROD
3Артикул: 6538367, HEAD, CYL TILT
Подробнее >
ЭКСКАВАТОР-ПОГРУЗЧИК (ЦИЛИНДР СТАБИЛИЗАТОРА) (7BH B3BG)

ЭКСКАВАТОР-ПОГРУЗЧИК (ЦИЛИНДР СТАБИЛИЗАТОРА) (7BH B3BG)

1Артикул: 6589431, CYLINDER Ref. 2-15 & 17
2Артикул: 6589432, CASE .83-- min. full thread
3Артикул: 92D12, NUT
Подробнее >
ЭКСКАВАТОР-ПОГРУЗЧИК (ЦИЛИНДР КОВША) (С ВНЕШНЕЙ РЕЗЬБОВОЙ ШПИЛЬКОЙ И ГАЙКОЙ) (7BH B3BG)

ЭКСКАВАТОР-ПОГРУЗЧИК (ЦИЛИНДР КОВША) (С ВНЕШНЕЙ РЕЗЬБОВОЙ ШПИЛЬКОЙ И ГАЙКОЙ) (7BH B3BG)

1Артикул: CYLINDER, CYLINDER NLA - Ref. 2-15 - Order 7147446 cylinder - Was 6539256 - A
2Артикул: CYLINDER, CYLINDER NLA - Ref. 2-15 - Order 7147446 cylinder - Was 6589252 - A
3Артикул: 7147446, CYLINDER Ref. 3-15 & 17 - Was 6589476 - A
Подробнее >
ЭКСКАВАТОР-ПОГРУЗЧИК (СХЕМА ГИДРАВЛИЧЕСКОЙ СИСТЕМЫ СТРЕЛЫ) (7BH B3BG)

ЭКСКАВАТОР-ПОГРУЗЧИК (СХЕМА ГИДРАВЛИЧЕСКОЙ СИСТЕМЫ СТРЕЛЫ) (7BH B3BG)

1Артикул: 7204326, VALVE, CONTROL See Illustration BACKHOE/ NA6133C
2Артикул: 17KB1010, FITTING, HYD ELBOW
3Артикул: 11K7, ADAPTER
Подробнее >
ЭКСКАВАТОР-ПОГРУЗЧИК (МОНТАЖНЫЙ КОМПЛЕКТ) (7BH B3BG)

ЭКСКАВАТОР-ПОГРУЗЧИК (МОНТАЖНЫЙ КОМПЛЕКТ) (7BH B3BG)

1Артикул: KIT,, KIT, BACKHOE MOUNT SALES #7228276 - Ref. 2-7
2Артикул: 7230333, PLATE, BACK
3Артикул: MOUNT,, MOUNT, BACKHOE NLA - Order Ref. 1 - Was 7228283 - A
Подробнее >
ЭКСКАВАТОР-ПОГРУЗЧИК (КОВШИ) (7BH B3BG)

ЭКСКАВАТОР-ПОГРУЗЧИК (КОВШИ) (7BH B3BG)

1Артикул: BUCKET, BUCKET SALES #6537130 - trenching - 12-- (304,8 mm)
2Артикул: BUCKET, BUCKET SALES #6537139 - trenching - 16-- (406,4 mm)
3Артикул: BUCKET, BUCKET SALES #6537143 - trenching - 20-- (508 mm)
Подробнее >
ЭКСКАВАТОР-ПОГРУЗЧИК (КОВШИ) (УСТАНАВЛИВАЮТСЯ СМЕННЫЕ) (7BH B3BG)

ЭКСКАВАТОР-ПОГРУЗЧИК (КОВШИ) (УСТАНАВЛИВАЮТСЯ СМЕННЫЕ) (7BH B3BG)

1Артикул: BUCKET, BUCKET SALES - 13-- (330 mm) - uses 3 teeth - SALES #6735414
2Артикул: BUCKET, BUCKET SALES - 16-- (406 mm) - uses 4 teeth - SALES #6735418
3Артикул: BUCKET, BUCKET SALES - 18--(457 mm) - uses 4 teeth - SALES #6735422
Подробнее >
ЭКСКАВАТОР-ПОГРУЗЧИК (СТРЕЛА И РУКОЯТЬ СТРЕЛЫ ЧЕРПАКА) (7BH B3BG)

ЭКСКАВАТОР-ПОГРУЗЧИК (СТРЕЛА И РУКОЯТЬ СТРЕЛЫ ЧЕРПАКА) (7BH B3BG)

1Артикул: 7147446, CYLINDER See Illustration BACKHOE/ B20457A - bucket
2Артикул: 6584872, WASHER
3Артикул: 30H38, CLIP
Подробнее >
ЭКСКАВАТОР-ПОГРУЗЧИК (ПРЕДУПРЕЖДАЮЩИЕ ТАБЛИЧКИ) (7BH B3BG)

ЭКСКАВАТОР-ПОГРУЗЧИК (ПРЕДУПРЕЖДАЮЩИЕ ТАБЛИЧКИ) (7BH B3BG)

1Артикул: 7166144, DECAL, WARNING
2Артикул: 7109473, DECAL, LOGO BOBCAT AND HEAD
3Артикул: 6815155, DECAL
Подробнее >
ЭКСКАВАТОР-ПОГРУЗЧИК (РЕГУЛИРУЮЩИЙ КЛАПАН) (КОМПЛЕКТ КАТУШЕК ВОЗВРАТА ПРУЖИНЫ) (7BH B3BG)

ЭКСКАВАТОР-ПОГРУЗЧИК (РЕГУЛИРУЮЩИЙ КЛАПАН) (КОМПЛЕКТ КАТУШЕК ВОЗВРАТА ПРУЖИНЫ) (7BH B3BG)

1Артикул: 7022335, KIT, SPOOL RETURN SPRING Ref. 2-22
2Артикул: 7022526, CAP, BONNET
3Артикул: 7022527, SPACER
Подробнее >
ЭКСКАВАТОР-ПОГРУЗЧИК (ГИДРОЦИЛИНДР ЧЕРПАКА) (2-- ДЛИННАЯ ГОЛОВКА ЦИЛИНДРА) (С ВНЕШНЕЙ РЕЗЬБОВОЙ ШПИЛЬКОЙ И ГАЙКОЙ) (7BH B3BG)

ЭКСКАВАТОР-ПОГРУЗЧИК (ГИДРОЦИЛИНДР ЧЕРПАКА) (2-- ДЛИННАЯ ГОЛОВКА ЦИЛИНДРА) (С ВНЕШНЕЙ РЕЗЬБОВОЙ ШПИЛЬКОЙ И ГАЙКОЙ) (7BH B3BG)

1Артикул: 7103776, CYLINDER Ref. 2-6 & 8-18
2Артикул: 7103777, ROD
3Артикул: 6538367, HEAD, CYL TILT
Подробнее >
ЭКСКАВАТОР-ПОГРУЗЧИК (ЗАДВИЖКИ) (7BH B3BG)

ЭКСКАВАТОР-ПОГРУЗЧИК (ЗАДВИЖКИ) (7BH B3BG)

1Артикул: 7250447, LATCH, BACKHOE RH - Ref. 3-12 & 14-19
2Артикул: 7250448, LATCH, BACKHOE LH - Ref. 3-11 & 13-19
3Артикул: 6532519, WASHER
Подробнее >