+7 (701) 588 50 05 Телефон для связи
RU

WhatsApp

Позвонить

907 ЭКСКАВАТОР-ПОГРУЗЧИК в Алматы

ЭКСКАВАТОР-ПОГРУЗЧИК (ЦИЛИНДР СТРЕЛЫ) (907)

ЭКСКАВАТОР-ПОГРУЗЧИК (ЦИЛИНДР СТРЕЛЫ) (907)

1Артикул: 6592180, CYLINDER Ref. 2-13
2Артикул: 6592129, CASE
3Артикул: 6810539, NUT Was 6804592 - A
Подробнее >
ЭКСКАВАТОР-ПОГРУЗЧИК (СТРЕЛА И РУКОЯТЬ СТРЕЛЫ ЧЕРПАКА) (907)

ЭКСКАВАТОР-ПОГРУЗЧИК (СТРЕЛА И РУКОЯТЬ СТРЕЛЫ ЧЕРПАКА) (907)

1Артикул: 6531366, RING retainer - Was 1321168B - A
2Артикул: 6531365, WASHER .125-- (3,18mm) thick - Was 742053B - A
3Артикул: 6561846, PIN
Подробнее >
ЭКСКАВАТОР-ПОГРУЗЧИК (ГИДРАВЛИКА ОСНОВНОЙ РАМЫ С HUSCO КЛАПАНОМ) (907 195601426 И ВЫШЕ)

ЭКСКАВАТОР-ПОГРУЗЧИК (ГИДРАВЛИКА ОСНОВНОЙ РАМЫ С HUSCO КЛАПАНОМ) (907 195601426 И ВЫШЕ)

1Артикул: 6519195, ELBOW W/Ref. 2
2Артикул: 79K10, O RING 10 Use with poppet couplers
3Артикул: 79K12, O RING 10 Use with flush face couplers
Подробнее >
ЭКСКАВАТОР-ПОГРУЗЧИК (КОМПЛЕКТ ДЛЯ ПЕРЕОБОРУДОВАНИЯ ШАРА КРОНШТЕЙНА) (907)

ЭКСКАВАТОР-ПОГРУЗЧИК (КОМПЛЕКТ ДЛЯ ПЕРЕОБОРУДОВАНИЯ ШАРА КРОНШТЕЙНА) (907)

1Артикул: MOUNT, MOUNT KIT NLA - Ref. 2-4 - this kit can be added to the 709 backhoe mounting kit 6538707 (753, S130 & T140 Loader) for mounting a 907 or 909 backhoe - Was 6538426 - A
2Артикул: 6538422, MOUNT
3Артикул: 31C1236, BOLT
Подробнее >
ЭКСКАВАТОР-ПОГРУЗЧИК (КЛАПАН) (CESSNA) (907 195600101 - 01425)

ЭКСКАВАТОР-ПОГРУЗЧИК (КЛАПАН) (CESSNA) (907 195600101 - 01425)

1Артикул: VALVE, VALVE NLA - control - less Ref. 22 - Was 6592447 - A
2Артикул: 6510041, PLATE end
3Артикул: SECTION, SECTION NSS - valve (boom) - Order Ref. 1 - Was 6598345 - A
Подробнее >
ЭКСКАВАТОР-ПОГРУЗЧИК (АВТОСЦЕПКА В СБОРЕ) (907)

ЭКСКАВАТОР-ПОГРУЗЧИК (АВТОСЦЕПКА В СБОРЕ) (907)

1Артикул: 6562600, COUPLER Ref. 2-8
2Артикул: WHEEL, WHEEL NSS
3Артикул: HOUSING, HOUSING NSS
Подробнее >
ЭКСКАВАТОР-ПОГРУЗЧИК (ЦИЛИНДР СТАБИЛИЗАТОРА) (BOBCAT) (907)

ЭКСКАВАТОР-ПОГРУЗЧИК (ЦИЛИНДР СТАБИЛИЗАТОРА) (BOBCAT) (907)

1Артикул: 7102042, CYLINDER Was 6592266 - A
2Артикул: 7102043, BARREL W/head assy. - Was 6592802 - A
3Артикул: 6592274, BARREL outer
Подробнее >
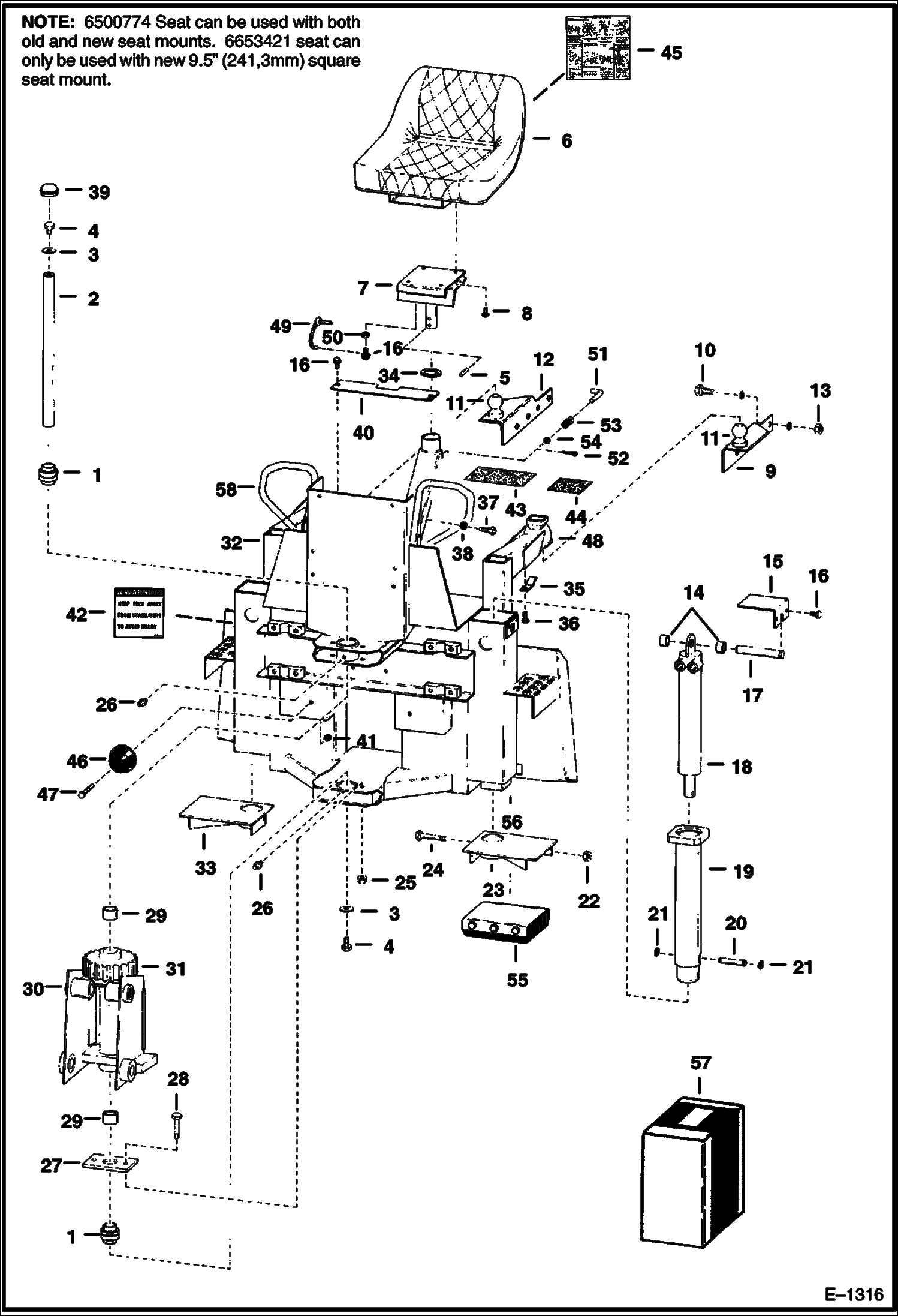
ЭКСКАВАТОР-ПОГРУЗЧИК (РАМА ШАССИ) (907)

ЭКСКАВАТОР-ПОГРУЗЧИК (РАМА ШАССИ) (907)

1Артикул: 6519337, BEARING
2Артикул: 6592348, SHAFT
3Артикул: 6560416, WASHER
Подробнее >
ЭКСКАВАТОР-ПОГРУЗЧИК (ЦИЛИНДР ПОВОРОТА) (907)

ЭКСКАВАТОР-ПОГРУЗЧИК (ЦИЛИНДР ПОВОРОТА) (907)

1Артикул: CYLINDER, CYLINDER NLA - swing - Ref. 2-9 - Order components - Was 6562122 - A
2Артикул: 6598818, CASE
3Артикул: 25K60224, O RING 10 Was NSS - D
Подробнее >
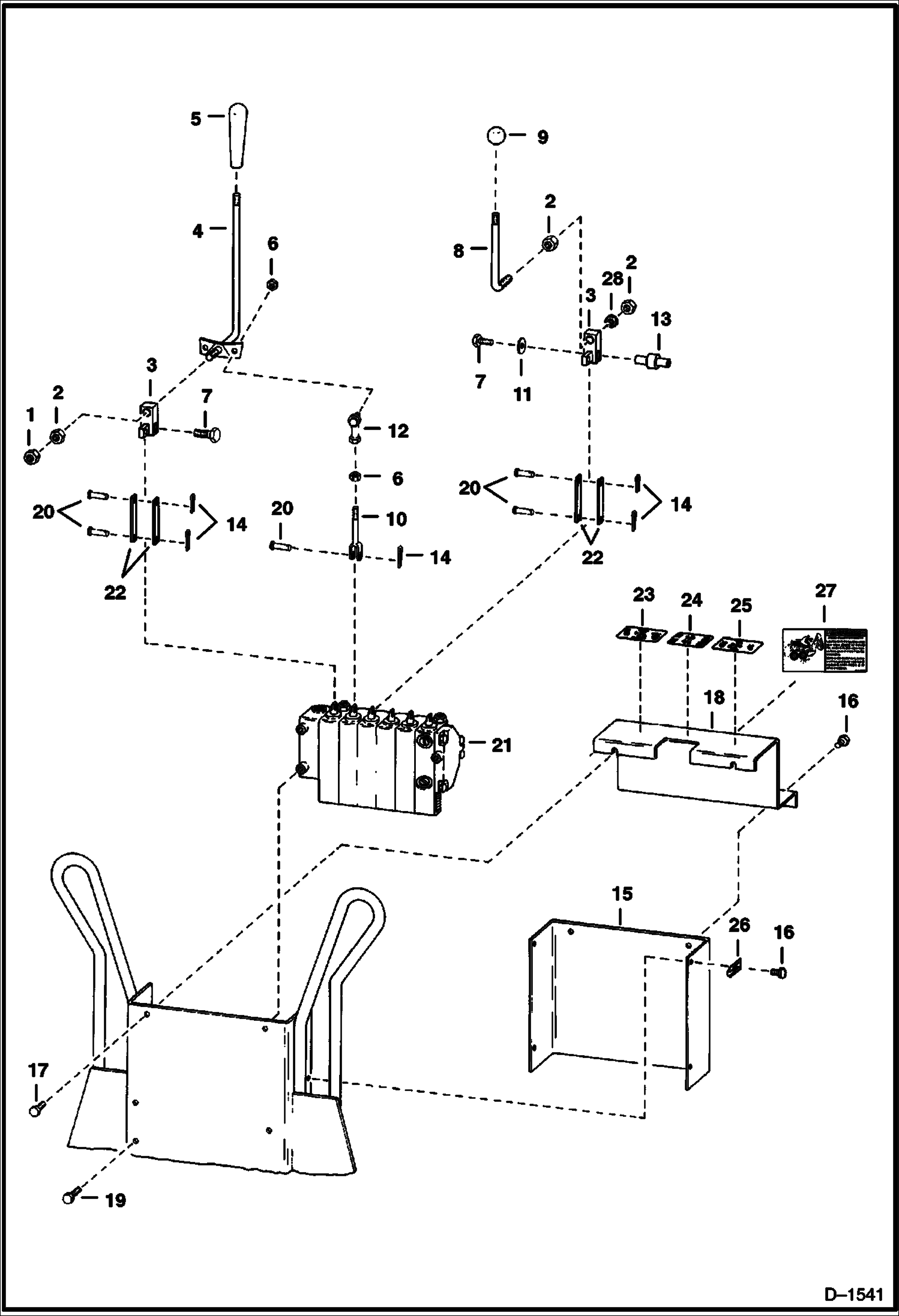
ЭКСКАВАТОР-ПОГРУЗЧИК (РУКОЯТИ УПРАВЛЕНИЯ С HUSCO КЛАПАНОМ) (907 195601426 И ВЫШЕ)

ЭКСКАВАТОР-ПОГРУЗЧИК (РУКОЯТИ УПРАВЛЕНИЯ С HUSCO КЛАПАНОМ) (907 195601426 И ВЫШЕ)

1Артикул: 85D8, NUT, 5
2Артикул: 7D8, NUT 5
3Артикул: 6591949, BLOCK cast - aluminum
Подробнее >
ЭКСКАВАТОР-ПОГРУЗЧИК (ГИДРАВЛИКА ОСНОВНОЙ РАМЫ С CESSNA КЛАПАНОМ) (907 195600101 - 01425)

ЭКСКАВАТОР-ПОГРУЗЧИК (ГИДРАВЛИКА ОСНОВНОЙ РАМЫ С CESSNA КЛАПАНОМ) (907 195600101 - 01425)

1Артикул: 15K7, FITTING W/Ref. 2
2Артикул: 79K10, O RING 10 Use with poppet couplers
3Артикул: 79K12, O RING 10 Use with flush face couplers
Подробнее >
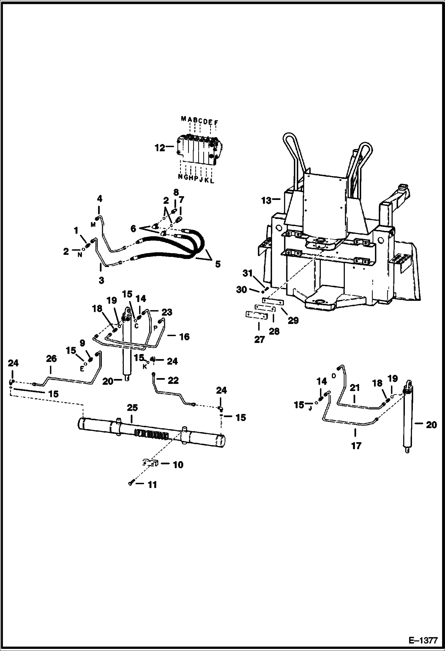
ЭКСКАВАТОР-ПОГРУЗЧИК (СХЕМА ГИДРАВЛИЧЕСКОЙ СИСТЕМЫ СТРЕЛЫ С CESSNA КЛАПАНОМ) (907 195600101 - 01425)

ЭКСКАВАТОР-ПОГРУЗЧИК (СХЕМА ГИДРАВЛИЧЕСКОЙ СИСТЕМЫ СТРЕЛЫ С CESSNA КЛАПАНОМ) (907 195600101 - 01425)

1Артикул: 79K8, O RING 10
2Артикул: 15K6, ADAPTER W/Ref. 1
3Артикул: 6561253, TUBE
Подробнее >
ЭКСКАВАТОР-ПОГРУЗЧИК (СХЕМА ГИДРАВЛИЧЕСКОЙ СИСТЕМЫ СТРЕЛЫ С HUSCO КЛАПАНОМ) (907 195601426 И ВЫШЕ)

ЭКСКАВАТОР-ПОГРУЗЧИК (СХЕМА ГИДРАВЛИЧЕСКОЙ СИСТЕМЫ СТРЕЛЫ С HUSCO КЛАПАНОМ) (907 195601426 И ВЫШЕ)

1Артикул: 79K8, O RING 10
2Артикул: 15K6, ADAPTER W/Ref. 1
3Артикул: 6592843, TUBE
Подробнее >
ЭКСКАВАТОР-ПОГРУЗЧИК (МОНТАЖНЫЙ КОМПЛЕКТ) (907)

ЭКСКАВАТОР-ПОГРУЗЧИК (МОНТАЖНЫЙ КОМПЛЕКТ) (907)

1Артикул: MOUNT, MOUNT KIT NLA - Ref. 2-5 & 15 - Was 6562446 - A
2Артикул: 6561942, MOUNT L.H.
3Артикул: 6561943, MOUNT R.H.
Подробнее >
ЭКСКАВАТОР-ПОГРУЗЧИК (КОВШ И ЦИЛИНДР РУКОЯТИ СТРЕЛЫ ЧЕРПАКА) (907)

ЭКСКАВАТОР-ПОГРУЗЧИК (КОВШ И ЦИЛИНДР РУКОЯТИ СТРЕЛЫ ЧЕРПАКА) (907)

1Артикул: 6591927, CYLINDER Ref. 2-12
2Артикул: 6592022, CASE
3Артикул: 6810539, NUT Was 6804592 - A
Подробнее >
ЭКСКАВАТОР-ПОГРУЗЧИК (КОВШИ) (С 4-- (101,6 ММ) ЛЕЗВИЕ) (907)

ЭКСКАВАТОР-ПОГРУЗЧИК (КОВШИ) (С 4-- (101,6 ММ) ЛЕЗВИЕ) (907)

1Артикул: BUCKET, BUCKET SALES - std.
2Артикул: 6541151, EDGE, SIDE RH 17.31--
3Артикул: 6541150, EDGE. SIDE LH 17.31--
Подробнее >
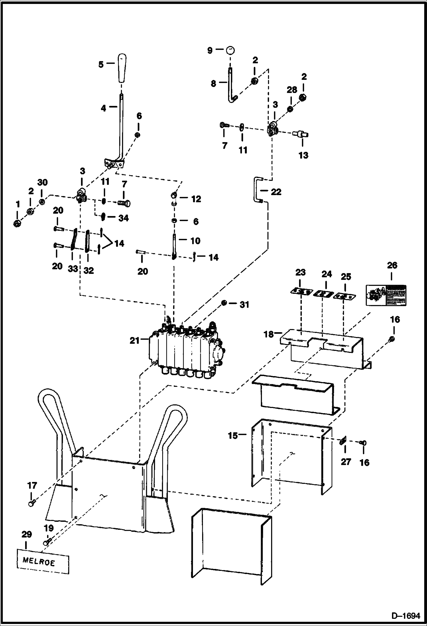
ЭКСКАВАТОР-ПОГРУЗЧИК (РУКОЯТИ УПРАВЛЕНИЯ С CESSNA КЛАПАНОМ) (907 195600101 - 01425)

ЭКСКАВАТОР-ПОГРУЗЧИК (РУКОЯТИ УПРАВЛЕНИЯ С CESSNA КЛАПАНОМ) (907 195600101 - 01425)

1Артикул: 85D8, NUT, 5
2Артикул: 61D8, NUT 5
3Артикул: BLOCK, BLOCK NLA - steel - Order 6591949 Ref. 28
Подробнее >
ЭКСКАВАТОР-ПОГРУЗЧИК (КОВШИ) (С 6-- (152,4 ММ) ЛЕЗВИЕ) (907)

ЭКСКАВАТОР-ПОГРУЗЧИК (КОВШИ) (С 6-- (152,4 ММ) ЛЕЗВИЕ) (907)

1Артикул: BUCKET, BUCKET SALES - trenching
2Артикул: 6593185, EDGE, CUTTING WELD-ON SIDE L.H.
3Артикул: 6593184, EDGE, CUTTING WELD-ON SIDE R.H.
Подробнее >
ЭКСКАВАТОР-ПОГРУЗЧИК (ЦИЛИНДР СТАБИЛИЗАТОРА) (CESSNA) (907)

ЭКСКАВАТОР-ПОГРУЗЧИК (ЦИЛИНДР СТАБИЛИЗАТОРА) (CESSNA) (907)

1Артикул: CYLINDER, CYLINDER See Illustration BACKHOE/ B20477 NLA - Order 7102042
2Артикул: 6598339, BARREL W/head assy.
3Артикул: 6598341, BARREL outer
Подробнее >
ЭКСКАВАТОР-ПОГРУЗЧИК (КЛАПАН) (HUSCO) (907 195601426 И ВЫШЕ)

ЭКСКАВАТОР-ПОГРУЗЧИК (КЛАПАН) (HUSCO) (907 195601426 И ВЫШЕ)

1Артикул: 6655020, VALVE Was 6651860 - A
2Артикул: 62D6, NUT 5
3Артикул: 61D5, NUT
Подробнее >