+7 (701) 588 50 05 Телефон для связи
RU

WhatsApp

Позвонить

908B ЭКСКАВАТОР-ПОГРУЗЧИК в Алматы

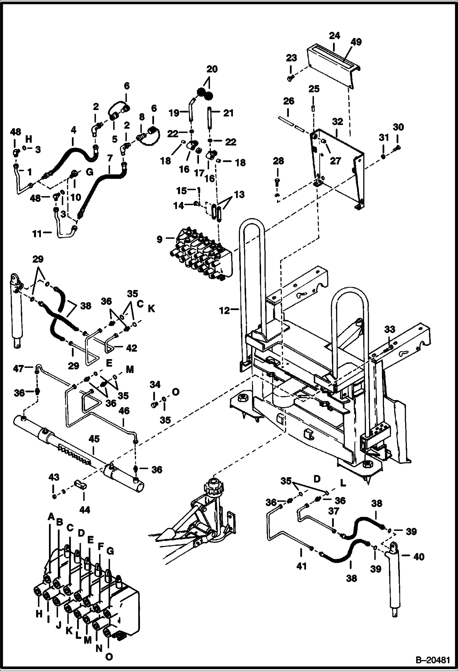
ЭКСКАВАТОР-ПОГРУЗЧИК (ГИДРАВЛИКА ОСНОВНОЙ РАМЫ) (908B)

ЭКСКАВАТОР-ПОГРУЗЧИК (ГИДРАВЛИКА ОСНОВНОЙ РАМЫ) (908B)

1Артикул: 6519819, TUBE
2Артикул: 17K7, ELBOW Use with poppet couplers
3Артикул: 17KB1012, FITTING, HYD ELBOW Use with flush face couplers - Was 1302104B - A
Подробнее >
ЭКСКАВАТОР-ПОГРУЗЧИК (КЛАПАН) (CESSNA) (908A)

ЭКСКАВАТОР-ПОГРУЗЧИК (КЛАПАН) (CESSNA) (908A)

1Артикул: VALVE, VALVE NLA - Was 6558054 - A
2Артикул: 4149056, END PLATE end
3Артикул: 4149060, VALVE valve - bucket, stabilizer & swing sections - Was 4149060B - A
Подробнее >
ЭКСКАВАТОР-ПОГРУЗЧИК (ЦИЛИНДР СТАБИЛИЗАТОРА) (BOBCAT) (908A) (908B)

ЭКСКАВАТОР-ПОГРУЗЧИК (ЦИЛИНДР СТАБИЛИЗАТОРА) (BOBCAT) (908A) (908B)

1Артикул: 7102042, CYLINDER Was 6592266 - A
2Артикул: 7102043, BARREL W/head assy. - Was 6592802 - A
3Артикул: 6592274, BARREL outer
Подробнее >
ЭКСКАВАТОР-ПОГРУЗЧИК (СТРЕЛА, КОВШ И ЦИЛИНДР РУКОЯТИ СТРЕЛЫ ЧЕРПАКА) (908A) (908B)

ЭКСКАВАТОР-ПОГРУЗЧИК (СТРЕЛА, КОВШ И ЦИЛИНДР РУКОЯТИ СТРЕЛЫ ЧЕРПАКА) (908A) (908B)

1Артикул: 6513695, CYLINDER Ref. 2-18
2Артикул: 6513718, BARREL
3Артикул: 11H15, GREASE FITTING
Подробнее >
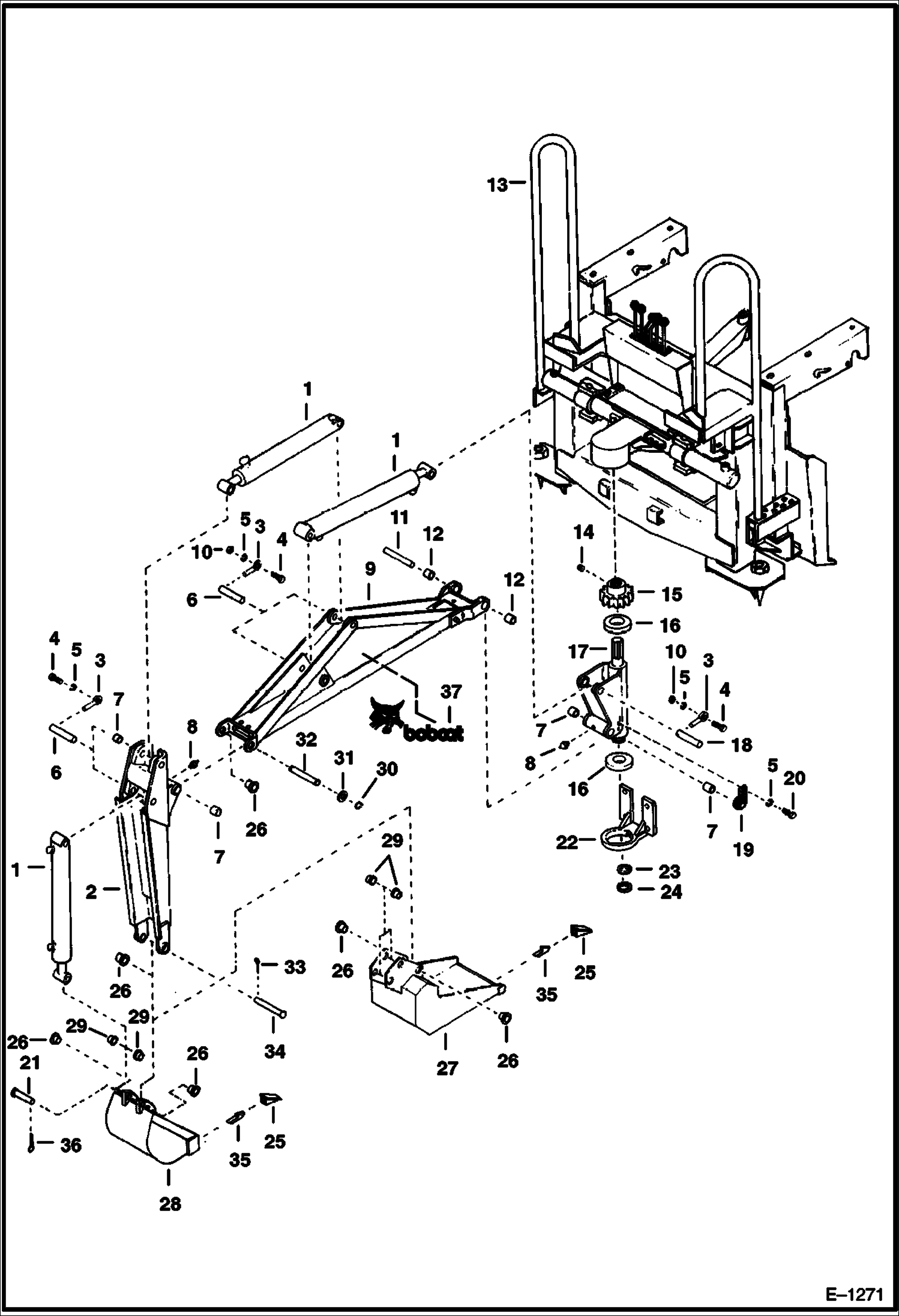
ЭКСКАВАТОР-ПОГРУЗЧИК (РАМА ШАССИ) (908B)

ЭКСКАВАТОР-ПОГРУЗЧИК (РАМА ШАССИ) (908B)

1Артикул: BOOM, BOOM See Illustration BACKHOE/ E1271
2Артикул: 6502468, SPIKE
3Артикул: 1F420, CTTR PIN
Подробнее >
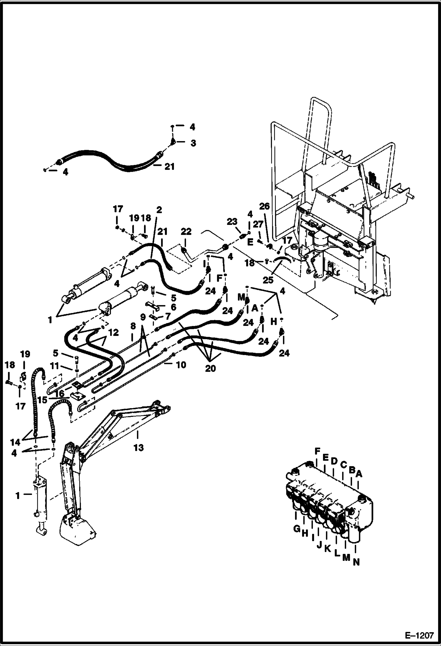
ЭКСКАВАТОР-ПОГРУЗЧИК (СХЕМА ГИДРАВЛИЧЕСКОЙ СИСТЕМЫ СТРЕЛЫ) (СО СТРАРЫМ ЦИЛИНДРОМ) (908A)

ЭКСКАВАТОР-ПОГРУЗЧИК (СХЕМА ГИДРАВЛИЧЕСКОЙ СИСТЕМЫ СТРЕЛЫ) (СО СТРАРЫМ ЦИЛИНДРОМ) (908A)

1Артикул: CYLINDER, CYLINDER See Illustration BACKHOE/ B3315A See Illustration BACKHOE/ C2885A BTI 110
2Артикул: 6557833, HOSE
3Артикул: 18K6, FITTING W/Ref. 4
Подробнее >
ЭКСКАВАТОР-ПОГРУЗЧИК (СТРЕЛА, КОВШ И ЦИЛИНДР РУКОЯТИ СТРЕЛЫ ЧЕРПАКА) (908A)

ЭКСКАВАТОР-ПОГРУЗЧИК (СТРЕЛА, КОВШ И ЦИЛИНДР РУКОЯТИ СТРЕЛЫ ЧЕРПАКА) (908A)

1Артикул: CYLINDER, CYLINDER See BTI110 NLA - lantex - Was 6512877 - A
2Артикул: 10H25, FITTING, GREASE 5
3Артикул: 6512890, ROD
Подробнее >
ЭКСКАВАТОР-ПОГРУЗЧИК (СТРЕЛА И РУКОЯТЬ СТРЕЛЫ ЧЕРПАКА) (908A)

ЭКСКАВАТОР-ПОГРУЗЧИК (СТРЕЛА И РУКОЯТЬ СТРЕЛЫ ЧЕРПАКА) (908A)

1Артикул: 17C624, BOLT 5
2Артикул: 6517976, RETAINER
3Артикул: 6517959, BUSHING
Подробнее >
ЭКСКАВАТОР-ПОГРУЗЧИК (КЛАПАН) (CESSNA) (908B)

ЭКСКАВАТОР-ПОГРУЗЧИК (КЛАПАН) (CESSNA) (908B)

1Артикул: 6518006, VALVE
2Артикул: 4149056, END PLATE end
3Артикул: SECTION, SECTION valve - bucket, stabilizer & swing sections - Was 4149060B - A
Подробнее >
ЭКСКАВАТОР-ПОГРУЗЧИК (МОНТАЖНЫЙ КОМПЛЕКТ ДЛЯ ОБРАТНОЙ ЛОПАТЫ) (908A)

ЭКСКАВАТОР-ПОГРУЗЧИК (МОНТАЖНЫЙ КОМПЛЕКТ ДЛЯ ОБРАТНОЙ ЛОПАТЫ) (908A)

1Артикул: KIT, KIT NLA - mounting - Order Ref. 2-8
2Артикул: 6557892, SPRING
3Артикул: 6557916, BRACKET mounting - R.H.
Подробнее >
ЭКСКАВАТОР-ПОГРУЗЧИК (ГИДРАВЛИКА ОСНОВНОЙ РАМЫ) (908A)

ЭКСКАВАТОР-ПОГРУЗЧИК (ГИДРАВЛИКА ОСНОВНОЙ РАМЫ) (908A)

1Артикул: 6560315, HOSE
2Артикул: 17K7, ELBOW W/Ref. 3
3Артикул: 79K10, O RING 10
Подробнее >
ЭКСКАВАТОР-ПОГРУЗЧИК (ЦИЛИНДР ПОВОРОТА) (908A) (908B)

ЭКСКАВАТОР-ПОГРУЗЧИК (ЦИЛИНДР ПОВОРОТА) (908A) (908B)

1Артикул: 6518012, CYLINDER swing - Ref. 2-9
2Артикул: 6518044, CASE
3Артикул: 6653101, O-RING Was NSS - D
Подробнее >
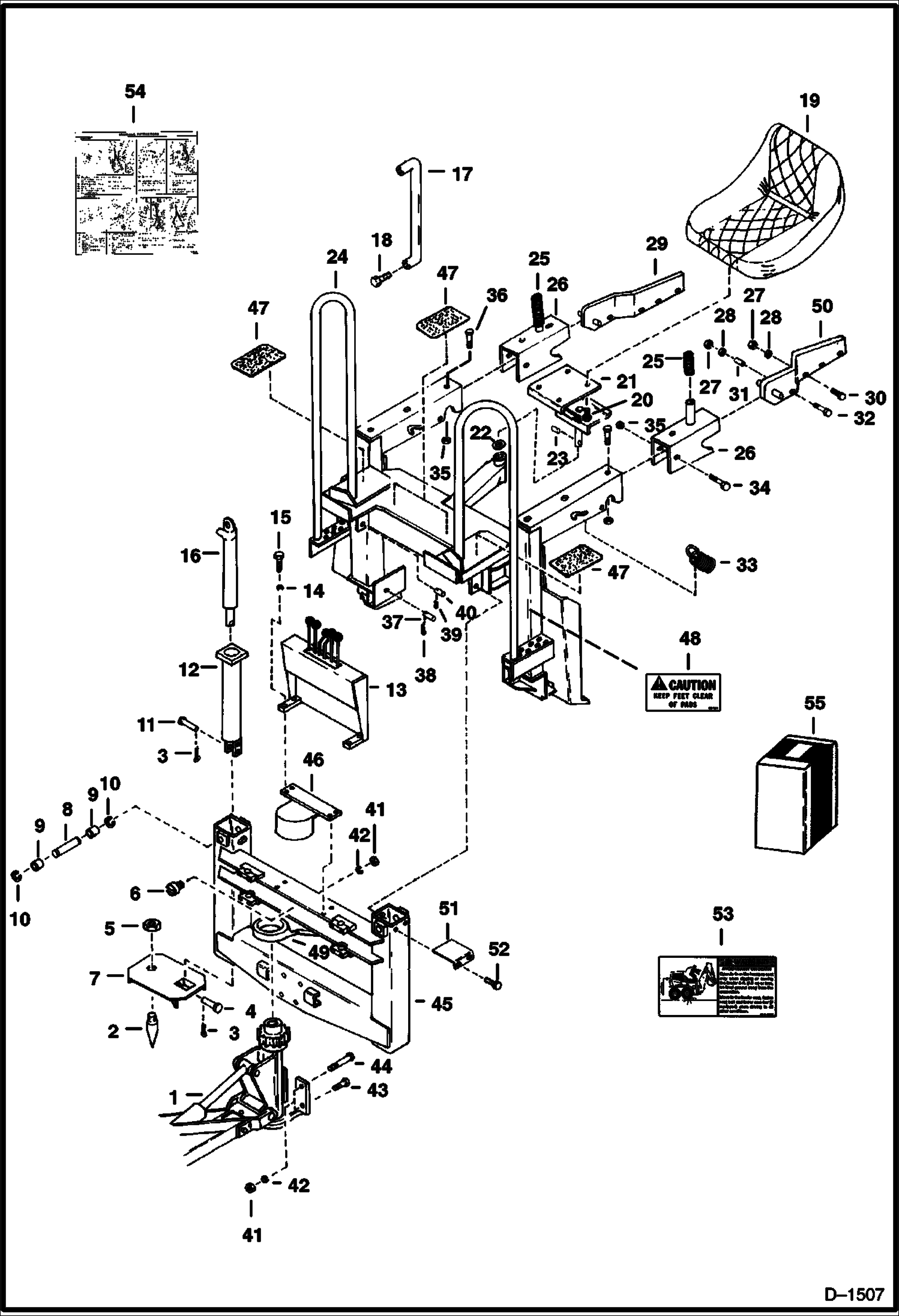
ЭКСКАВАТОР-ПОГРУЗЧИК (СХЕМА ГИДРАВЛИЧЕСКОЙ СИСТЕМЫ СТРЕЛЫ) (908B)

ЭКСКАВАТОР-ПОГРУЗЧИК (СХЕМА ГИДРАВЛИЧЕСКОЙ СИСТЕМЫ СТРЕЛЫ) (908B)

1Артикул: MAIN, MAIN FRAME See Illustration BACKHOE/ D1507
2Артикул: SCREW, SCREW NLA - machine - Was 89G000424B - A
3Артикул: 6518020, CLAMP
Подробнее >
ЭКСКАВАТОР-ПОГРУЗЧИК (ЦИЛИНДР СТАБИЛИЗАТОРА) (CESSNA) (908A) (908B)

ЭКСКАВАТОР-ПОГРУЗЧИК (ЦИЛИНДР СТАБИЛИЗАТОРА) (CESSNA) (908A) (908B)

1Артикул: CYLINDER, CYLINDER See Illustration BACKHOE/ B20477A NLA - Order 7102042
2Артикул: 6598339, BARREL W/head assy.
3Артикул: 6598341, BARREL outer
Подробнее >
ЭКСКАВАТОР-ПОГРУЗЧИК (СТРЕЛА И РУКОЯТЬ СТРЕЛЫ ЧЕРПАКА) (908B)

ЭКСКАВАТОР-ПОГРУЗЧИК (СТРЕЛА И РУКОЯТЬ СТРЕЛЫ ЧЕРПАКА) (908B)

1Артикул: 6513695, CYLINDER See Illustration BACKHOE/ B3315A
2Артикул: 6517969, CROWD W/Ref. 7 & 8
3Артикул: 6517976, RETAINER
Подробнее >
ЭКСКАВАТОР-ПОГРУЗЧИК (СХЕМА ГИДРАВЛИЧЕСКОЙ СИСТЕМЫ СТРЕЛЫ) (С НОВЫМ ЦИЛИНДРОМ) (908A)

ЭКСКАВАТОР-ПОГРУЗЧИК (СХЕМА ГИДРАВЛИЧЕСКОЙ СИСТЕМЫ СТРЕЛЫ) (С НОВЫМ ЦИЛИНДРОМ) (908A)

1Артикул: 6513695, CYLINDER See Illustration BACKHOE/ B3315A
2Артикул: 6559885, HOSE
3Артикул: 18K6, FITTING W/Ref. 4
Подробнее >
ЭКСКАВАТОР-ПОГРУЗЧИК (КОВШИ) (С 6-- (152,4 ММ) ЛЕЗВИЕ) (908A) (908B)

ЭКСКАВАТОР-ПОГРУЗЧИК (КОВШИ) (С 6-- (152,4 ММ) ЛЕЗВИЕ) (908A) (908B)

1Артикул: BUCKET, BUCKET SALES - trenching
2Артикул: 6593185, EDGE, CUTTING WELD-ON SIDE L.H.
3Артикул: 6593184, EDGE, CUTTING WELD-ON SIDE R.H.
Подробнее >
ЭКСКАВАТОР-ПОГРУЗЧИК (КОВШИ) (С 4-- (101,6 ММ) ЛЕЗВИЕ) (908A) (908B)

ЭКСКАВАТОР-ПОГРУЗЧИК (КОВШИ) (С 4-- (101,6 ММ) ЛЕЗВИЕ) (908A) (908B)

1Артикул: BUCKET, BUCKET SALES - Std.
2Артикул: 6541151, EDGE, SIDE RH 17.31--
3Артикул: 6541150, EDGE. SIDE LH 17.31--
Подробнее >
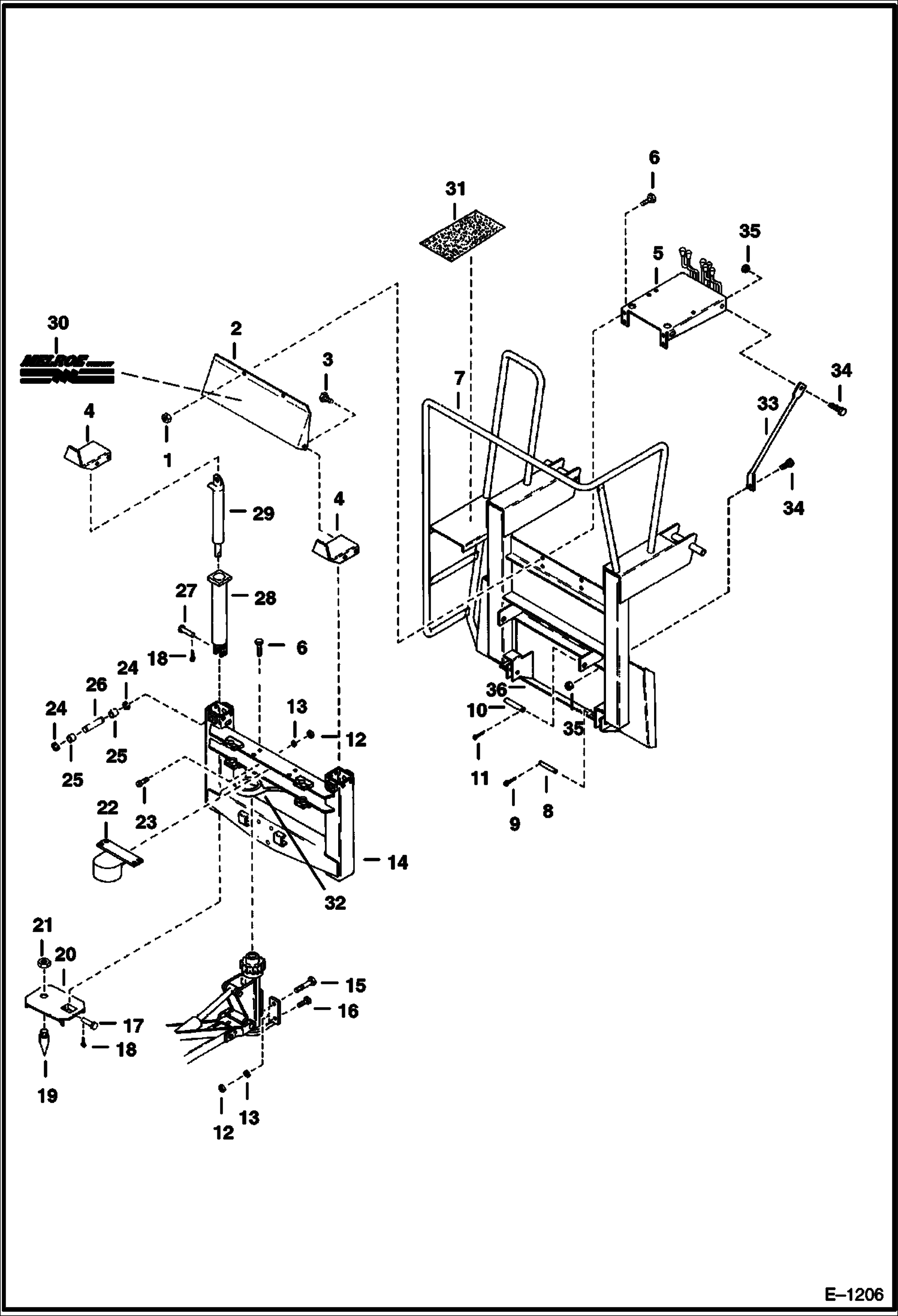
ЭКСКАВАТОР-ПОГРУЗЧИК (РАМА ШАССИ) (908A)

ЭКСКАВАТОР-ПОГРУЗЧИК (РАМА ШАССИ) (908A)

1Артикул: 81D6, NUT
2Артикул: 6558060, COVER
3Артикул: 84G3112, BOLT 5 Was 14G-512 - A
Подробнее >