+7 (701) 588 50 05 Телефон для связи
RU

WhatsApp

Позвонить

928S ЭКСКАВАТОР-ПОГРУЗЧИК в Алматы

АВТОСЦЕПКА В СБОРЕ 928S

АВТОСЦЕПКА В СБОРЕ 928S

1Артикул: 6562600, COUPLER W/Ref. 2-8
2Артикул: WHEEL, WHEEL NSS - Order Ref. 10
3Артикул: HOUSING, HOUSING NSS - Order Ref. 1
Подробнее >
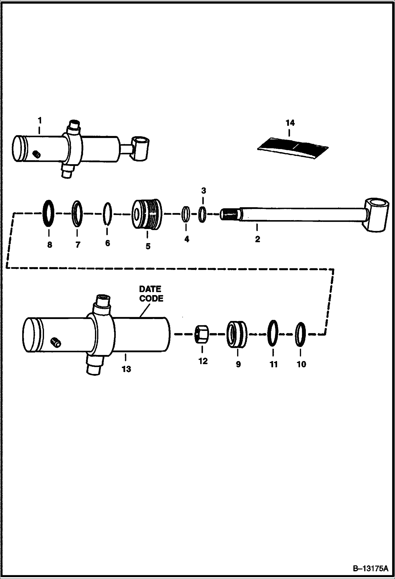
ЦИЛИНДР ПОВОРОТА - TEXAS ГИДРАВЛИКА 928S

ЦИЛИНДР ПОВОРОТА - TEXAS ГИДРАВЛИКА 928S

1Артикул: CYLINDER, CYLINDER See Illustration CYLINDER SWING - MELROE/ B24327D NLA - W/Ref. 2-13 - Order 6538366
2Артикул: 6653693, ROD
3Артикул: 6690707, WIPER, ROD CYL Was 6665086 - A
Подробнее >
УПРАВЛЕНИЕ КЛАПАНОМ 928S

УПРАВЛЕНИЕ КЛАПАНОМ 928S

1Артикул: VALVE, VALVE See Illustration VALVE CONTROL/ B24318E Ref. 2-25 - NLA - W/Ref. 2-19, 21-25, 27-29 on this Illustration - Was 6655019 - A
2Артикул: 62D6, NUT 5
3Артикул: 61D5, NUT
Подробнее >
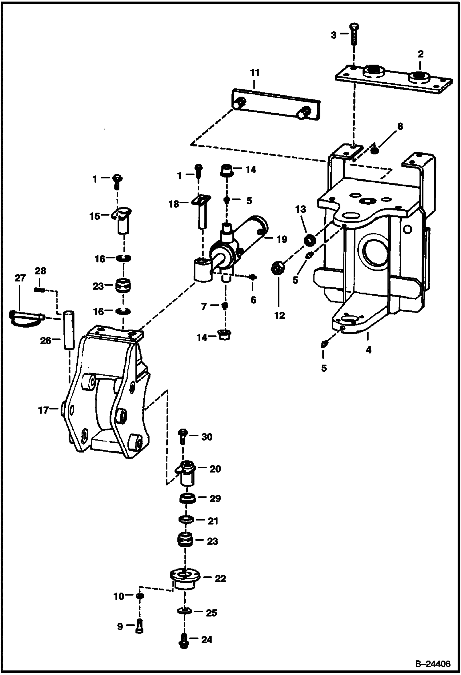
САЛАЗКИ-ПОВОРОТНАЯ ПЛАТФОРМА 928S

САЛАЗКИ-ПОВОРОТНАЯ ПЛАТФОРМА 928S

1Артикул: 84G3712, BOLT 5
2Артикул: 6808812, BRACKET Was 6532339 - A
3Артикул: 17C1028, BOLT Was 17C001040B - B
Подробнее >
РАМА ШАССИ 928S

РАМА ШАССИ 928S

1Артикул: 6531959, MAIN FRAME
2Артикул: 6531973, CAP
3Артикул: 84G3712, BOLT 5
Подробнее >
ЦИЛИНДР КОВША 928S

ЦИЛИНДР КОВША 928S

1Артикул: 6591977, CYLINDER W/Ref. 2-16
2Артикул: 6592039, CASE
3Артикул: 6591973, TUBE
Подробнее >
ОСНОВНАЯ РАМА ГИДРОСИСТЕМЫ 928S

ОСНОВНАЯ РАМА ГИДРОСИСТЕМЫ 928S

1Артикул: 6519195, ELBOW W/Ref. 2
2Артикул: 79K10, O RING 10
3Артикул: 6532649, TUBE
Подробнее >
СХЕМА ГИДРАВЛИЧЕСКОЙ СИСТЕМЫ - СТРЕЛА 928S

СХЕМА ГИДРАВЛИЧЕСКОЙ СИСТЕМЫ - СТРЕЛА 928S

1Артикул: VALVE, VALVE See Illustration VALVE CONTROL/ B24318E
2Артикул: 79K8, O RING 10
3Артикул: 15K6, ADAPTER W/Ref. 2
Подробнее >
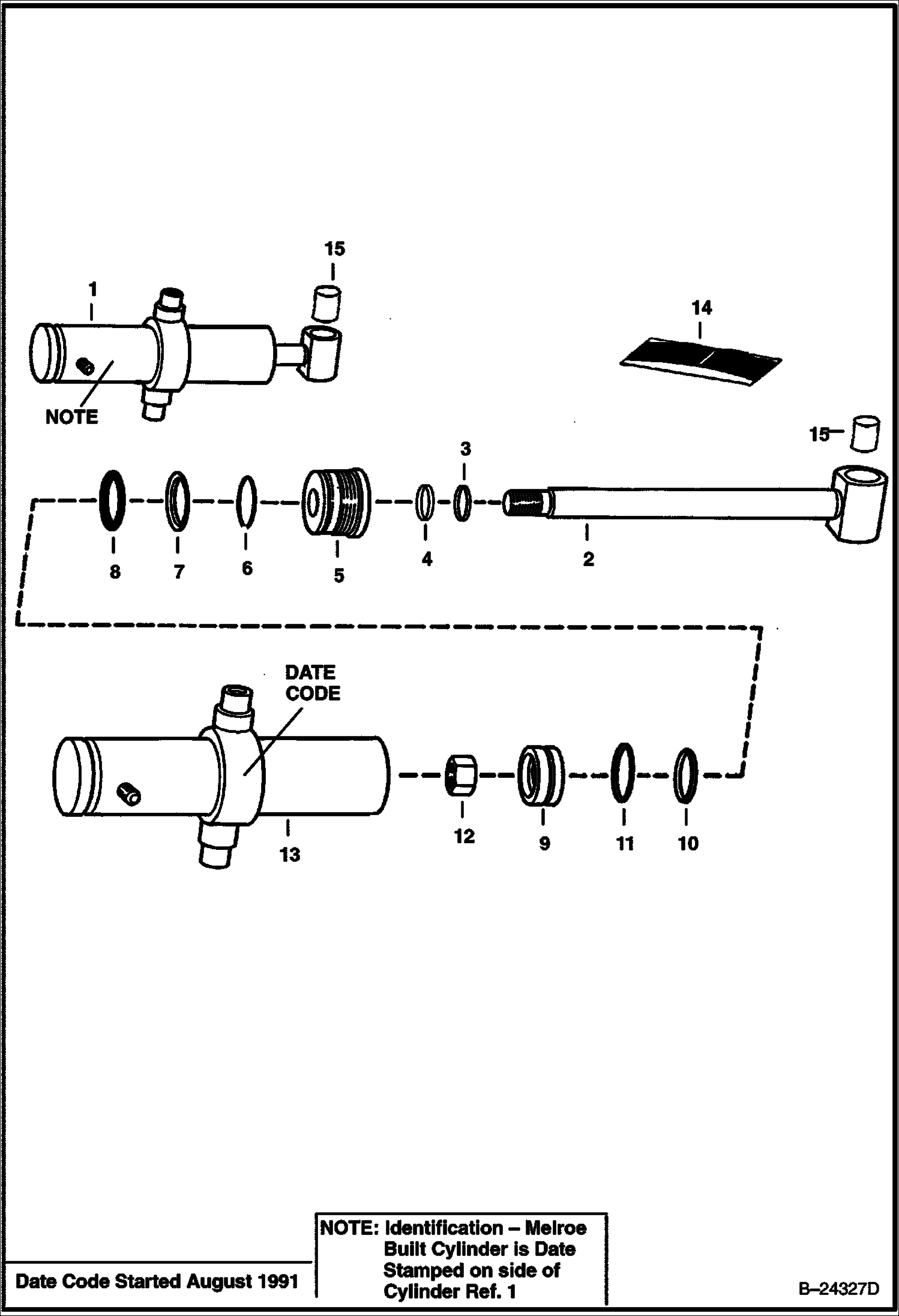
ЦИЛИНДР ПОВОРОТА - MELROE 928S

ЦИЛИНДР ПОВОРОТА - MELROE 928S

1Артикул: 7104246, CYLINDER W/Ref. 2-13,15 - Was 6589651 - A
2Артикул: 7104662, SHAFT W/Ref. 15 - Was 6538375 - B
3Артикул: 6690707, WIPER, ROD CYL Was 6665086 - A
Подробнее >
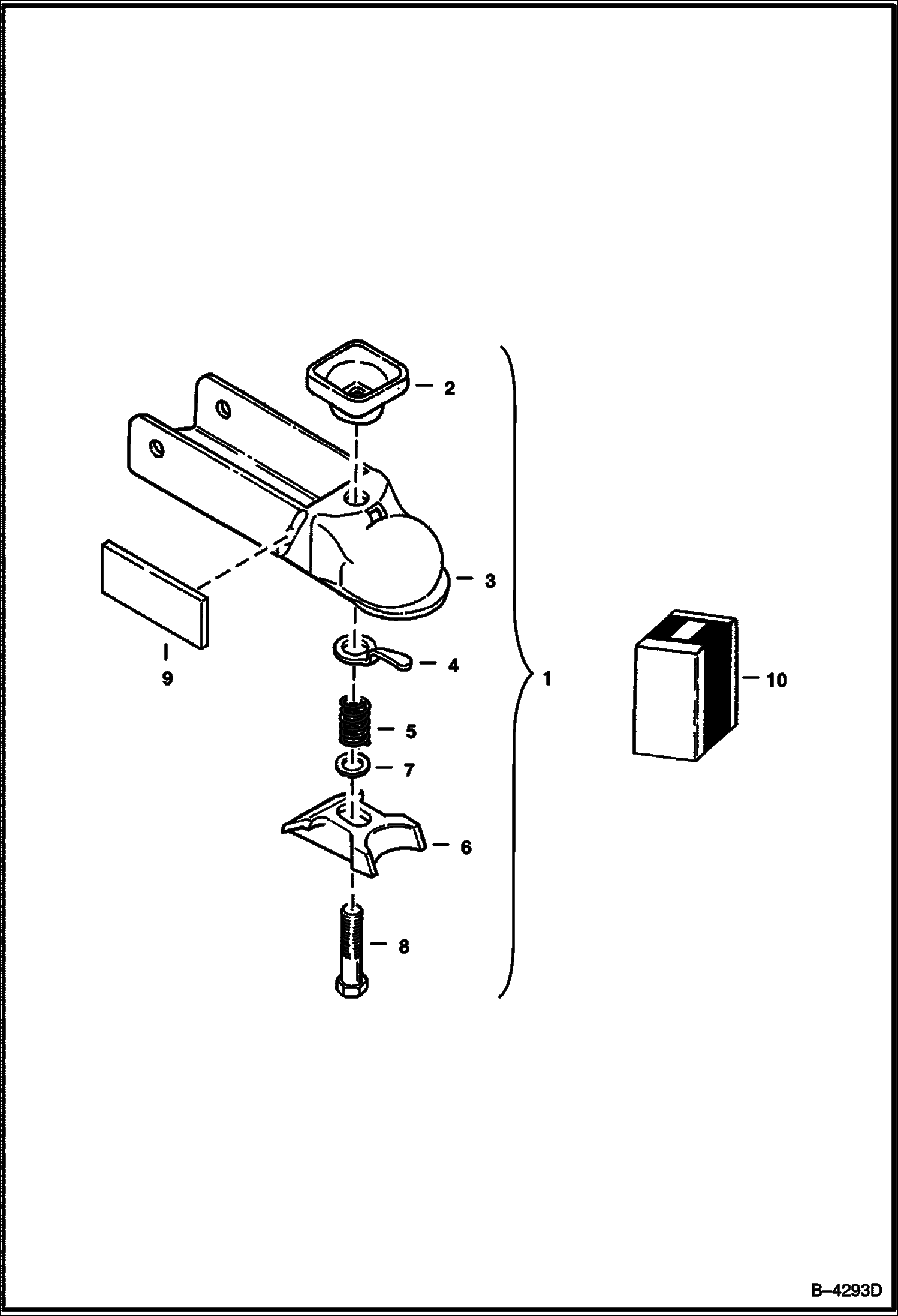
УСТРОЙСТВА УПРАВЛЕНИЯ 928S

УСТРОЙСТВА УПРАВЛЕНИЯ 928S

1Артикул: 6532607, LOCK
2Артикул: 6610077, SPRING
3Артикул: 7D6, NUT
Подробнее >
СТРЕЛА И РУКОЯТЬ СТРЕЛЫ ЧЕРПАКА 928S

СТРЕЛА И РУКОЯТЬ СТРЕЛЫ ЧЕРПАКА 928S

1Артикул: 6538285, LOCK RING retainer - Was 1305943B - A
2Артикул: 6584872, WASHER 1/8-- thick
3Артикул: 6560390, LINK W/Pins
Подробнее >
СТАБИЛИЗАТОР ЦИЛИНДРА 928S

СТАБИЛИЗАТОР ЦИЛИНДРА 928S

1Артикул: 6532229, CYLINDER W/Ref. 2-15
2Артикул: 6532312, CASE
3Артикул: 92D12, NUT Was 86D000012B - A
Подробнее >
ЦИЛИНДР СТРЕЛЫ И РУКОЯТЬ СТРЕЛЫ ЧЕРПАКА 928S

ЦИЛИНДР СТРЕЛЫ И РУКОЯТЬ СТРЕЛЫ ЧЕРПАКА 928S

1Артикул: 6592084, CYLINDER W/Ref. 2-15
2Артикул: 6592711, PISTON ROD
3Артикул: 6690707, WIPER, ROD CYL Was 6665086 - A
Подробнее >
КОВШИ ЭКСКАВАТОРА-ПОГРУЗЧИКА 928S

КОВШИ ЭКСКАВАТОРА-ПОГРУЗЧИКА 928S

1Артикул: BUCKET, BUCKET SALES - Trenching - 12--, 16--, 20--, 24-- & 30--
2Артикул: 6593139, EDGE,CUTTING WELD ON BEVELED 10.79-- 12--
3Артикул: 6593067, CUTTING EDGE 16--
Подробнее >