+7 (701) 588 50 05 Телефон для связи
RU

WhatsApp

Позвонить

937S ЭКСКАВАТОР-ПОГРУЗЧИК в Алматы

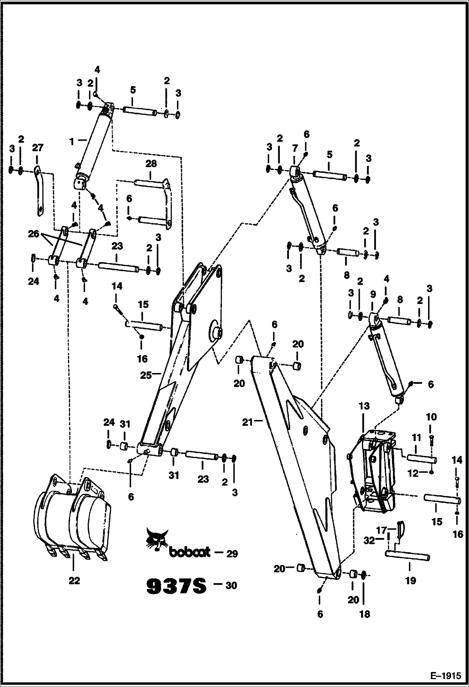
СТАБИЛИЗАТОР ЦИЛИНДРА 937S

СТАБИЛИЗАТОР ЦИЛИНДРА 937S

1Артикул: 6531074, CYLINDER W/Ref. 2-12
2Артикул: 6531078, ROD
3Артикул: 6690707, WIPER, ROD CYL Was 6665086 - A
Подробнее >
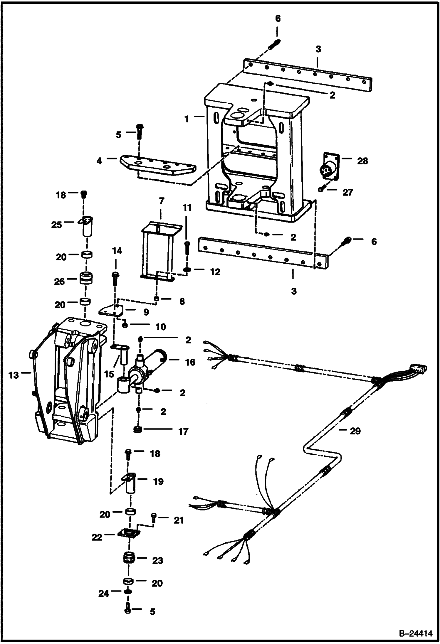
РАМА ШАССИ - СОЛЕНОИД, ГЛАВНЫЙ ЖГУТ ПРОВОДОВ 937S

РАМА ШАССИ - СОЛЕНОИД, ГЛАВНЫЙ ЖГУТ ПРОВОДОВ 937S

1Артикул: 6531749, PORT BLOCK
2Артикул: 47K3, PLUG W/Ref. 3
3Артикул: 79K4, O RING 10
Подробнее >
ЦИЛИНДР КОВША 937S

ЦИЛИНДР КОВША 937S

1Артикул: 6593291, CYLINDER W/Ref. 2-15
2Артикул: 6593963, ROD
3Артикул: 6544544, HEAD
Подробнее >
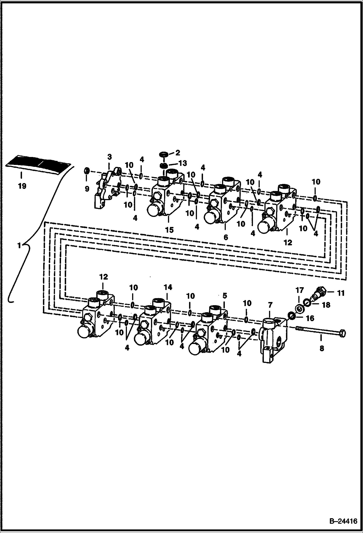
ОСНОВНАЯ РАМА ГИДРОСИСТЕМЫ 937S

ОСНОВНАЯ РАМА ГИДРОСИСТЕМЫ 937S

1Артикул: VALVE, VALVE See Illustration VALVE CONTROL/ B24416 Ref. 1
2Артикул: 88F5, ELBOW
3Артикул: 86F5, NUT
Подробнее >
УПРАВЛЕНИЕ КЛАПАНОМ 937S

УПРАВЛЕНИЕ КЛАПАНОМ 937S

1Артикул: 6652369, VALVE See Illustration MAIN FRAME - SOLENOID, HARNESS/ D1901 W/Ref. 2-18,
2Артикул: 6598690, SPRING
3Артикул: 6647674, END COVER
Подробнее >
РАМА ШАССИ 937S

РАМА ШАССИ 937S

1Артикул: 6531101, MAIN FRAME
2Артикул: 6531274, CAP
3Артикул: 84G3712, BOLT 5
Подробнее >
СЕКЦИЯ СТАБИЛИЗАТОРА 937S

СЕКЦИЯ СТАБИЛИЗАТОРА 937S

1Артикул: 6647682, SECTION W/Ref. 2-19
2Артикул: 6647697, CHECK VALVE Lock Out Assy. - W/Ref. 3, 4, 16 & 17
3Артикул: O-RING, O-RING NSS - Order Ref. 20
Подробнее >
СТРЕЛА И РУКОЯТЬ СТРЕЛЫ ЧЕРПАКА 937S

СТРЕЛА И РУКОЯТЬ СТРЕЛЫ ЧЕРПАКА 937S

1Артикул: CYLINDER, CYLINDER See Illustration CYLINDER BUCKET/ C2892 BUCKET - Ref. 1
2Артикул: 6584872, WASHER
3Артикул: 6538285, LOCK RING Was 1305943B - A
Подробнее >
СЕКЦИЯ СТРЕЛЫ 937S ЭКСКАВАТОР-ПОГРУЗЧИК

СЕКЦИЯ СТРЕЛЫ 937S ЭКСКАВАТОР-ПОГРУЗЧИК

1Артикул: 6647685, SECTION W/Ref. 2-21
2Артикул: 6647687, RELIEF VALVE Assy. - W/Ref. 3, 4, 16 & 17
3Артикул: O-RING, O-RING NSS - Order Ref. 22
Подробнее >
СЕКЦИЯ ЧЕРПАКА 937S

СЕКЦИЯ ЧЕРПАКА 937S

1Артикул: 6647676, SECTION W/Ref. 2-18
2Артикул: 6647700, RELIEF VALVE Assy. - W/Ref. 2-5, 16 & 17
3Артикул: O-RING, O-RING NSS - Order Ref. 19
Подробнее >
УСТРОЙСТВА УПРАВЛЕНИЯ 937S

УСТРОЙСТВА УПРАВЛЕНИЯ 937S

1Артикул: 24G1012, BOLT
2Артикул: BOOT, BOOT NLA - Was 6585347 - A
3Артикул: 6583700, BOOT
Подробнее >
СХЕМА ГИДРАВЛИЧЕСКОЙ СИСТЕМЫ - СТРЕЛА 937S

СХЕМА ГИДРАВЛИЧЕСКОЙ СИСТЕМЫ - СТРЕЛА 937S

1Артикул: VALVE, VALVE See Illustration VALVE CONTROL/ B24416 Ref. 1
2Артикул: 15K7, FITTING W/Ref. 3
3Артикул: 79K10, O RING 10
Подробнее >
ЦИЛИНДР СТРЕЛЫ 937S

ЦИЛИНДР СТРЕЛЫ 937S

1Артикул: 6529704, CYLINDER W/Ref. 2-19
2Артикул: 6529698, ROD
3Артикул: 6593105, HEAD
Подробнее >
КОВШИ ЭКСКАВАТОРА-ПОГРУЗЧИКА 937S

КОВШИ ЭКСКАВАТОРА-ПОГРУЗЧИКА 937S

1Артикул: BUCKET, BUCKET SALES - Trenching - 12--, 18--, 24--, 30-- & 36--
2Артикул: 6593931, CUTTING EDGE
3Артикул: 6593932, CUTTING EDGE
Подробнее >
ПОВОРОТНАЯ СЕКЦИЯ 937S

ПОВОРОТНАЯ СЕКЦИЯ 937S

1Артикул: SECTION, SECTION NLA - W/Ref. 2-18 - Was 6647684 - A
2Артикул: 6647699, VALVE Relief & anti-cav. - Assy. W/Ref. 3, 4, 16 & 17
3Артикул: 6690707, WIPER, ROD CYL Was 6665086 - A
Подробнее >
СЕКЦИЯ КОВША 937S

СЕКЦИЯ КОВША 937S

1Артикул: 6647677, SECTION W/Ref. 2-19
2Артикул: 6647696, VALVE Assy. - W/Ref. 3, 4, 16 & 17
3Артикул: O-RING, O-RING NSS - Order Ref. 20
Подробнее >
ЦИЛИНДР ПОВОРОТА 937S

ЦИЛИНДР ПОВОРОТА 937S

1Артикул: 6530980, CYLINDER W/Ref. 2-14
2Артикул: 6530985, ROD
3Артикул: 6690707, WIPER, ROD CYL Was 6665086 - A
Подробнее >
ЦИЛИНДР ГРЕЙФЕРА 937S

ЦИЛИНДР ГРЕЙФЕРА 937S

1Артикул: 6529696, CYLINDER W/Ref. 2-20
2Артикул: 6529698, ROD
3Артикул: 6593285, HEAD
Подробнее >
ЦИЛИНДРОВЫЙ ЗАМОК 937S

ЦИЛИНДРОВЫЙ ЗАМОК 937S

1Артикул: 6531524, CYLINDER W/Ref. 2-7
2Артикул: 6651205, HEAD
3Артикул: 82K230, O-RING Was 58K230 - A
Подробнее >
САЛАЗКИ - ПОВОРОТНАЯ ПЛАТФОРМА 937S

САЛАЗКИ - ПОВОРОТНАЯ ПЛАТФОРМА 937S

1Артикул: 6531123, SLIDE FRAME
2Артикул: 10H25, FITTING, GREASE 5
3Артикул: 6531152, CLAMP
Подробнее >