+7 (701) 588 50 05 Телефон для связи
RU

WhatsApp

Позвонить

АКСЕСCУАРЫ И ОПЦИИ в Алматы

ГИДРАВЛИКА ВСПОМОГАТЕЛЬНОГО ОБОРУДОВАНИЯ, РАСПОЛОЖЕННОГО СЗАДИ (СТАНДАРТНЫЙ РАСХОД)

ГИДРАВЛИКА ВСПОМОГАТЕЛЬНОГО ОБОРУДОВАНИЯ, РАСПОЛОЖЕННОГО СЗАДИ (СТАНДАРТНЫЙ РАСХОД)

1Артикул: 6725267, REAR AUX KIT See Illustration HIGH HORSEPOWER HYDRAULICS/ PE2653 Used W/ high flow rear auxiliary - Ref. 2-34 - Was SALES - D
2Артикул: 7246786, COUPLER, FF FEMALE See BTI433ldr - Was 6667803 - A
3Артикул: 7246787, COUPLER, FF MALE See BTI433ldr - Was 6667804 - A
Подробнее >
КОРПУС КАБИНЫ (КОМПЛЕКТ ОТДЕЛКИ КАБИНЫ) (КОМПЛЕКСТ ДЛЯ ОСОБОГО ПРИМЕНЕНИЯ)

КОРПУС КАБИНЫ (КОМПЛЕКТ ОТДЕЛКИ КАБИНЫ) (КОМПЛЕКСТ ДЛЯ ОСОБОГО ПРИМЕНЕНИЯ)

1Артикул: KIT, KIT NLA - Order 6577880 access cover kit, 6730822 cab door kit, 6732928 3rd gas spring kit & 7131580 side window kit - Was 6731938 - A
2Артикул: KIT, KIT NLA - special applications kit - Order 6726984 lexan rear window kit, 6730823 door kit, 7105035 top cab window, 6986505 instructions & (4) of 6681614 knob - Was 6731937 - A
Подробнее >
ОГНЕТУШИТЕЛЬ

ОГНЕТУШИТЕЛЬ

1Артикул: KIT,, KIT, EXTINGUISHER FIRE NLA - Ref. 5-11 - Was 6725898 - A
2Артикул: 6725898, KIT, EXTINGUISHER FIRE Ref. 2-7 & 11
3Артикул: 7224664, EXTINGUISHER, FIRE W/Ref. 3
Подробнее >
ЗАМОК ЗАДНЕЙ ДВЕРИ

ЗАМОК ЗАДНЕЙ ДВЕРИ

1Артикул: 6732001, KIT lock - Ref. 2-6 - Was 6714973 - A
2Артикул: 6670726, CYLINDER, LOCK
3Артикул: 6672345, KEY not in kit - for earlier locks
Подробнее >
КОМПЛЕКТ НАВЕСОВ СИСТЕМА ЗАЩИТЫ ОТ ПАДАЮЩИХ ПРЕДМЕТОВ (СИСТЕМА ЗАЩИТЫ ОТ ПАДАЮЩИХ ПРЕДМЕТОВ)

КОМПЛЕКТ НАВЕСОВ СИСТЕМА ЗАЩИТЫ ОТ ПАДАЮЩИХ ПРЕДМЕТОВ (СИСТЕМА ЗАЩИТЫ ОТ ПАДАЮЩИХ ПРЕДМЕТОВ)

1Артикул: 6718924, KIT Ref. 2-7
2Артикул: 17C616, BOLT 5
3Артикул: 83D6, NUT 5
Подробнее >
ШИНЫ И ДИСКИ (ПНЕВМАТИЧЕСКАЯ ШИНА)

ШИНЫ И ДИСКИ (ПНЕВМАТИЧЕСКАЯ ШИНА)

1Артикул: TIRE, TIRE & RIM ASSY NLA - 15.5-16.5 - 12 ply - foam filled LH - factory option - Galaxy - Hippo - Order 6730109, 6728991 & 1614765 needs to be foam filled - Was SALES 6730147 - A
2Артикул: TIRE, TIRE & RIM ASSY NLA - 15.5-16.5 - 12 ply - foam filled RH - factory option - Galaxy - Hippo - Order 6730109, 6728991 & 1614765 needs to be foam filled - Was SALES 6730145 - A
3Артикул: 6730109, TIRE, SUPER FLOAT 33X15.5X16.5, 12 PLY factory option - needs to be foam filled
Подробнее >
КОМПЛЕКТ МЕХАНИЗМОВ ПОДЪЕМА (4 ТОЧКИ)

КОМПЛЕКТ МЕХАНИЗМОВ ПОДЪЕМА (4 ТОЧКИ)

1Артикул: 6726717, KIT, LIFT 4-POINT Ref. 4-13
2Артикул: 6726908, LIFT EYE
3Артикул: 6726907, PIN
Подробнее >
ОБОГРЕВАТЕЛЬ И КОНДИЦИОНЕР (КОМПЛЕКТ ОБОГРЕВАТЕЛЯ) (ДЛЯ КРАНА ОТОПИТЕЛЯ С РЕЗЬБОВЫМ СОЕДИНЕНИЕМ)

ОБОГРЕВАТЕЛЬ И КОНДИЦИОНЕР (КОМПЛЕКТ ОБОГРЕВАТЕЛЯ) (ДЛЯ КРАНА ОТОПИТЕЛЯ С РЕЗЬБОВЫМ СОЕДИНЕНИЕМ)

1Артикул: 6735773, HEATER KIT Ref. 2-16, 18-29 & 31-34
2Артикул: 6725933, HARNESS HVAC - W/Ref. 17
3Артикул: 6725390, HARNESS ACS - Was 6725273 - B,D
Подробнее >
КОМПЛЕКТ ПРОТИВОВЕСОВ

КОМПЛЕКТ ПРОТИВОВЕСОВ

1Артикул: KIT, KIT NLA - Order components - Was SALES (6729422) - A
2Артикул: 6668787, RING
3Артикул: 6714362, COUNTERWEIGHT, AXLE REAR rear
Подробнее >
ДВЕРЦА КАБИНЫ (ОКНО И СТЕКЛООЧИСТИТЕЛЬ)

ДВЕРЦА КАБИНЫ (ОКНО И СТЕКЛООЧИСТИТЕЛЬ)

1Артикул: 7188371, ARM, WIPER
2Артикул: 7188372, BLADE, WIPER WINDOW
3Артикул: 6679476, MOTOR, WIPER W/threaded shaft end & built in fuse
Подробнее >
ФУНКЦИЯ ШУМОПОГЛОЩЕНИЯ (МЕСТНЫЙ) (85 ДБ)

ФУНКЦИЯ ШУМОПОГЛОЩЕНИЯ (МЕСТНЫЙ) (85 ДБ)

1Артикул: 6703968, INSULATION transmission
2Артикул: 6579385, DECAL noise warning
3Артикул: 6579404, DECAL
Подробнее >
ДВЕРЦА КАБИНЫ

ДВЕРЦА КАБИНЫ

1Артикул: 6718807, KIT door - Ref. 2-18 & 36-78
2Артикул: DOOR, DOOR See BTI369 - NLA - W/Ref. 60 & 61 - Uses 3 bolt handle - .5-- longer than 6726435 door - Was 6717590 - A
3Артикул: DOOR, DOOR See BTI369 - NLA - W/Ref. 60 & 61 - Uses 3 bolt mount handle - .5-- shorter than NLA 6717590 door - Was 6726435 - A
Подробнее >
КОМПЛЕКТ СЕМИШТЫРЕВОГО СОЕДИНИТЕЛЯ

КОМПЛЕКТ СЕМИШТЫРЕВОГО СОЕДИНИТЕЛЯ

1Артикул: 6727176, KIT Ref. 2-4 & 7 - Order sockets as needed
2Артикул: 6674802, CONNECTOR 7-pin does not include sockets
3Артикул: 6669549, SOCKET 18 ga - not in kit
Подробнее >
КОМПЛЕКТ ДЛЯ ШУМОПОГЛОЩЕНИЯ (СЕРИЙНЫЙ НОМЕР И ВЫШЕ)

КОМПЛЕКТ ДЛЯ ШУМОПОГЛОЩЕНИЯ (СЕРИЙНЫЙ НОМЕР И ВЫШЕ)

1Артикул: 6731573, SOUND KIT Sound - Ref. 2-22
2Артикул: 6734534, DECAL, SERVICE service - Was 6718398 - A
3Артикул: 6579541, PULLEY
Подробнее >
КОМПЛЕКТ СВЕТОДИОДНЫХ ФАР ПОГРУЗЧИКА

КОМПЛЕКТ СВЕТОДИОДНЫХ ФАР ПОГРУЗЧИКА

1Артикул: 7275379, KIT, LIGHT LED Ref. 2-8
2Артикул: 7275528, RAIL, LIGHT MOUNTING LH
3Артикул: 7275529, RAIL, LIGHT MOUNTING RH
Подробнее >
ПОБЛЕСКОВЫЙ МАЯЧОК

ПОБЛЕСКОВЫЙ МАЯЧОК

1Артикул: 6719857, KIT strobe light - if loader is not equipped W/deluxe cab option Also Order 6727468 harness
2Артикул: 6718872, HARNESS
3Артикул: 6668816, SWITCH
Подробнее >
ОЧИСТНОЕ УСТРОЙСТВО

ОЧИСТНОЕ УСТРОЙСТВО

1Артикул: 6673826, MUFFLER, PURIFIER 2 hole mounting - replaces exhaust tube - uses existing hardware & gasket
Подробнее >
КОМПЛЕКТ ЭЛЕКТРИЧЕСКИХ РЕГУЛЯТОРОВ (ЭЛЕКТРИКА НАВЕСНОГО ОБОРУДОВАНИЯ)

КОМПЛЕКТ ЭЛЕКТРИЧЕСКИХ РЕГУЛЯТОРОВ (ЭЛЕКТРИКА НАВЕСНОГО ОБОРУДОВАНИЯ)

1Артикул: KIT, KIT NLA - Ref. 2 - 8 - Order 6733142 kit - Was 6718812 - A
2Артикул: 6718426, HARNESS, LIFT ARM W/Ref. 3-6 & 9
3Артикул: 6674799, ADAPTER heat shrink
Подробнее >
ОБОГРЕВАТЕЛЬ И КОНДИЦИОНЕР (ИЗОЛЯЦИЯ)

ОБОГРЕВАТЕЛЬ И КОНДИЦИОНЕР (ИЗОЛЯЦИЯ)

1Артикул: 6688401, INSULATION Was 6675607 - A
2Артикул: 6675608, INSULATION
3Артикул: 6675609, INSULATION
Подробнее >
КОМПЛЕКТ МЕХАНИЗМОВ ДЛЯ СБРАСЫВАНИЯ ИНОРОДНЫХ ЧАСТИЦ

КОМПЛЕКТ МЕХАНИЗМОВ ДЛЯ СБРАСЫВАНИЯ ИНОРОДНЫХ ЧАСТИЦ

1Артикул: 6712988, KIT Ref. 2 - 4
2Артикул: EJECTOR, EJECTOR NLA - Was 6712415 - A
3Артикул: 84G3716, SCREW 5
Подробнее >
КОМПЛЕКТ ПОЛОЖЕНИЯ КОВША

КОМПЛЕКТ ПОЛОЖЕНИЯ КОВША

1Артикул: 6729651, KIT Ref. 2-11
2Артикул: 6675669, VALVE, BPV See Illustration BUCKET POSITIONING VALVE/ MS1943 PAINTED PRIMER RED
3Артикул: 99K10, RING,O
Подробнее >
КОМПЛЕКТ ЭЛЕКТРИЧЕСКИХ РЕГУЛЯТОРОВ (7 БОЛТОВ КРЕПЛЕНИЯ)

КОМПЛЕКТ ЭЛЕКТРИЧЕСКИХ РЕГУЛЯТОРОВ (7 БОЛТОВ КРЕПЛЕНИЯ)

1Артикул: 6733142, KIT Ref. 2-14
2Артикул: 6718426, HARNESS, LIFT ARM W/Ref. 3-8
3Артикул: 6674802, CONNECTOR See Illustration SEVEN PIN CONNECTOR KIT/ MS2627 - 7-pin - W/Ref. 7 does not include sockets
Подробнее >
СТЕКЛООЧИСТИТЕЛЬ ЗАДНЕГО СТЕКЛА

СТЕКЛООЧИСТИТЕЛЬ ЗАДНЕГО СТЕКЛА

1Артикул: 6726655, KIT rear wiper
2Артикул: HOSE, HOSE NLA - 96-- (2438mm) long - Order Ref. 18
3Артикул: 6719317, WINDOW
Подробнее >
РЕМЕНЬ БЕЗОПАСНОСТИ (3 ИЗМЕНЯЕМЫХ ТОЧКИ КРЕПЛЕНИЯ)

РЕМЕНЬ БЕЗОПАСНОСТИ (3 ИЗМЕНЯЕМЫХ ТОЧКИ КРЕПЛЕНИЯ)

1Артикул: 6732219, KIT three point retractable seat belt - Use W/Sears brand suspension seats W/LH recliner lever - Was 6725168 - A
2Артикул: 6674407, SHOULDER BELT
3Артикул: 6679308, SEAT BELT Was 6674408 - A
Подробнее >
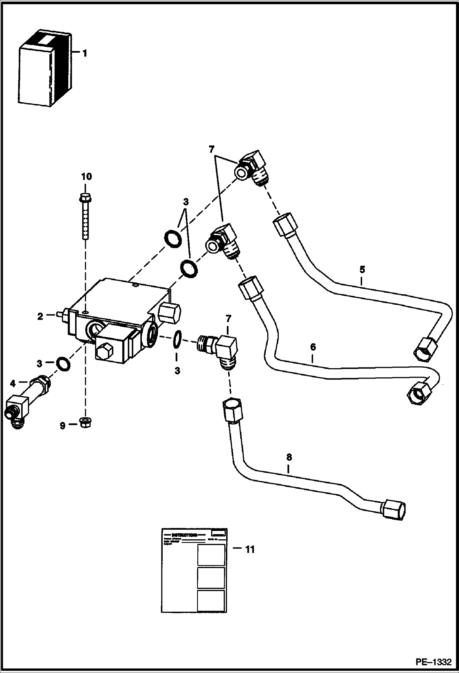
ЗАДНИЙ ВСПОМОГАТЕЛЬНЫЙ КЛАПАН

ЗАДНИЙ ВСПОМОГАТЕЛЬНЫЙ КЛАПАН

1Артикул: 6665572, VALVE diverter
2Артикул: 6676152, PLUG W/Ref. 9
3Артикул: BODY, BODY NSS
Подробнее >
КОМПЛЕКТ УСТРОЙСТВ ОСВЕЩЕНИЯ

КОМПЛЕКТ УСТРОЙСТВ ОСВЕЩЕНИЯ

1Артикул: KIT, KIT NLA - Order components
2Артикул: 6670284, LIGHT ASSY rear
3Артикул: 6649481, LIGHT, WEDGE BASE
Подробнее >
КРЫШКА (ОЧИСТКА - НИЖНЯЯ ПЕРЕДНЯЯ СТОРОНА КОРОБКИ ДЛЯ УКЛАДКИ ЦЕПИ)

КРЫШКА (ОЧИСТКА - НИЖНЯЯ ПЕРЕДНЯЯ СТОРОНА КОРОБКИ ДЛЯ УКЛАДКИ ЦЕПИ)

1Артикул: 6577880, KIT, ACCESS COVER Ref. 2-5
2Артикул: COVER, COVER NLA - Use W/Ref. 4 - Was 6577812 - A
3Артикул: 6737088, COVER, ACCESS
Подробнее >
КОМПЛЕКТ СВЕТЛЫХ НАКЛЕЕК

КОМПЛЕКТ СВЕТЛЫХ НАКЛЕЕК

1Артикул: 7140768, KIT white decal - Ref. 2-4
2Артикул: 7136678, DECAL top side
3Артикул: 7136679, DECAL middle top
Подробнее >
НАКЛЕЙКИ

НАКЛЕЙКИ

1Артикул: KIT, KIT decal
2Артикул: KIT, KIT translation - SEE NOTE
3Артикул: KIT, KIT translation - SEE NOTE
Подробнее >
ОБОГРЕВАТЕЛЬ КАБИНЫ И КОНДИЦИОНЕР (КОМПЛЕКТ ТРУБОПРОВОДОВ ОБОГРЕВАТЕЛЯ)

ОБОГРЕВАТЕЛЬ КАБИНЫ И КОНДИЦИОНЕР (КОМПЛЕКТ ТРУБОПРОВОДОВ ОБОГРЕВАТЕЛЯ)

1Артикул: 6718810, KIT Ref. 2-7
2Артикул: 6624289, STRAP, TIE
3Артикул: 6731196, CONNECTOR W/Ref. 8 & 9 - Was 6719395 - A
Подробнее >
КОМПЛЕКТ ЭЛЕКТРИЧЕСКИХ РЕГУЛЯТОРОВ (РЕЗИНОВЫЕ ДЕТАЛИ СЕРИИ G И КЛАССИЧЕСКИЕ КРЕПЛЕНИЯ)

КОМПЛЕКТ ЭЛЕКТРИЧЕСКИХ РЕГУЛЯТОРОВ (РЕЗИНОВЫЕ ДЕТАЛИ СЕРИИ G И КЛАССИЧЕСКИЕ КРЕПЛЕНИЯ)

1Артикул: 6727739, KIT
2Артикул: 6729380, HARNESS, CONTROL ATTACH DLX W/Ref. 3-8 & 14
3Артикул: 6667569, CONNECTOR, RECEPTACLE Also Order (14) of Ref. 4
Подробнее >
ДВЕРЦА КАБИНЫ (ПОЛИКАРБОНАТОВЫЕ ОКНА)

ДВЕРЦА КАБИНЫ (ПОЛИКАРБОНАТОВЫЕ ОКНА)

1Артикул: KIT, KIT See Illustration CAB DOOR/ PE1061 NLA - **IMPORTANT** This Lexan window kit has been discontinued. Order KIT 6726420 SPECIAL APPLICATIONS if safety glass application is needed.
2Артикул: WINDOW, WINDOW See Illustration CAB DOOR/ PE1061 NLA - Order KIT 6726420 SPECIAL APPLICATIONS - it contains 6732351 WINDOW - .5-- thick polycarbonate safety glass.
3Артикул: SEAL, SEAL NLA
Подробнее >
ОКНА КАБИНЫ (КОМПЛЕКТ УСТРОЙСТВ ДЛЯ ИЗВЛЕЧЕНИЯ ВНЕШНЕГО ОКНА)

ОКНА КАБИНЫ (КОМПЛЕКТ УСТРОЙСТВ ДЛЯ ИЗВЛЕЧЕНИЯ ВНЕШНЕГО ОКНА)

1Артикул: 6725946, KIT Ref. 2-4
2Артикул: 6725421, HANDLE
3Артикул: 6726303, DECAL, OPERATION removeable rear window
Подробнее >
ДВЕРЦА КАБИНЫ (СПЕЦИАЛЬНЫЕ ПРИЛОЖЕНИЯ)

ДВЕРЦА КАБИНЫ (СПЕЦИАЛЬНЫЕ ПРИЛОЖЕНИЯ)

1Артикул: 6726420, KIT door - Ref. 2-24 & 40-62
2Артикул: WINDOW, WINDOW NLA - .5-- thick polycarbonate W/O top notch - Order 6732351 window, Ref. 4 & (2) each of Ref. 5 & 6 - Was 6725935 - A
3Артикул: 6732351, WINDOW 0.5-- thick polycarbonate - W/top notch
Подробнее >
ОБОГРЕВАТЕЛЬ И КОНДИЦИОНЕР (КОМЛЕКТ КОНДИЦИОНЕРА)

ОБОГРЕВАТЕЛЬ И КОНДИЦИОНЕР (КОМЛЕКТ КОНДИЦИОНЕРА)

1Артикул: 6726490, KIT Ref. 2 - 35
2Артикул: 6557831, WASHER
3Артикул: 6624289, STRAP, TIE
Подробнее >
МАЯЧОК

МАЯЧОК

1Артикул: 6719854, KIT, BEACON LIGHT rotating beacon
2Артикул: 6718872, HARNESS
3Артикул: 6668816, SWITCH
Подробнее >
ОБОГРЕВАТЕЛЬ И КОНДИЦИОНЕР (КОМПЛЕКТ СПИРАЛЕЙ ОБОГРЕВАТЕЛЯ)

ОБОГРЕВАТЕЛЬ И КОНДИЦИОНЕР (КОМПЛЕКТ СПИРАЛЕЙ ОБОГРЕВАТЕЛЯ)

1Артикул: 6727786, KIT heater coil - threaded hose connectors - Ref. 2-9
2Артикул: 7132549, HEATER COIL KIT heater coil - barbed hose connectors - Ref. 2, 4 & 9 - Was 6691065 - A
3Артикул: HEATER, HEATER COIL NSS - threaded hose connectors - Order Ref. 1 (6727786 Kit)
Подробнее >
ОКНА КАБИНЫ (ВЕРХНЕЕ, ЗАДНЕЕ И БОКОВОЕ)

ОКНА КАБИНЫ (ВЕРХНЕЕ, ЗАДНЕЕ И БОКОВОЕ)

1Артикул: 6718805, KIT, WINDOW REAR AND TOP Ref. 4, 8-10, 14 & 39 - Was SALES - A
2Артикул: KIT,, KIT, WINDOW SIDE NLA - Ref. 2, 3, 5-7, 12-19, 21, 25, 30, 31, 34 & 40 - Was 6718806 - A
3Артикул: 7131580, KIT, WINDOW SIDE Ref. 2, 3, 5-7, 12-19, 21, 25, 30, 31, 34 & 40 - A
Подробнее >
КОМПЛЕКТ ДЛЯ ПЕРЕОБОРУДОВАНИЯ СИСТЕМЫ СИСТЕМА УСОВЕРШЕНСТВОВАННОГО КОНТРОЛЯ

КОМПЛЕКТ ДЛЯ ПЕРЕОБОРУДОВАНИЯ СИСТЕМЫ СИСТЕМА УСОВЕРШЕНСТВОВАННОГО КОНТРОЛЯ

1Артикул: 6731151, KIT foot control - Ref. 2-14 & 17-30 - loader must be equipped W/advanced hand control option
2Артикул: 6564657, PIN
3Артикул: 6680470, SPRING Was 6675745 - A
Подробнее >
КОМПЛЕКТ СИГНАЛА ЗАДНЕГО ХОДА

КОМПЛЕКТ СИГНАЛА ЗАДНЕГО ХОДА

1Артикул: 6718822, KIT backup alarm - Ref. 2-23
2Артикул: 10C512, BOLT Was 37C000512B - B
3Артикул: 6577545, GROMMET
Подробнее >
РЕМЕНЬ БЕЗОПАСНОСТИ (3-- ШИРОКИЙ ВЫДВИЖНОЙ)

РЕМЕНЬ БЕЗОПАСНОСТИ (3-- ШИРОКИЙ ВЫДВИЖНОЙ)

1Артикул: 6675562, SEAT BELT 3-- wide retractable - Use W/Sears brand suspension seats W/LH recliner lever
2Артикул: 6901011, INSTRUCTIONS
Подробнее >
КОМПЛЕКТ КЛАКСОНОВ

КОМПЛЕКТ КЛАКСОНОВ

1Артикул: 6727995, KIT, HORN Ref. 2-16 - Requires multi-switch handle
2Артикул: 17C410, BOLT 10
3Артикул: 7001044, HORN, ALARM Was 6675099 - A
Подробнее >
ОБОГРЕВАТЕЛЬ И КОНДИЦИОНЕР (КОМПЛЕКТ УПЛОТНЕНИЙ НАГНЕТАТЕЛЯ)

ОБОГРЕВАТЕЛЬ И КОНДИЦИОНЕР (КОМПЛЕКТ УПЛОТНЕНИЙ НАГНЕТАТЕЛЯ)

1Артикул: 6728567, KIT blower seal - W/Ref. 2, 3 & 10
2Артикул: FLANGE, FLANGE SEAL NSS - assy - Ref. 4, 5, 6 & 9 - Order Ref. 1
3Артикул: 6726621, SCREW
Подробнее >
ЕВРОПЕЙСКОЕ ДОПОЛНИТЕЛЬНОЕ ОБОРУДОВАНИЕ (ФУНКЦИЯ ШУМОПОГЛОЩЕНИЯ)

ЕВРОПЕЙСКОЕ ДОПОЛНИТЕЛЬНОЕ ОБОРУДОВАНИЕ (ФУНКЦИЯ ШУМОПОГЛОЩЕНИЯ)

1Артикул: KIT, KIT NLA - Ref. 2-28 - Order individual parts
2Артикул: 6705333, MOUNT
3Артикул: 6714806, HOSE
Подробнее >
ДВЕРЦА КАБИНЫ (КОМПЛЕКТ ДАТЧИКОВ)

ДВЕРЦА КАБИНЫ (КОМПЛЕКТ ДАТЧИКОВ)

1Артикул: 6732451, KIT door switch - Ref. 2-7 & 9-15
2Артикул: 6731212, SENSOR door assy.
3Артикул: 6677193, RIVET plastic
Подробнее >
КОМПЛЕКТ ЗАЩИТНЫХ ПРИСПОСОБЛЕНИЙ ДЛЯ КОВША

КОМПЛЕКТ ЗАЩИТНЫХ ПРИСПОСОБЛЕНИЙ ДЛЯ КОВША

1Артикул: 6713152, KIT W/Ref. 2 - 6
2Артикул: 6711158, SHIELD
3Артикул: 35C820, BOLT
Подробнее >
НАГРЕВАТЕЛЬ БЛОКА ЦИЛИНДРОВ (УСТАНОВЛЕННЫЙ ПОДДОН КАРТЕРА) (120 B)

НАГРЕВАТЕЛЬ БЛОКА ЦИЛИНДРОВ (УСТАНОВЛЕННЫЙ ПОДДОН КАРТЕРА) (120 B)

1Артикул: 6725971, KIT Ref. 2 & 6
2Артикул: 6675695, HEATER ASSY Ref. 3-5
3Артикул: 6675708, ELEMENT W/22mm thread
Подробнее >
ОКНА КАБИНЫ (КОМПЛЕКТ РЕШЕТОК НА ОКНА)

ОКНА КАБИНЫ (КОМПЛЕКТ РЕШЕТОК НА ОКНА)

1Артикул: 7122462, KIT, RIB WINDOW Ref. 2-6 - can NOT Use W/single point lift kits
2Артикул: 7153099, BRACE, CAB Was 7121556 - A
3Артикул: 7122487, 2 SEAL, WIPER
Подробнее >
ЕВРОПЕЙСКОЕ ДОПОЛНИТЕЛЬНОЕ ОБОРУДОВАНИЕ (КОМПЛЕКТ КЛЕЩЕВОГО ТОРМОЗА)

ЕВРОПЕЙСКОЕ ДОПОЛНИТЕЛЬНОЕ ОБОРУДОВАНИЕ (КОМПЛЕКТ КЛЕЩЕВОГО ТОРМОЗА)

1Артикул: KIT, KIT NLA - Ref. 2-32 - Was 6718032 - A
2Артикул: 83F3, ELBOW 5
3Артикул: ELBOW, ELBOW NLA - Was 83FN-3 - A
Подробнее >
КРУПНОГАБАРИТНЫЕ ПРЕДМЕТЫ (СМОТРИТЕ ПРИМЕЧАНИЕ)

КРУПНОГАБАРИТНЫЕ ПРЕДМЕТЫ (СМОТРИТЕ ПРИМЕЧАНИЕ)

1Артикул: 6902228, PAINT, ORANGE SPRAY CAN 6 original shade
2Артикул: 7305844, PAINT ORANGE SPRAY CAN 6 updated shade
3Артикул: 7251690, PAINT, ORANGE SPRAY CAN 6 original shade - EMEA
Подробнее >
КОРПУС КАБИНЫ (ЧЕХОЛ)

КОРПУС КАБИНЫ (ЧЕХОЛ)

1Артикул: 6675544, CANVAS CAB W/Ref. 2-4 - fits over cab
2Артикул: 6675590, DOOR vinyl
3Артикул: 6675591, HINGE KIT
Подробнее >
КОЖУХ УПЛОТНЕНИЯ

КОЖУХ УПЛОТНЕНИЯ

1Артикул: 6732720, KIT, SEAL ENCLOSURE
2Артикул: 6731108, SEAL retainer
3Артикул: 6732619, SEAL panel
Подробнее >
ЕВРОПЕЙСКОЕ ДОПОЛНИТЕЛЬНОЕ ОБОРУДОВАНИЕ (ТОРМОЗ)

ЕВРОПЕЙСКОЕ ДОПОЛНИТЕЛЬНОЕ ОБОРУДОВАНИЕ (ТОРМОЗ)

1Артикул: 6666932, BRAKE W/Ref. 2-12
2Артикул: 6669154, BOLT
3Артикул: 6669155, PLATE
Подробнее >
ПРОБЛЕСКОВЫЕ ФАРЫ (4-ПОЛОСНАЯ) (ИНДИКАТОР ВКЛЮЧЕНИЯ СИГНАЛА ПОВОРОТА)

ПРОБЛЕСКОВЫЕ ФАРЫ (4-ПОЛОСНАЯ) (ИНДИКАТОР ВКЛЮЧЕНИЯ СИГНАЛА ПОВОРОТА)

1Артикул: 6718411, KIT Ref. 2-16 - if loader is not equipped W/deluxe cab option Also Order 6727468 harness
2Артикул: 6517516, LIGHT
3Артикул: 6718326, MOUNT
Подробнее >
ОБОГРЕВАТЕЛЬ И КОНДИЦИОНЕР (НАГРЕВАТЕЛЬ В СБОРЕ)

ОБОГРЕВАТЕЛЬ И КОНДИЦИОНЕР (НАГРЕВАТЕЛЬ В СБОРЕ)

1Артикул: 6675497, BLOWER, HEATER AND A/C Ref. 2-8
2Артикул: CONNECTOR, CONNECTOR 6 pin
3Артикул: 6662252, LOCK 6 pin
Подробнее >
АМОРТИЗАТОР

АМОРТИЗАТОР

1Артикул: KIT, KIT NLA - Ref. 2-3
2Артикул: 6675139, GAS SPRING Also Order Ref. 3
3Артикул: 6900531ENUS, INSTRUCTIONS Was 6900531 - A
Подробнее >
ОБОГРЕВАТЕЛЬ И КОНДИЦИОНЕР (СИСТЕМА ОТОПЛЕНИЯ, ВЕНТИЛЯЦИИ И КОНДИЦИОНИРОВАНИЯ (ОВК) В СБОРЕ)

ОБОГРЕВАТЕЛЬ И КОНДИЦИОНЕР (СИСТЕМА ОТОПЛЕНИЯ, ВЕНТИЛЯЦИИ И КОНДИЦИОНИРОВАНИЯ (ОВК) В СБОРЕ)

1Артикул: 6683001, HVAC assy - Ref. 2-28 - Was 6676561 - A
2Артикул: 6677108, HOUSING
3Артикул: 6677109, COVER
Подробнее >
КОМПЛЕКТ ДЕТАЛЕЙ ДЛЯ ЖАЛЮЗИ РАДИАТОРА

КОМПЛЕКТ ДЕТАЛЕЙ ДЛЯ ЖАЛЮЗИ РАДИАТОРА

1Артикул: KIT, KIT Ref. 2 & 3 - Was 6706940 - A
2Артикул: SCREEN, SCREEN Was 6706286 - A
3Артикул: 6722861, INSTRUCTIONS
Подробнее >
ЕВРОПЕЙСКОЕ ДОПОЛНИТЕЛЬНОЕ ОБОРУДОВАНИЕ (ЦИЛИНДР МАЧТЫ - КЛЕЩЕВЫЕ ТОРМОЗА)

ЕВРОПЕЙСКОЕ ДОПОЛНИТЕЛЬНОЕ ОБОРУДОВАНИЕ (ЦИЛИНДР МАЧТЫ - КЛЕЩЕВЫЕ ТОРМОЗА)

1Артикул: 6666933, CYLINDER master brake - Ref. 2-16
2Артикул: ADAPTER, ADAPTER NSS
3Артикул: SPRING, SPRING NSS
Подробнее >
ОБОГРЕВАТЕЛЬ И КОНДИЦИОНЕР (ОБОГРЕВАТЕЛЬ В СБОРЕ)

ОБОГРЕВАТЕЛЬ И КОНДИЦИОНЕР (ОБОГРЕВАТЕЛЬ В СБОРЕ)

1Артикул: 6676562, HEATER assy. - Ref. 2-23 - W/threaded hose connectors
2Артикул: 6688371, HEATER assy. - Ref. 2-23 - W/barbed hose connectors - Was 7101926 - A
3Артикул: 6677108, HOUSING
Подробнее >