+7 (701) 588 50 05 Телефон для связи
RU

WhatsApp

Позвонить

АКСЕСCУАРЫ И ОПЦИИ в Алматы

КОМПЛЕКТ ОГРАНИЧИТЕЛЕЙ ГРЕЙФЕРА

КОМПЛЕКТ ОГРАНИЧИТЕЛЕЙ ГРЕЙФЕРА

1Артикул: 7120201, KIT GRAPPLE STOP Ref. 2-7
2Артикул: 55D6, NUT
3Артикул: 35C620, BOLT 5
Подробнее >
ОБОГРЕВАТЕЛЬ И КОНДИЦИОНЕР (КОНДЕНСАТОР В СБОРЕ)

ОБОГРЕВАТЕЛЬ И КОНДИЦИОНЕР (КОНДЕНСАТОР В СБОРЕ)

1Артикул: 6680311, RECEIVER W/O pressure switch - use switch 6675779
2Артикул: PULLEY, PULLEY
3Артикул: 6681461, COMPRESSOR A/C
Подробнее >
КОМПЛЕКТ ПЕРЕДНИХ МЕХАНИЗМОВ ОТБОРА МОЩНОСТИ

КОМПЛЕКТ ПЕРЕДНИХ МЕХАНИЗМОВ ОТБОРА МОЩНОСТИ

1Артикул: KIT,, KIT, PTO NLA - Ref. 2-35 - Was 7108090 - A
2Артикул: 7109316, DECAL HITCH warning
3Артикул: 6814310, DECAL warning
Подробнее >
КОМПЛЕКТ ВСПОМОГАТЕЛЬНЫХ БАКОВ ДЛЯ ТОПЛИВА

КОМПЛЕКТ ВСПОМОГАТЕЛЬНЫХ БАКОВ ДЛЯ ТОПЛИВА

1Артикул: 7113282, KIT, FUEL TANK aux fuel tank - Ref. 2-25
2Артикул: 5HM15, CLAMP
3Артикул: HOSE, HOSE NLA - 42--(1066,8mm) long - Order Ref. 23
Подробнее >
КОМПЛЕКТ ЛАМПОЧЕК МАЯЧКОВ

КОМПЛЕКТ ЛАМПОЧЕК МАЯЧКОВ

1Артикул: 6815258, KIT beacon - Ref. 2-5
2Артикул: 6665317, SWITCH
3Артикул: 6675523, BEACON
Подробнее >
КОМПЛЕКТ НАПРАВЛЯЮЩИХ ШЛАНГОВ

КОМПЛЕКТ НАПРАВЛЯЮЩИХ ШЛАНГОВ

1Артикул: 7118026, KIT GUIDE HOSE
2Артикул: 29CM1025, BOLT
3Артикул: 51DM10, NUT
Подробнее >
КОМПЛЕКТ КРОНШТЕЙНОВ С РУЧНЫМ УПРАВЛЕНИЕМ

КОМПЛЕКТ КРОНШТЕЙНОВ С РУЧНЫМ УПРАВЛЕНИЕМ

1Артикул: 7120247, KIT hand bracket - Ref. 2-3
2Артикул: 7120051, HAND BRACKET
3Артикул: 6904737, INSTRUCTIONS
Подробнее >
ЗАЩИТНОЕ ПОКРЫТИЕ КУЗОВА

ЗАЩИТНОЕ ПОКРЫТИЕ КУЗОВА

1Артикул: 6902515, LINER, BED W/tailgate liner - Also Order (8) of Ref. 2 (6589675 screw)
2Артикул: 6589675, SCREW
Подробнее >
КОМПЛЕКТ УСТРОЙСТВА УПРАВЛЕНИЯ НАВЕСНЫМ ОБОРУДОВАНИЕМ (14 PIN)

КОМПЛЕКТ УСТРОЙСТВА УПРАВЛЕНИЯ НАВЕСНЫМ ОБОРУДОВАНИЕМ (14 PIN)

1Артикул: 7120242, KIT, ATTACH CONTROL W/Ref. 2-25
2Артикул: 6733934, CONTROL BOX W/Ref. 11-22
3Артикул: 6733933, HARNESS W/Ref. 23-26
Подробнее >
ВЕРХНЯЯ ЧАСТЬ БЛОКА ДВИГАТЕЛЯ

ВЕРХНЯЯ ЧАСТЬ БЛОКА ДВИГАТЕЛЯ

1Артикул: KIT,, KIT, HEATER BLOCK ENG NLA - Order Ref. 2 & 4
2Артикул: 6720736, HEATER, BLOCK ENG PLUG SOFT W/NLA O-ring, Ref. 3 & 5
3Артикул: O-ring, O-ring NLA - Order Ref. 4
Подробнее >
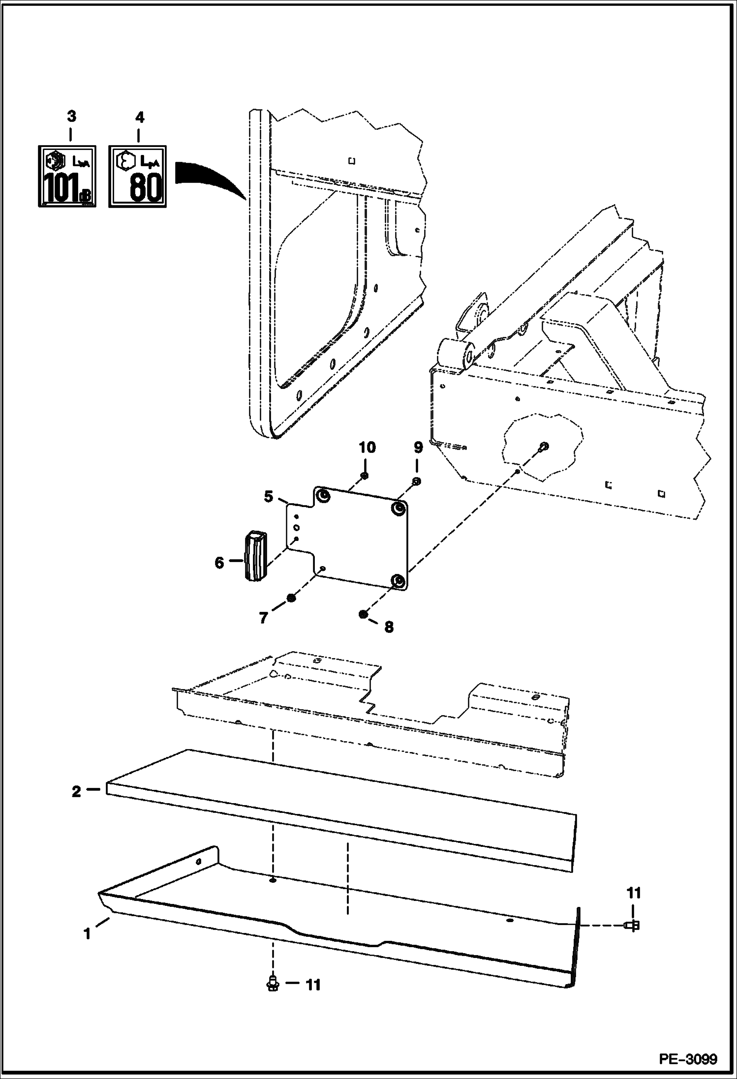
ДВЕРЦА КАБИНЫ

ДВЕРЦА КАБИНЫ

1Артикул: 6676169, NUT
2Артикул: 6813444, DOOR driver- Ref. 4-18
3Артикул: 6812896, DOOR passenger - Ref. 4, 6-9, 11, 12, 14, & 17-23
Подробнее >
КОМПЛЕКТ КЛАКСОНОВ (ЕВРОПЕЙСКО ДОПОЛНИТЕЛЬНОЕ ОБОРУДОВАНИЕ)

КОМПЛЕКТ КЛАКСОНОВ (ЕВРОПЕЙСКО ДОПОЛНИТЕЛЬНОЕ ОБОРУДОВАНИЕ)

1Артикул: 7114297, ALARM KIT W/Ref. 2-8
2Артикул: 6532998, BUSHING
3Артикул: 6671106, HORN
Подробнее >
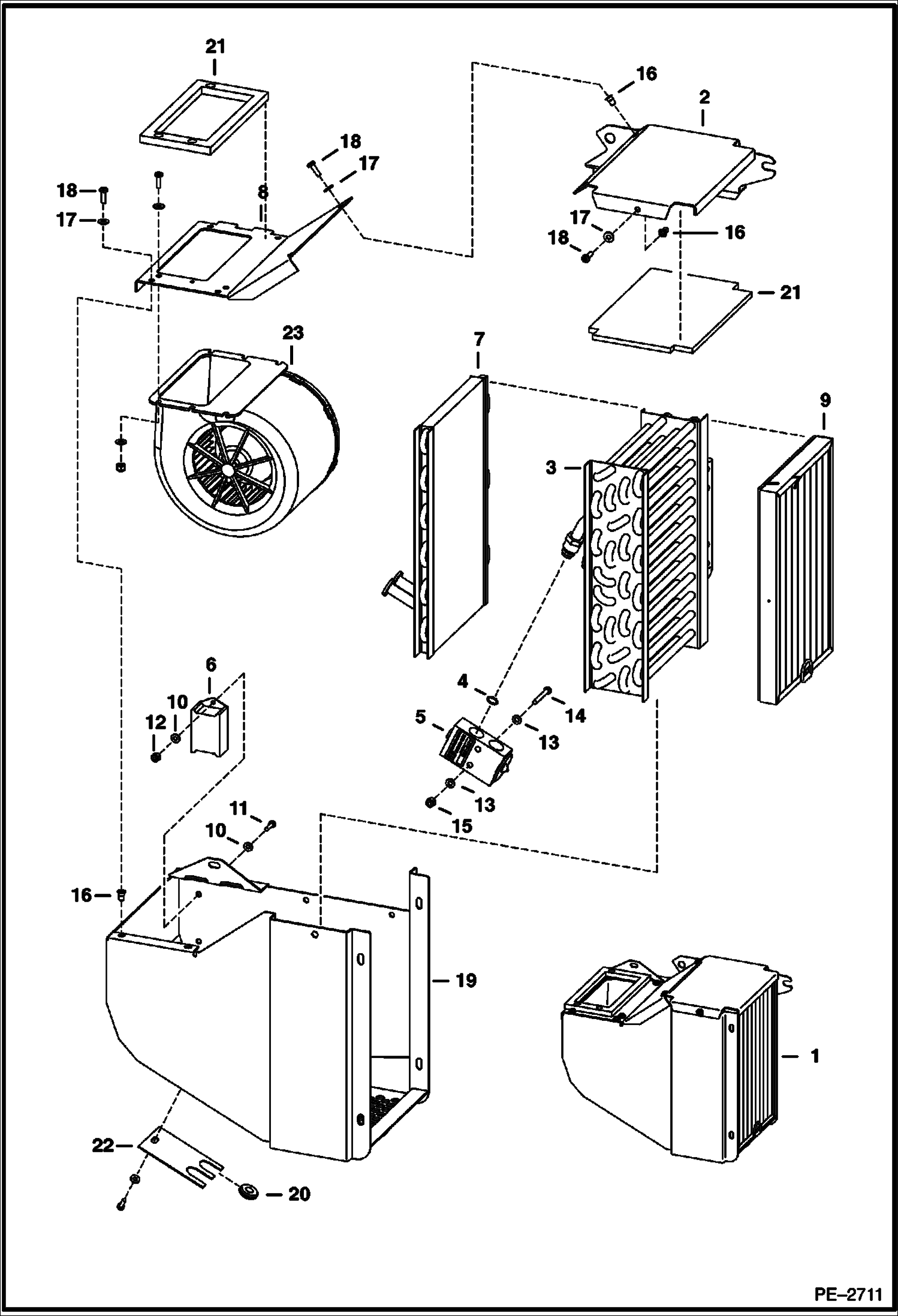
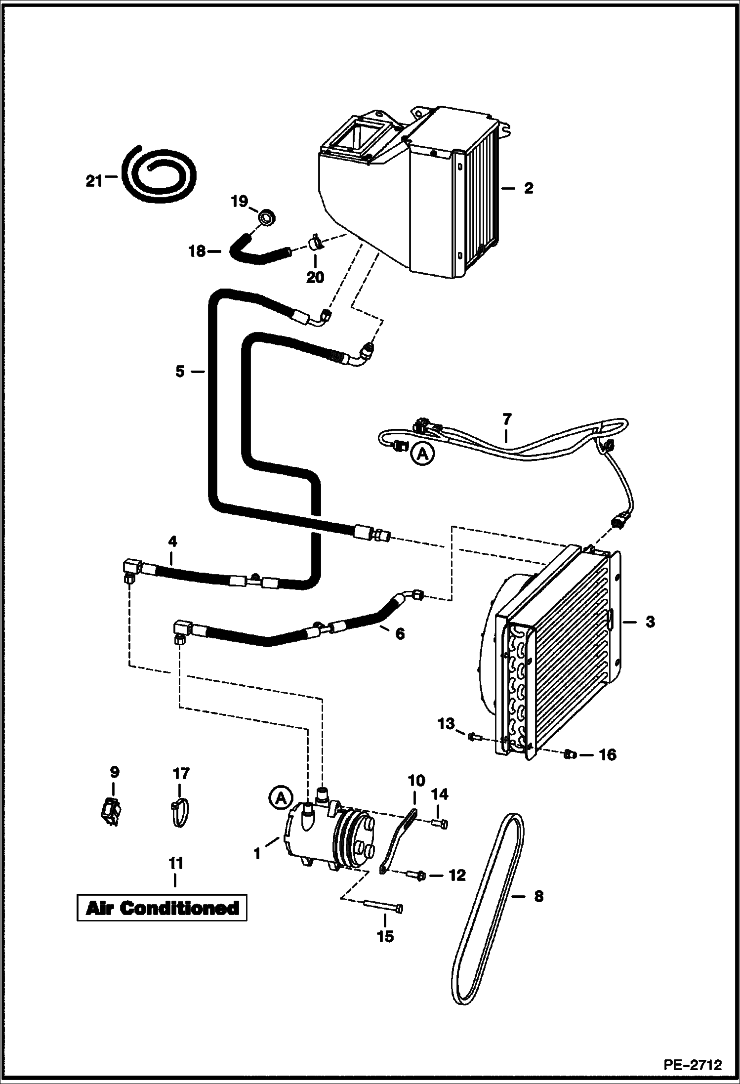
ОБОГРЕВАТЕЛЬ И КОНДИЦИОНЕР

ОБОГРЕВАТЕЛЬ И КОНДИЦИОНЕР

1Артикул: 6681461, COMPRESSOR See Illustration HEATER & A/C/ PE1776 A/C
2Артикул: 6679085, SWITCH low pressure
3Артикул: SWITCH, SWITCH NLA - high pressure - Was 6686358 - A
Подробнее >
ОБОГРЕВАТЕЛЬ И КОНДИЦИОНЕР (СИСТЕМА ОТОПЛЕНИЯ, ВЕНТИЛЯЦИИ И КОНДИЦИОНИРОВАНИЯ (ОВК) В СБОРЕ)

ОБОГРЕВАТЕЛЬ И КОНДИЦИОНЕР (СИСТЕМА ОТОПЛЕНИЯ, ВЕНТИЛЯЦИИ И КОНДИЦИОНИРОВАНИЯ (ОВК) В СБОРЕ)

1Артикул: 6687622, HVAC Order 6691427 HVAC Assy
2Артикул: 6689373, COVER ASSY
3Артикул: 6689374, COIL evaporator
Подробнее >
КОМПЛЕКТ НИЖНИХ КРЫШЕК ДВИГАТЕЛЯ

КОМПЛЕКТ НИЖНИХ КРЫШЕК ДВИГАТЕЛЯ

1Артикул: 6817732, KIT lower engine cover - Ref. 2-11
2Артикул: 6675722, NUT
3Артикул: 6818229, BRACKET
Подробнее >
КОМПЛЕКТ ДЕТАЛЕЙ ДЛЯ ФИЛЬТРА ПРЕДВАРИТЕЛЬНОЙ ОЧИСТКИ

КОМПЛЕКТ ДЕТАЛЕЙ ДЛЯ ФИЛЬТРА ПРЕДВАРИТЕЛЬНОЙ ОЧИСТКИ

1Артикул: 7109083, KIT, PRE-CLEANER Ref. 2-12
2Артикул: 6688809, FILTER
3Артикул: 6689215, TUBE
Подробнее >
СИГНАЛ ЗАДНЕГО ХОДА

СИГНАЛ ЗАДНЕГО ХОДА

1Артикул: 6815256, KIT Ref. 2-9
2Артикул: 515069, GROMMET
3Артикул: 6651512, ALARM, BACK-UP Was 6599931 - A
Подробнее >
КОМПЛЕКТ ПЕРЕХОДНИКОВ ДЛЯ СЦЕПКИ

КОМПЛЕКТ ПЕРЕХОДНИКОВ ДЛЯ СЦЕПКИ

1Артикул: HITCH, HITCH KIT NLA - Was 7108437 - A
2Артикул: 7107773, HITCH
3Артикул: 1CM1250, BOLT
Подробнее >
КОМПЛЕКТ ОГНЕТУШИТЕЛЯ

КОМПЛЕКТ ОГНЕТУШИТЕЛЯ

1Артикул: KIT,, KIT, EXTINGUISHER FIRE NLA - Ref. 5-12 - Was 7115609 - A
2Артикул: 7115609, KIT, FIRE EXTINGUISHER Ref. 2-8 & 12
3Артикул: 7224664, EXTINGUISHER, FIRE W/Ref. 3
Подробнее >
ТЕХНИКА БЕЗОПАСНОСТИ ПРИ ПРОВЕДЕНИИ ГОРНЫХ РАБОТ И УПРАВЛЕНИЕ ОХРАНЫ ТРУДА

ТЕХНИКА БЕЗОПАСНОСТИ ПРИ ПРОВЕДЕНИИ ГОРНЫХ РАБОТ И УПРАВЛЕНИЕ ОХРАНЫ ТРУДА

1Артикул: 6904751, MSHA KIT See Illustration ENGINE & GASKET KITS/ NA1522 V2203MDI Kubota engine
2Артикул: 7126608, MSHA KIT See Illustration ENGINE & GASKET KITS/ NA1523 V2003TMDI Kubota engine
3Артикул: DECAL, DECAL NSS - Order Ref. 1
Подробнее >
КОМПЛЕКТ УСТРОЙСТВА УПРАВЛЕНИЯ НАВЕСНЫМ ОБОРУДОВАНИЕМ

КОМПЛЕКТ УСТРОЙСТВА УПРАВЛЕНИЯ НАВЕСНЫМ ОБОРУДОВАНИЕМ

1Артикул: 7114292, KIT, ATTACHMENT CONTROL attach cntrl - Ref. 2-9
2Артикул: 6624289, STRAP, TIE nylon
3Артикул: 6678669, STRAP
Подробнее >
ЕВРОПЕЙСКИЙ ВАРИАНТ ОБСЛУЖИВАНИЯ

ЕВРОПЕЙСКИЙ ВАРИАНТ ОБСЛУЖИВАНИЯ

1Артикул: 7117724, COVER
2Артикул: 7120514, INSULATION
3Артикул: 6812569, DECAL
Подробнее >
КОМПЛЕКТ КЛАКСОНОВ

КОМПЛЕКТ КЛАКСОНОВ

1Артикул: 6815255, HORN KIT Ref. 2-6
2Артикул: 7001044, HORN, ALARM Was 6675099 - A
3Артикул: 6679977, SWITCH horn
Подробнее >
ПРОЖЕКТОРЫ И СИГНАЛЫ ПОВОРОТА

ПРОЖЕКТОРЫ И СИГНАЛЫ ПОВОРОТА

1Артикул: 1636979, BODY female
2Артикул: 6557904, FLASHER
3Артикул: 6624289, STRAP, TIE
Подробнее >
НАКЛЕЙКИ

НАКЛЕЙКИ

1Артикул: DECAL, DECAL KIT NLA
2Артикул: 6816983, DECAL fuse/relay
3Артикул: 6731332, DECAL Bobcat - 4.70-- x 15.21-- (119 mm x 386 mm)
Подробнее >