АКСЕСCУАРЫ И ОПЦИИ в Алматы
ОГНЕТУШИТЕЛЬ
1Артикул: KIT,, KIT, EXTINGUISHER FIRE NLA - Ref. 5-11 - Was 6725898 - A
2Артикул: 6725898, KIT, EXTINGUISHER FIRE Ref. 2-7 & 11
3Артикул: 7224664, EXTINGUISHER, FIRE W/Ref. 3
КОМПЛЕКТ ЭЛЕКТРИЧЕСКИХ РЕГУЛЯТОРОВ (РЕЗИНОВЫЕ ДЕТАЛИ СЕРИИ G И КЛАССИЧЕСКИЕ КРЕПЛЕНИЯ) (БЕЗ ТУМБЛЕРНОГО ПЕРЕКЛЮЧАТЕЛЯ)
1Артикул: 6727739, KIT
2Артикул: 6729380, HARNESS, CONTROL ATTACH DLX W/Ref. 3-8 & 14
3Артикул: 6667569, CONNECTOR, RECEPTACLE Also Order (14) of Ref. 4
СИСТЕМА УСОВЕРШЕНСТВОВАННОГО КОНТРОЛЯ КОМПЛЕКТА ДЛЯ ПЕРЕОБОРУДОВАНИЯ (СЕРИЙНЫЙ НОМЕР 562216108 И ВЫШЕ)
1Артикул: 6731151, KIT foot control - Ref. 2-14 & 17-30 - loader must be equipped W/advanced hand control option
2Артикул: 6564657, PIN
3Артикул: 6680470, SPRING Was 6675745 - A
ОБОГРЕВАТЕЛЬ И КОНДИЦИОНЕР (КОМПЛЕКТ СПИРАЛЕЙ ОБОГРЕВАТЕЛЯ)
1Артикул: 6727786, KIT heater coil - threaded hose connectors - Ref. 2-9 - Was 6728990 - A
2Артикул: 7132549, HEATER COIL KIT heater coil - barbed hose connectors - Ref. 2, 4 & 9 - Was 6691065 - A
3Артикул: HEATER, HEATER COIL NSS - threaded hose connectors - Order Ref. 1 (6727786 Kit)
КОМПЛЕКТ ДЛЯ ШУМОПОГЛОЩЕНИЯ
1Артикул: 6808104, KIT Ref. 2 - 23
2Артикул: 6715106, INSULATION tailgate
3Артикул: 6715393, INSULATION pnl shield
НАКЛЕЙКИ НАРУЖНИЕ
1Артикул: 6901220, KIT See Illustration DECALS/ B17250
2Артикул: DECAL, DECAL NLA - patent - Was 6557224 - C
3Артикул: 6727309, DECAL, LOGO RH bobcat - R.H. - Was 6559070 - A
BOB-TACH КОМПЛЕКТ ДЛЯ ПЕРЕОБОРУДОВАНИЯ
1Артикул: 6804074, KIT Ref. 2 & 3 - SEE NOTE
2Артикул: 6804058, BUSHING
3Артикул: 6900529, INSTRUCTIONS
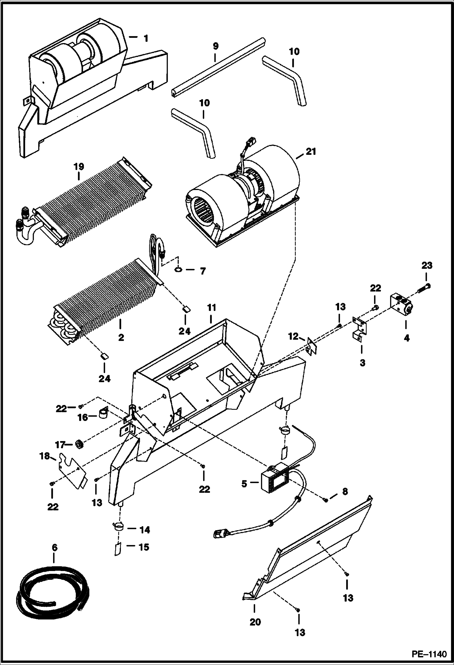
ОБОГРЕВАТЕЛЬ И КОНДИЦИОНЕР (ОБОГРЕВАТЕЛЬ В СБОРЕ) (СЕРИЙНЫЙ НОМЕР И НИЖЕ)
1Артикул: HEATER, HEATER See Illustration HEATER & A/C/ PE1143 NLA - Ref. 2-16 - ORDER 6676562 - WAS 6674933 - A
2Артикул: SEAL, SEAL NLA - 14.75--(375 mm) long - Order Ref. 15
3Артикул: SEAL, SEAL NLA - 8.5--(215 mm) long - Order Ref. 15
ВЕРХНЯЯ ЧАСТЬ БЛОКА ДВИГАТЕЛЯ
1Артикул: 6720745, BLOCK HEATER W/Ref. 2 installed on injection pump side (2nd hole)
2Артикул: 6668881, CORD
3Артикул: 6720038ENUS, INSTRUCTIONS Was 6720038 - A
ДВЕРЦА КАБИНЫ (КОМПЛЕКТ ДАТЧИКОВ)
1Артикул: 6732451, KIT door switch - Ref. 2-7 & 9-15
2Артикул: 6731212, SENSOR door assy.
3Артикул: 6677193, RIVET plastic
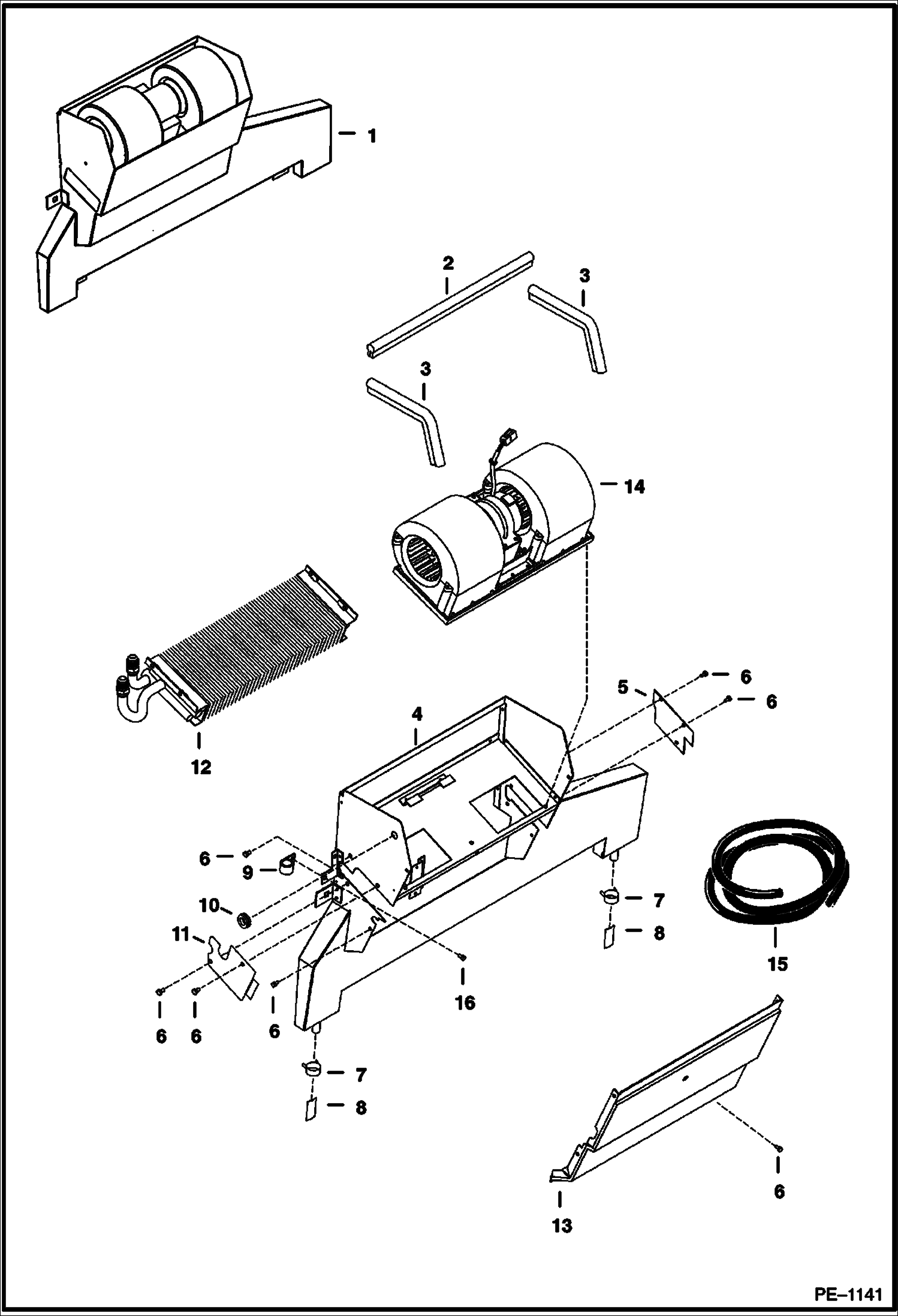
ОБОГРЕВАТЕЛЬ И КОНДИЦИОНЕР (НАГРЕВАТЕЛЬ В СБОРЕ)
1Артикул: 6675497, BLOWER, HEATER AND A/C Ref. 2-8
2Артикул: 6662246, CONNECTOR 6 pin
3Артикул: 6662252, LOCK 6 pin
КОРПУС КАБИНЫ (КОМПЛЕКТ ОТДЕЛКИ КАБИНЫ) (КОМПЛЕКСТ ДЛЯ ОСОБОГО ПРИМЕНЕНИЯ)
1Артикул: KIT, KIT NLA - Order 6577880 access cover kit, 6730822 cab door kit, 6732928 3rd gas spring kit & 7131580 side window kit - Was 6731938 - A
2Артикул: KIT, KIT NLA - special applications kit - Order 6726984 lexan rear window kit, 6730823 door kit, 7105035 top cab window, 6986505 instructions & (4) of 6681614 knob - Was 6731937 - A
ЧЕХЛЫ СИДЕНИЙ (СИДЕНЬЕ С ОТДЕЛКОЙ ИЗ ИСКУССТВЕННОЙ КОЖИ)
1Артикул: 7260106, COVER, SEAT See Illustration SEAT/ B14720 - Use W/ 6669135 seat
2Артикул: 7260107, COVER, SEAT HEATED See Illustration SEAT/ B14720 - Use W/ 6669135 seat
ШИНЫ И ДИСКИ (СПЛОШНАЯ ШИНА)
1Артикул: TIRE,, TIRE, TWIN FLEX (LEFT) 14X17.5 Was 6988042 - B,D
2Артикул: TIRE,, TIRE, TWIN FLEX 14X17.5 RH Was 6988043 - B,D
3Артикул: TIRE,, TIRE, FLEX DIRT LH 14X17.5(36.5X14) EF NLA - Was 6988947 - A
ШИНЫ И КОЛЕСНЫЕ ДИСКИ (СПЛОШНАЯ ШИНА) (SEGMENTED)
1Артикул: TIRE, TIRE & RIM NLA - Assy - R.H. - 14 x 17.5 - Was 6672047 - A
2Артикул: TIRE, TIRE & RIM NLA - Assy - L.H. - 14 x 17.5 - Was 6672046 - A
3Артикул: SEGMENT, SEGMENT NLA - Box of (5) segments - 14 x 17.5 - W/Ref. 4 - 6 - (20) segments/tire Was 6672048 - A
СТЕКЛООЧИСТИТЕЛЬ ЗАДНЕГО СТЕКЛА
1Артикул: 6726655, KIT rear wiper
2Артикул: HOSE, HOSE NLA - 96--(2438,4 mm) long - Order Ref. 18
3Артикул: 6719317, WINDOW
КОМПЛЕКТ ГИДРАВЛИКИ ВСПОМОГАТЕЛЬНОГО ОБОРУДОВАНИЯ, РАСПОЛОЖЕННОГО СЗАДИ
1Артикул: KIT, KIT SALES - Ref. 2 -14, 19-32 - Order 6800087
2Артикул: 6680414, HANDLE ASSY. 2-switch - Was 6705921 - A
3Артикул: 6640699, CONNECTOR
ПРОБЛЕСКОВЫЕ ФАРЫ (4-ПОЛОСНАЯ) (ИНДИКАТОР ВКЛЮЧЕНИЯ СИГНАЛА ПОВОРОТА)
1Артикул: 6718411, KIT See Illustration ACCESSORIES HARNESS/ PE1557 Ref. 2-16 - if loader is not equipped W/deluxe cab option Also Order 6727468 harness
2Артикул: 6517516, LIGHT
3Артикул: 6718326, MOUNT
ПИТАНИЕ BOB-TACH КОМПЛЕКТ (С ИСПОЛЬЗОВАНИЕМ ГИДРОПРИВОДА) (СЕРИЙНЫЙ НОМЕР 562216258 И ВЫШЕ, 516516033 И ВЫШЕ)
1Артикул: 6811643, KIT Ref. 2-46
2Артикул: 6678897, VALVE See Illustration POWER BOB-TACH/ MS1263
3Артикул: 6809969, PIVOT
КОМПЛЕКТ ЭЛЕКТРИЧЕСКИХ РЕГУЛЯТОРОВ (ЭЛЕКТРИЧЕСКОЕ НАВЕСНОЕ ОБОРУДОВАНИЕ)
1Артикул: KIT, KIT NLA - Ref. 2 - 8 - Order 6733142 Kit - Was 6718812 - A
2Артикул: 6718426, HARNESS, LIFT ARM W/Ref. 3-6 & 9
3Артикул: 6674799, ADAPTER heat shrink
КОМПЛЕКСТ ЭЛЕКТРИЧЕСКИХ РАЗЪЕМ (7-КОНТАКТНЫЙ)
1Артикул: 6727176, KIT Ref. 2-4 & 7 - Order sockets as needed
2Артикул: 6674802, CONNECTOR 7-pin does not include sockets
3Артикул: 6669549, SOCKET 18 ga - not in kit
ДВЕРЦА КАБИНЫ (ПОЛИКАРБОНАТОВЫЕ ОКНА)
1Артикул: KIT, KIT See Illustration CAB DOOR/ PE1061 NLA - **IMPORTANT** This Lexan window kit has been discontinued. Order KIT 6726420 SPECIAL APPLICATIONS if safety glass application is needed.
2Артикул: WINDOW, WINDOW See Illustration CAB DOOR/ PE1061 NLA - Order KIT 6726420 SPECIAL APPLICATIONS - it contains 6732351 WINDOW - .5-- thick polycarbonate safety glass.
3Артикул: SEAL, SEAL NLA
КОМПЛЕКТ УСТРОЙСТВ ОСВЕЩЕНИЯ
1Артикул: KIT, KIT NLA - Order components
2Артикул: 6670284, LIGHT ASSY rear
3Артикул: 6649481, LIGHT, WEDGE BASE
КОРПУС КАБИНЫ (ЧЕХОЛ)
1Артикул: 6675544, CANVAS CAB W/Ref. 2-4 - fits over cab
2Артикул: 6675590, DOOR vinyl
3Артикул: 6675591, HINGE KIT
ШИНЫ И ДИСКИ (ПНЕВМАТИЧЕСКАЯ ШИНА)
1Артикул: TIRE, TIRE - 14X17.5 - 10 PLY NLA - factory option - Firestone - Was 6647879 - A
2Артикул: TIRE, TIRE - 14X17.5 - 10 PLY NLA - factory option - Goodyear - Was 6651476 - A
3Артикул: 6667794, TIRE, STANDARD 36X14X17.5, 10 PLY factory option - Dico - Was 6672461
ОБОГРЕВАТЕЛЬ И КОНДИЦИОНЕР (КОМПЛЕКТ ОТОПИТЕЛЯ) (КЛАПАН ОБОГРЕВАТЕЛЯ С БОРОДКАМИ)
1Артикул: 7108167, HEATER KIT
2Артикул: 6725933, HARNESS hvac-W/Ref. 17
3Артикул: 6725273, HARNESS AHC
ДВЕРЦА КАБИНЫ (СПЕЦИАЛЬНЫЕ ПРИЛОЖЕНИЯ)
1Артикул: 6726420, KIT door - Ref. 2-24 & 40-63
2Артикул: WINDOW, WINDOW NLA - .5-- thick polycarbonate W/O top notch - Order 6732351 window, Ref. 4 & (2) each of Ref. 5 & 6 - Was 6725935 - A
3Артикул: 6732351, WINDOW 0.5-- thick polycarbonate - W/top notch
КОМПЛЕКТ ЭЛЕКТРИЧЕСКИХ РЕГУЛЯТОРОВ (7 БОЛТОВ КРЕПЛЕНИЯ)
1Артикул: 6733142, KIT Ref. 2-14
2Артикул: 6718426, HARNESS, LIFT ARM W/Ref. 3-8
3Артикул: 6674802, CONNECTOR See Illustration ELECTRICAL CONNECTOR KIT/ MS2627 - 7-pin - W/Ref. 7 does not include sockets
КОМПЛЕКТ НАВЕСОВ СИСТЕМА ЗАЩИТЫ ОТ ПАДАЮЩИХ ПРЕДМЕТОВ (СИСТЕМА ЗАЩИТЫ ОТ ПАДАЮЩИХ ПРЕДМЕТОВ)
1Артикул: 6718924, KIT Ref. 2-7
2Артикул: 17C616, BOLT 5 Was 17C000612B - B
3Артикул: 83D6, NUT 5
КОМПЛЕКТ СВЕТОДИОДНЫХ ФАР ПОГРУЗЧИКА
1Артикул: 7275379, KIT, LIGHT LED Ref. 2-8
2Артикул: 7275528, RAIL, LIGHT MOUNTING LH
3Артикул: 7275529, RAIL, LIGHT MOUNTING RH
ГЛАВНЫЙ ЖГУТ ДОПОЛНИТЕЛЬНОГО ОБОРУДОВАНИЯ (СТАНДАРТ - КАБИНА НЕ ТИПА DELUXE)
1Артикул: 6727468, HARN.STD ACCESS Use W/ Std Cab and Flasher Lights, Turn Indicators, Hazard Lights, Rotating Beacon, and/or Strobe Lights - W/16-pin connector to loader harness
ОБОГРЕВАТЕЛЬ И КОНДИЦИОНЕР (КОМЛЕКТ КОНДИЦИОНЕРА)
1Артикул: 6808381, KIT Ref. 2 - 57
2Артикул: 6655781, BEARING thrust
3Артикул: 6624289, STRAP, TIE
ОЧИСТНОЕ УСТРОЙСТВО, ГЛУШИТЕЛЬ
1Артикул: 6677987, MUFFLER purifier - W/Ref. 2 & 3 - Was 6672555 - A
2Артикул: 6659543, PLUG brass - 1/8--
3Артикул: 6661062, PLUG brass - 0.38--
КОМПЛЕКТ АККУМУЛЯТОРОВ (ДВОЙНОЙ)
1Артикул: 6808262, KIT W/Ref. 2-17
2Артикул: 6712536, PAN
3Артикул: 6569203, CLAMP
КАБИНА ТИПА DELUXE
1Артикул: 6718804, KIT deluxe cab - SEE NOTE
2Артикул: 6718804, KIT
3Артикул: 6729233, KIT deluxe cab - SEE NOTE
ОБОГРЕВАТЕЛЬ И КОНДИЦИОНЕР (ОБОГРЕВАТЕЛЬ В СБОРЕ) (СЕРИЙНЫЙ НОМЕР И ВЫШЕ)
1Артикул: 6676562, HEATER assy. - Ref. 2-23 - W/threaded hose connectors
2Артикул: 6688371, HEATER assy. - Ref. 2-23 - W/barbed hose connectors - Was 7101926 - A
3Артикул: 6677108, HOUSING
АМОРТИЗАТОР
1Артикул: 6732928, KIT
2Артикул: 6567743, PIN
3Артикул: 6631418, RING, RETAINING
КОМПЛЕКТ ПОДЪЕМНЫХ ПРУЖИН КАБИНЫ
1Артикул: 6808310, KIT gas spring - Ref. 2-9
2Артикул: 6714062, KIT
3Артикул: 6706349, MOUNT
РЕМЕНЬ БЕЗОПАСНОСТИ (3-- ШИРОКИЙ ВЫДВИЖНОЙ)
1Артикул: 6675562, SEAT BELT 3-- wide retractable - Use W/Sears brand suspension seats W/LH recliner lever
2Артикул: 6901011, INSTRUCTIONS
ВСПОМОГАТЕЛЬНЫЙ КЛАПАН ЗАДНЕЙ ЧАСТИ (ДЛЯ ИСПОЛЬЗОВАНИЯ С СОЕДИНИТЕЛЬНЫМ УСТРОЙСТВОМ С ПЛОСКИМ ТОРЦОМ)
1Артикул: 6665572, VALVE diverter
2Артикул: 6676152, PLUG W/Ref. 9 - Was 6653490 - A
3Артикул: BODY, BODY NSS - Order Ref. 1
ОКНА КАБИНЫ (КОМПЛЕКТ РЕШЕТОК НА ОКНА)
1Артикул: 7122462, KIT, RIB WINDOW Ref. 2-6 - can NOT Use W/single point lift kits
2Артикул: 7153099, BRACE, CAB Was 7121556 - A
3Артикул: 7122487, 2 SEAL, WIPER
ЗАМОК ЗАДНЕЙ ДВЕРИ
1Артикул: 6732001, KIT lock - Ref. 2-6 - Was 6714973 - A
2Артикул: 6670726, CYLINDER, LOCK
3Артикул: KEY, KEY NLA - ignition & rear door - includes two keys W/ring - Order 6693241 - Was 6709527 - A
ОКНА КАБИНЫ (ВЕРХНЕЕ, ЗАДНЕЕ И БОКОВОЕ)
1Артикул: 6718805, KIT, WINDOW REAR AND TOP Ref. 8-10, 14, 33 & 41 - Was SALES - A
2Артикул: 7131580, KIT, WINDOW SIDE Ref. 2, 3, 5-7, 11-13, 15-32, 40 & 42 - A
3Артикул: 6717870, TRACK, LEFT LH side
СИГНАЛ ЗАДНЕГО ХОДА
1Артикул: 6806425, KIT backup alarm - Ref. 2 - 18
2Артикул: 37C512, BOLT
3Артикул: 6651512, ALARM, BACK-UP Was 6599931 - A
КОМПЛЕКТ СВЕТЛЫХ НАКЛЕЕК
1Артикул: 7140768, KIT white decal - Ref. 2-4
2Артикул: 7136678, DECAL top side
3Артикул: 7136679, DECAL middle top
РЕМЕНЬ БЕЗОПАСНОСТИ (3 ИЗМЕНЯЕМЫХ ТОЧКИ КРЕПЛЕНИЯ)
1Артикул: 6732219, KIT three point retractable seat belt - Use W/Sears brand suspension seats W/LH recliner lever - Was 6725168 - A
2Артикул: 6674407, SHOULDER BELT
3Артикул: 6679308, SEAT BELT Was 6674408 - A
ЕВРОПЕЙСКОЕ ДОПОЛНИТЕЛЬНОЕ ОБОРУДОВАНИЕ (ЗАДНИЕ ФОНАРИ)
1Артикул: LIGHT,, LIGHT, ASSY NLA - rear - Order 7104671 - Was 6707789 - A
2Артикул: HARNESS, HARNESS NLA - Order 6718198 Harness - Was 6714546 - A
3Артикул: 6718198, HARNESS deluxe
ФИЛЬТР ПРЕДВАРИТЕЛЬНОЙ ОЧИСТКИ ВОЗДУХА
1Артикул: 6672561, FILTER air precleaner assy. W/Ref. 2
2Артикул: 6673920, GUARD safety
3Артикул: 44H64, CLAMP See Illustration ENGINE & ATTACHING PARTS/ PE1261 Ref. 15
КОМПЛЕКТ МЕХАНИЗМОВ ПОДЪЕМА (2 - ТОЧКА КРЕПЛЕНИЯ)
1Артикул: 6804073, KIT Ref. 2 - 7
2Артикул: 6804050, BRACKET L.H.
3Артикул: 6804051, BRACKET R.H.
КОМПЛЕКТ ПРОТИВОВЕСОВ (3650 ФУНТОВ - БОКОВОЙ МОНТАЖ)
1Артикул: KIT, KIT NLA - counterweight - Order components - Was SALES (6805760) - A
2Артикул: 6805763, WEIGHT 78.5 lbs (34,5 kg)
3Артикул: 6668787, RING retaining
ОБОГРЕВАТЕЛЬ И КОНДИЦИОНЕР (КОМПЛЕКТ ОБОГРЕВАТЕЛЯ) (ДЛЯ КРАНА ОТОПИТЕЛЯ С РЕЗЬБОВЫМ СОЕДИНЕНИЕМ)
1Артикул: HEATER, HEATER KIT See Illustration DELUXE CAB/ PE1323 See Illustration OPERATOR CAB/ PE1050 NLA - Ref. 2-9, 11-13 16, 17, 19-30, 33, 34, 36-39, 41 & 42 - Order 7108167 kit - If loader is not equipped W/deluxe cab headliner Also Order 6718804 or 6729233 deluxe cab kit - on earlier designed cabs it may be necessary to Also Order 6675033 insert - Was 6718803 - A
2Артикул: HARNESS, HARNESS NLA - hvac - Order 6725933 Harness - Was 6725275 - A
3Артикул: 6725933, HARNESS hvac - W/Ref. 17 - Was 6717877 - A
КОМПЛЕКТ МЕХАНИЗМОВ ПОДЪЕМА (4 - ТОЧКА КРЕПЛЕНИЯ)
1Артикул: 6812295, KIT Ref. 2 - 6 - Was 6804247 - A
2Артикул: 6726423, DECAL, WARNING check before lifting - Was 6702916 - A
3Артикул: 6812294, BRACKET lift eye - Was 6804236 - A
КОМПЛЕКТ ЭЛЕКТРИЧЕСКИХ РЕГУЛЯТОРОВ (РЕЗИНОВЫЕ ДЕТАЛИ СЕРИИ G И КЛАССИЧЕСКИЕ КРЕПЛЕНИЯ) (С ТУМБЛЕРНЫМ ПЕРЕКЛЮЧАТЕЛЕМ)
1Артикул: KIT, KIT See Illustration ELECTRICAL CONTROLS KIT/ TS2118 NLA - ORDER 6727739 KIT - WAS 6719431 - A
2Артикул: 6719434, HARNESS W/Ref. 3, 4, 6 - 8 & 14
3Артикул: 6667569, CONNECTOR, RECEPTACLE Also Order (14) of Ref. 4
КОМПЛЕКТ ВСПОМОГАТЕЛЬНЫХ ГИДРОСИСТЕМ (ПРАВАЯ СТОРОНА)
1Артикул: 6803596, KIT W/Ref. 2 - 37
2Артикул: 6806046, TUBELINE
3Артикул: 6803571, CLAMP
ПИТАНИЕ BOB-TACH (КЛАПАН В СБОРЕ)
1Артикул: 6678897, VALVE Ref. 2-31
2Артикул: 6679245, RELIEF VALVE
3Артикул: 6679244, BALL ASSY
ОБОГРЕВАТЕЛЬ И КОНДИЦИОНЕР (КОМПЛЕКТ УПЛОТНЕНИЙ НАГНЕТАТЕЛЯ)
1Артикул: 6728567, KIT blower seal - W/Ref. 2, 3 & 10
2Артикул: FLANGE, FLANGE SEAL NSS - assy - Ref. 4, 5, 6 & 9 - Order Ref. 1
3Артикул: 6726621, SCREW
НАКЛЕКИ (ВНУТРЕННИЕ)
1Артикул: 6901220, KIT See Illustration DECALS/ B17251
2Артикул: 6807304AR, KIT decal
3Артикул: 6807304BR, KIT decal
КОМПЛЕКТ ОГРАНИЧИТЕЛЕЙ ОПРОКИДЫВАНИЯ
1Артикул: KIT, KIT NLA
2Артикул: FITTING, FITTING NLA - restrictor - Was 6672340 - A
3Артикул: 6900519, INSTRUCTIONS
ДВЕРЦА КАБИНЫ (ОКНО И СТЕКЛООЧИСТИТЕЛЬ)
1Артикул: 7188371, ARM, WIPER
2Артикул: 7188372, BLADE, WIPER WINDOW
3Артикул: 6679476, MOTOR, WIPER W/threaded shaft end & built in fuse
МАЯЧОК
1Артикул: 6719854, KIT, BEACON LIGHT See Illustration ACCESSORIES HARNESS/ PE1557 - rotating beacon - if loader is not equipped W/deluxe cab option Also Order 6727468 harness
2Артикул: 6718872, HARNESS
3Артикул: 6665317, SWITCH horizontal - not in kit
ПИТАНИЕ BOB-TACH (ЦИЛИНДР)
1Артикул: 6809973, CYLINDER Ref. 2 - 15
2Артикул: 6810562, TUBE, CASE CYL POWER BOB-TACH Was 6810349 - A
3Артикул: 6586543, PISTON
ПОБЛЕСКОВЫЙ МАЯЧОК
1Артикул: 6719857, KIT See Illustration ACCESSORIES HARNESS/ PE1557 - strobe light - if loader is not equipped W/deluxe cab option Also Order 6727468 harness
2Артикул: 6718872, HARNESS
3Артикул: 6665317, SWITCH horizontal - not in kit
ЕВРОПЕЙСКОЕ ДОПОЛНИТЕЛЬНОЕ ОБОРУДОВАНИЕ
1Артикул: 6715428, DECAL dynamic level
2Артикул: 6579385, DECAL noise
3Артикул: 6579406, DECAL noise
ОКНА КАБИНЫ (ВНЕШНИЙ КОМПЛЕКТ ДЛЯ УДАЛЕНИЯ, РАСПОЛОЖЕННЫЙ СЗАДИ)
1Артикул: 6725946, KIT Ref. 2-4
2Артикул: 6725421, HANDLE
3Артикул: 6726303, DECAL, OPERATION removeable rear window
КРУПНОГАБАРИТНЫЕ ПРЕДМЕТЫ (СМОТРИТЕ ПРИМЕЧАНИЕ)
1Артикул: 6902228, PAINT, ORANGE SPRAY CAN 6 original shade
2Артикул: 7305844, PAINT ORANGE SPRAY CAN 6 updated shade
3Артикул: 7251690, PAINT, ORANGE SPRAY CAN 6 original shade - EMEA
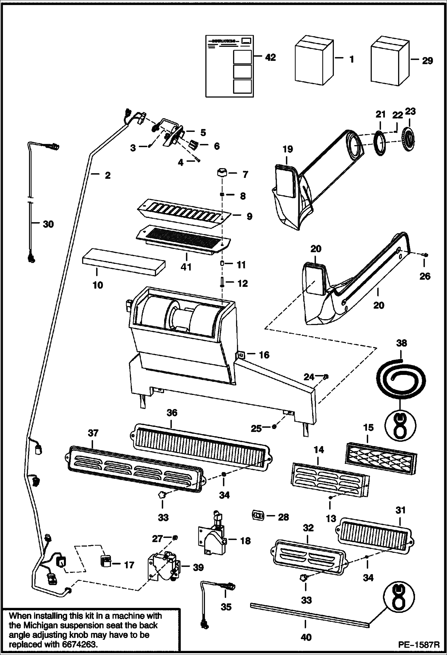
ОБОГРЕВАТЕЛЬ КАБИНЫ И КОНДИЦИОНЕР (КОМПЛЕКТ ТРУБОПРОВОДОВ ОБОГРЕВАТЕЛЯ)
1Артикул: 6807305, KIT See Illustration HEATER & A/C/ PE1587R W/Ref. 2 - 13 - FOR HEATER KIT
2Артикул: 6624289, STRAP, TIE
3Артикул: 6807017, HOSE
КОМПЛЕКТ ВСПОМОГАТЕЛЬНЫХ СТОКОВ ИЗ КОРПУСА
1Артикул: 6806348, KIT Ref. 2 - 19
2Артикул: 6596832, ELBOW C-Series
3Артикул: 6624289, STRAP, TIE
ДВЕРЦА КАБИНЫ
1Артикул: 6718807, KIT door - Ref. 2-18 & 36-78 - For loaders W/standard cab, Also Order Deluxe Cab Kit
2Артикул: DOOR, DOOR See BTI369 NLA - W/Ref. 60 & 61 - Uses 3 bolt handle - .5-- longer than 6726435 door - Was 6717590 - A
3Артикул: DOOR, DOOR See BTI369 NLA - W/Ref. 60 & 61 - Uses 3 bolt mount handle - .5-- shorter than NLA 6717590 door - Was 6726435 - A
КОМПЛЕКТ КЛАКСОНОВ
1Артикул: HORN, HORN KIT NLA - Ref. 2 - 16 - Requires multi-switch handle - Was 6719043 - B
2Артикул: 6727995, KIT, HORN Ref. 2 - 16
3Артикул: 17C410, BOLT 10
ОБОГРЕВАТЕЛЬ И КОНДИЦИОНЕР (СИСТЕМА ОТОПЛЕНИЯ, ВЕНТИЛЯЦИИ И КОНДИЦИОНИРОВАНИЯ (ОВК) В СБОРЕ) (СЕРИЙНЫЙ НОМЕР И НИЖЕ)
1Артикул: HEATER/AC, HEATER/AC See Illustration HEATER & A/C/ PE1658 NLA - Ref. 2 - 23 - ORDER 6683001 - WAS 6674226 - A
2Артикул: 6683003, COIL evaporator - Was 6675533 - A
3Артикул: 6675536, BRACKET valve support
КОМПЛЕКТ УСТРОЙСТВА РУЧНОГО УПРАВЛЕНИЯ (С КНОПКОЙ ВКЛЮЧЕНИЯ)
1Артикул: 6727298, KIT Also Order 6900878 O/M
2Артикул: 6684913, LEVER tilt - RH - Was 6675742 - A
3Артикул: 6684914, LEVER lift - LH - Was 6675750 - A
ОБОГРЕВАТЕЛЬ И КОНДИЦИОНЕР (ИЗОЛЯЦИЯ)
1Артикул: 6688401, INSULATION Was 6675607 - A
2Артикул: 6675608, INSULATION
3Артикул: 6675609, INSULATION
КОМПЛЕКТ БАЛЛОНОВ С ЭФИРОМ
1Артикул: 6597284, KIT Ref. 2 - 13 & 17 - 20
2Артикул: 6667732, VALVE
3Артикул: 6667733, CLAMP
РЕМЕНЬ БЕЗОПАСНОСТИ (3-- ШИРОКИЙ)
1Артикул: 6703640, KIT W/Ref. 2-5 & 7-9
2Артикул: 6703703, GUIDE
3Артикул: 6630207, RIVET 5
ОБОГРЕВАТЕЛЬ И КОНДИЦИОНЕР (СИСТЕМА ОТОПЛЕНИЯ, ВЕНТИЛЯЦИИ И КОНДИЦИОНИРОВАНИЯ (ОВК) В СБОРЕ) (СЕРИЙНЫЙ НОМЕР И ВЫШЕ)
1Артикул: 6683001, HVAC assy - Ref. 2-26 - Was 6676561 - A
2Артикул: 6677108, HOUSING
3Артикул: COVER, COVER NLA - Order 6678151 & 6678152 flange - Was 6677109 - A