+7 (701) 588 50 05 Телефон для связи
RU

WhatsApp

Позвонить

АКСЕСCУАРЫ И ОПЦИИ в Алматы

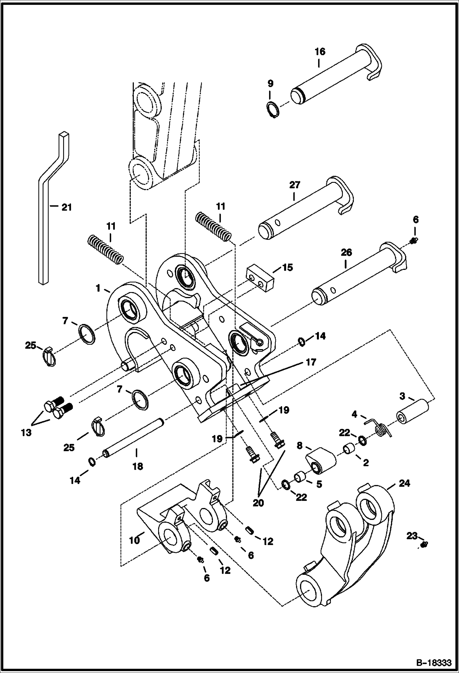
КОМПЛЕКТ ШИРОКИХ СОЕДИНИТЕЛЕЙ

КОМПЛЕКТ ШИРОКИХ СОЕДИНИТЕЛЕЙ

1Артикул: 6804792, KIT Bucket Link - Wide - W/Ref. 2 - 4, 6 - 8, 10, 11
2Артикул: 6805281, LINK, BUCKET MACHINED ASSY W/Ref. 6-8
3Артикул: 6807053, PIN, PIVOT X-CHANGE
Подробнее >
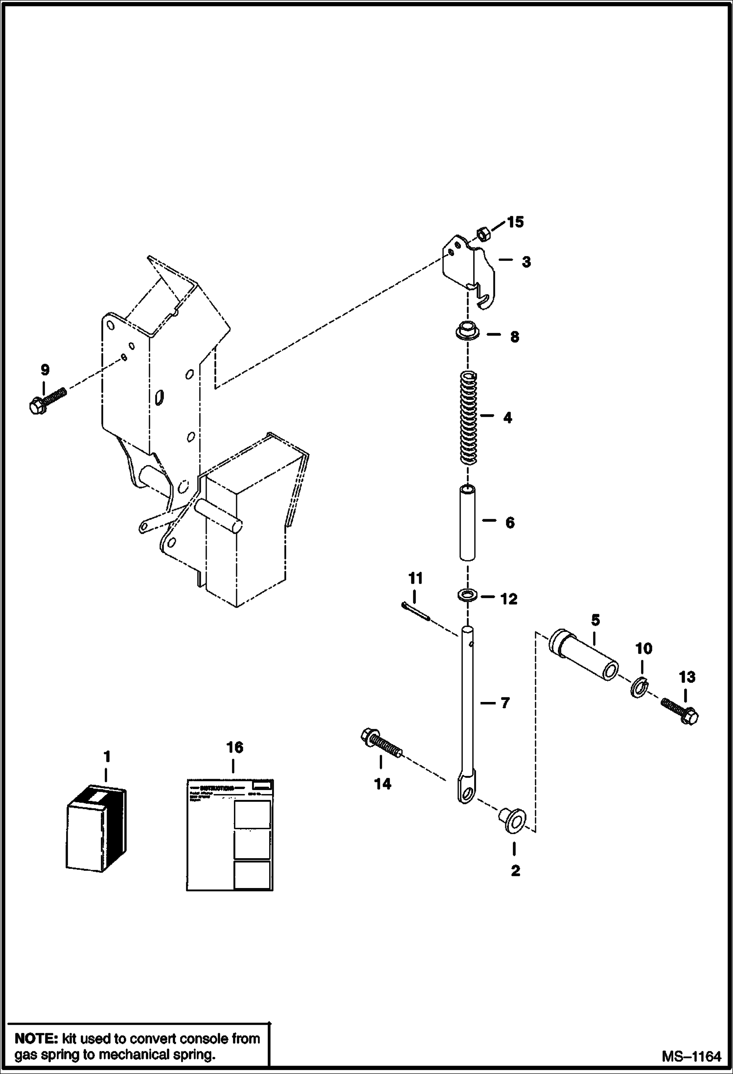
КОМПЛЕКТ ВЕСЕННЕЙ КОНСОЛИ

КОМПЛЕКТ ВЕСЕННЕЙ КОНСОЛИ

1Артикул: 6811226, KIT
2Артикул: 6808749, BUSHING
3Артикул: 6808756, BRACKET
Подробнее >
СМЕННЫЙ КОМПЛЕКТ (ПРИВИНЧЕННЫЙ)

СМЕННЫЙ КОМПЛЕКТ (ПРИВИНЧЕННЫЙ)

1Артикул: 6803411, KIT Bolt on X-Change, Ref. 2-4 & 6-10, & 13
2Артикул: X-CHANGEt, X-CHANGEt NLA - Bolt-on - Order 6803412 - Replaceable bushings - Was 6804800 - A
3Артикул: 6803412, X-CHANGE W/O replaceable bushings, also order wide link kit 6804792
Подробнее >
КОМПЛЕКТ ПРОТИВОВЕСОВ (337 ТОЛЬКО)

КОМПЛЕКТ ПРОТИВОВЕСОВ (337 ТОЛЬКО)

1Артикул: 6805703, KIT
2Артикул: 6805663, COUNTERWEIGHT
3Артикул: 6805701, INSULATION
Подробнее >
ВЕРХНЯЯ ЗАЩИТА (КАБИНА ИЛИ КРЫША НАД СИДЕНЬЕМ ВОДИТЕЛЯ)

ВЕРХНЯЯ ЗАЩИТА (КАБИНА ИЛИ КРЫША НАД СИДЕНЬЕМ ВОДИТЕЛЯ)

1Артикул: 6595975, FOPS KIT Top
2Артикул: PLATE, PLATE NLA - Order Ref. 1
3Артикул: 17C620, BOLT
Подробнее >
НАКЛЕЙКИ НАРУЖНИЕ

НАКЛЕЙКИ НАРУЖНИЕ

1Артикул: DECAL,, DECAL, WARNING NLA - high pressure grease - Order Ref. 2 - Was 6804114 - A
2Артикул: 7168039, DECAL, WARNING high pressure grease
Подробнее >
КОРПУС КАБИНЫ (ВИНИЛ)

КОРПУС КАБИНЫ (ВИНИЛ)

1Артикул: 6669009, ENCLOSURE vinyl - Ref. 2-5
2Артикул: 45DM6, NUT 10
3Артикул: 6588651, PANEL
Подробнее >
КРУПНОГАБАРИТНЫЕ ПРЕДМЕТЫ (СМОТРИТЕ ПРИМЕЧАНИЕ)

КРУПНОГАБАРИТНЫЕ ПРЕДМЕТЫ (СМОТРИТЕ ПРИМЕЧАНИЕ)

1Артикул: 6902228, PAINT, ORANGE SPRAY CAN 6 original shade
2Артикул: 7305844, PAINT ORANGE SPRAY CAN 6 updated shade
3Артикул: 7251690, PAINT, ORANGE SPRAY CAN 6 original shade - EMEA
Подробнее >
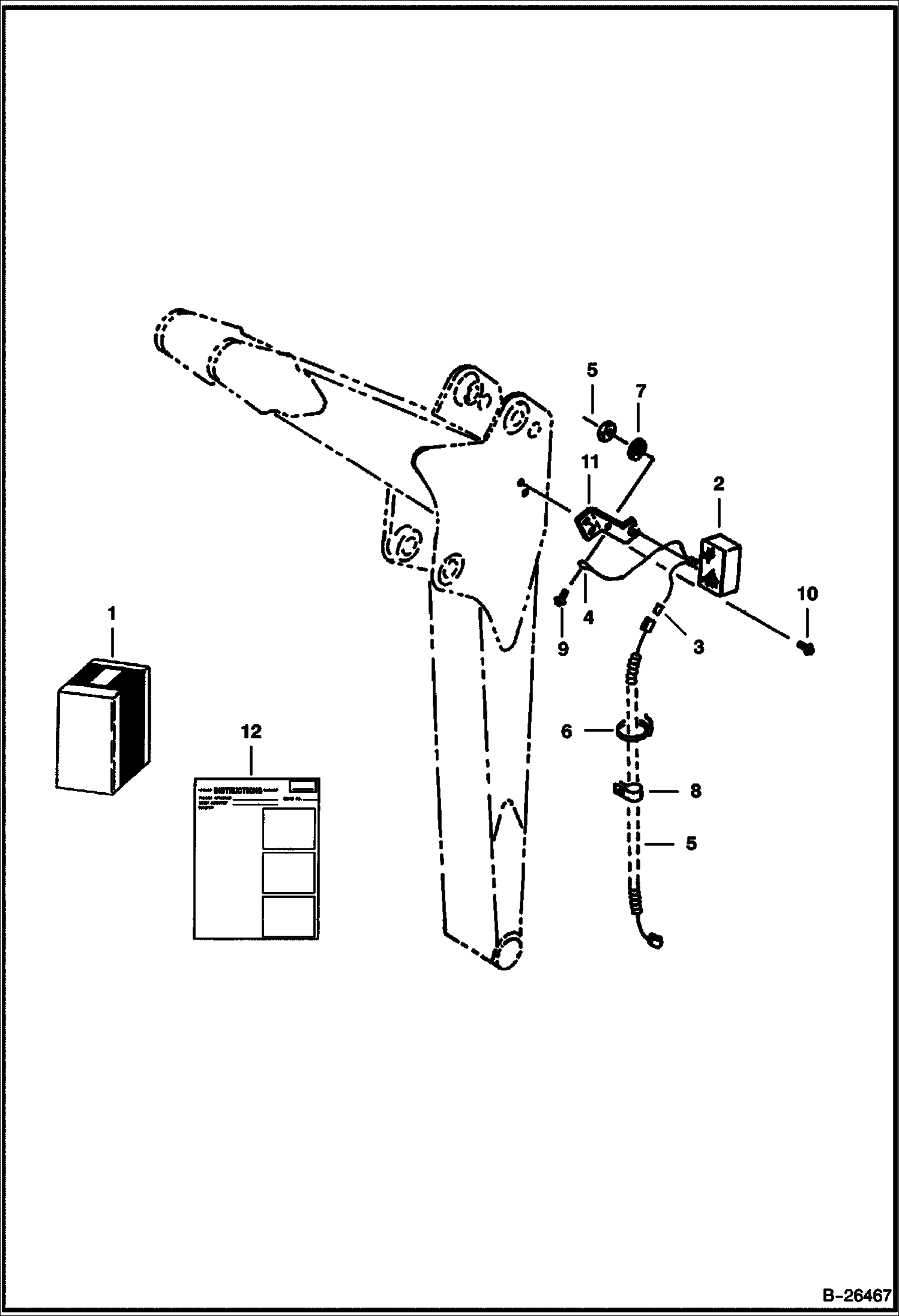
КОМПЛЕКТ УСТРОЙСТВ ЗАЖИГАНИЯ БЕЗ КЛЮЧА

КОМПЛЕКТ УСТРОЙСТВ ЗАЖИГАНИЯ БЕЗ КЛЮЧА

1Артикул: 6804336, KIT Keyless Ignition - W/Ref. 2-8
2Артикул: KEYLESS, KEYLESS IGNITION NLA - W/Ref. 4 - 8 - Order KIt Ref. 1 - Was6672768 - A
3Артикул: 6900547, INSTRUCTIONS
Подробнее >
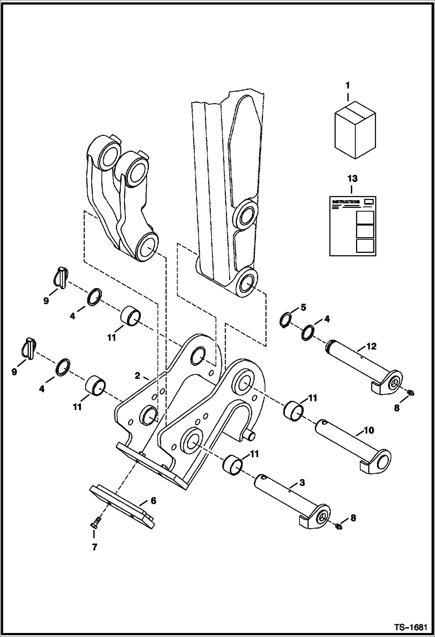
СМЕННЫЙ (ОПОРА)(КРЕПЛЕНИЕ)

СМЕННЫЙ (ОПОРА)(КРЕПЛЕНИЕ)

1Артикул: 6736191, KIT pin on
2Артикул: 6733852, MOUNT
3Артикул: 6902422, INSTRUCTIONS
Подробнее >
КРЕПЛЕНИЕ СМЕННЫХ КОВШЕЙ (ПРИВАРЕННЫЙ)

КРЕПЛЕНИЕ СМЕННЫХ КОВШЕЙ (ПРИВАРЕННЫЙ)

1Артикул: KIT,, KIT, X-CHANGE NLA - Ref. 2 & 3 - Order components - Was SALES #6715193 - D
2Артикул: 6715194, FRAME Was 6714194 - D
3Артикул: 6900523, INSTRUCTIONS
Подробнее >
КОМПЛЕКТ ДЛЯ ОСОБОГО ПРИМЕНЕНИЯ (КРЫША НАД СИДЕНЬЕМ ВОДИТЕЛЯ)

КОМПЛЕКТ ДЛЯ ОСОБОГО ПРИМЕНЕНИЯ (КРЫША НАД СИДЕНЬЕМ ВОДИТЕЛЯ)

1Артикул: KIT, KIT NLA - Special application -W/Ref. 2-8, 17 & 18 - Was 6666863 - A
2Артикул: 17C412, BOLT 5
3Артикул: 25E13, WASHER 5
Подробнее >
НАКЛЕЙКИ

НАКЛЕЙКИ

1Артикул: 6900524, KIT, DECAL Includes Ref. 2-32, 35 - 47 & 48
2Артикул: 6594897, DECAL Hook
3Артикул: 6533899, DECAL Arrow
Подробнее >
КОМПЛЕКТ ДВЕРЕЙ КАБИНЫ

КОМПЛЕКТ ДВЕРЕЙ КАБИНЫ

1Артикул: 6803251, KIT Cab Door - W/Ref. 2 - 15
2Артикул: 6667842, BOLT
3Артикул: 6667843, NUT
Подробнее >
КОМПЛЕКТ ДЕФЛЕКТОРОВ СТЕКОЛ (КРЫША НАД СИДЕНИЕМ ВОДИТЕЛЯ С СИСТЕМОЙ ЗАЩИТЫ ПРИ ОПРАКИДЫВАНИИ)

КОМПЛЕКТ ДЕФЛЕКТОРОВ СТЕКОЛ (КРЫША НАД СИДЕНИЕМ ВОДИТЕЛЯ С СИСТЕМОЙ ЗАЩИТЫ ПРИ ОПРАКИДЫВАНИИ)

1Артикул: 6596740, KIT Rainguard
2Артикул: 6806131, WINDOW Was 6595792 - A
3Артикул: 6589675, SCREW
Подробнее >
КРЕПЛЕНИЕ СМЕННЫХ КОВШЕЙ (СЕРИЙНЫЙ НОМЕР 515411001 - 515411489)

КРЕПЛЕНИЕ СМЕННЫХ КОВШЕЙ (СЕРИЙНЫЙ НОМЕР 515411001 - 515411489)

1Артикул: MOUNT, MOUNT NLA - Order 6810247 (1), 6806589 (1), 6802703 (4), 6804969 (2), 6561741 (1 foot), 6536748 (1) and 7CM01435B (1) - Was 6801869 - A
2Артикул: 6671523, BUSHING
3Артикул: 6804525, SPACER Was 6801873 - D
Подробнее >
ГУСЕНИЦЫ РЕЗИНОВЫЕ

ГУСЕНИЦЫ РЕЗИНОВЫЕ

1Артикул: 6692960, TRACK, RUBBER (400X74X73) 16-- BOBCAT factory option
2Артикул: 6678826, TRACK, 16--(400X74X73) factory option
3Артикул: 7024957EF, TRACK,RBR(400X74X73) 16IN EF Was 7024957 - A
Подробнее >
КОМПЛЕКТ ПОДОГРЕВАТЕЛЯ БАКА (240 В)

КОМПЛЕКТ ПОДОГРЕВАТЕЛЯ БАКА (240 В)

1Артикул: 6722575, KIT W/Ref. 2-7
2Артикул: 6649656, HEATER
3Артикул: 6648485, TEE For use on Models 325 & 331 only
Подробнее >
КОМПЛЕКТ ПОДОГРЕВАТЕЛЯ БАКА (120 ВОЛЬТ)

КОМПЛЕКТ ПОДОГРЕВАТЕЛЯ БАКА (120 ВОЛЬТ)

1Артикул: 6722574, KIT W/Ref. 2-7
2Артикул: 6660327, HEATER
3Артикул: 6648485, TEE For use on Models 325 & 331 only
Подробнее >
КОМПЛЕКТ ДЕТАЛЕЙ РАБОЧЕГО ОСВЕЩЕНИЯ

КОМПЛЕКТ ДЕТАЛЕЙ РАБОЧЕГО ОСВЕЩЕНИЯ

1Артикул: 6803676, KIT
2Артикул: 6644980, LIGHT
3Артикул: 6646603, TERMINAL
Подробнее >
ПЕРЕКЛЮЧАТЕЛЬ ПЕРЕДАЧИ С ДВУМЯ СКОРОСТЯМИ

ПЕРЕКЛЮЧАТЕЛЬ ПЕРЕДАЧИ С ДВУМЯ СКОРОСТЯМИ

1Артикул: 6805734, KIT
2Артикул: 6804965, BRACKET
3Артикул: 6673974, ACTUATOR
Подробнее >
ДОПОЛНИТЕЛЬНЫЙ ВСПОМОГАТЕЛЬНЫЙ ЭЛЕКТРОМАГНИТНЫЙ КЛАПАН

ДОПОЛНИТЕЛЬНЫЙ ВСПОМОГАТЕЛЬНЫЙ ЭЛЕКТРОМАГНИТНЫЙ КЛАПАН

1Артикул: 6670766, VALVE W/Ref. 2
2Артикул: BLOCK, BLOCK NSS - Order Ref. 1
3Артикул: 6671025, COIL
Подробнее >
СИГНАЛИЗАТОР ДВИЖЕНИЯ

СИГНАЛИЗАТОР ДВИЖЕНИЯ

1Артикул: 6803987, KIT Motion Alarm - W/Ref. 2 - 14
2Артикул: 6651512, ALARM, BACK-UP Also Order Ref. 15 - Was 6599931 - A
3Артикул: 6661150, SWITCH, ROLLER MICRO
Подробнее >
СМЕННЫЙ КОМПЛЕКТ (ФИКСАЦИЯ) (СЕРИЙНЫЙ НОМЕР 515411490 И ВЫШЕ И 2306 11001 И ВЫШЕ)

СМЕННЫЙ КОМПЛЕКТ (ФИКСАЦИЯ) (СЕРИЙНЫЙ НОМЕР 515411490 И ВЫШЕ И 2306 11001 И ВЫШЕ)

1Артикул: KIT, KIT NLA - Order components
2Артикул: MOUNT, MOUNT NLA - Uses (4) Ref. 3 - Order 6810247 - Was 6807344 - A
3Артикул: 6810247, MOUNT, X-CHANGE Uses (2) Ref. 3 & (2) Ref. 29
Подробнее >
ДОПОЛНИТЕЛЬНЫЙ ВСПОМОГАТЕЛЬНЫЙ КОМПЛЕКТ

ДОПОЛНИТЕЛЬНЫЙ ВСПОМОГАТЕЛЬНЫЙ КОМПЛЕКТ

1Артикул: 6803007, KIT W/ Ref. 2-36
2Артикул: 6564153, ELBOW W/Ref. 39
3Артикул: 6577697, CLAMP Was 6701893 - B
Подробнее >
НАБОР ДЛЯ АРЕНДЫ

НАБОР ДЛЯ АРЕНДЫ

1Артикул: 6715383, KIT Rental - W/Ref. 2 - 8
2Артикул: 6610510, TIE
3Артикул: 6664895, SWITCH Was 6664985 - D
Подробнее >
ГУСЕНИЦЫ (ИЗ СТАЛИ)

ГУСЕНИЦЫ (ИЗ СТАЛИ)

1Артикул: TRACK, TRACK ASSY. NLA - steel - W/Ref. 2-9 - P/N is for(1) track - Order Ref. 14 - Was 6669221
2Артикул: 6676133, LINK RT. - qty. shown for 1 track
3Артикул: 6676132, LINK LT. - qty. shown for 1 track
Подробнее >
КОМПЛЕКТ ДЛИННЫХ РУКОЯТЕЙ (337)

КОМПЛЕКТ ДЛИННЫХ РУКОЯТЕЙ (337)

1Артикул: KIT, KIT Ref. 2-17 - SALES# 6805274 - 337 only - counterweight kit #6805703 should be installed with this kit
2Артикул: 6805271, DECAL Model 337C
3Артикул: 6817058, DECAL Model 337D & 337G
Подробнее >