+7 (701) 588 50 05 Телефон для связи
RU

WhatsApp

Позвонить

АКСЕСCУАРЫ И ОПЦИИ в Алматы

ПАНЕЛЬ ПОЛА

ПАНЕЛЬ ПОЛА

1Артикул: 6505370, PANEL
2Артикул: 25E17, WASHER 5
3Артикул: 17C624, BOLT 5
Подробнее >
ОСЬ И ТОРМОЗ В СБОРЕ

ОСЬ И ТОРМОЗ В СБОРЕ

1Артикул: 6542555, AXLE front
2Артикул: 6515000, SEAL
3Артикул: 6648774, BEARING cone - Outside Hub - Was 743778B - A
Подробнее >
КОМПЛЕКТ УПЛОТНЕНИЙ ОСИ

КОМПЛЕКТ УПЛОТНЕНИЙ ОСИ

1Артикул: 6563442, KIT Ref. 2 - 5
2Артикул: 6515000, SEAL
3Артикул: 6598484, SLEEVE
Подробнее >
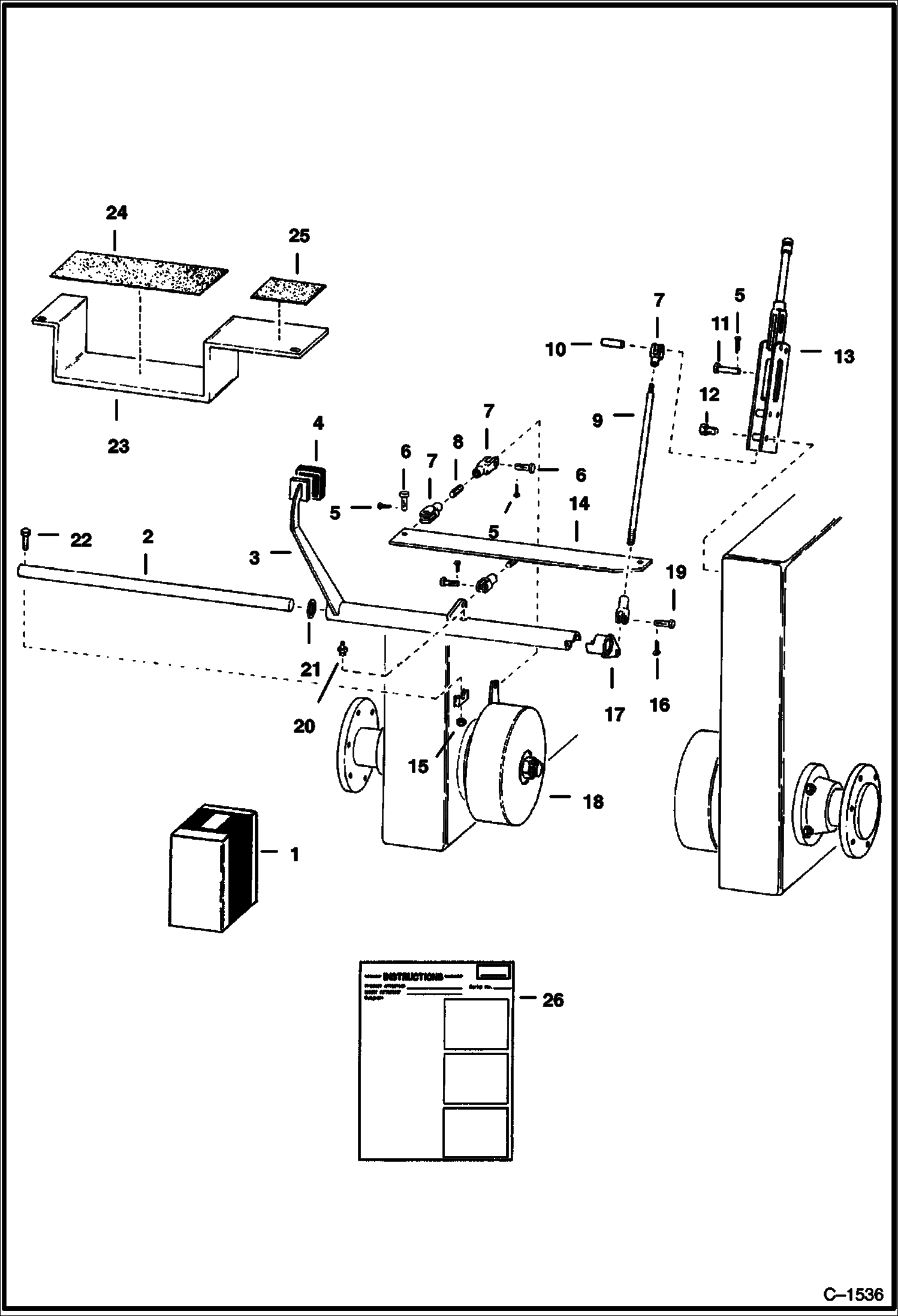
КОМПЛЕКТ ИЗ ТРЕХ ПЕДАЛЕЙ

КОМПЛЕКТ ИЗ ТРЕХ ПЕДАЛЕЙ

1Артикул: 6564041, KIT Ref. 2 - 32
2Артикул: PLATE, PLATE floor NLA - floor - Was 6559940
3Артикул: SHAFT, SHAFT NLA - Was 6502910 - A
Подробнее >
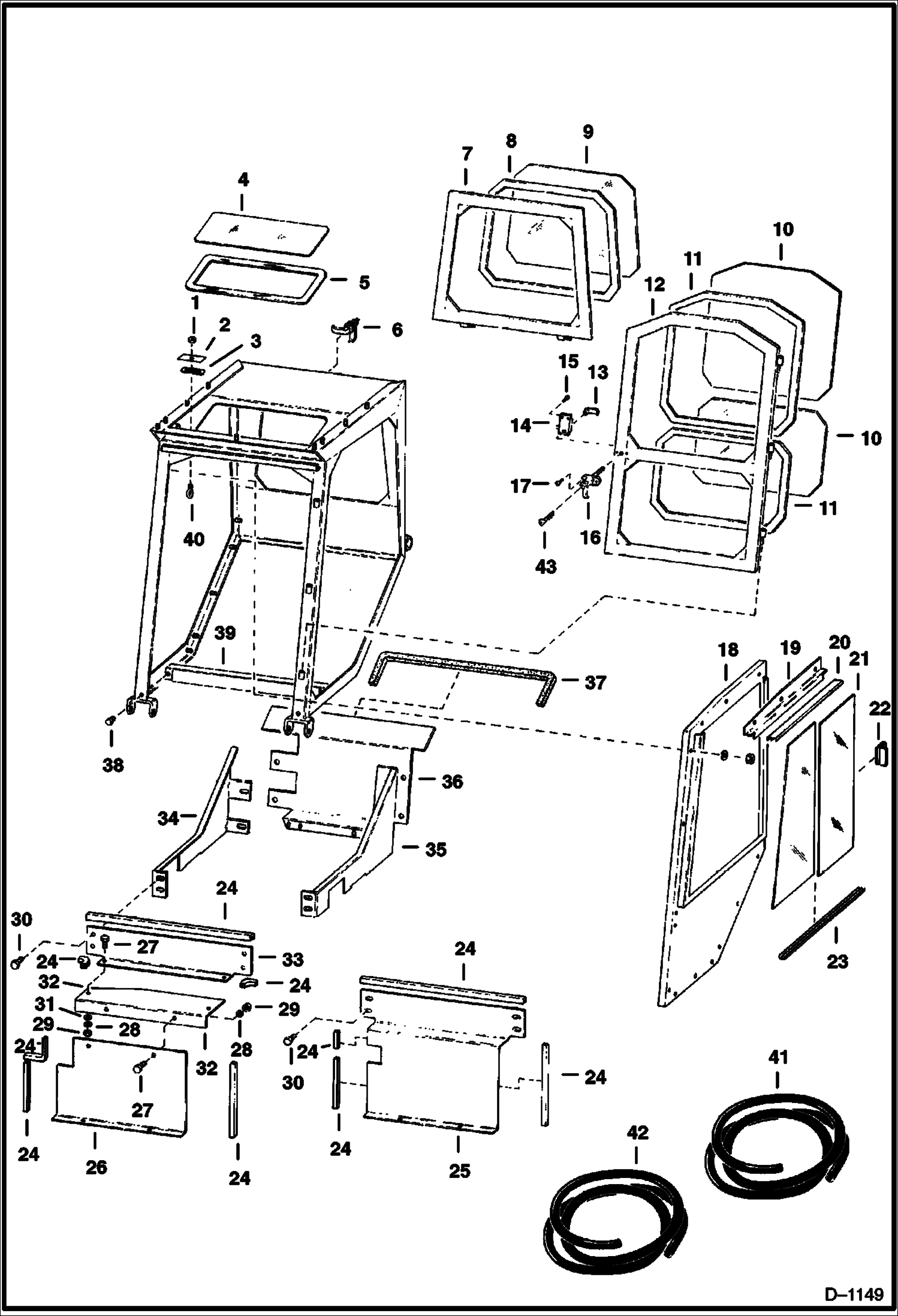
КОРПУС КАБИНЫ

КОРПУС КАБИНЫ

1Артикул: 81D4, NUT
2Артикул: PLATE, PLATE NSS
3Артикул: STRIP, STRIP NSS - weather
Подробнее >
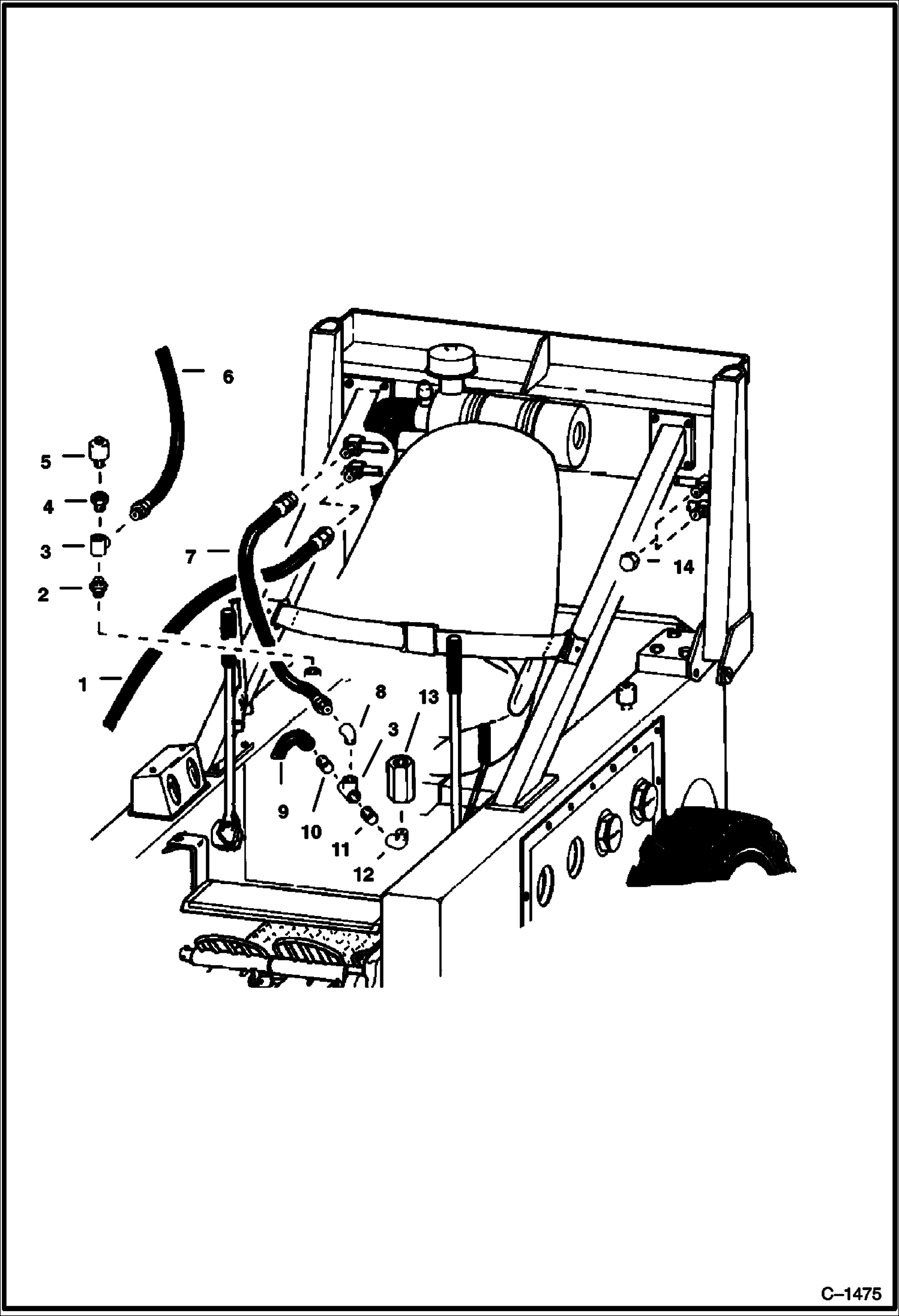
СХЕМА ГИДРАВЛИЧЕСКОЙ СИСТЕМЫ ФРОНТАЛЬНОГО ПОГРУЗЧИКА

СХЕМА ГИДРАВЛИЧЕСКОЙ СИСТЕМЫ ФРОНТАЛЬНОГО ПОГРУЗЧИКА

1Артикул: 6506654, HOSE
2Артикул: NIPPLE, NIPPLE NLA - Was 550358B - A
3Артикул: TEE, TEE NLA - Was 18F000004B - A
Подробнее >
ШИНЫ И ДИСКИ

ШИНЫ И ДИСКИ

1Артикул: TIRE, TIRE NLA - nylon 7 x 15, 6 ply rating steel cap - Was 6515899 - A
2Артикул: TIRE, TIRE NLA - nylon 7 x 15, 6 ply rating steel cap - Dico - Was 6659473 - A
3Артикул: TIRE, TIRE NLA - nylon 7.00 x 15, 6 ply - Was 6665724 - A
Подробнее >
ГЛУШИТЕЛЬ-ОЧИСТИТЕЛЬ

ГЛУШИТЕЛЬ-ОЧИСТИТЕЛЬ

1Артикул: BOLT, BOLT NLA - Was 17C008120B - A
2Артикул: COUNTERWEIGHT, COUNTERWEIGHT
3Артикул: COUNTERWEIGHT, COUNTERWEIGHT NLA - Was 6503571 - A
Подробнее >
КОЛЕСНАЯ ЗАЩИТА

КОЛЕСНАЯ ЗАЩИТА

1Артикул: 61D8, NUT 5
2Артикул: 4E8, WASHER
3Артикул: PLATE, PLATE NLA - guard - Was 6503130 - A
Подробнее >
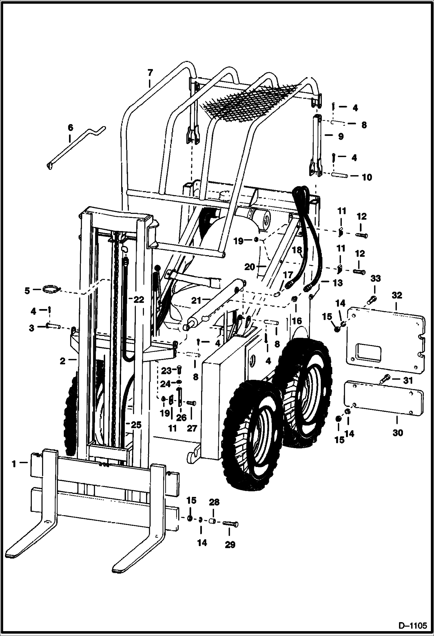
ФРОНТАЛЬНЫЙ ПОГРУЗЧИК

ФРОНТАЛЬНЫЙ ПОГРУЗЧИК

1Артикул: FORK, FORK See Illustration VERTICAL MAST/ C1269
2Артикул: MAST, MAST See Illustration VERTICAL MAST/ C1269
3Артикул: 6506655, PIN
Подробнее >
ПРОЖЕКТОРЫ

ПРОЖЕКТОРЫ

1Артикул: 6548694, KIT lights - Ref. 2 - 15
2Артикул: 17C616, BOLT 5
3Артикул: 4E6, WASHER
Подробнее >
СТРОБОСКОПЫ ЯНТАРНЫЙ - 2414ALW

СТРОБОСКОПЫ ЯНТАРНЫЙ - 2414ALW

1Артикул: KIT, KIT NLA - strobe light - Ref. 2 - 13 - Order 6587526
2Артикул: LENS, LENS NSS - amber
3Артикул: LENS, LENS NSS - blue - Not In Kit
Подробнее >
ВСПОМОГАТЕЛЬНАЯ ГИДРОСИСТЕМА УСТАНОВКА СТРЕЛЫ - БЛОК УПРАВЛЕНИЯ

ВСПОМОГАТЕЛЬНАЯ ГИДРОСИСТЕМА УСТАНОВКА СТРЕЛЫ - БЛОК УПРАВЛЕНИЯ

1Артикул: 6548690, KIT lift arm mounted - Ref. 2 - 18
2Артикул: 6547483, TUBE
3Артикул: 6555658, HOSE
Подробнее >
ЩЕТКА СТЕКЛООЧИСТИТЕЛЯ

ЩЕТКА СТЕКЛООЧИСТИТЕЛЯ

1Артикул: KIT, KIT NLA - Order Ref. 2 - 16
2Артикул: 1744552, ARM
3Артикул: WIRE, WIRE NLA
Подробнее >
ОГНЕТУШИТЕЛЬ

ОГНЕТУШИТЕЛЬ

1Артикул: 6554806, KIT fire extinguisher - Ref. 2 - 5
2Артикул: 6599700, EXTINGUISHER fire
3Артикул: 17C408, BOLT
Подробнее >
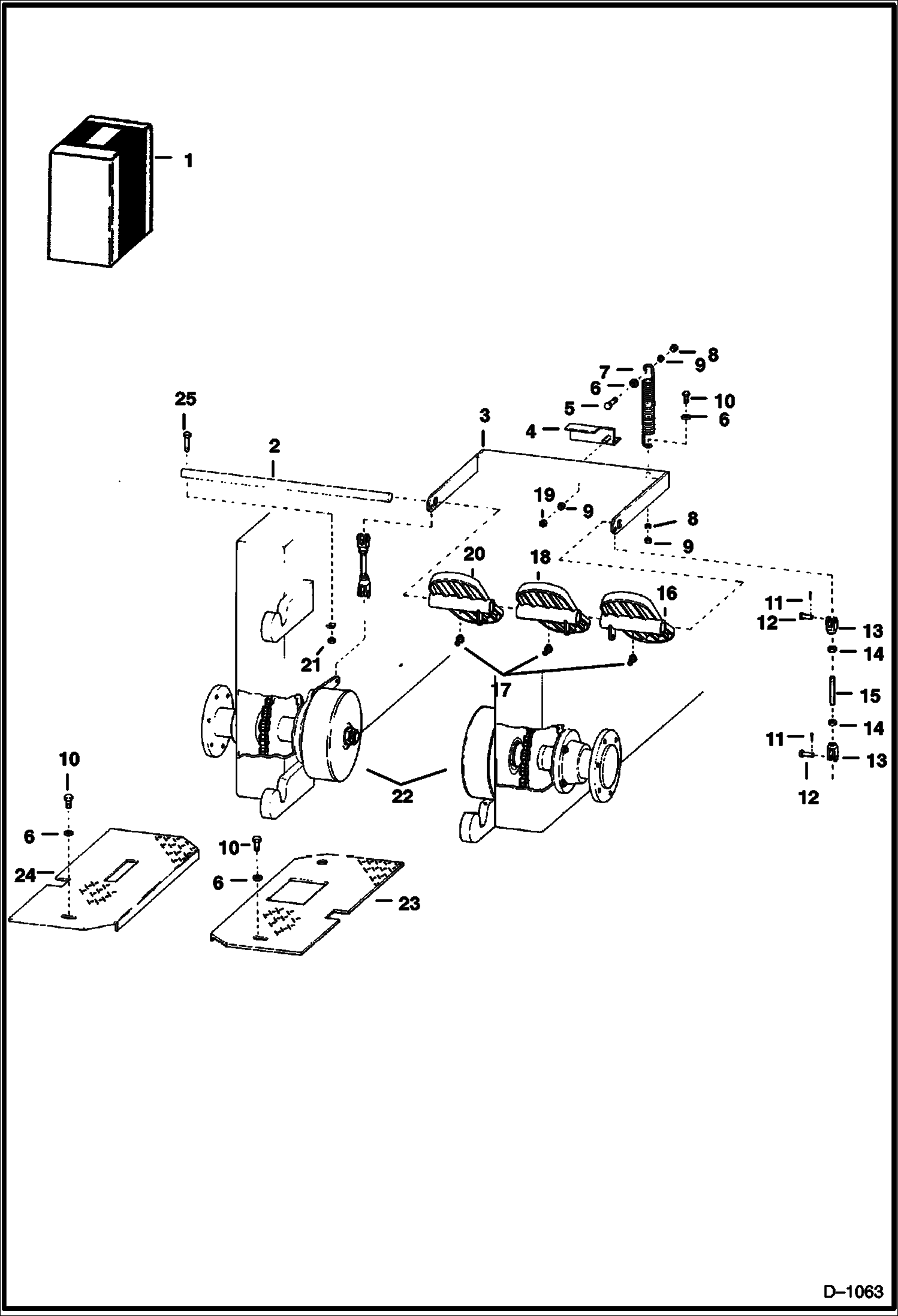
ТОРМОЗА И КРЕПЕЖНЫЕ ДЕТАЛИ

ТОРМОЗА И КРЕПЕЖНЫЕ ДЕТАЛИ

1Артикул: KIT, KIT NLA - brakes
2Артикул: SHAFT, SHAFT NLA - Was 6502910 - A
3Артикул: PEDAL, PEDAL NLA - Was 6501384 - A
Подробнее >
НАКЛЕЙКИ

НАКЛЕЙКИ

1Артикул: KIT, KIT See Illustration DECALS/ D1257 NLA -Ref. 2-17 - decal - Ref. 2-15 on this Illustration - Was 6567806 - A
2Артикул: 6568905, DECAL warning - Was 6564844 - A
3Артикул: 6557412, DECAL RH - Bobcat head
Подробнее >
КРУПНОГАБАРИТНЫЕ ПРЕДМЕТЫ СМ. В ПРИМЕЧАНИИ

КРУПНОГАБАРИТНЫЕ ПРЕДМЕТЫ СМ. В ПРИМЕЧАНИИ

1Артикул: 6902228, PAINT, ORANGE SPRAY CAN 6 original shade
2Артикул: 7305844, PAINT ORANGE SPRAY CAN 6 updated shade
3Артикул: 7251690, PAINT, ORANGE SPRAY CAN 6 original shade - EMEA
Подробнее >
ПРОБЛЕСКОВЫЕ ФАРЫ И ЭЛЕКТРОСХЕМЫ

ПРОБЛЕСКОВЫЕ ФАРЫ И ЭЛЕКТРОСХЕМЫ

1Артикул: KIT, KIT NLA - flasher light - Order Ref. 2 - 9
2Артикул: 6517918, CONNECTOR
3Артикул: WIRE, WIRE NLA
Подробнее >
КОМПЛЕКТ ГЕНЕРАТОРА ПЕРЕМЕННОГО ТОКА

КОМПЛЕКТ ГЕНЕРАТОРА ПЕРЕМЕННОГО ТОКА

1Артикул: 6506492, KIT
2Артикул: WIRE, WIRE NLA - Was 6509822 - A
3Артикул: 17C616, BOLT 5
Подробнее >
ПОГРУЗЧИК БАЛАНСОВОЙ ДРЕВЕСИНЫ И КРЕПЕЖНЫЕ ДЕТАЛИ

ПОГРУЗЧИК БАЛАНСОВОЙ ДРЕВЕСИНЫ И КРЕПЕЖНЫЕ ДЕТАЛИ

1Артикул: 17C616, BOLT 5
2Артикул: 25E17, WASHER 5
3Артикул: GUARD, GUARD NLA - air intake - Was 6501430 - A
Подробнее >
СИГНАЛ ЗАДНЕГО ХОДА

СИГНАЛ ЗАДНЕГО ХОДА

1Артикул: 6548657, KIT Ref. 2 - 18
2Артикул: 6541995, GUARD switch
3Артикул: 6632973, SWITCH back-up - Was 600259B - A
Подробнее >
ВЕРТИКАЛЬНАЯ МАЧТА

ВЕРТИКАЛЬНАЯ МАЧТА

1Артикул: 6506642, MAST 10 ft. (3048 mm) lift - Ref. 11, 24 & 29-34
2Артикул: 6506693, MAST 12 ft. (3657,6 mm) lift - Ref. 11, 24 & 29-34
3Артикул: 6515349, RETAINER
Подробнее >
КЛАКСОН И ЭЛЕКТРОСХЕМЫ

КЛАКСОН И ЭЛЕКТРОСХЕМЫ

1Артикул: KIT, KIT NLA - horn - Order Ref. 2 - 5 & 10
2Артикул: 6512807, GAUGE ammeter - Was 6515558 - A
3Артикул: WIRE, WIRE NLA
Подробнее >
ГИДРОЦИЛИНДР ПОДЪЕМА ФРОНТАЛЬНЫЙ ПОГРУЗЧИК

ГИДРОЦИЛИНДР ПОДЪЕМА ФРОНТАЛЬНЫЙ ПОГРУЗЧИК

1Артикул: 6515321, CYLINDER Ref. 2 - 12
2Артикул: 6515322, CYLINDER Ref. 2 - 12
3Артикул: CASE, CASE NLA - lift cylinder
Подробнее >
ЦИЛИНДРА НАКЛОНА ФРОНТАЛЬНЫЙ ПОГРУЗЧИК

ЦИЛИНДРА НАКЛОНА ФРОНТАЛЬНЫЙ ПОГРУЗЧИК

1Артикул: 6506652, CYLINDER Ref. 2 - 7 & 9 - 15
2Артикул: CASE, CASE NLA
3Артикул: 92D12, NUT See BTI126 Was 86D000012B - A
Подробнее >
ПОДЪЕМНЫЙ КРЮК

ПОДЪЕМНЫЙ КРЮК

1Артикул: KIT, KIT NLA - lift hook - Order Ref. 2 - 5
2Артикул: 25E8, WSHR
3Артикул: HOOK, HOOK NLA - Was 6504698 - A
Подробнее >
ОСТАНОВ ПОДЪЕМНОЙ РУКОЯТИ

ОСТАНОВ ПОДЪЕМНОЙ РУКОЯТИ

1Артикул: LOCK, LOCK NLA - Order 6563336
2Артикул: 6504729, BRACKET
3Артикул: 6515499, PIN
Подробнее >
ТОРМОЗА

ТОРМОЗА

1Артикул: KIT, KIT See Illustration AXLE & BRAKE ASSEMBLY/ C1378 NLA - Ref. 11, 13, 16-20, 23 & 26 - brakes - Order Ref. 2-9, 12-17 & 21-26 on this Illustration - Was 6547224 - A
2Артикул: SHAFT, SHAFT NLA - Was 6502910 - A
3Артикул: 6544372, PEDAL
Подробнее >
КАСКА С ЗАЩИТОЙ ОТ ШУМА

КАСКА С ЗАЩИТОЙ ОТ ШУМА

1Артикул: 6902390, HARD HAT WHITE Was 6559552 - A
2Артикул: EARMUFFS, EARMUFFS NLA - Use 6902394 - Was 6559775 - A
Подробнее >
ОТВОДНОЙ СЦЕПНОЙ ПРИБОР

ОТВОДНОЙ СЦЕПНОЙ ПРИБОР

1Артикул: 6505053, PIN
2Артикул: DRAWBAR, DRAWBAR NLA - W/Ref. 1 & 3-6 - Was 6504731 - A
3Артикул: 61D10, NUT
Подробнее >
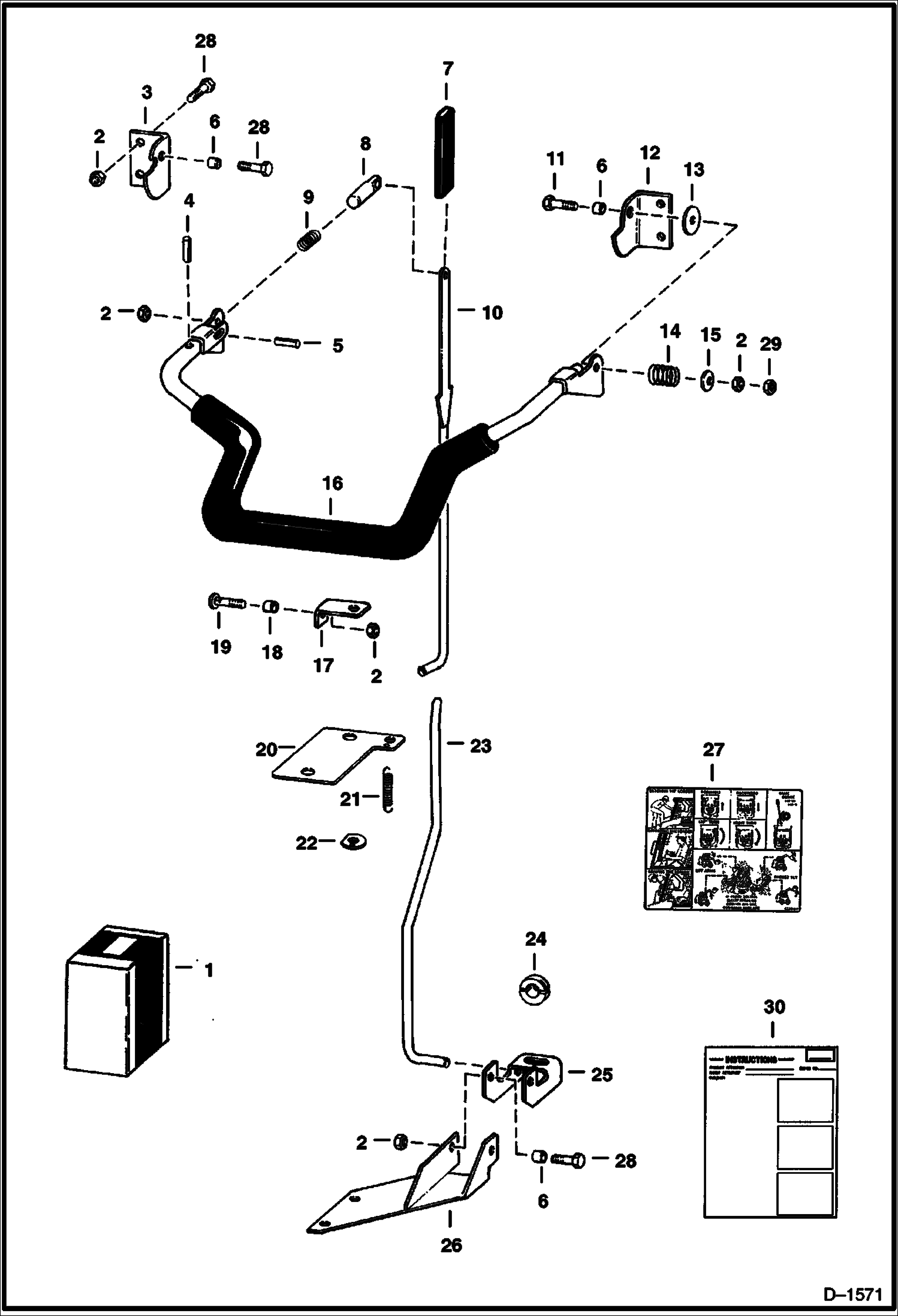
КОМПЛЕКТ ОПОРЫ СИДЕНЬЯ

КОМПЛЕКТ ОПОРЫ СИДЕНЬЯ

1Артикул: KIT, KIT NLA - Seat Bar - Ref. 2-30 - Order Components - Was 6563666 - A
2Артикул: 85D6, NUT, 5
3Артикул: 6563198, BRACKET pivot
Подробнее >
СТРОБОСКОПЫ ЯНТАРНЫЙ - 3414ALW

СТРОБОСКОПЫ ЯНТАРНЫЙ - 3414ALW

1Артикул: KIT, KIT NLA - strobe light - Ref. 2 - 11 - Order 6697795 kit - Was 6587526 - A
2Артикул: 6697795, STROBE KIT Ref. 2-11 - 4200 series light - 12 jewel
3Артикул: AMBER, AMBER LENS NLA - Use W/Ref. 1 (NLA/ 6587526 kit) - Order 6697797 amber lens - Was 6665021 - A
Подробнее >