+7 (701) 588 50 05 Телефон для связи
RU

WhatsApp

Позвонить

АКСЕСCУАРЫ И ОПЦИИ в Алматы

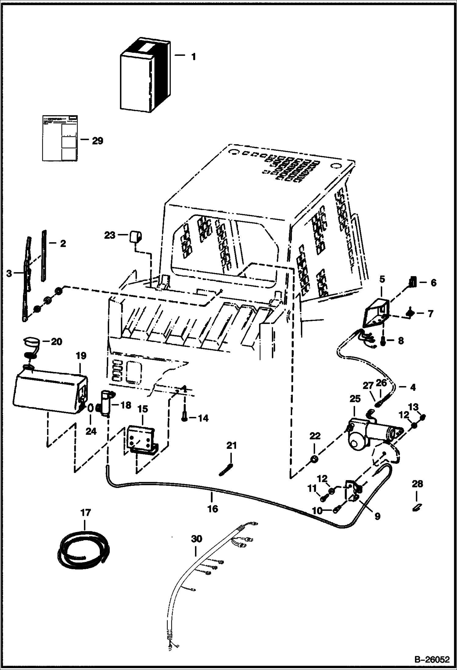
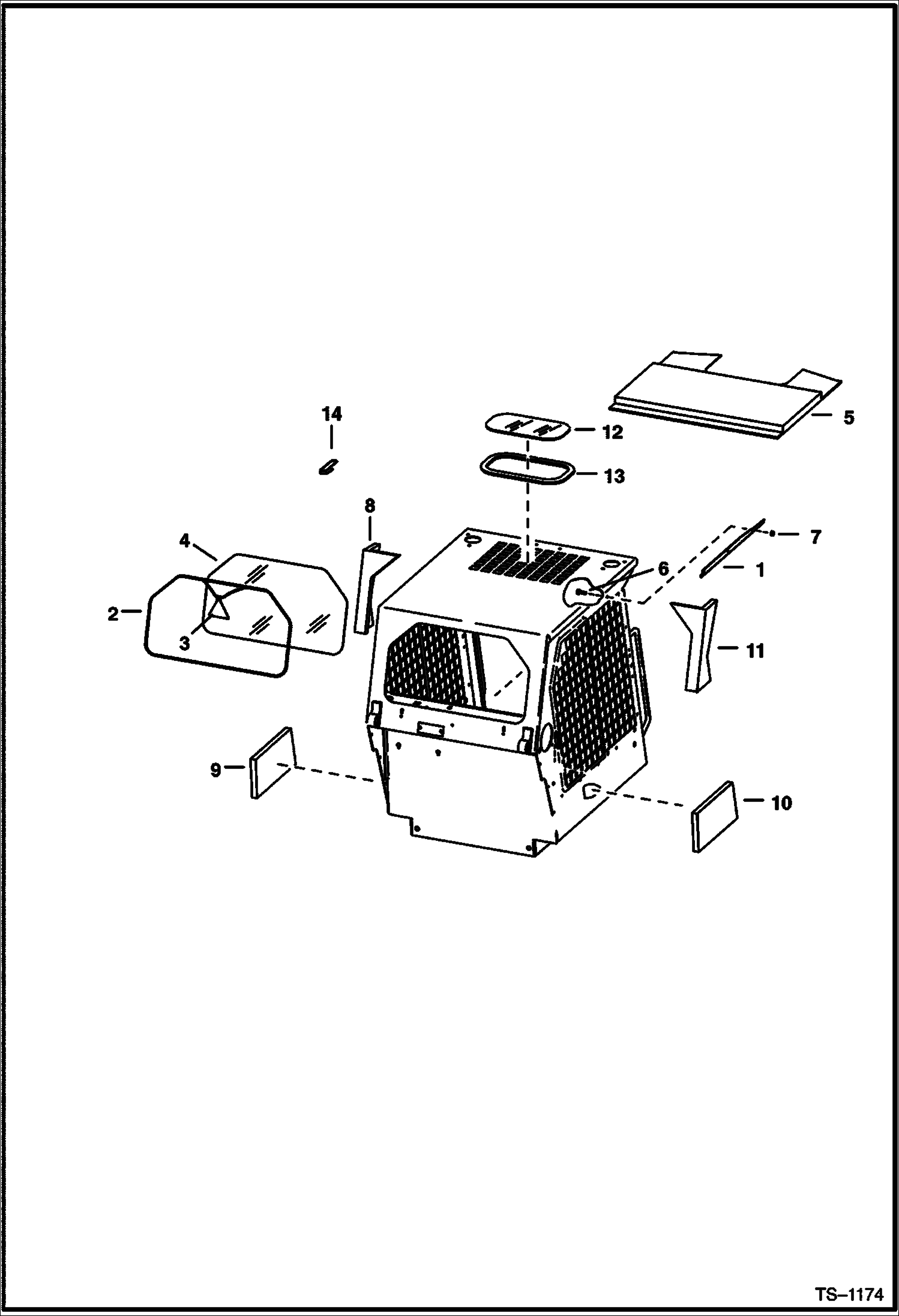
ФУНКЦИЯ ШУМОПОГЛОЩЕНИЯ

ФУНКЦИЯ ШУМОПОГЛОЩЕНИЯ

1Артикул: 6631549, HOOK Scotchmate
2Артикул: 6631548, LOOP Scotchmate
3Артикул: 6702731, WINDOW, CAB cab
Подробнее >
СИГНАЛ ЗАДНЕГО ХОДА

СИГНАЛ ЗАДНЕГО ХОДА

1Артикул: 7130125, KIT Backup alarm - Ref. 2-24 - Was 6708572 - A
2Артикул: 6577545, GROMMET
3Артикул: 6651512, ALARM, BACK-UP Was 6599931 - A
Подробнее >
СИГНАЛЬНЫЙ МАЯЧОК

СИГНАЛЬНЫЙ МАЯЧОК

1Артикул: 6712692, BEACON KIT Ref. 2-10
2Артикул: 6712696, STROBE KIT Ref. 2-10
3Артикул: 6665022, FLASH TUBE bulb - 3-pin rectangle base
Подробнее >
КОМПЛЕКТ ВСПОМОГАТЕЛЬНОЙ ГИДРАВЛИКИ

КОМПЛЕКТ ВСПОМОГАТЕЛЬНОЙ ГИДРАВЛИКИ

1Артикул: 6715321, KIT aux. hyd. - Ref. 2-4, 6-24
2Артикул: 6713171, TUBE
3Артикул: 6713172, TUBE
Подробнее >
КОМПЛЕКТ УСТРОЙСТВ ОСВЕЩЕНИЯ (ФРОНТАЛЬНЫЙ И ЗАДНИЙ)

КОМПЛЕКТ УСТРОЙСТВ ОСВЕЩЕНИЯ (ФРОНТАЛЬНЫЙ И ЗАДНИЙ)

1Артикул: 6714985, LIGHT KIT W/Ref. 2-24
2Артикул: 6519548, CONNECTOR
3Артикул: 6577801, LIGHT W/Ref. 4-7
Подробнее >
КОМПЛЕКТ БОКОВОЙ ПАНЕЛИ

КОМПЛЕКТ БОКОВОЙ ПАНЕЛИ

1Артикул: 6712700, KIT side console
2Артикул: 6665314, PLUG rocker switch - Was 6719038 - A
3Артикул: 6669091, CLIP
Подробнее >
ЕВРОПЕЙСКОЕ ДОПОЛНИТЕЛЬНОЕ ОБОРУДОВАНИЕ (ТОРМОЗ)

ЕВРОПЕЙСКОЕ ДОПОЛНИТЕЛЬНОЕ ОБОРУДОВАНИЕ (ТОРМОЗ)

1Артикул: 6666932, BRAKE W/Ref. 2-12
2Артикул: 6669154, BOLT
3Артикул: 6669155, PLATE
Подробнее >
ОБОГРЕВАТЕЛЬ (СВЕЖИЙ ВОЗДУХ)

ОБОГРЕВАТЕЛЬ (СВЕЖИЙ ВОЗДУХ)

1Артикул: HEATER, HEATER GROUP See Illustration HEATER KIT/ PE3049 For complete heater kit order 7113324
2Артикул: 6660894, HARNESS W/Ref. 37 & 38
3Артикул: 6512067, GROMMET
Подробнее >
КОМПЛЕКСТ КЛАПАНОВ РЕГУЛИРОВКИ ПОЛОЖЕНИЯ КОВША

КОМПЛЕКСТ КЛАПАНОВ РЕГУЛИРОВКИ ПОЛОЖЕНИЯ КОВША

1Артикул: 6708169, KIT Ref. 2 - 17
2Артикул: VALVE, VALVE See Illustration BUCKET POSITIONING VALVE/ MS1943 NLA - Order 6673959 valve - If loader is not equipped with an on/off switch, order 6647784 plug, 79K8 O-ring, 6647785 spring, & 6647783 load check- Was 6666341 - A
3Артикул: 79K10, O RING 10 for flat boss face
Подробнее >
КОМПЛЕКТ ХОМУТОВ ШЛАНГА (НИЖНИЕ ПОДЪЕМНЫЕ РУКОЯТИ)

КОМПЛЕКТ ХОМУТОВ ШЛАНГА (НИЖНИЕ ПОДЪЕМНЫЕ РУКОЯТИ)

1Артикул: 6700168, KIT Ref. 2-5
2Артикул: 17C652, BOLT
3Артикул: 6563353, CLAMP
Подробнее >
ДВЕРЦА КАБИНЫ (ЛЕВОСТОРОННЯЯ ПРИКРЕПЛЯЕТЬСЯ НА ПЕТЛЯХ)

ДВЕРЦА КАБИНЫ (ЛЕВОСТОРОННЯЯ ПРИКРЕПЛЯЕТЬСЯ НА ПЕТЛЯХ)

1Артикул: 6708973, KIT door - Ref. 2-4, 6-29, 32-35, 37-43, 45, 48-55, 57, 60 & 61 - Also Order Ref. 59
2Артикул: KIT, KIT SALES - door - special applications - Ref. 4, 5, 7-17, 21, 24-37, 40-51, 54-56, 60&61-Also Order Ref. 59
3Артикул: 30H37, CLAMP
Подробнее >
ЗАМОК ЗАДНЕЙ ДВЕРИ

ЗАМОК ЗАДНЕЙ ДВЕРИ

1Артикул: 6732001, KIT lock - Ref. 2-5
2Артикул: 6670726, CYLINDER, LOCK
3Артикул: KEY, KEY NLA - ignition & rear door - includes two keys W/ring - Order 6693241- Was 6709527 - A
Подробнее >
КОМПЛЕКТ ДАТЧИКА УКАЗАТЕЛЯ УРОВНЯ ВОДЫ

КОМПЛЕКТ ДАТЧИКА УКАЗАТЕЛЯ УРОВНЯ ВОДЫ

1Артикул: 6571700, KIT water level sensor - Ref. 2-4
2Артикул: 6632471, WATER SEN Was 6632954 - D
3Артикул: ALARM, ALARM NSS
Подробнее >
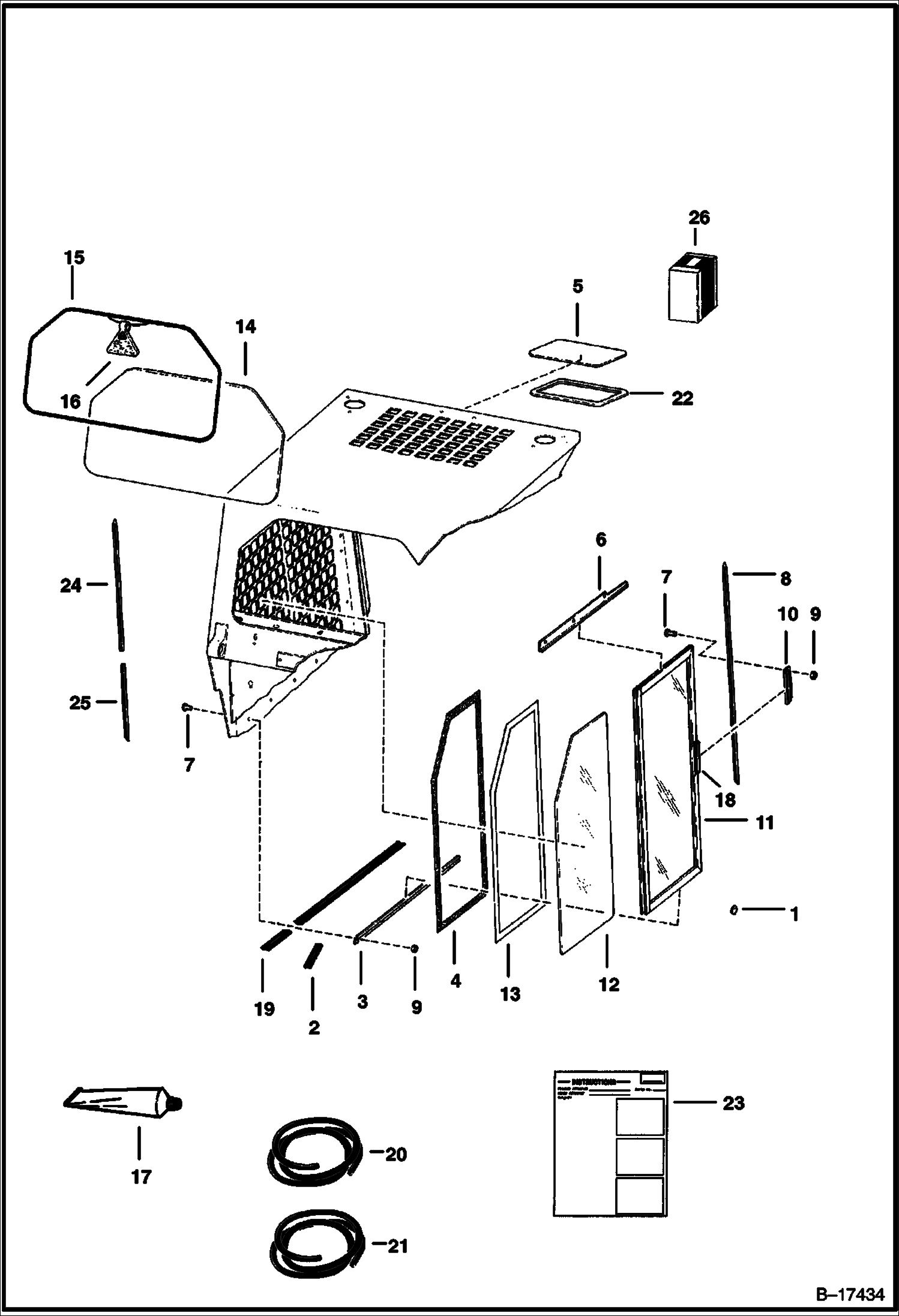
ОКНА КАБИНЫ (КОМПЛЕКТ ИНСТРУМЕНТОВ ДЛЯ СНЯТИЯ ЗАДНЕГО СТЕКЛА)

ОКНА КАБИНЫ (КОМПЛЕКТ ИНСТРУМЕНТОВ ДЛЯ СНЯТИЯ ЗАДНЕГО СТЕКЛА)

1Артикул: 6726392, KIT Ref. 2 - 4
2Артикул: 6726391, HANDLE
3Артикул: 6726393, DECAL
Подробнее >
ЕВРОПЕЙСКОЕ ДОПОЛНИТЕЛЬНОЕ ОБОРУДОВАНИЕ (ФАРЫ)

ЕВРОПЕЙСКОЕ ДОПОЛНИТЕЛЬНОЕ ОБОРУДОВАНИЕ (ФАРЫ)

1Артикул: 1DM6, NUT
2Артикул: 6519548, CONNECTOR
3Артикул: 6557904, FLASHER
Подробнее >
ОКНА КАБИНЫ

ОКНА КАБИНЫ

1Артикул: 6632265, PLUG button
2Артикул: 6513152, SEAL bulk - sold per foot
3Артикул: 6661689, TRACK LH
Подробнее >
СИДЕНЬЕ С ПОДВЕСКОЙ (GRAMMER)

СИДЕНЬЕ С ПОДВЕСКОЙ (GRAMMER)

1Артикул: 6632388, SEAT
2Артикул: 3737010, CUSHION, SEAT seat
3Артикул: 3737081, CUSHION, SEAT BACK VINYL backrest
Подробнее >
ФУНКЦИЯ ШУМОПОГЛОЩЕНИЯ (90 ДЕЦИБЕЛ)

ФУНКЦИЯ ШУМОПОГЛОЩЕНИЯ (90 ДЕЦИБЕЛ)

1Артикул: 6703159, TRACK RH
2Артикул: 6703160, TRACK LH
3Артикул: 6675387, EXTRUSION bulk - sold per foot - Was 6675386 - D
Подробнее >
КОМПЛЕКТ ОПОРЫ СИДЕНЬЯ (ПЕРЕДНЕЕ ПОЛОЖЕНИЕ - НАЖИМНАЯ ПРУЖИНА)

КОМПЛЕКТ ОПОРЫ СИДЕНЬЯ (ПЕРЕДНЕЕ ПОЛОЖЕНИЕ - НАЖИМНАЯ ПРУЖИНА)

1Артикул: 6714285, KIT Ref. 2 - 20
2Артикул: 6716779, SEAT BAR W/Ref. 15
3Артикул: 6710659, BUSHING
Подробнее >
КАСКА С ЗАЩИТОЙ ОТ ШУМА

КАСКА С ЗАЩИТОЙ ОТ ШУМА

1Артикул: 6902390, HARD HAT WHITE Was 6559552 - A
2Артикул: EARMUFFS, EARMUFFS NLA - Use 6902394 - Was 6559775 - A
Подробнее >
КОРПУС КАБИНЫ (ВИНИЛ)

КОРПУС КАБИНЫ (ВИНИЛ)

1Артикул: 6565270, VINYL CAB W/Ref. 2-4 - fastens inside of cab W/the use of velcro
2Артикул: 6660340, VINYL CAB W/Ref. 2 & 3 - fits over cab
3Артикул: 6599721, DOOR vinyl - W/ hinges
Подробнее >
ЧЕХЛЫ СИДЕНИЙ (СИДЕНЬЕ С ОТДЕЛКОЙ ИЗ ИСКУССТВЕННОЙ КОЖИ)

ЧЕХЛЫ СИДЕНИЙ (СИДЕНЬЕ С ОТДЕЛКОЙ ИЗ ИСКУССТВЕННОЙ КОЖИ)

1Артикул: 7260106, COVER, SEAT See Illustration SEAT/ B14720 - Use W/ 6669135 seat
2Артикул: 7260107, COVER, SEAT HEATED See Illustration SEAT/ B14720 - Use W/ 6669135 seat
Подробнее >
ВЕРХНЯЯ ЧАСТЬ БЛОКА ДВИГАТЕЛЯ

ВЕРХНЯЯ ЧАСТЬ БЛОКА ДВИГАТЕЛЯ

1Артикул: 6720808, KIT, HEATER ENG BLOCK Ref. 2-4
2Артикул: 19F12, BUSHING
3Артикул: 7021791, CORD, HEATER BLOCK ENG
Подробнее >
КОМПЛЕКТ КЛАКСОНОВ

КОМПЛЕКТ КЛАКСОНОВ

1Артикул: 6708548, HORN KIT Ref. 2 - 11
2Артикул: 25E21, WASHER 5
3Артикул: 6660294, HORN
Подробнее >
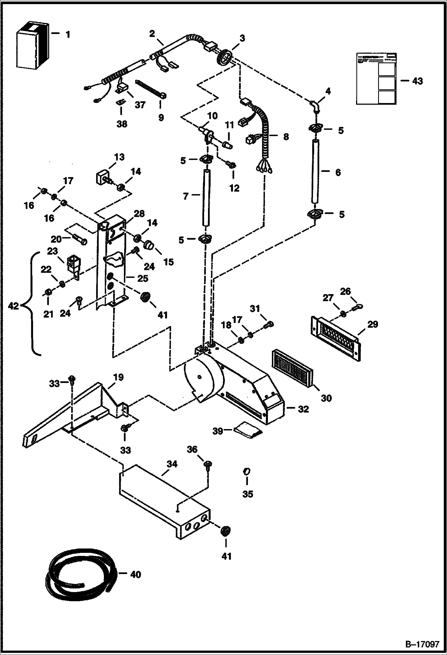
ОБОГРЕВАТЕЛЬ (СВЕЖИЙ ВОЗДУХ)

ОБОГРЕВАТЕЛЬ (СВЕЖИЙ ВОЗДУХ)

1Артикул: 6669689, HEATER Ref. 2 - 26 - W/rear hole in blower wheel housing & 2.5-- (63,5 mm) thick heater core
2Артикул: 6641056, GROMMET
3Артикул: 6660874, HOUSING heater
Подробнее >
КОМПЛЕКТ ОБОГРЕВАТЕЛЕЙ

КОМПЛЕКТ ОБОГРЕВАТЕЛЕЙ

1Артикул: 7113324, KIT, HEATER W/Ref. 2 - 32 - Includes plumbing parts
2Артикул: 6732199, GASKET thermostat
3Артикул: 6660930, THUMBSCREW
Подробнее >
НАБОР ДЛЯ АРЕНДЫ

НАБОР ДЛЯ АРЕНДЫ

1Артикул: 6712750, KIT W/Ref. 2-24
2Артикул: 6552906, BRACKET
3Артикул: 6567968, WIRE assy.
Подробнее >
НАКЛЕЙКИ

НАКЛЕЙКИ

1Артикул: 6900508, KIT decal
2Артикул: 6560573, DECAL spark arrestor
3Артикул: 6589739, DECAL diesel fuel
Подробнее >
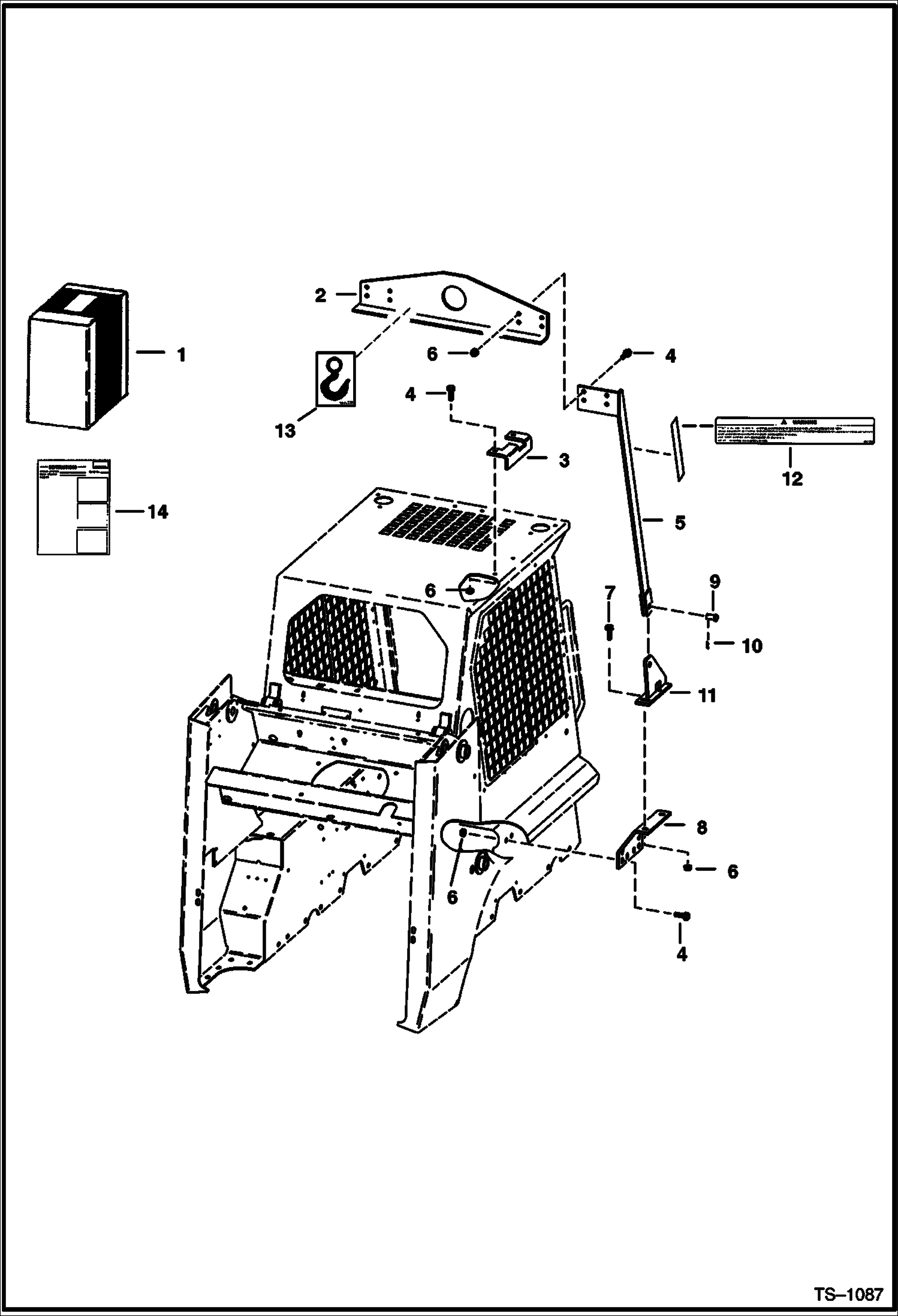
КОМПЛЕКТ МЕХАНИЗМОВ ПОДЪЕМА

КОМПЛЕКТ МЕХАНИЗМОВ ПОДЪЕМА

1Артикул: 6704153, KIT Ref. 2-14
2Артикул: 6567827, ANGLE
3Артикул: 6704154, BRACKET L.H.
Подробнее >
КОРПУС КАБИНЫ (ЛЕВОСТОРОННЯЯ ПРИКРЕПЛЯЕТЬСЯ НА ПЕТЛЯХ)

КОРПУС КАБИНЫ (ЛЕВОСТОРОННЯЯ ПРИКРЕПЛЯЕТЬСЯ НА ПЕТЛЯХ)

1Артикул: 6708702, KIT, ENCLOSURE CAB Ref. 2-68 - Was SALES - A
2Артикул: 6708703, KIT, SPECIAL APPS does not include wiper - Was SALES - A
3Артикул: 6707225, WINDOW .25-- thick - safety glass - for standard door
Подробнее >
УДЛИНИТЕЛИ ПЕДАЛЕЙ

УДЛИНИТЕЛИ ПЕДАЛЕЙ

1Артикул: PEDAL, PEDAL NLA - extender - Order Ref. 5 & (3) each of Ref. 6-8 - Was 6713115 - A
2Артикул: 6713116, BUSHING
3Артикул: 17C516, BOLT
Подробнее >
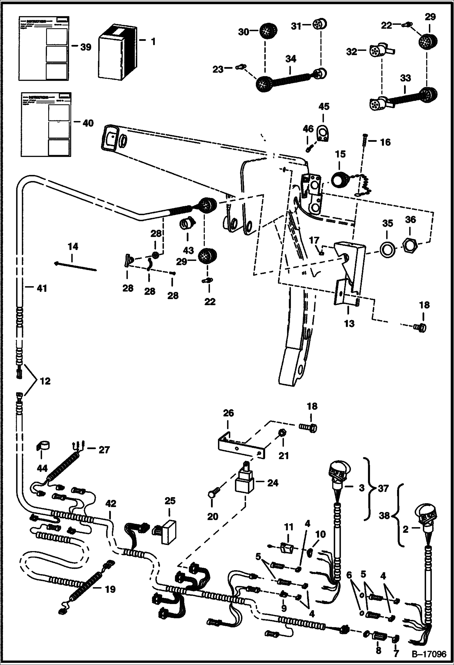
КОМПЛЕКТ ЭЛЕКТРИЧЕСКИХ РЕГУЛЯТОРОВ (НАВЕСНОЕ ОБОРУДОВАНИЕ)

КОМПЛЕКТ ЭЛЕКТРИЧЕСКИХ РЕГУЛЯТОРОВ (НАВЕСНОЕ ОБОРУДОВАНИЕ)

1Артикул: KIT, KIT SALES - controls - W/handles - Ref. 2-29 SALES #6706824
2Артикул: 6706340, HANDLE ASSY. R.H. - Also Order Ref. 4, 5, 7 & 8
3Артикул: 6640690, PIN
Подробнее >
КОМПЛЕКТ ЗАДНИХ СТЕКЛООЧИСТИТЕЛЕЙ КАБИНЫ

КОМПЛЕКТ ЗАДНИХ СТЕКЛООЧИСТИТЕЛЕЙ КАБИНЫ

1Артикул: 6711531, KIT Rear Wiper - Ref. 2-29
2Артикул: 6665688, BLADE
3Артикул: 6665687, ARM
Подробнее >
ШИНЫ И КОЛЕСНЫЕ ДИСКИ (СПЛОШНАЯ ШИНА - IATCO)

ШИНЫ И КОЛЕСНЫЕ ДИСКИ (СПЛОШНАЯ ШИНА - IATCO)

1Артикул: TIRE, TIRE & RIM NLA - Assy - R.H. - 27 x 80.50 - 15 - Was 6667901 - A
2Артикул: TIRE, TIRE & RIM NLA - Assy. - L.H. - 27 x 8.50-15 - Was 6667902 - A
3Артикул: 6670556, KIT Box of (9) segments - with Ref. 4 - 6
Подробнее >
СИДЕНЬЕ С ПОДВЕСКОЙ (МИЧИГАН)

СИДЕНЬЕ С ПОДВЕСКОЙ (МИЧИГАН)

1Артикул: 6674019, SEAT Ref. 2 - 23 -Also Order Ref. 24 & 25
2Артикул: 6672715, SPACER
3Артикул: 6672738, NUT
Подробнее >
СТРОБОСКОПЫ (ЯНТАРНЫЙ - 3414 ALW)

СТРОБОСКОПЫ (ЯНТАРНЫЙ - 3414 ALW)

1Артикул: KIT, KIT NLA - strobe light - Ref. 2 - 11 - Order 6697795 kit - Was 6587526 - A
2Артикул: 6697795, STROBE KIT Ref. 2-11 - 4200 series light - 12 jewel
3Артикул: AMBER, AMBER LENS NLA - Use W/Ref. 1 (NLA/ 6587526 kit) - Order 6697797 amber lens - Was 6665021 - A
Подробнее >
КРЫШКА (ЗАЛИВНАЯ КРЫШКА ГИДРАВЛИЧЕСКОГО БАКА)

КРЫШКА (ЗАЛИВНАЯ КРЫШКА ГИДРАВЛИЧЕСКОГО БАКА)

1Артикул: 6708469, KIT Ref. 2-4
2Артикул: 6707939, COVER
3Артикул: 6700704, BUSHING
Подробнее >
СИДЕНИЕ С ПОДВЕСКОЙ (MILSCO)

СИДЕНИЕ С ПОДВЕСКОЙ (MILSCO)

1Артикул: 6674019, SEAT Ref. 2-30 - Also order Ref. 31 & 32
2Артикул: 6650226, SEAT CUSHION W/Ref. 3
3Артикул: 6650231, CLIP
Подробнее >
ОГНЕТУШИТЕЛЬ

ОГНЕТУШИТЕЛЬ

1Артикул: KIT, KIT NLA - fire extinguisher - Ref. 2-5 - Was 6565793 - A
2Артикул: EXTINGUISHER, EXTINGUISHER NLA - fire - Was 6630100 - A
3Артикул: 45G1008, BOLT
Подробнее >
КОМПЛЕКТ УПЛОТНЕНИЙ ОСИ

КОМПЛЕКТ УПЛОТНЕНИЙ ОСИ

1Артикул: 6568974, KIT
2Артикул: 6660126, SEAL
3Артикул: 6631420, SLEEVE
Подробнее >
КРУПНОГАБАРИТНЫЕ ПРЕДМЕТЫ (СМОТРИТЕ ПРИМЕЧАНИЕ)

КРУПНОГАБАРИТНЫЕ ПРЕДМЕТЫ (СМОТРИТЕ ПРИМЕЧАНИЕ)

1Артикул: 6902228, PAINT, ORANGE SPRAY CAN 6 original shade
2Артикул: 7305844, PAINT ORANGE SPRAY CAN 6 updated shade
3Артикул: 7251690, PAINT, ORANGE SPRAY CAN 6 original shade - EMEA
Подробнее >
ЕВРОПЕЙСКОЕ ДОПОЛНИТЕЛЬНОЕ ОБОРУДОВАНИЕ

ЕВРОПЕЙСКОЕ ДОПОЛНИТЕЛЬНОЕ ОБОРУДОВАНИЕ

1Артикул: KIT, KIT NLA - W/Ref. 2 - 32 - Was 6709374 - A
2Артикул: 6710471, CALIPER MOUNT
3Артикул: 6709236, MOUNT
Подробнее >
ПРОБЛЕСКОВЫЕ ФАРЫ

ПРОБЛЕСКОВЫЕ ФАРЫ

1Артикул: 6558076, KIT Flasher - Ref. 2 - 12
2Артикул: 614142, SLEEVE 10
3Артикул: 6515131, TERMINAL
Подробнее >
ШИНЫ И ДИСКИ

ШИНЫ И ДИСКИ

1Артикул: TIRE, TIRE NLA - 6 Ply Rating, 8.50 x 15-Goodyear - order 6729895 - Was 6700002 - A
2Артикул: TIRE, TIRE NLA - 4 Ply Rating, 8.50 x 15 Super Traction - Firestone - order 6729895 - Was 6559160 - A
3Артикул: 6729895, TIRE 4 Ply rating - 8.50 x 15 - Dico Brand - Was 6578507 - A
Подробнее >
РЕМЕНЬ БЕЗОПАСНОСТИ (3-- ШИРОКИЙ)

РЕМЕНЬ БЕЗОПАСНОСТИ (3-- ШИРОКИЙ)

1Артикул: 6703640, KIT W/Ref. 2-5 & 7-9
2Артикул: 6703703, GUIDE
3Артикул: 6630207, RIVET 5
Подробнее >
4-КОМПЛЕКТ ПРОБЛЕСКОВЫХ СИГНАЛОВ

4-КОМПЛЕКТ ПРОБЛЕСКОВЫХ СИГНАЛОВ

1Артикул: 6712698, KIT Ref. 2-22
2Артикул: 7160765, NUT Was 6660988 - A
3Артикул: 6668815, SWITCH hazard
Подробнее >
КОМПЛЕКТ КРЫШЕК КРЕПЛЕНИЯ САЛАЗОК СИДЕНЬЯ

КОМПЛЕКТ КРЫШЕК КРЕПЛЕНИЯ САЛАЗОК СИДЕНЬЯ

1Артикул: 6712184, KIT W/Ref. 2-4
2Артикул: 6711729, COVER
3Артикул: 6711730, STRIP
Подробнее >
УСТРОЙСТВО ЗАЖИГАНИЯ БЕЗ КЛЮЧА

УСТРОЙСТВО ЗАЖИГАНИЯ БЕЗ КЛЮЧА

1Артикул: 6712972, KIT Keyless Ignition - W/Ref. 2-8
2Артикул: MODULE, MODULE NSS - Order Ref. 1
3Артикул: 35C410, BOLT 5
Подробнее >