+7 (701) 588 50 05 Телефон для связи
RU

WhatsApp

Позвонить

АКСЕСCУАРЫ И ОПЦИИ в Алматы

ПРОБЛЕСКОВЫЕ МАЯЧКИ КАБИНЫ, РАБОЧЕЕ ОБОРУДОВАНИЕ, РАСПОЛОЖЕННОЕ СЗАДИ

ПРОБЛЕСКОВЫЕ МАЯЧКИ КАБИНЫ, РАБОЧЕЕ ОБОРУДОВАНИЕ, РАСПОЛОЖЕННОЕ СЗАДИ

1Артикул: 101994301CC, SAFETY STROBE LIGHT ROOF MOUNT replacement parts are available from: Curtis Tractor Cab, Inc., 111 Higgins St., Worcester, Ma. 01606, ph. # (508)853-2200, fax # (800)876-9104
2Артикул: 101994801CC, WORK LIGHTS, SET OF 2 replacement parts are available from: Curtis Tractor Cab, Inc., 111 Higgins St., Worcester, Ma. 01606, ph. # (508)853-2200, fax # (800)876-9104
Подробнее >
КОМПЛЕКТ ЗАЩИТНОГО ПОКРЫТИЯ КУЗОВА

КОМПЛЕКТ ЗАЩИТНОГО ПОКРЫТИЯ КУЗОВА

1Артикул: AM1235101CC, KIT, BEDLINER W/Ref. 2-5
2Артикул: LINER,, LINER, BED NLA - Order AM1235101CC Kit, bedliner - Was AM1234901CC - A
3Артикул: LINER,, LINER, TAILGATE NLA - Order AM1235101CC Kit, bedliner - Was AM1235001CC - A
Подробнее >
ПОВЕРХНОСТНЫЙ СЛОЙ КУЗОВА

ПОВЕРХНОСТНЫЙ СЛОЙ КУЗОВА

1Артикул: 101770202CC, BED MAT - CARRYALL 2 2100
2Артикул: 101770203CC, BED MAT 2100S
Подробнее >
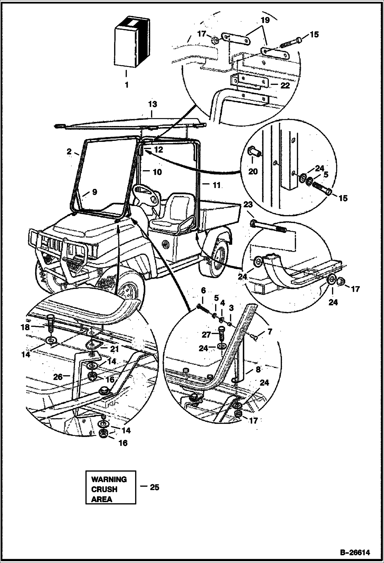
КОМПЛЕКТ КАБИНЫ (МОДУЛЬНЫЙ)

КОМПЛЕКТ КАБИНЫ (МОДУЛЬНЫЙ)

1Артикул: 102262901CC, KIT, CAB ENCLOSURE W/Ref. 2-53 -ADAPTER KIT # 102263301CC AND SEAT BELT KIT # 102264501CC ARE ALSO NEEDED TO INSTALL THIS CAB- replacement parts are available from: Curtis Tractor Cab, Inc, 111 Higgins St., Worcester, MA 01606, ph. (508) 853-2200, fax # (800) 876-9104
2Артикул: ROOF, ROOF NLA - available from Curtis Tractor Cab
3Артикул: WINDSHIELD, WINDSHIELD NLA - available from Curtis Tractor Cab
Подробнее >
НАКЛЕЙКИ

НАКЛЕЙКИ

1Артикул: 102335801CC, DECAL Bobcat - driver side
2Артикул: 102335901CC, BOBCAT DECAL Bobcat - passenger side
3Артикул: 101547601CC, DECAL gasoline warning
Подробнее >
КОМПЛЕКТ КРЫШ НАД СИДЕНЬЕМ ВОДИТЕЛЯ 2100S

КОМПЛЕКТ КРЫШ НАД СИДЕНЬЕМ ВОДИТЕЛЯ 2100S

1Артикул: 102352102CC, CANOPY black- also order Ref. 2- support kit
2Артикул: 102352101CC, CANOPY WHITE white- also order Ref. 2 - support kit
3Артикул: 102354701CC, STRUT KIT W/Ref. 3-24
Подробнее >
НАБОР МОНТАЖНО-ПОДГОНОЧНЫХ ИНСТРУМЕНТОВ ДЛЯ КАБИНЫ

НАБОР МОНТАЖНО-ПОДГОНОЧНЫХ ИНСТРУМЕНТОВ ДЛЯ КАБИНЫ

1Артикул: 102263301CC, ADAPTER KIT,CAB (CA 272 STYLE) W/Ref. 2 -10 - this kit is needed to install cab kit # 102262901CC- replacement parts are available from: Curtis Tractor Cab, Inc. 111 Higgins St., Worcester, Ma. 01606, ph # (508)853-2200- fax #(800)876-9104
2Артикул: FRONT, FRONT COWL NLA - available from Curtis Tractor Cab
3Артикул: REAR, REAR PANEL NLA - available from Curtis Tractor Cab
Подробнее >
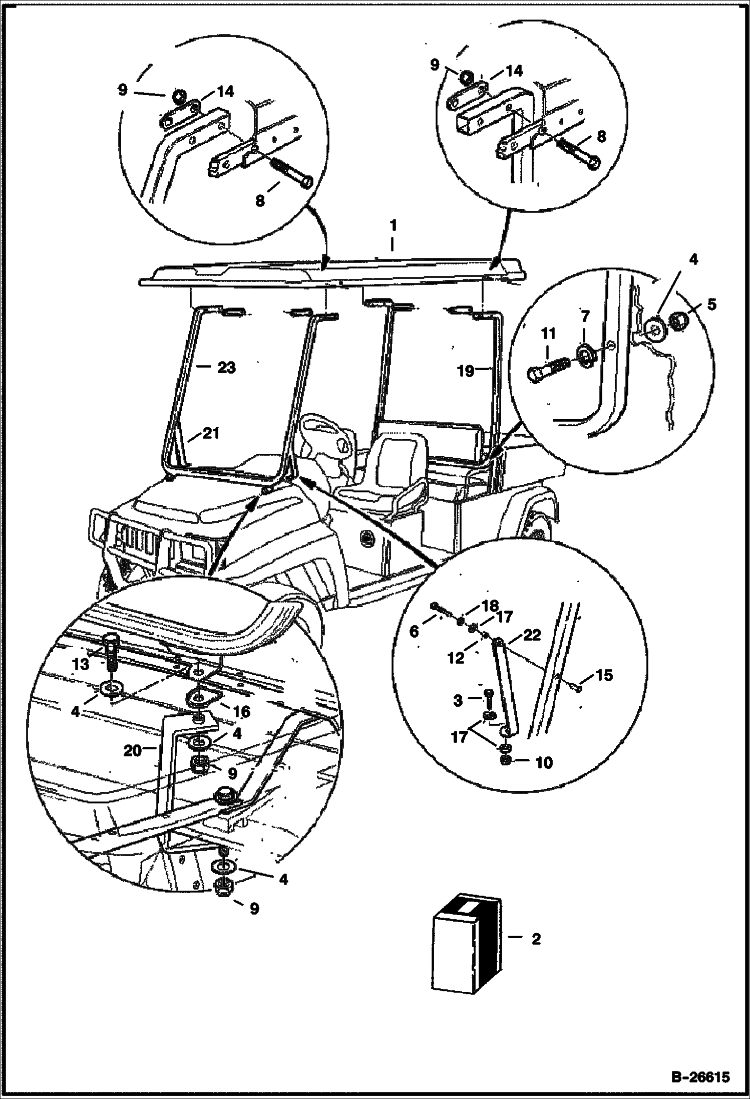
КОМПЛЕКТ КРЫШ НАД СИДЕНЬЕМ ВОДИТЕЛЯ

КОМПЛЕКТ КРЫШ НАД СИДЕНЬЕМ ВОДИТЕЛЯ

1Артикул: 102076201CC, CANOPY KIT, BLACK, CA 272 W/Ref. 2-28
2Артикул: WINDSHIELD, WINDSHIELD FRAME NSS-(gloss black) - W/Ref. 3-9 - Order Ref. 1
3Артикул: 1010237CC, BUSHING
Подробнее >