+7 (701) 588 50 05 Телефон для связи
RU

WhatsApp

Позвонить

АКСЕСCУАРЫ И ОПЦИИ в Алматы

НАКЛЕЙКИ

НАКЛЕЙКИ

1Артикул: KIT, KIT See Illustration DECALS/ E1131 NLA - Ref. 2-14 - decal - Ref. 2-12 on this page - Was 6567873 - A
2Артикул: 6561384, DECAL gasoline fill
3Артикул: 6557227, DECAL fuel
Подробнее >
ОГНЕТУШИТЕЛЬ

ОГНЕТУШИТЕЛЬ

1Артикул: 6554806, KIT fire extinguisher - Ref. 2 - 5
2Артикул: 1908806, EXT AND BRKT
3Артикул: 17C408, BOLT
Подробнее >
КОРПУС КАБИНЫ

КОРПУС КАБИНЫ

1Артикул: KIT, KIT NLA - cab enclosure - Ref. 2 - 31
2Артикул: 61D6, NUT 5
3Артикул: 25E18, WASHER
Подробнее >
СТРОБОСКОПЫ ЯНТАРНЫЙ - 3414ALW

СТРОБОСКОПЫ ЯНТАРНЫЙ - 3414ALW

1Артикул: KIT, KIT NLA - strobe light - Ref. 2 - 11 - Order 6697795 kit - Was 6587526 - A
2Артикул: 6697795, STROBE KIT Ref. 2-11 - 4200 series light - 12 jewel
3Артикул: AMBER, AMBER LENS NLA - Use W/Ref. 1 (NLA/ 6587526 kit) - Order 6697797 amber lens - Was 6665021 - A
Подробнее >
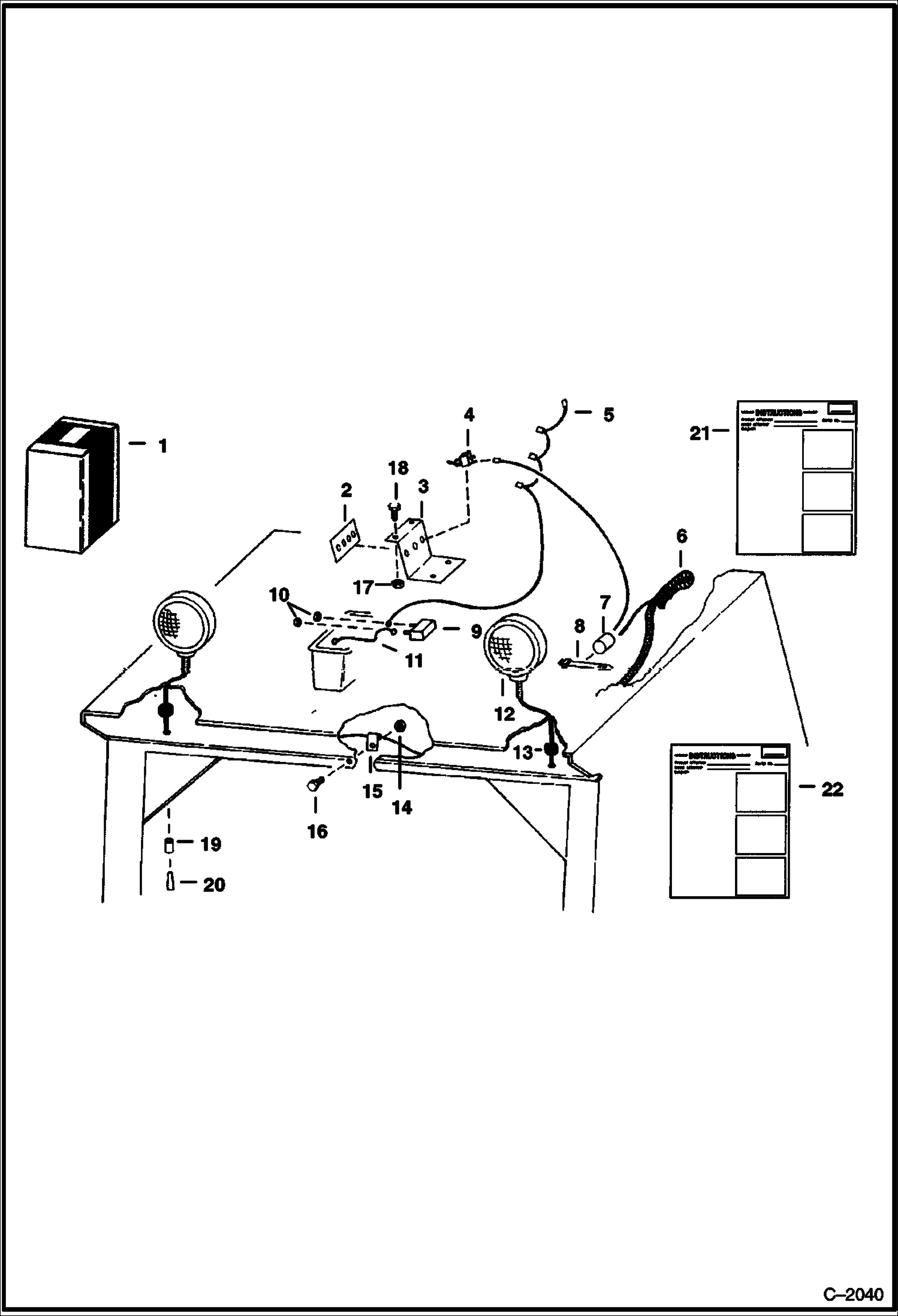
ПРОЖЕКТОРЫ

ПРОЖЕКТОРЫ

1Артикул: 6554802, KIT lights - Ref. 2 - 10, 13, 17 & 24
2Артикул: 6554800, KIT accessory components - Ref. 11, 12, 14 - 24 & 25
3Артикул: 62D6, NUT 5
Подробнее >
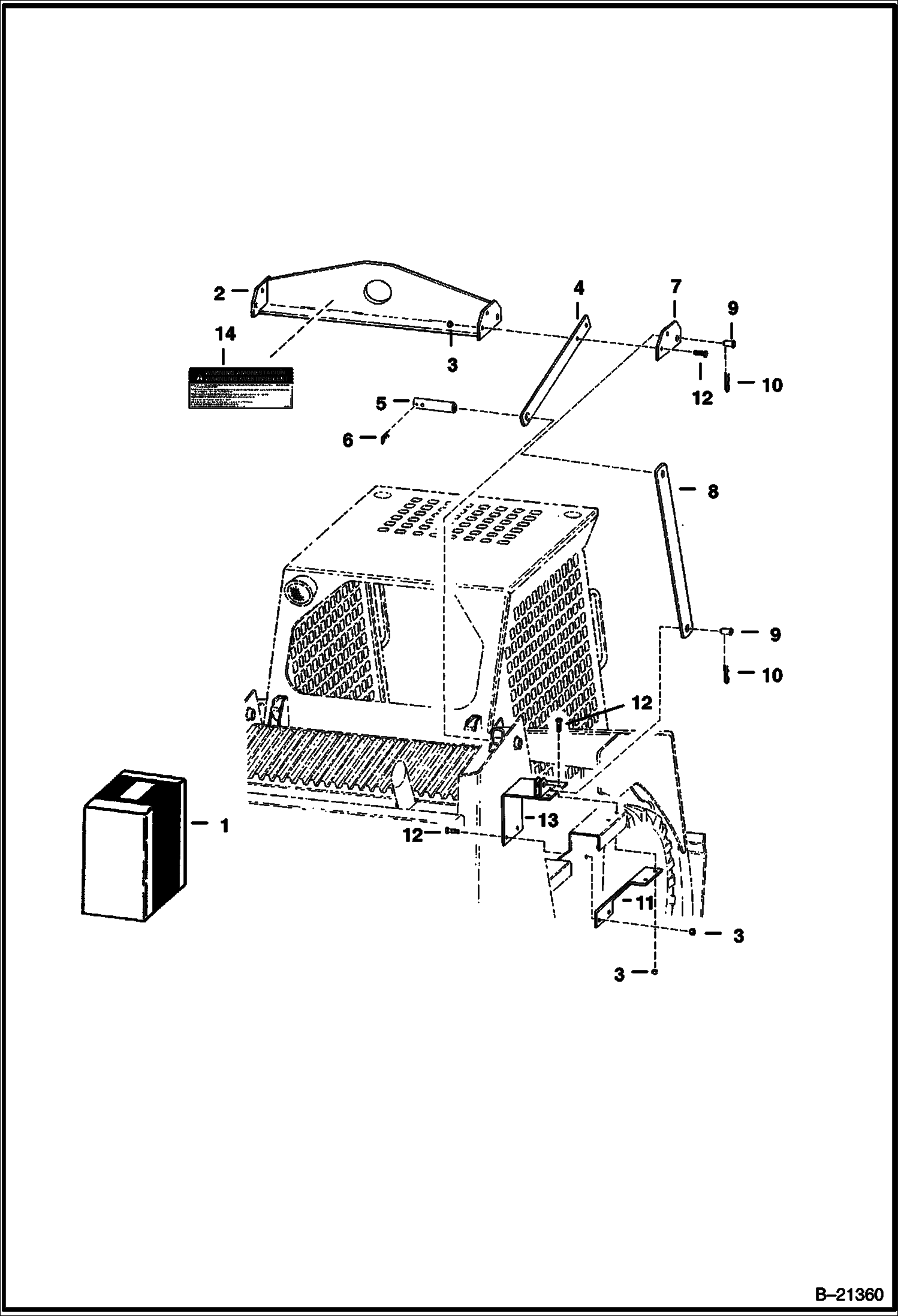
СТРАХОВОЧНЫЕ ПОРУЧНИ

СТРАХОВОЧНЫЕ ПОРУЧНИ

1Артикул: 6561371, KIT Ref. 2 & 3
2Артикул: 17C512, BOLT 5
3Артикул: 6558504, HANDLE
Подробнее >
ОСТАНОВ ПОДЪЕМНОЙ РУКОЯТИ

ОСТАНОВ ПОДЪЕМНОЙ РУКОЯТИ

1Артикул: 6563501, KIT Ref. 2 - 7
2Артикул: 6563449, STOP W/Ref. 4
3Артикул: 6563603, BRACKET
Подробнее >
КАБИНА ОПЕРАТОРА

КАБИНА ОПЕРАТОРА

1Артикул: 6563029, KIT cab - Ref. 8 - 15
2Артикул: 17C836, BOLT
3Артикул: 6553709, WASHER
Подробнее >
ВСПОМОГАТЕЛЬНЫЕ ГИДРАВЛИЧЕСКИЕ МЕХАНИЗМЫ ПЕРЕДНИЙ

ВСПОМОГАТЕЛЬНЫЕ ГИДРАВЛИЧЕСКИЕ МЕХАНИЗМЫ ПЕРЕДНИЙ

1Артикул: KIT, KIT NLA - aux. hydr. - Ref. 2-24 & 26 - 32 - Order components
2Артикул: 6553454, HOSE
3Артикул: 6554148, TUBE
Подробнее >
КОМПЛЕКТ УПЛОТНЕНИЙ ОСИ

КОМПЛЕКТ УПЛОТНЕНИЙ ОСИ

1Артикул: 6568974, KIT Ref. 2 - 5
2Артикул: 6512114, SEAL Was 6660126 - B
3Артикул: 6631420, SLEEVE
Подробнее >
ЗАДНЕЕ СТЕКЛО

ЗАДНЕЕ СТЕКЛО

1Артикул: KIT, KIT NLA - rear window - Ref. 2 - 8
2Артикул: 6553577, WINDOW
3Артикул: 6731478, TAG EXIT Was 6559515 - A
Подробнее >
ОБОД КОЛЕСА И ШИНЫ

ОБОД КОЛЕСА И ШИНЫ

1Артикул: TIRE, TIRE NLA - nylon, 4 ply rating, 5.70 x 15 bar lug - purchase locally - Was 6551894 - A
2Артикул: TIRE, TIRE NLA - nylon, 4 ply rating, 5.70 x 15 bar lug rock grip - Use 6551894 - Was 6555843 - A
3Артикул: 6559160, TIRE nylon, 4 ply, 8.50 x 15 super traction - Firestone - Was 6552813 - A
Подробнее >
КАСКА С ЗАЩИТОЙ ОТ ШУМА

КАСКА С ЗАЩИТОЙ ОТ ШУМА

1Артикул: 6902390, HARD HAT WHITE Was 6559552 - A
2Артикул: EARMUFFS, EARMUFFS NLA - Use 6902394 - Was 6559775 - A
Подробнее >
СТРОБОСКОПЫ ЯНТАРНЫЙ - 2414ALW

СТРОБОСКОПЫ ЯНТАРНЫЙ - 2414ALW

1Артикул: KIT, KIT NLA - strobe light - Ref. 2 - 13 - Order 6587526
2Артикул: LENS, LENS NSS - amber
3Артикул: LENS, LENS NSS - blue - Not In Kit
Подробнее >
КОМПЛЕКТ ОДНОТОЧЕЧНОГО ПОДЪЕМА

КОМПЛЕКТ ОДНОТОЧЕЧНОГО ПОДЪЕМА

1Артикул: 6568281, KIT Ref. 2 - 14
2Артикул: 6568182, ANGLE
3Артикул: 85D8, NUT, 5
Подробнее >
ПРОБЛЕСКОВЫЕ ФАРЫ

ПРОБЛЕСКОВЫЕ ФАРЫ

1Артикул: KIT, KIT NLA - flasher - Ref. 4, 7, 8, 12, 13 & 21 - Order Components
2Артикул: KIT, KIT NLA - accessory components - Ref. 5, 6, 9-11, 14-18 & 22 - Order Components
3Артикул: 6555381, DECAL
Подробнее >
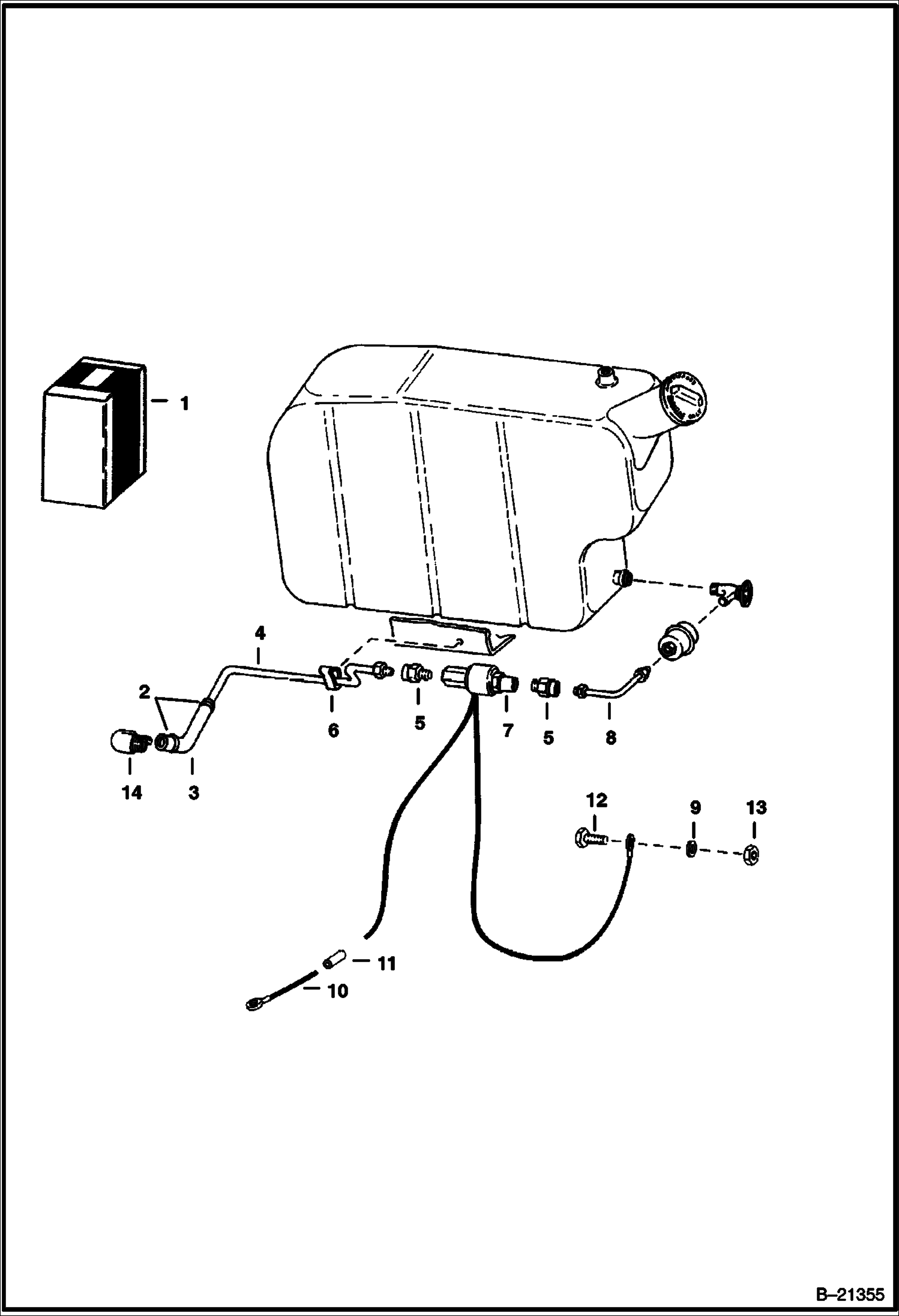
ТОПЛИВНЫЙ ЭЛЕКТРОМАГНИТ

ТОПЛИВНЫЙ ЭЛЕКТРОМАГНИТ

1Артикул: 6559215, KIT fuel solenoid - Ref. 2 - 14 NLA order components
2Артикул: 42HS04, CLAMP, HOSE Was 6515575 - A
3Артикул: 6557832, HOSE
Подробнее >
ОДНОТОЧЕЧНЫЙ ПОДЪЕМ

ОДНОТОЧЕЧНЫЙ ПОДЪЕМ

1Артикул: KIT, KIT NLA - Order 6568281
2Артикул: 61D8, NUT 5
3Артикул: 6560174, ANGLE
Подробнее >
КОМПЛЕКТ ОПОРЫ СИДЕНЬЯ

КОМПЛЕКТ ОПОРЫ СИДЕНЬЯ

1Артикул: 6706796, KIT seat bar - W/Ref. 2 - 14
2Артикул: 6631418, RING, RETAINING
3Артикул: 6664207, GAS SPRING
Подробнее >
КРУПНОГАБАРИТНЫЕ ПРЕДМЕТЫ СМ. В ПРИМЕЧАНИИ

КРУПНОГАБАРИТНЫЕ ПРЕДМЕТЫ СМ. В ПРИМЕЧАНИИ

1Артикул: 6902228, PAINT, ORANGE SPRAY CAN 6 original shade
2Артикул: 7305844, PAINT ORANGE SPRAY CAN 6 updated shade
3Артикул: 7251690, PAINT, ORANGE SPRAY CAN 6 original shade - EMEA
Подробнее >
ДИСКОВЫЙ ТОРМОЗ СЕРИЙНЫЙ НОМЕР 13005 И НИЖЕ

ДИСКОВЫЙ ТОРМОЗ СЕРИЙНЫЙ НОМЕР 13005 И НИЖЕ

1Артикул: KIT, KIT NLA - brake - Ref. 2-23 - Order Components
2Артикул: 6559204, PEDAL
3Артикул: 6554084, ROD
Подробнее >