+7 (701) 588 50 05 Телефон для связи
RU

WhatsApp

Позвонить

АКСЕСCУАРЫ И ОПЦИИ в Алматы

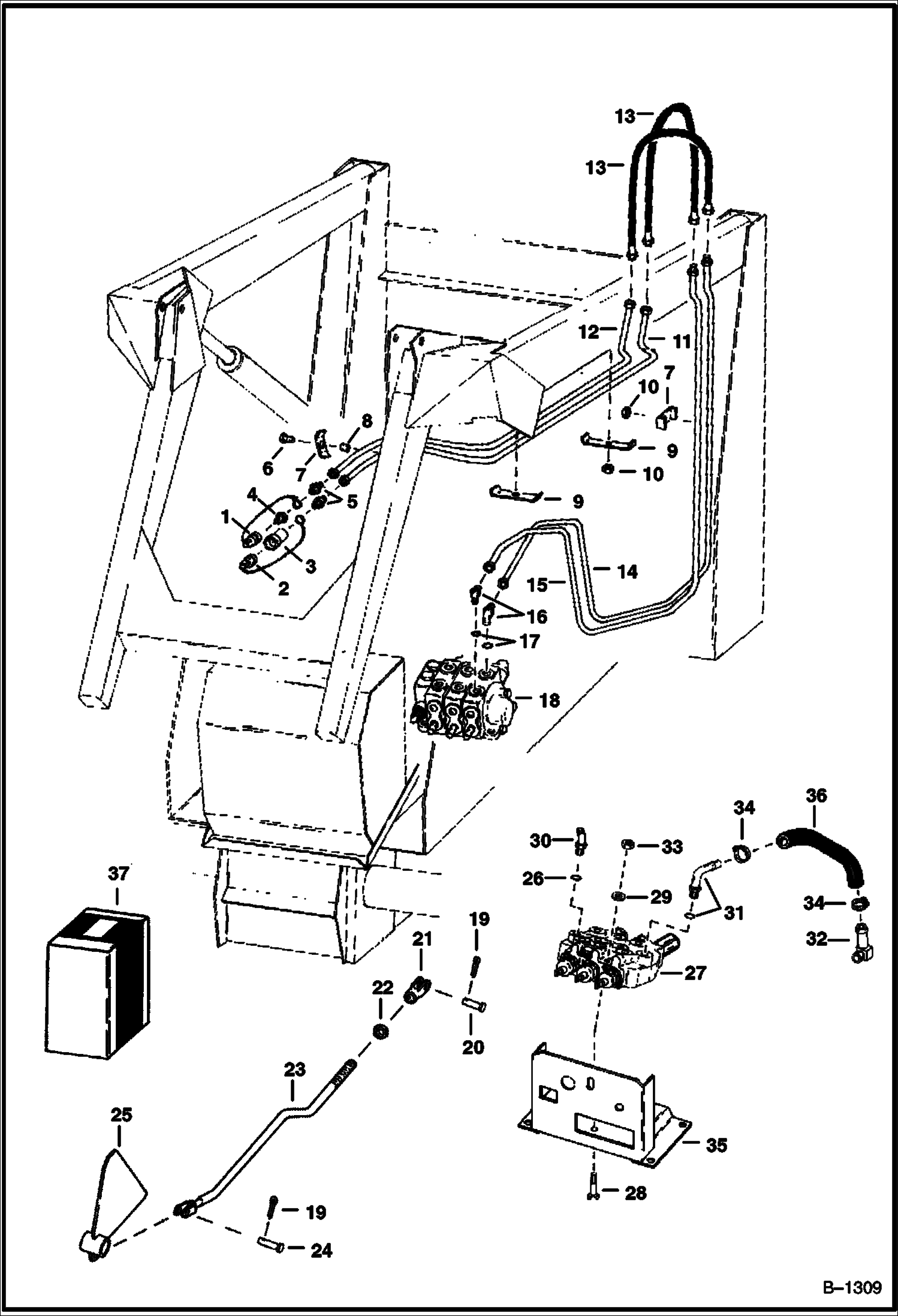
СЕКЦИЯ РАСПРЕДЕЛИТЕЛЯ - ВСПОМОГАТЕЛЬНОЕ УСТРОЙСТВО УПРАВЛЕНИЯ WARD

СЕКЦИЯ РАСПРЕДЕЛИТЕЛЯ - ВСПОМОГАТЕЛЬНОЕ УСТРОЙСТВО УПРАВЛЕНИЯ WARD

1Артикул: SECTION, SECTION NLA - valve - Auxiliary - Was 6519474 - A
2Артикул: 61D5, NUT
3Артикул: 17C580, BOLT
Подробнее >
BOB-TACH ФИКСАТОР

BOB-TACH ФИКСАТОР

1Артикул: KIT, KIT NLA - Bob-Tach Detent - Order Ref. 2-7
2Артикул: 6554843, BAR
3Артикул: 6504370, DECAL
Подробнее >
ШИНЫ И ДИСКИ

ШИНЫ И ДИСКИ

1Артикул: TIRE, TIRE NLA - 8.50 x 12, 4-Ply Rating - Goodyear - Can use 6652525 - Was 6555715 - A
2Артикул: 6652525, TIRE 8.50X12 4 PLY Nylon, 8.50 x 12.00, 4-ply rating Flotation Sure Grip Bar - Uni-Royal - Was 7149997 - A
3Артикул: TIRE, TIRE NLA - 5.70 x 12, 4-Ply Rating - Goodyear or Uni-Royal - Can use 6652526 - Was 6555716 - A
Подробнее >
СИДЕНИЕ

СИДЕНИЕ

1Артикул: 6558258, SEAT
2Артикул: 6631572, ARMREST KIT
Подробнее >
ВСПОМОГАТЕЛЬНАЯ ГИДРАВЛИЧЕСКАЯ ЦЕПЬ

ВСПОМОГАТЕЛЬНАЯ ГИДРАВЛИЧЕСКАЯ ЦЕПЬ

1Артикул: 3679001, CAP coupler - Female - W/Chain
2Артикул: 3679000, PLUG-DUST coupler - Male - W/Chain
3Артикул: 6519317, QUICK COUPLER Female
Подробнее >
СТРОБОСКОПЫ (ЯНТАРНЫЙ - 2414 ALW)

СТРОБОСКОПЫ (ЯНТАРНЫЙ - 2414 ALW)

1Артикул: KIT, KIT NLA - strobe light - Ref. 2-13 - Order 6697795 strobe kit -Was 6587526 - A
2Артикул: LENS, LENS NLA - Amber - Was 6659971 - A
3Артикул: LENS, LENS NLA - Blue - Not in kit - Was 6660247 - A
Подробнее >
ОГНЕТУШИТЕЛЬ

ОГНЕТУШИТЕЛЬ

1Артикул: 6569112, KIT fire extinguisher - Ref. 2 - 10
2Артикул: 1908806, EXT AND BRKT fire
3Артикул: 85G1008, SCREW
Подробнее >
СЕКЦИЯ РАСПРЕДЕЛИТЕЛЯ - ВСПОМОГАТЕЛЬНОЕ УСТРОЙСТВО УПРАВЛЕНИЯ HUSCO

СЕКЦИЯ РАСПРЕДЕЛИТЕЛЯ - ВСПОМОГАТЕЛЬНОЕ УСТРОЙСТВО УПРАВЛЕНИЯ HUSCO

1Артикул: SECTION, SECTION NLA - valve - Auxiliary - Was 6517502 - A
2Артикул: 948187, TIE ROD stud
3Артикул: 61D5, NUT
Подробнее >
НАКЛЕЙКИ

НАКЛЕЙКИ

1Артикул: 6593686, KIT decal - W/Ref. 3-16 & 18-26
2Артикул: 6555985, SAFETY TREAD bulk - 24-- x 10-(610 x 3048mm)
3Артикул: 6558579, DECAL 371
Подробнее >
КОРПУС КАБИНЫ (БРЕЗЕНТ)

КОРПУС КАБИНЫ (БРЕЗЕНТ)

1Артикул: 6565270, VINYL CAB W/Ref. 2-4 - fastens inside of cab W/the use of velcro
2Артикул: 6599721, DOOR vinyl - W/ hinges
3Артикул: 6662839, HINGE KIT
Подробнее >
ЗАЩЕЛКА ВСПОМОГАТЕЛЬНОГО РЫЧАГА ПЕДАЛИ

ЗАЩЕЛКА ВСПОМОГАТЕЛЬНОГО РЫЧАГА ПЕДАЛИ

1Артикул: KIT, KIT NLA - Auxiliary Pedal - Order Ref. 3-4
2Артикул: 6553907, FASTENER
3Артикул: 6561183, ROD
Подробнее >
ГУСЕНИЦЫ

ГУСЕНИЦЫ

1Артикул: 6540008, PAD track
2Артикул: 214118, PIN
3Артикул: 6540010, LINK track
Подробнее >
ОСТАНОВ ПОДЪЕМНОЙ РУКОЯТИ

ОСТАНОВ ПОДЪЕМНОЙ РУКОЯТИ

1Артикул: 6591941, KIT Ref. 3-8
2Артикул: 6515499, PIN click
3Артикул: 6555016, BUMPER
Подробнее >
СТРОБОСКОПЫ (ЯНТАРНЫЙ - 3414 ALW)

СТРОБОСКОПЫ (ЯНТАРНЫЙ - 3414 ALW)

1Артикул: KIT, KIT NLA - strobe light - Ref. 2-11 - Order 6697795 kit - Was 6587526 - A
2Артикул: 6697795, STROBE KIT Ref. 2-11 - 4200 series light - 12 jewel
3Артикул: AMBER, AMBER LENS NLA - Use W/Ref. 1 (NLA/ 6587526 kit) - Order 6697797 amber lens - Was 6665021 - A
Подробнее >
КРУПНОГАБАРИТНЫЕ ПРЕДМЕТЫ СМ. В ПРИМЕЧАНИИ

КРУПНОГАБАРИТНЫЕ ПРЕДМЕТЫ СМ. В ПРИМЕЧАНИИ

1Артикул: 6902228, PAINT, ORANGE SPRAY CAN 6 original shade
2Артикул: 7305844, PAINT ORANGE SPRAY CAN 6 updated shade
3Артикул: 7251690, PAINT, ORANGE SPRAY CAN 6 original shade - EMEA
Подробнее >
КОМПЛЕКТ ОПОРЫ СИДЕНЬЯ

КОМПЛЕКТ ОПОРЫ СИДЕНЬЯ

1Артикул: 6591917, KIT Ref. 2-45
2Артикул: SPACER, SPACER NLA - Was 6591911 - A
3Артикул: 1300213, BUSHING Plastic
Подробнее >
ПРИВОД ОТБОРА МОЩНОСТИ

ПРИВОД ОТБОРА МОЩНОСТИ

1Артикул: 6542058, DECAL caution
2Артикул: 6544150, DECAL belt position
3Артикул: SEAT, SEAT PAN NLA - Was 6500589 - A
Подробнее >