+7 (701) 588 50 05 Телефон для связи
RU

WhatsApp

Позвонить

АКСЕСCУАРЫ И ОПЦИИ в Алматы

ОСТАНОВ ПОДЪЕМНОЙ РУКОЯТИ

ОСТАНОВ ПОДЪЕМНОЙ РУКОЯТИ

1Артикул: KIT, KIT NLA - lift arm stops - Ref. 3-4 - Order 6563336 Kit - Was 6504728 - A
2Артикул: KIT, KIT NLA - lift arm stops - Ref. 5-9 - Order 6563336 Kit - Was 6541963 - A
3Артикул: KIT, KIT NLA - Was 6563336 - A
Подробнее >
ЗАДНИЙ BOB-TACH

ЗАДНИЙ BOB-TACH

1Артикул: KIT, KIT NLA - rear Bob-Tach - Order Ref. 2-5
2Артикул: 6543978, BOB-TACH L.H.
3Артикул: 17C1232, BOLT
Подробнее >
КОМПЛЕКТ ОПОРЫ СИДЕНЬЯ

КОМПЛЕКТ ОПОРЫ СИДЕНЬЯ

1Артикул: KIT, KIT NLA - Ref. 2-34 - Order Components - Was 6563667 - A
2Артикул: 6562126, SPRING
3Артикул: 27E6, WASHER 5
Подробнее >
ВО ВЗРЫВОБЕЗОПАСНОМ ИСПОЛНЕНИИ КРЫШКА ТОПЛИВНОГО БАКА

ВО ВЗРЫВОБЕЗОПАСНОМ ИСПОЛНЕНИИ КРЫШКА ТОПЛИВНОГО БАКА

1Артикул: KIT, KIT NLA - Rear fill - Order Ref. 2, 3 & 5
2Артикул: 6558134, KIT Front fill - Ref. 2 & 4
3Артикул: 6512910, FUEL CAP explosion-proof
Подробнее >
НАКЛЕЙКИ

НАКЛЕЙКИ

1Артикул: KIT, KIT See Illustration DECALS/ C2125 NLA - DECAL - Ref. 2-18 & 20 ON THIS PAGE & 2-13 - Was 6567918 - A
2Артикул: 6579528, DECAL, WARNING carry load low - Was 6565254 - A
3Артикул: 6556500, MANUAL EMI SAFETY - LOADER
Подробнее >
ПРОЖЕКТОРЫ

ПРОЖЕКТОРЫ

1Артикул: 6553054, KIT lights - Ref. 2-20
2Артикул: 17C616, BOLT 5
3Артикул: 4E6, WASHER
Подробнее >
ОГНЕТУШИТЕЛЬ

ОГНЕТУШИТЕЛЬ

1Артикул: 6569112, KIT fire extinguisher - Ref. 2 - 10 - Was 6554806 - A
2Артикул: 1908806, EXT AND BRKT fire
3Артикул: 85G1008, SCREW Was 85G000808B - B
Подробнее >
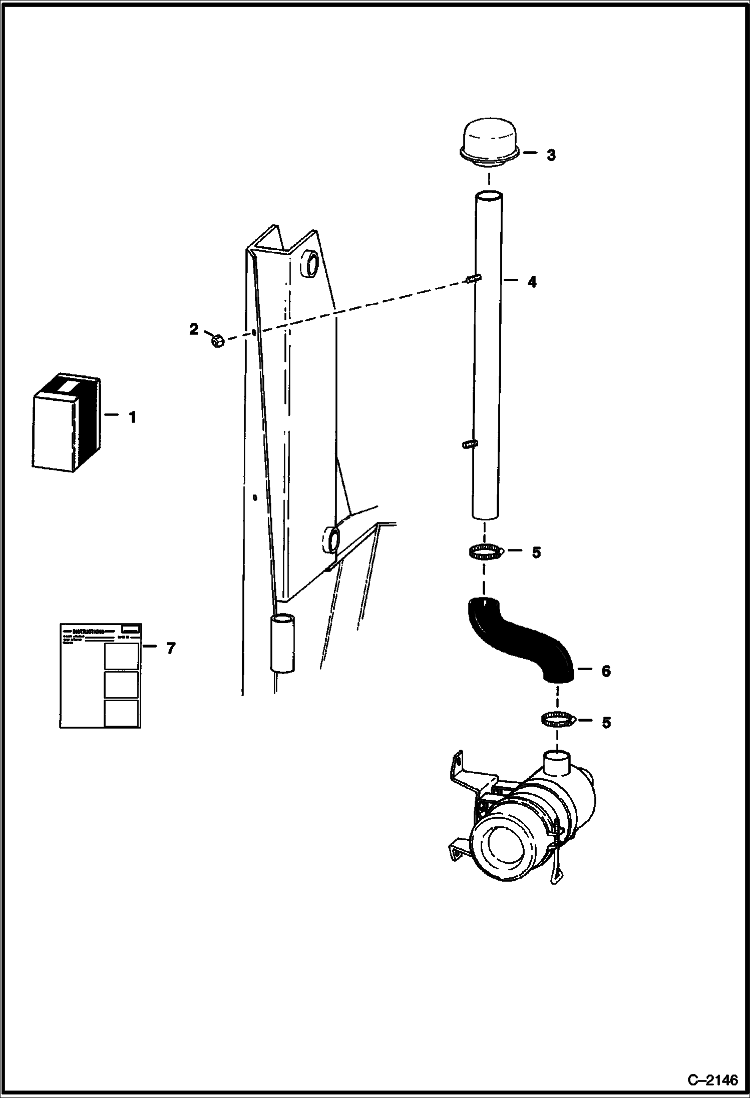
УДЛИНИТЕЛЬ ВОЗДУХООЧИСТИТЕЛЯ

УДЛИНИТЕЛЬ ВОЗДУХООЧИСТИТЕЛЯ

1Артикул: KIT, KIT NLA - Order Ref. 2-7
2Артикул: 61D6, NUT 5
3Артикул: INLET, INLET NLA - Was 663879B - A
Подробнее >
ШИНЫ И КОЛЕСНЫЕ ДИСКИ (СПЛОШНАЯ ШИНА - SETCO)

ШИНЫ И КОЛЕСНЫЕ ДИСКИ (СПЛОШНАЯ ШИНА - SETCO)

1Артикул: 6704167, TIRE & RIM 10 X 31 Slick W/Wire
2Артикул: 6704168, TIRE & RIM 10 X 31 Staggered Gear Lug
3Артикул: 6722149, TIRE & RIM 10 X 31 Slick W/Wire - Set of (4)
Подробнее >
ОДНОТОЧЕЧНЫЙ ПОДЪЕМ

ОДНОТОЧЕЧНЫЙ ПОДЪЕМ

1Артикул: 6561935, KIT Ref. 2-8
2Артикул: 61D8, NUT 5
3Артикул: 6560174, ANGLE
Подробнее >
КРУПНОГАБАРИТНЫЕ ПРЕДМЕТЫ

КРУПНОГАБАРИТНЫЕ ПРЕДМЕТЫ

1Артикул: 6653509, PAINT orange - Spray Can - SEE NOTE
2Артикул: 6653512, PAINT charcoal - Spray Can -SEE NOTE
3Артикул: 6653515, PAINT white - Spray Can - SEE NOTE
Подробнее >
ЭКРАН ТОПЛИВНОГО БАКА

ЭКРАН ТОПЛИВНОГО БАКА

1Артикул: 6561220, KIT shield - Ref. 2-5
2Артикул: 61D6, NUT 5
3Артикул: 21C614, SCREW
Подробнее >
ВЕРХНЯЯ ЧАСТЬ БЛОКА ДВИГАТЕЛЯ

ВЕРХНЯЯ ЧАСТЬ БЛОКА ДВИГАТЕЛЯ

1Артикул: 6720747, BLOCK HEATER W/Ref. 2 - installed on right side of engine above starter - Was 6647889 - A
2Артикул: 6668881, CORD
3Артикул: 6720038ENUS, INSTRUCTIONS Was 6720038 - A
Подробнее >
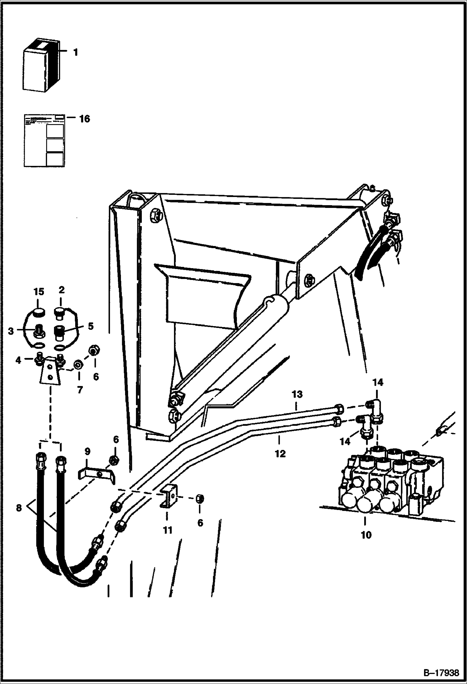
КОМПЛЕКТ ЗАДНИХ ШЛАНГОВ

КОМПЛЕКТ ЗАДНИХ ШЛАНГОВ

1Артикул: KIT, KIT NLA - rear hose - Order Ref. 2
2Артикул: 6547679, HOSE hydraulic
Подробнее >
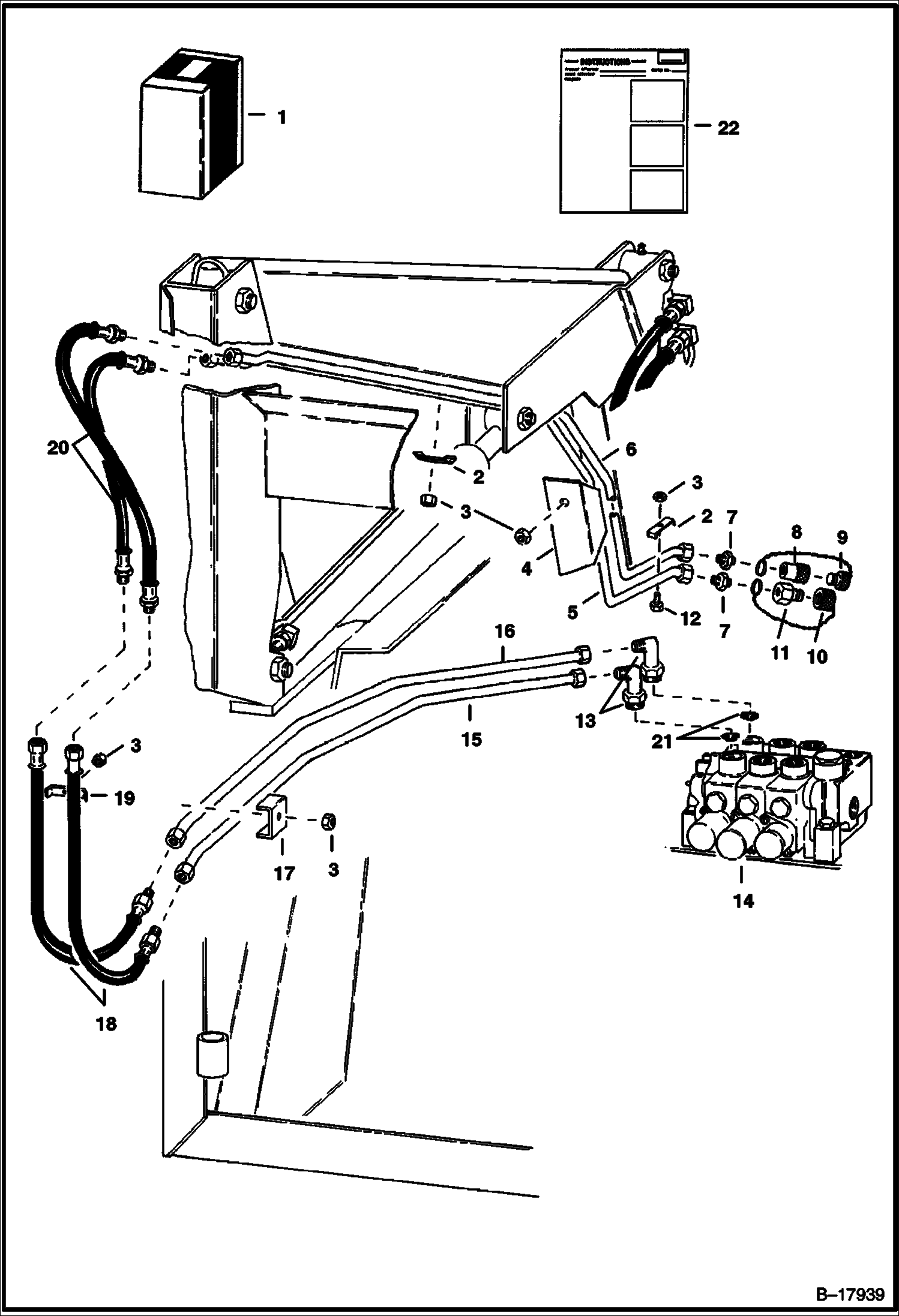
КОМПЛЕКТ ВСПОМОГАТЕЛЬНЫХ ГИДРОСИСТЕМ (ЗАДНИЙ МОСТ И КОРОБКА ПЕРЕДАЧ В СБОРЕ)

КОМПЛЕКТ ВСПОМОГАТЕЛЬНЫХ ГИДРОСИСТЕМ (ЗАДНИЙ МОСТ И КОРОБКА ПЕРЕДАЧ В СБОРЕ)

1Артикул: KIT, KIT NLA - Rear unit auxiliary - Order Ref. 2-7, 9, 15 & 16
2Артикул: 6515167, PLUG dust
3Артикул: 6598755, QUICK COUPLER Male
Подробнее >
СИГНАЛ ЗАДНЕГО ХОДА

СИГНАЛ ЗАДНЕГО ХОДА

1Артикул: KIT, KIT NLA - back-up alarm - Order Ref. 3-6, 10, 11, 15-19 & 21-28
2Артикул: WIRE, WIRE NLA - ground - Purchase Locally
3Артикул: 17C508, BOLT
Подробнее >
СТРОБОСКОПЫ (ЯНТАРНЫЙ - 2414 ALW)

СТРОБОСКОПЫ (ЯНТАРНЫЙ - 2414 ALW)

1Артикул: STROBE, STROBE LIGHT See Illustration STROBE LIGHT/ B14104 NLA - STROBE LIGHT - Ref. 2 - 13 - ORDER 6587526 KIT - WAS 6659815 - A
2Артикул: LENS, LENS NSS - amber - Was 6659971 - A
3Артикул: LENS, LENS NSS - blue - Not in kit - Was 6660247 - A
Подробнее >
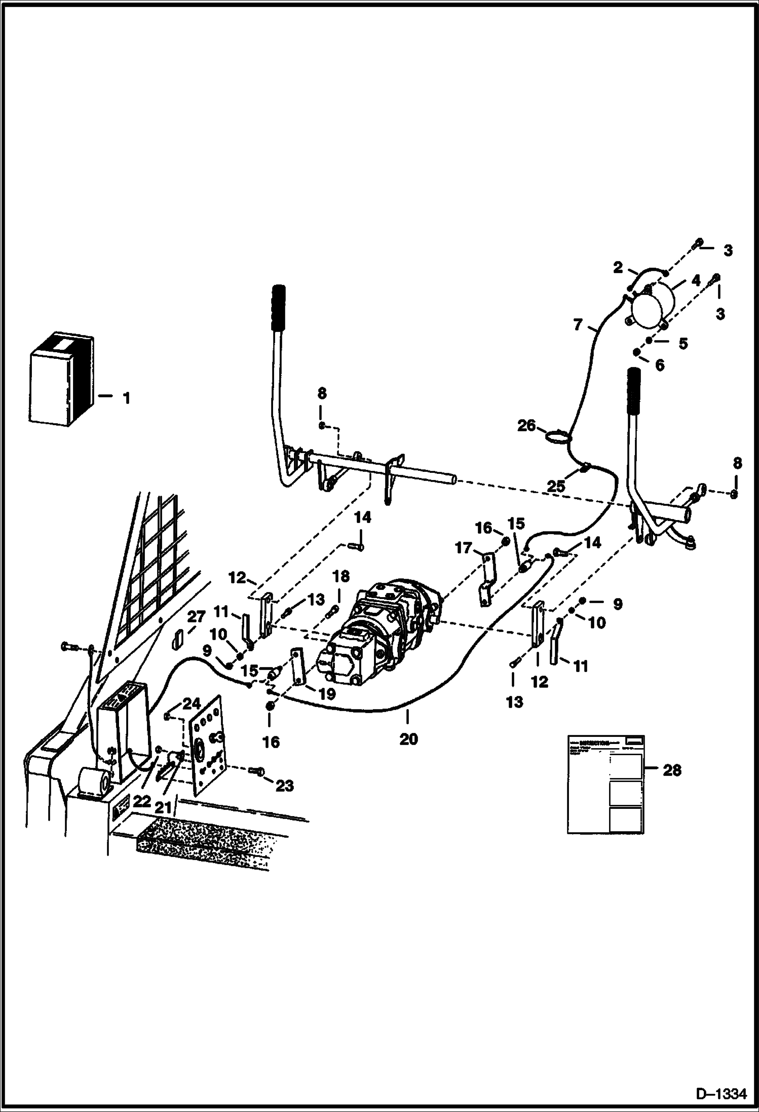
КОМПЛЕКТ ВСПОМОГАТЕЛЬНЫХ ГИДРОСИСТЕМ (ПЕРЕДНИЙ УЗЕЛ)

КОМПЛЕКТ ВСПОМОГАТЕЛЬНЫХ ГИДРОСИСТЕМ (ПЕРЕДНИЙ УЗЕЛ)

1Артикул: 6551502, KIT front auxiliary-Ref. 2-12 & 20-22
2Артикул: 6502203, CLAMP tube
3Артикул: 81D6, NUT
Подробнее >
ИСКРОГАСИТЕЛЬ

ИСКРОГАСИТЕЛЬ

1Артикул: 6560836, KIT spark arrestor - Ref. 2-5
2Артикул: 710705, CLAMP NLA - Was 710705 - A
3Артикул: DECAL, DECAL NLA - Was 6560572 - A
Подробнее >
ЩЕТКА СТЕКЛООЧИСТИТЕЛЯ

ЩЕТКА СТЕКЛООЧИСТИТЕЛЯ

1Артикул: KIT, KIT NLA - windshield wiper - Order Ref. 2-21
2Артикул: 1744552, ARM
3Артикул: WIRE, WIRE NLA - Purchase Locally
Подробнее >
КОРПУС КАБИНЫ

КОРПУС КАБИНЫ

1Артикул: KIT, KIT NLA - cab enclosure - Order Ref. 2-44
2Артикул: 6540685, FRAME
3Артикул: SEAL, SEAL NLA
Подробнее >
СТРОБОСКОПЫ (ЯНТАРНЫЙ - 3414 ALW)

СТРОБОСКОПЫ (ЯНТАРНЫЙ - 3414 ALW)

1Артикул: KIT, KIT NLA - strobe light - Ref. 2-11 - Order 6697795 kit - Was 6587526 - A
2Артикул: 6697795, STROBE KIT Ref. 2-11 - 4200 series light - 12 jewel
3Артикул: AMBER, AMBER LENS NLA - Use W/Ref. 1 (NLA/ 6587526 kit) - Order 6697797 amber lens - Was 6665021 - A
Подробнее >
ШИНЫ И ДИСКИ

ШИНЫ И ДИСКИ

1Артикул: TIRE, TIRE NLA - 7.00-15, 6 Ply Rating, Steel Cap Bar Lug - Firestone - Was 6515899 - A
2Артикул: TIRE, TIRE NLA - 7.00-15, 6 Ply Rating, Steel Cap- Bar Lug - Dico -Was 6659473 - A
3Артикул: TIRE, TIRE NLA - nylon 7:00 x 15, 6 ply - IDT (industrial deep tread) - Dico - Was 6665724 - A
Подробнее >
КОМПЛЕКТ КЛАПАНОВ ВОЗДУХООЧИСТИТЕЛЯ

КОМПЛЕКТ КЛАПАНОВ ВОЗДУХООЧИСТИТЕЛЯ

1Артикул: 6560193, KIT Ref. 2-4
2Артикул: 946860, BAFFEL
3Артикул: 3493788, CUP
Подробнее >
ШИНЫ И ДИСКИ (СПЛОШНАЯ ШИНА)

ШИНЫ И ДИСКИ (СПЛОШНАЯ ШИНА)

1Артикул: TIRE, TIRE & RIM NLA - Assy - RH - 7.5 x 15 - Was 6682856 - A
2Артикул: TIRE, TIRE & RIM NLA - Assy - LH - 7.5 x 15 - Was 6682857 - A
3Артикул: TIRE,, TIRE, WITH RIM (RH) NLA - Assy. - R.H. - 10 x 16.5 - Was 6674003 - A
Подробнее >
ПРОБЛЕСКОВЫЕ ФАРЫ

ПРОБЛЕСКОВЫЕ ФАРЫ

1Артикул: 6548276, KIT flasher light -Ref. 2, 4-8 & 10-17
2Артикул: BRACKET, BRACKET NLA - Was 6547315 - A
3Артикул: 81D6, NUT
Подробнее >
КОРПУС КАБИНЫ (ЧЕХОЛ)

КОРПУС КАБИНЫ (ЧЕХОЛ)

1Артикул: VINYL, VINYL CAB NLA - W/Ref. 2 - fits over cab - Was 6599459 - A
2Артикул: DOOR, DOOR NLA - Was 6666385 - A
3Артикул: 6662839, HINGE KIT
Подробнее >
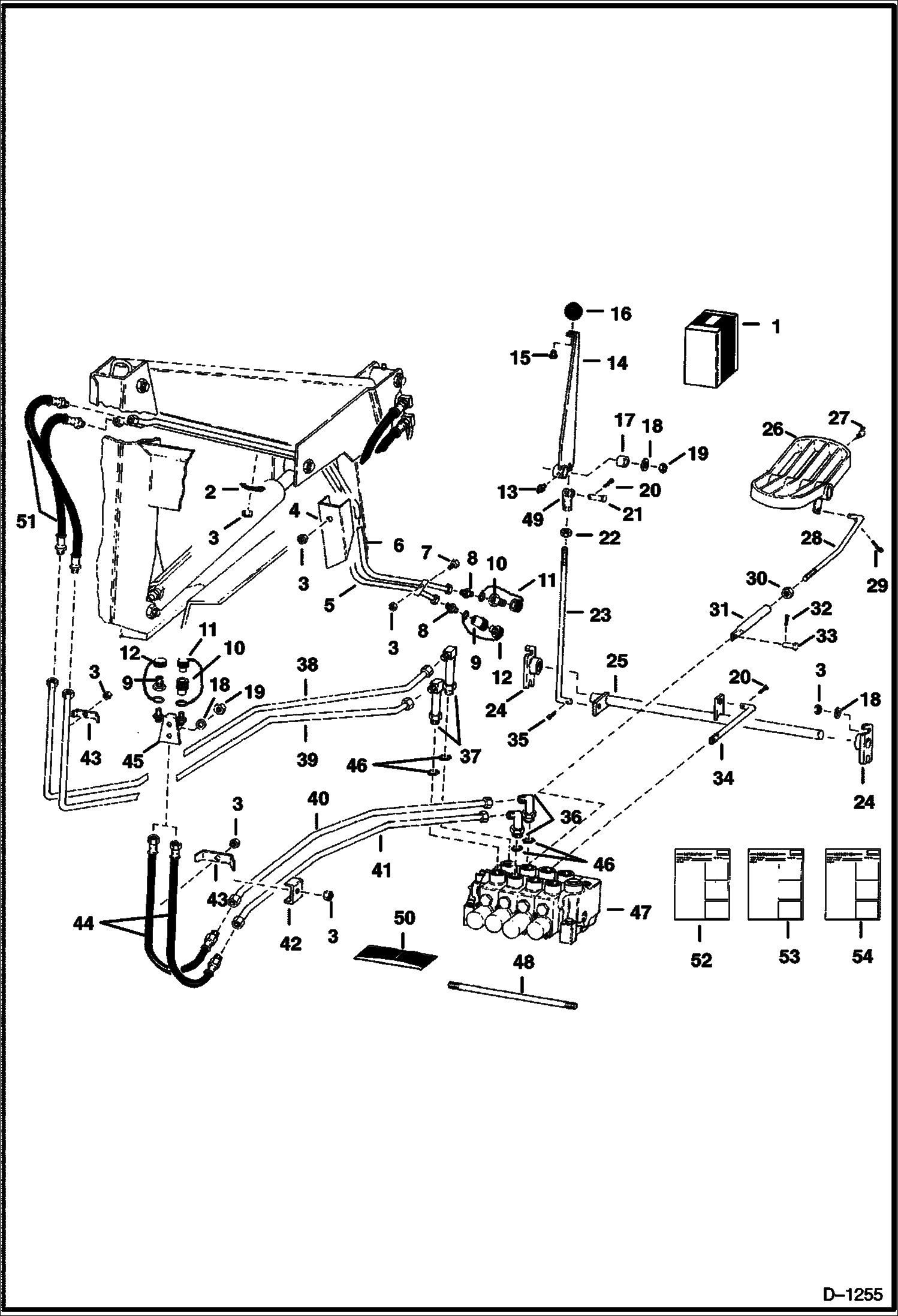
КОМПЛЕКТ ВСПОМОГАТЕЛЬНОЙ ГИДРАВЛИКИ (2 БЛОКА)

КОМПЛЕКТ ВСПОМОГАТЕЛЬНОЙ ГИДРАВЛИКИ (2 БЛОКА)

1Артикул: KIT, KIT NLA - two unit aux. - Order Ref. 2-25, 27, 32-35, 37-39, 43, 45 & 47-53
2Артикул: KIT, KIT NLA - two unit aux.-Order Ref. 2-25, 27, 32-35, 37-39, 43, 48, 49, 53 & 54
3Артикул: KIT, KIT NLA - To change from Rear Aux. to Two Unit Aux. -Order Ref. 3, 9-25, 27, 32-34, 37-39, 43, 45, 47-49, 50 & 53
Подробнее >