+7 (701) 588 50 05 Телефон для связи
RU

WhatsApp

Позвонить

АКСЕСCУАРЫ И ОПЦИИ в Алматы

КОМПЛЕКТ ОСВЕТИТЕЛЬНОГО ОБОРУДОВАНИЯ КРЫШИ НАД СИДЕНЬЕМ ВОДИТЕЛЯ

КОМПЛЕКТ ОСВЕТИТЕЛЬНОГО ОБОРУДОВАНИЯ КРЫШИ НАД СИДЕНЬЕМ ВОДИТЕЛЯ

1Артикул: 6587840, KIT canopy light - W/Ref. 2-17
2Артикул: 6513469, HOLDER
3Артикул: 6532045, BOLT
Подробнее >
КРУПНОГАБАРИТНЫЕ ПРЕДМЕТЫ СМ. В ПРИМЕЧАНИИ

КРУПНОГАБАРИТНЫЕ ПРЕДМЕТЫ СМ. В ПРИМЕЧАНИИ

1Артикул: 6902228, PAINT, ORANGE SPRAY CAN 6 original shade
2Артикул: 7305844, PAINT ORANGE SPRAY CAN 6 updated shade
3Артикул: 7251690, PAINT, ORANGE SPRAY CAN 6 original shade - EMEA
Подробнее >
СОЛЕНОИДНЫЙ КЛАПАН

СОЛЕНОИДНЫЙ КЛАПАН

1Артикул: 6657013, VALVE W/Ref. 2, 3, 5-14
2Артикул: 6657242, VALVE
3Артикул: 6657243, COMPENSATOR
Подробнее >
КОМПЛЕКТ ПОДОГРЕВАТЕЛЯ БАКА 120 B

КОМПЛЕКТ ПОДОГРЕВАТЕЛЯ БАКА 120 B

1Артикул: 6722574, KIT W/Ref. 2-7
2Артикул: 6660327, HEATER
3Артикул: 6648485, TEE For use on Models 225 & 231 only
Подробнее >
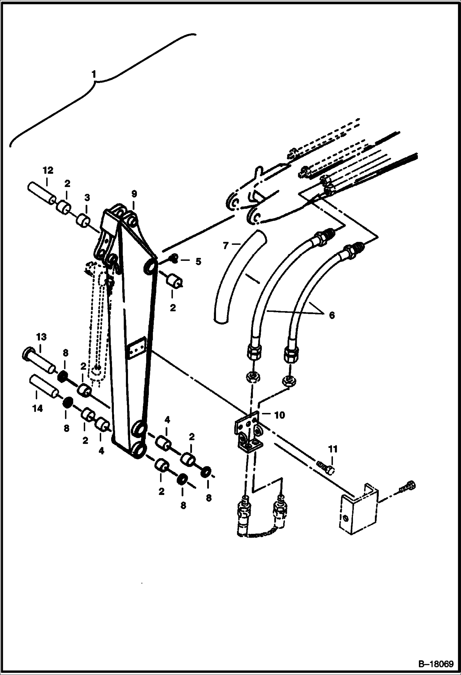
ДЛИННАЯ РУКОЯТЬ (ОПЦИЯ)

ДЛИННАЯ РУКОЯТЬ (ОПЦИЯ)

1Артикул: KIT, KIT NLA - Long Arm - W/Ref. 2-11 - Was 6537194 - A
2Артикул: 6539270, BUSHING Was 6533426 - A
3Артикул: 6533447, SPACER
Подробнее >
НАКЛЕЙКИ

НАКЛЕЙКИ

1Артикул: 6533571, KIT DECAL Ref. 1-22 & 26-32
2Артикул: 6533901, DECAL drive
3Артикул: 6533897, DECAL hook
Подробнее >
ГУСЕНИЦЫ РЕЗИНОВЫЕ

ГУСЕНИЦЫ РЕЗИНОВЫЕ

1Артикул: TRACK,, TRACK, RUBBER NLA - factory option - not shown - P/N shown is for (1) track -P/N and Spencer Moulton is embossed on inside of track - if track 6666927 is used as a replacement for track 6652044 , they must be replaced in pairs - Was 6666927 - A
2Артикул: 6652044, TRACK, RUBBER (250X72X45) 10-- BOBCAT factory option - P/N shown is for (1) track - P/N and Bridgestone is embossed on inside of track
3Артикул: 6988829EF, TRACK, RBR(230X72X45) 9IN EF Was 6988829 - A
Подробнее >
НАКЛЕЙКИ НАРУЖНИЕ

НАКЛЕЙКИ НАРУЖНИЕ

1Артикул: DECAL,, DECAL, WARNING NLA - high pressure grease - Order Ref. 2 - Was 6804114 - A
2Артикул: 7168039, DECAL, WARNING high pressure grease
Подробнее >
КОМПЛЕКТ ВСПОМОГАТЕЛЬНЫХ ГИДРОСИСТЕМ С МАКСИМАЛЬНЫМ РАСХОДОМ 11501-11999

КОМПЛЕКТ ВСПОМОГАТЕЛЬНЫХ ГИДРОСИСТЕМ С МАКСИМАЛЬНЫМ РАСХОДОМ 11501-11999

1Артикул: 6537183, KIT Hi-Flow Aux. Hyd. - Was Sales
2Артикул: 17C512, BOLT 5
3Артикул: 25E15, WASHER
Подробнее >
КОМПЛЕКТ ПОДОГРЕВАТЕЛЯ БАКА 240 B

КОМПЛЕКТ ПОДОГРЕВАТЕЛЯ БАКА 240 B

1Артикул: 6722575, KIT W/Ref. 2-7
2Артикул: 6649656, HEATER
3Артикул: 6648485, TEE For use on Models 225 & 231 only
Подробнее >
КОМПЛЕКТ ГИДРОЗАМКА ЦИЛИНДРА ПОВОРОТА

КОМПЛЕКТ ГИДРОЗАМКА ЦИЛИНДРА ПОВОРОТА

1Артикул: 6537375, KIT W/Ref. 2-9
2Артикул: 11K5, FITTING
3Артикул: 6530892, HOSE
Подробнее >