+7 (701) 588 50 05 Телефон для связи
RU

WhatsApp

Позвонить

АКСЕСCУАРЫ И ОПЦИИ в Алматы

120 B ЭЛЕКТРИЧЕСКИЕ ПРИБОРЫ ОСВЕЩЕНИЯ ЭЛЕКТРИКА BOBCAT

120 B ЭЛЕКТРИЧЕСКИЕ ПРИБОРЫ ОСВЕЩЕНИЯ ЭЛЕКТРИКА BOBCAT

1Артикул: LIGHT, LIGHT ASSY. NLA - W/Ref. 2 - 18 - Was 6517938 - A
2Артикул: PLATE, PLATE NLA - retaining
3Артикул: LAMP, LAMP NLA - 120 Volt, 150 W - Was 6517933 - A
Подробнее >
КОМПЛЕКТ УПЛОТНЕНИЙ ОСИ

КОМПЛЕКТ УПЛОТНЕНИЙ ОСИ

1Артикул: 6563442, KIT Ref. 2 - 5
2Артикул: 6515000, SEAL
3Артикул: 6598484, SLEEVE
Подробнее >
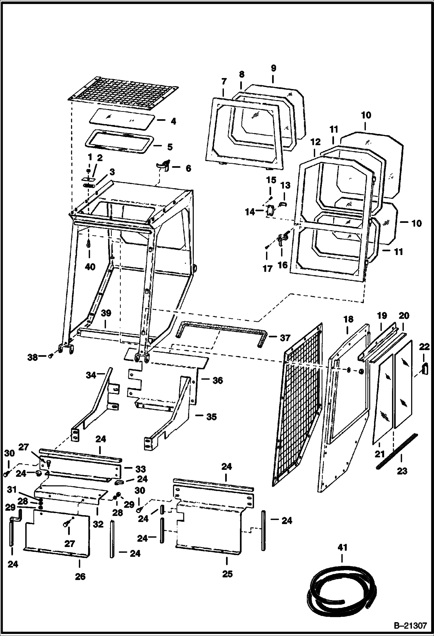
КОРПУС КАБИНЫ

КОРПУС КАБИНЫ

1Артикул: 81D4, NUT
2Артикул: PLATE, PLATE NSS
3Артикул: STRIP, STRIP NSS - weather
Подробнее >
ШИНЫ И ДИСКИ

ШИНЫ И ДИСКИ

1Артикул: TIRE, TIRE NLA - 7.00 x 15, 6 ply rating steel cap - Goodyear - Was 6515899 - A
2Артикул: TIRE, TIRE NLA - 7.00 x 15, 6 ply rating steel cap - Dico - Was 6659473 - A
3Артикул: TIRE, TIRE NLA - 7.00 x 15, 6 ply rating - Titan - Was 6659474 - A
Подробнее >
КОЛЕСНАЯ ЗАЩИТА

КОЛЕСНАЯ ЗАЩИТА

1Артикул: KIT, KIT NLA - tire guard - Order Ref. 2 - 5
2Артикул: 4E8, WASHER
3Артикул: PLATE, PLATE NLA - guard - Was 6503130 - A
Подробнее >
ТОРМОЗА И КРЕПЕЖНЫЕ ДЕТАЛИ

ТОРМОЗА И КРЕПЕЖНЫЕ ДЕТАЛИ

1Артикул: BRAKE, BRAKE KIT NLA
2Артикул: SHAFT, SHAFT NLA - Was 6502910 - A
3Артикул: PEDAL, PEDAL NLA - Was 6501384 - A
Подробнее >
ПАНЕЛЬ ПОЛА

ПАНЕЛЬ ПОЛА

1Артикул: 6505370, PANEL
2Артикул: 25E17, WASHER 5
3Артикул: 17C624, BOLT 5
Подробнее >
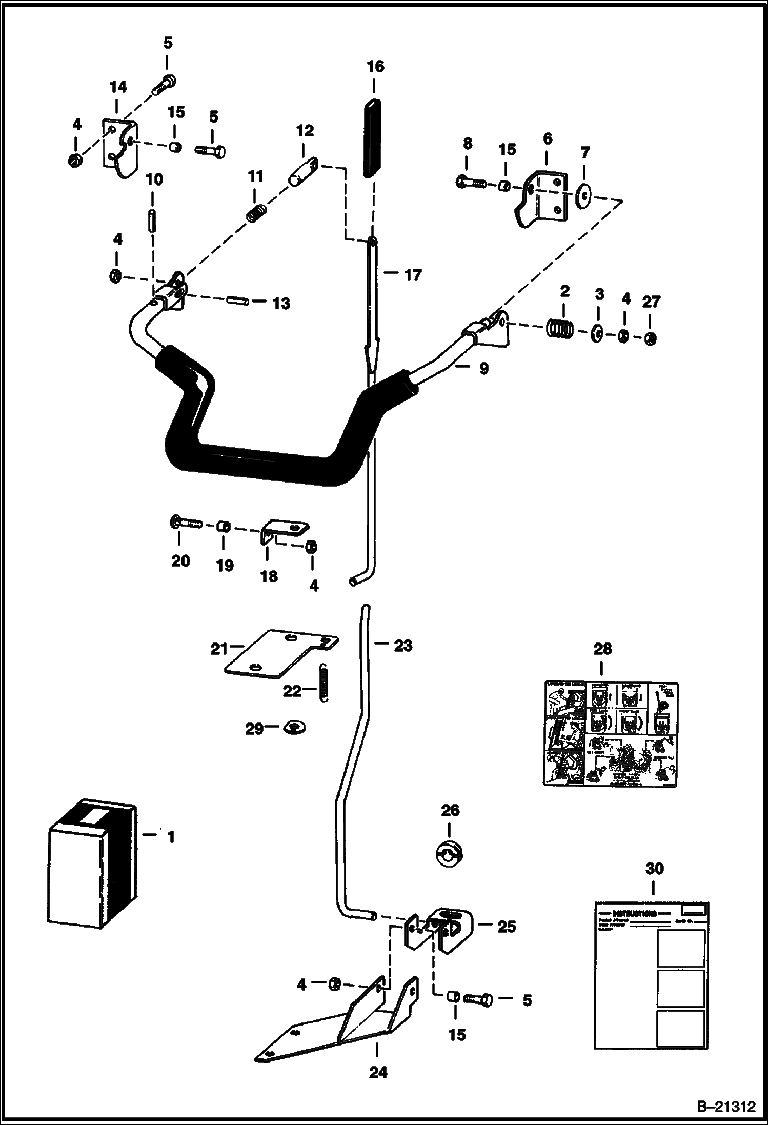
ОСТАНОВ ПОДЪЕМНОЙ РУКОЯТИ

ОСТАНОВ ПОДЪЕМНОЙ РУКОЯТИ

1Артикул: 6504728, KIT lift arm stops - Ref. 2, 3 & 9 - Was NLA - D
2Артикул: 6541963, KIT lift arm stops - Ref. 4 - 8 - Was NLA - D
3Артикул: KIT, KIT NLA - lift arm stops - Ref. 10 - 17 - Order Ref. 18, 20 - 22
Подробнее >
КРУПНОГАБАРИТНЫЕ ПРЕДМЕТЫ СМ. В ПРИМЕЧАНИИ

КРУПНОГАБАРИТНЫЕ ПРЕДМЕТЫ СМ. В ПРИМЕЧАНИИ

1Артикул: 6902228, PAINT, ORANGE SPRAY CAN 6 original shade
2Артикул: 7305844, PAINT ORANGE SPRAY CAN 6 updated shade
3Артикул: 7251690, PAINT, ORANGE SPRAY CAN 6 original shade - EMEA
Подробнее >
СТРОБОСКОПЫ ЯНТАРНЫЙ - 2414ALW

СТРОБОСКОПЫ ЯНТАРНЫЙ - 2414ALW

1Артикул: KIT, KIT NLA - strobe light - Ref. 2 - 13
2Артикул: LENS, LENS NSS - amber
3Артикул: LENS, LENS NSS - blue - Not In Kit
Подробнее >
КОМПЛЕКТ ОПОРЫ СИДЕНЬЯ

КОМПЛЕКТ ОПОРЫ СИДЕНЬЯ

1Артикул: 6563666, KIT Ref. 2 - 30
2Артикул: 6562126, SPRING
3Артикул: 27E6, WASHER 5
Подробнее >
ОСЬ И ТОРМОЗ В СБОРЕ

ОСЬ И ТОРМОЗ В СБОРЕ

1Артикул: 6542555, AXLE front
2Артикул: 6515000, SEAL
3Артикул: 6514043, SEAL
Подробнее >
НАКЛЕЙКИ

НАКЛЕЙКИ

1Артикул: 6567921, KIT decal - Ref. 2 - 10 & Ref. 2 - 16 on Ill B21308
2Артикул: 6568905, DECAL warning - Was 6564844 - A
3Артикул: 6557412, DECAL RH - Bobcat head
Подробнее >
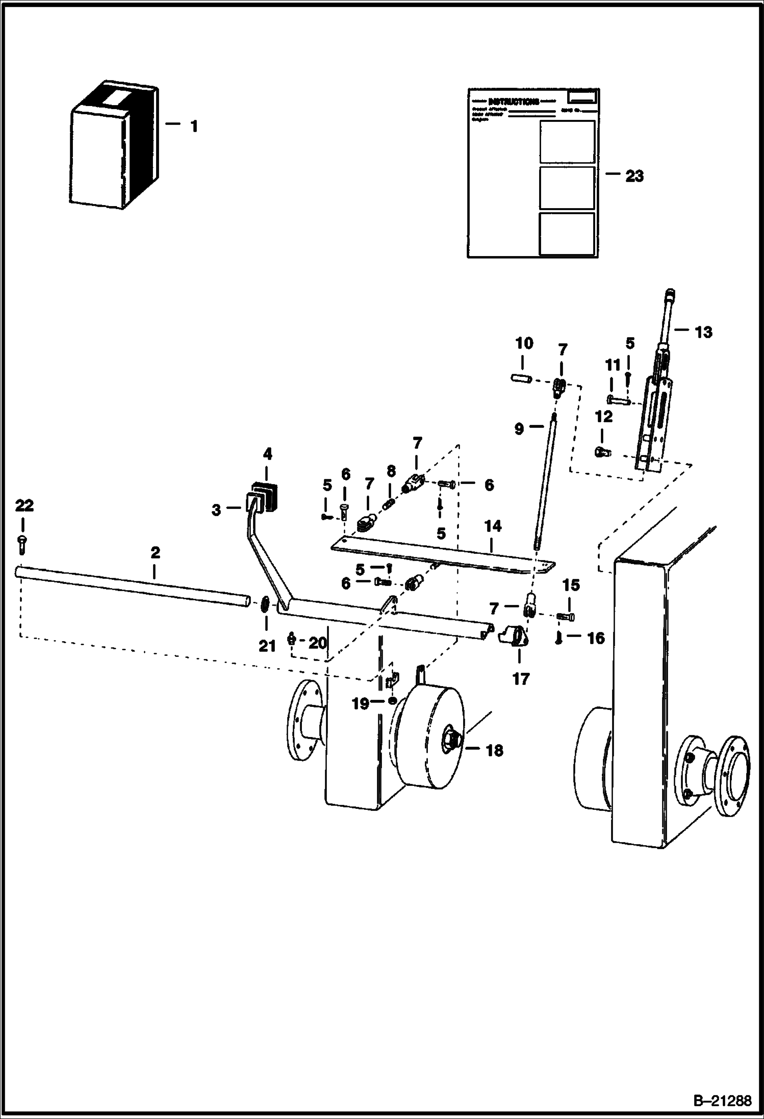
ТОРМОЗА

ТОРМОЗА

1Артикул: BRAKE, BRAKE KIT See Illustration AXLE & BRAKE ASSEMBLY/ B21287 NLA - ORDER Ref. 2 - 17, 19 - 21 & Ref. 11 - 13, 16 - 19, 23 & 26 - 28 on Ill. B-21288 - WAS 6547224
2Артикул: SHAFT, SHAFT NLA - Was 6502910 - A
3Артикул: 6544372, PEDAL
Подробнее >
СТРОБОСКОПЫ ЯНТАРНЫЙ - 3414ALW

СТРОБОСКОПЫ ЯНТАРНЫЙ - 3414ALW

1Артикул: KIT, KIT NLA - strobe light - Ref. 2 - 11 - Order 6697795 kit - Was 6587526 - A
2Артикул: 6697795, STROBE KIT Ref. 2-11 - 4200 series light - 12 jewel
3Артикул: AMBER, AMBER LENS NLA - Use W/Ref. 1 (NLA/ 6587526 kit) - Order 6697797 amber lens - Was 6665021 - A
Подробнее >
ОГНЕТУШИТЕЛЬ

ОГНЕТУШИТЕЛЬ

1Артикул: 1908806, EXT AND BRKT fire
Подробнее >
ОТВОДНОЙ СЦЕПНОЙ ПРИБОР

ОТВОДНОЙ СЦЕПНОЙ ПРИБОР

1Артикул: 6505053, PIN
2Артикул: DRAWBAR, DRAWBAR NLA - W/Ref. 1 & 3-6 - Was 6504731 - A
3Артикул: 61D10, NUT
Подробнее >
КАСКА С ЗАЩИТОЙ ОТ ШУМА

КАСКА С ЗАЩИТОЙ ОТ ШУМА

1Артикул: 6902390, HARD HAT WHITE Was 6559552 - A
2Артикул: EARMUFFS, EARMUFFS NLA - Use 6902394 - Was 6559775 - A
Подробнее >
КОМПЛЕКТ ИЗ ТРЕХ ПЕДАЛЕЙ

КОМПЛЕКТ ИЗ ТРЕХ ПЕДАЛЕЙ

1Артикул: 6564041, KIT Ref. 2 - 32
2Артикул: PLATE, PLATE floor NLA - floor - Was 6559940
3Артикул: SHAFT, SHAFT NLA - Was 6502910 - A
Подробнее >
ПОДЪЕМНЫЙ КРЮК

ПОДЪЕМНЫЙ КРЮК

1Артикул: KIT, KIT NLA - lift hook - Order Ref. 2 - 5
2Артикул: 25E8, WSHR
3Артикул: HOOK, HOOK NLA - Was 6504698 - A
Подробнее >