+7 (701) 588 50 05 Телефон для связи
RU

WhatsApp

Позвонить

АКСЕСCУАРЫ И ОПЦИИ в Алматы

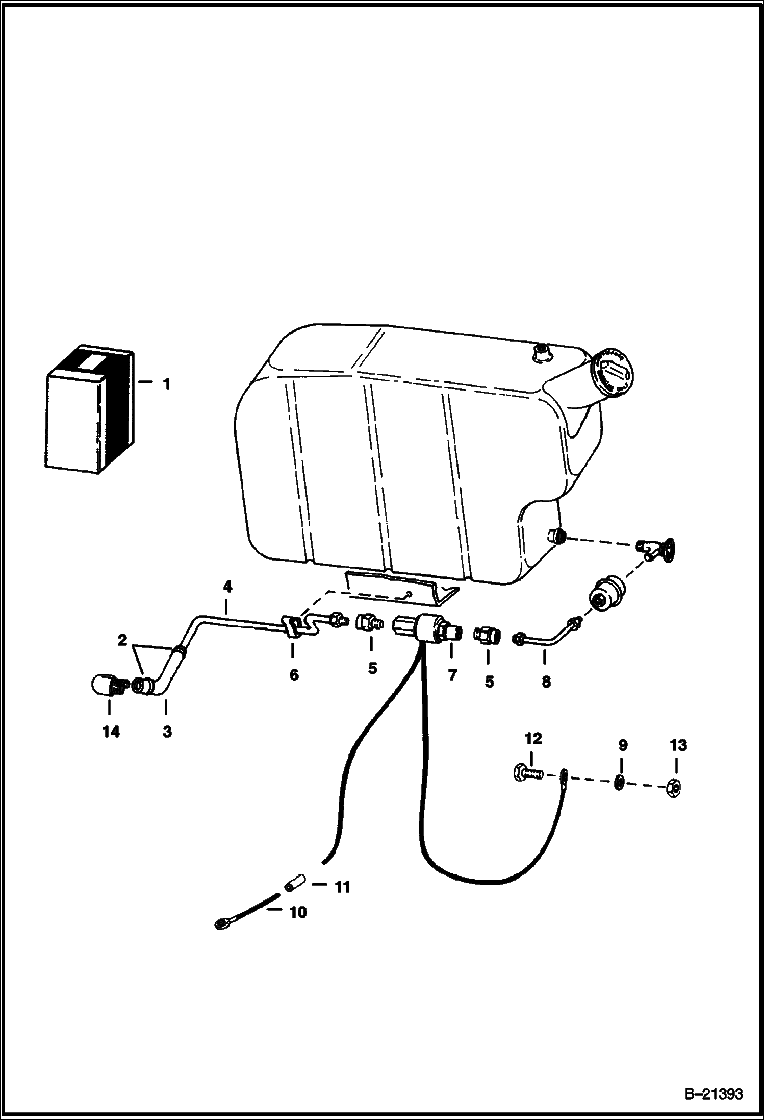
СИГНАЛ ЗАДНЕГО ХОДА

СИГНАЛ ЗАДНЕГО ХОДА

1Артикул: 6579094, KIT Ref. 2 - 24 - Was 6565508 - A
2Артикул: 30H31, CLAMP 10
3Артикул: 616334, COVER
Подробнее >
ТОПЛИВНЫЙ ЭЛЕКТРОМАГНИТ

ТОПЛИВНЫЙ ЭЛЕКТРОМАГНИТ

1Артикул: 6559215, KIT fuel solenoid - Ref. 2 - 14 NLA order components
2Артикул: 42HS04, CLAMP, HOSE Was 6515575 - A
3Артикул: 6557832, HOSE
Подробнее >
ОГНЕТУШИТЕЛЬ

ОГНЕТУШИТЕЛЬ

1Артикул: 6554806, KIT fire extinguisher - Ref. 2 - 5
2Артикул: 1908806, EXT AND BRKT
3Артикул: 17C408, BOLT
Подробнее >
СТРОБОСКОПЫ ЯНТАРНЫЙ - 2414ALW

СТРОБОСКОПЫ ЯНТАРНЫЙ - 2414ALW

1Артикул: KIT, KIT NLA - strobe light - Ref. 2 - 13 - Order 6587526
2Артикул: LENS, LENS NSS - amber
3Артикул: LENS, LENS NSS - blue - Not In Kit
Подробнее >
НАБОР ДЛЯ АРЕНДЫ

НАБОР ДЛЯ АРЕНДЫ

1Артикул: 6562298, KIT Ref. 2 - 18
2Артикул: 6513274, MODULE
3Артикул: WIRE, WIRE NLA - 1 ft. (304,8mm) - Was 774706 - A
Подробнее >
ОДНОТОЧЕЧНЫЙ ПОДЪЕМ

ОДНОТОЧЕЧНЫЙ ПОДЪЕМ

1Артикул: 6568281, KIT Ref. 2 - 14
2Артикул: 6568182, ANGLE
3Артикул: 85D8, NUT, 5
Подробнее >
ЩЕТКА СТЕКЛООЧИСТИТЕЛЯ

ЩЕТКА СТЕКЛООЧИСТИТЕЛЯ

1Артикул: 6562123, KIT wiper - Ref. 2 - 13
2Артикул: 1550697, BLADE wiper
3Артикул: 6514850, CLIP
Подробнее >
ОСТАНОВ ПОДЪЕМНОЙ РУКОЯТИ

ОСТАНОВ ПОДЪЕМНОЙ РУКОЯТИ

1Артикул: 6563501, KIT Ref. 2 - 8
2Артикул: 6563449, STOP W/Ref. 5
3Артикул: 17C616, BOLT 5
Подробнее >
КОМПЛЕКТ КЛАПАНОВ ВОЗДУХООЧИСТИТЕЛЯ

КОМПЛЕКТ КЛАПАНОВ ВОЗДУХООЧИСТИТЕЛЯ

1Артикул: 6560193, KIT Ref. 2 -4
2Артикул: 946860, BAFFEL
3Артикул: 3493788, CUP
Подробнее >
КОМПЛЕКТ УПЛОТНЕНИЙ ОСИ

КОМПЛЕКТ УПЛОТНЕНИЙ ОСИ

1Артикул: 6568974, KIT Ref. 2 - 5
2Артикул: 6512114, SEAL Was 6660126 - A
3Артикул: 6631420, SLEEVE
Подробнее >
ПРОБЛЕСКОВЫЕ ФАРЫ

ПРОБЛЕСКОВЫЕ ФАРЫ

1Артикул: 6558076, KIT flasher - Ref. 2 - 4 and 11 and 12
2Артикул: 614142, SLEEVE 10
3Артикул: 6515131, TERMINAL
Подробнее >
КРУПНОГАБАРИТНЫЕ ПРЕДМЕТЫ СМ. В ПРИМЕЧАНИИ

КРУПНОГАБАРИТНЫЕ ПРЕДМЕТЫ СМ. В ПРИМЕЧАНИИ

1Артикул: 6902228, PAINT, ORANGE SPRAY CAN 6 original shade
2Артикул: 7305844, PAINT ORANGE SPRAY CAN 6 updated shade
3Артикул: 7251690, PAINT, ORANGE SPRAY CAN 6 original shade - EMEA
Подробнее >
КОРПУС КАБИНЫ (ВИНИЛ)

КОРПУС КАБИНЫ (ВИНИЛ)

1Артикул: 6565270, VINYL CAB W/Ref. 2-4 - fastens inside of cab W/the use of velcro
2Артикул: 6660340, VINYL CAB W/Ref. 2 & 3 - fits over cab
3Артикул: 6599721, DOOR vinyl - W/ hinges
Подробнее >
КОРПУС КАБИНЫ

КОРПУС КАБИНЫ

1Артикул: 6555917, KIT cab enclosure - Ref. 2 - 31
2Артикул: 61D6, NUT 5
3Артикул: 25E18, WASHER
Подробнее >
СТРОБОСКОПЫ ЯНТАРНЫЙ 3414ALW

СТРОБОСКОПЫ ЯНТАРНЫЙ 3414ALW

1Артикул: KIT, KIT NLA - strobe light - Ref. 2 - 11 - Order 6697795 kit - Was 6587526 - A
2Артикул: 6697795, STROBE KIT Ref. 2-11 - 4200 series light - 12 jewel
3Артикул: AMBER, AMBER LENS NLA - Use W/Ref. 1 (NLA/ 6587526 kit) - Order 6697797 amber lens - Was 6665021 - A
Подробнее >
КАСКА С ЗАЩИТОЙ ОТ ШУМА

КАСКА С ЗАЩИТОЙ ОТ ШУМА

1Артикул: 6902390, HARD HAT WHITE Was 6559552 - A
2Артикул: EARMUFFS, EARMUFFS NLA - Use 6902394 - Was 6559775 - A
Подробнее >
НАКЛЕЙКИ

НАКЛЕЙКИ

1Артикул: KIT, KIT See Illustration DECALS/ E1163 NLA - decal - Ref. 2-12 & Ref. 2-16 - Was 6567874 - A
2Артикул: 6579511, DECAL warning - Was 6565980 - A
3Артикул: 6561387, DECAL service
Подробнее >
ЗАДНЕЕ СТЕКЛО

ЗАДНЕЕ СТЕКЛО

1Артикул: KIT, KIT NLA - Order Ref. 2-8
2Артикул: 6553577, WINDOW
3Артикул: 6731478, TAG EXIT Was 6559515 - A
Подробнее >
КОМПЛЕКТ ОПОРЫ СИДЕНЬЯ

КОМПЛЕКТ ОПОРЫ СИДЕНЬЯ

1Артикул: KIT, KIT NLA - seat bar - W/Ref. 2 - 15 - Order 6713853 - Was 6706796 - A
2Артикул: 6631418, RING, RETAINING
3Артикул: 6664207, GAS SPRING
Подробнее >
СОЕДИНИТЕЛЬ ПУЧКА ПРОВОДОВ

СОЕДИНИТЕЛЬ ПУЧКА ПРОВОДОВ

1Артикул: KIT, KIT See BTI182 NLA - connector - Ref. 2-4 - Was 6563326 - A
2Артикул: CONNECTOR, CONNECTOR NLA - Was 6563325 - A
3Артикул: DECAL, DECAL NLA - Was 6566242 - A
Подробнее >
КОМПЛЕКТ ОПОРЫ СИДЕНЬЯ (НАЖИМНАЯ ПРУЖИНА)

КОМПЛЕКТ ОПОРЫ СИДЕНЬЯ (НАЖИМНАЯ ПРУЖИНА)

1Артикул: 6713853, KIT Ref. 2 - 18 & 21
2Артикул: SEAT, SEAT BAR NLA - Order 6716777 Seat Bar & (2) ea. of Ref. 3, 5, 14 & 15 - 6.88 in. (174,8mm) center of top hole to weld on tab - SEE NOTE - Was 6710661 - A
3Артикул: 6716777, SEAT BAR 6.13-- (155,7mm) center of top hole to weld on tab - SEE NOTE - Was 6713609 - A
Подробнее >
КОМПЛЕКТ ОГРАНИЧИТЕЛЯ НАКЛОНА ДЛЯ 50 СЕРИИ BOB TACH

КОМПЛЕКТ ОГРАНИЧИТЕЛЯ НАКЛОНА ДЛЯ 50 СЕРИИ BOB TACH

1Артикул: 6705179, KIT tilt stop - Ref. 2 - 4
2Артикул: 6705169, STOP tilt
3Артикул: 6705170, STOP tilt
Подробнее >
ЦИЛИНДРА НАКЛОНА STOP СЕРИЙНЫЙ НОМЕР 12348 И ВЫШЕ

ЦИЛИНДРА НАКЛОНА STOP СЕРИЙНЫЙ НОМЕР 12348 И ВЫШЕ

1Артикул: 6560898, KIT Ref. 2 & 3
2Артикул: 6560896, STOP
3Артикул: 6560895, STOP
Подробнее >
КОМПЛЕКТ ОПОРЫ СИДЕНЬЯ (ПЕРЕДНЕЕ ПОЛОЖЕНИЕ - НАЖИМНАЯ ПРУЖИНА)

КОМПЛЕКТ ОПОРЫ СИДЕНЬЯ (ПЕРЕДНЕЕ ПОЛОЖЕНИЕ - НАЖИМНАЯ ПРУЖИНА)

1Артикул: 6714285, KIT Ref. 2 - 16 & 20
2Артикул: 6716779, SEAT BAR W/Ref. 15 - Was 6714282 - A
3Артикул: 6710659, BUSHING
Подробнее >
СТРАХОВОЧНЫЕ ПОРУЧНИ

СТРАХОВОЧНЫЕ ПОРУЧНИ

1Артикул: 6561371, KIT Ref. 2 & 3
2Артикул: 17C512, BOLT 5
3Артикул: 6558504, HANDLE
Подробнее >
ШИНЫ И ДИСКИ

ШИНЫ И ДИСКИ

1Артикул: 6551894, TIRE nylon, 1 ply rating, 5.70 x 15 bar lug
2Артикул: TIRE, TIRE NLA - nylon, 4 ply rating, 8.50 x 15 super traction - Firestone - Order 6729895 - Was 6559160 - A
3Артикул: 6729895, TIRE 4 ply rating, 8.50 x 15 Dico - Was 6578507 - A
Подробнее >