+7 (701) 588 50 05 Телефон для связи
RU

WhatsApp

Позвонить

АКСЕСCУАРЫ И ОПЦИИ в Алматы

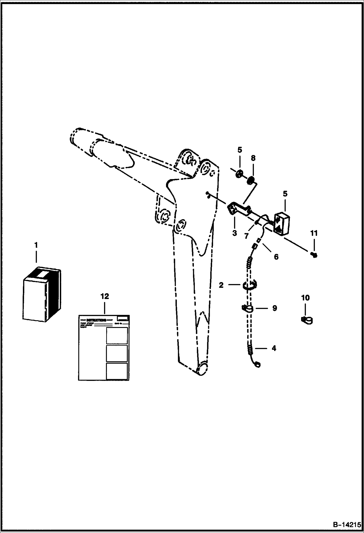
КОМПЛЕКТ ДЕТАЛЕЙ РАБОЧЕГО ОСВЕЩЕНИЯ

КОМПЛЕКТ ДЕТАЛЕЙ РАБОЧЕГО ОСВЕЩЕНИЯ

1Артикул: 6596521, KIT work light - W/Ref. 2-12
2Артикул: 1715312, STRAP Was 6610510 - A
3Артикул: 6589194, ANGLE
Подробнее >
КОМПЛЕКТ ДЛЯ ОСОБОГО ПРИМЕНЕНИЯ (КРЫША НАД СИДЕНЬЕМ ВОДИТЕЛЯ)

КОМПЛЕКТ ДЛЯ ОСОБОГО ПРИМЕНЕНИЯ (КРЫША НАД СИДЕНЬЕМ ВОДИТЕЛЯ)

1Артикул: 6666863, KIT Ref. 2 - 25
2Артикул: 6808185, DECAL
3Артикул: 6664085, BUSHING
Подробнее >
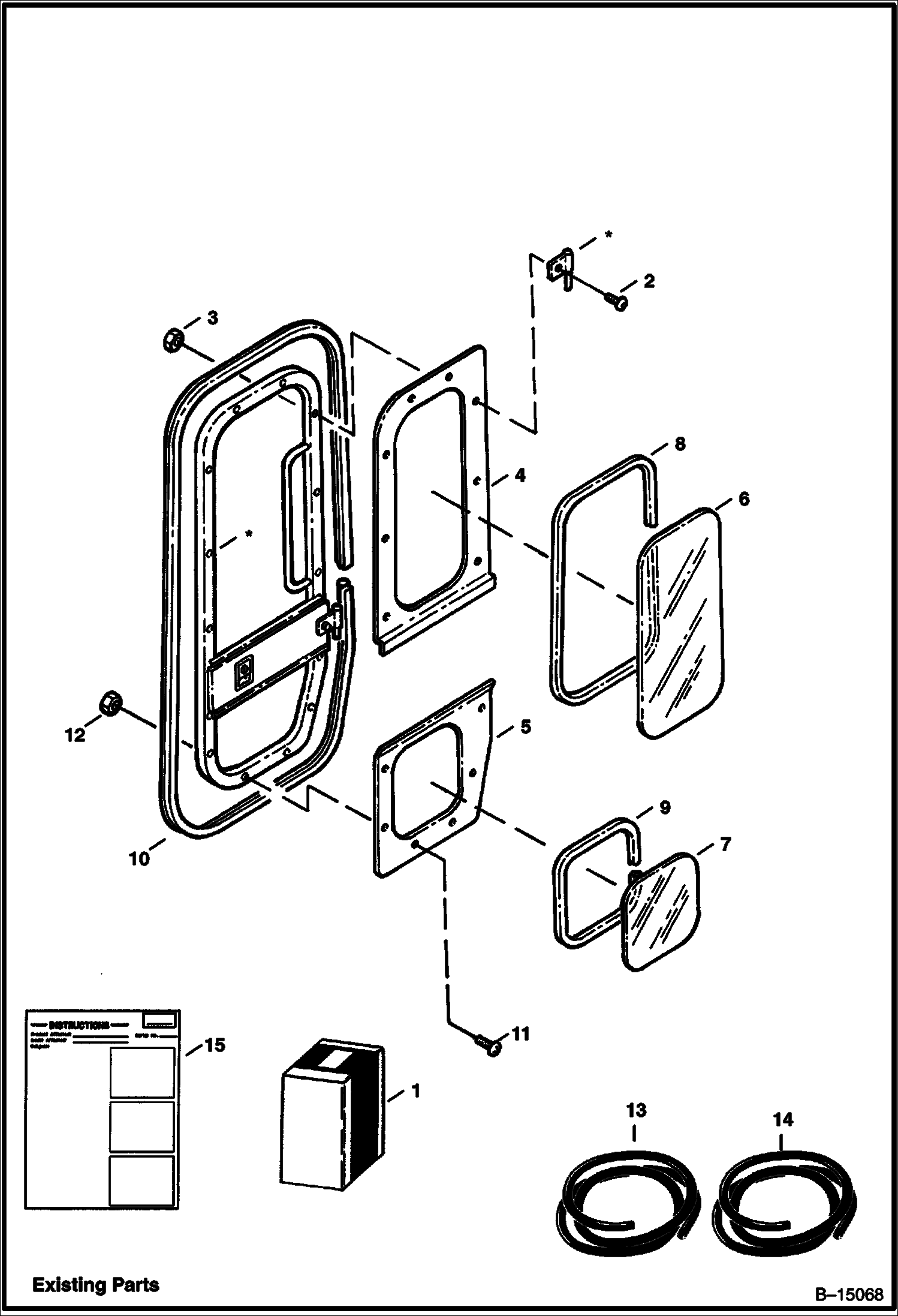
КОМПЛЕКТ ДВЕРЕЙ КАБИНЫ

КОМПЛЕКТ ДВЕРЕЙ КАБИНЫ

1Артикул: 6803251, KIT Cab Door - W/Ref. 2 - 15
2Артикул: 6667842, BOLT
3Артикул: 6667843, NUT
Подробнее >
ГУСЕНИЦЫ (ИЗ СТАЛИ)

ГУСЕНИЦЫ (ИЗ СТАЛИ)

1Артикул: 6536161, TRACK ASSY. Steel - W/Ref. 2, 4 & 5 - P/N is for (1) track - Also Order Ref. 3 - (1) per track
2Артикул: 6536162, LINK qty. shown for 1 track
3Артикул: 6805105, PIN Master - Press Fit - qty. shown for 1 track - Was 6534248 - A
Подробнее >
КОМПЛЕКТ ЗАЩИТНЫХ ЩИТОВ

КОМПЛЕКТ ЗАЩИТНЫХ ЩИТОВ

1Артикул: 6589061, KIT belly pan - W/Ref. 2 - 6
2Артикул: 6626810, BUSHING
3Артикул: 29CM1035, SCREW
Подробнее >
КОМПЛЕКТ ГУСЕНИЦ (КАУЧУК)

КОМПЛЕКТ ГУСЕНИЦ (КАУЧУК)

1Артикул: KIT, KIT NLA - rubber track - W/Ref. 2-11 - Order components - Was 6589828 - A
2Артикул: 6537618, PLATE
3Артикул: 6810767, TRACK ROLLER Was 6589006 - A
Подробнее >
КОМПЛЕКТ ДЕФЛЕКТОРОВ СТЕКОЛ (КРЫША НАД СИДЕНИЕМ ВОДИТЕЛЯ С СИСТЕМОЙ ЗАЩИТЫ ПРИ ОПРАКИДЫВАНИИ)

КОМПЛЕКТ ДЕФЛЕКТОРОВ СТЕКОЛ (КРЫША НАД СИДЕНИЕМ ВОДИТЕЛЯ С СИСТЕМОЙ ЗАЩИТЫ ПРИ ОПРАКИДЫВАНИИ)

1Артикул: 6596740, KIT Rainguard
2Артикул: 6806131, WINDOW Was 6595792 - A
3Артикул: 6589675, SCREW
Подробнее >
КЛАПАН ПЕРЕКЛЮЧЕНИЯ В СБОРЕ

КЛАПАН ПЕРЕКЛЮЧЕНИЯ В СБОРЕ

1Артикул: 6597401, VALVE ASSY selector
2Артикул: 6597404, VALVE block
3Артикул: 6597402, SPOOL
Подробнее >
КОМПЛЕКТ РАЗГРУЗОЧНОГО КЛАПАНА КАНАЛА (ДЛЯ ИСПОЛЬЗОВАНИЯ С БУРОМ И ГИДРОМОЛОТОМ)

КОМПЛЕКТ РАЗГРУЗОЧНОГО КЛАПАНА КАНАЛА (ДЛЯ ИСПОЛЬЗОВАНИЯ С БУРОМ И ГИДРОМОЛОТОМ)

1Артикул: 6628092, KIT port relief - w/Ref. 2 & 3
2Артикул: 6660746, RELIEF VALVE port - bucket
3Артикул: 6724791, INSTRUCTIONS
Подробнее >
КОМПЛЕКТ ДЛЯ ОСОБОГО ПРИМЕНЕНИЯ (КАБИНА)

КОМПЛЕКТ ДЛЯ ОСОБОГО ПРИМЕНЕНИЯ (КАБИНА)

1Артикул: NLA, NLA - special application - W/Ref. 2-24 & 27 - Was 6666533 - A
2Артикул: 6667855, BOLT 5/8-- long
3Артикул: 6648390, NUT
Подробнее >
НАКЛЕЙКИ

НАКЛЕЙКИ

1Артикул: 6589071, KIT, DECAL includes Ref. 2-38
2Артикул: 6533897, DECAL hook
3Артикул: 6533899, DECAL arrow
Подробнее >
НАКЛЕЙКИ НАРУЖНИЕ

НАКЛЕЙКИ НАРУЖНИЕ

1Артикул: DECAL,, DECAL, WARNING NLA - high pressure grease - Order Ref. 2 - Was 6804114 - A
2Артикул: 7168039, DECAL, WARNING high pressure grease
Подробнее >
КОМПЛЕКТ ДЛЯ ДЕМОНТАЖА ГУСЕНИЦЫ (РЕЗИНОВЫЕ ГУСЕНИЦЫ ТОЛЬКО)

КОМПЛЕКТ ДЛЯ ДЕМОНТАЖА ГУСЕНИЦЫ (РЕЗИНОВЫЕ ГУСЕНИЦЫ ТОЛЬКО)

1Артикул: 6722842, KIT Track Derailing - W/Ref. 2-7
2Артикул: 6808137, FRONT IDLER front - Was 6588999 - A
3Артикул: 6810767, TRACK ROLLER Track - Was 6589006 - A
Подробнее >
КОМПЛЕКТ ПОДОГРЕВАТЕЛЯ БАКА (120 ВОЛЬТ)

КОМПЛЕКТ ПОДОГРЕВАТЕЛЯ БАКА (120 ВОЛЬТ)

1Артикул: 6722574, KIT W/Ref. 2-7
2Артикул: 6660327, HEATER
3Артикул: 6648485, TEE For use on Models 325 & 331 only
Подробнее >
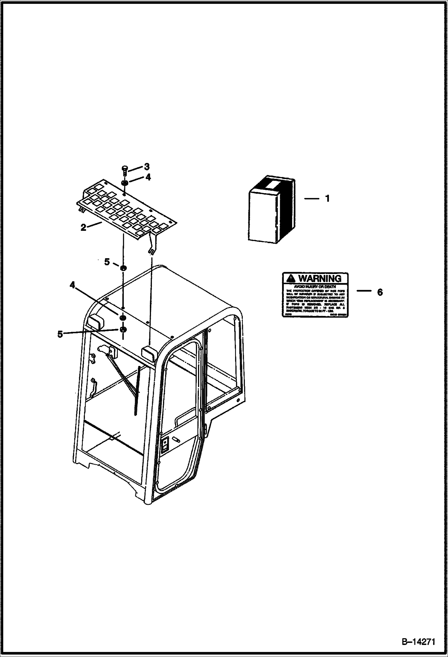
ВЕРХНЯЯ ЗАЩИТА (КАБИНА ИЛИ КРЫША НАД СИДЕНЬЕМ ВОДИТЕЛЯ)

ВЕРХНЯЯ ЗАЩИТА (КАБИНА ИЛИ КРЫША НАД СИДЕНЬЕМ ВОДИТЕЛЯ)

1Артикул: 6595975, FOPS KIT
2Артикул: PLATE, PLATE NLA - FOPS - Order Ref. 1
3Артикул: 17C620, BOLT
Подробнее >
КОРПУС КАБИНЫ (ВИНИЛ)

КОРПУС КАБИНЫ (ВИНИЛ)

1Артикул: 6669009, ENCLOSURE vinyl - Ref. 2-5
2Артикул: 45DM6, NUT 10 Required for 325 & 331 only
3Артикул: 6588651, PANEL Required for 325 & 331 only
Подробнее >
КОМПЛЕКТ ВСПОМОГАТЕЛЬНЫХ РАЗГРУЗОЧНЫХ КАНАЛОВ

КОМПЛЕКТ ВСПОМОГАТЕЛЬНЫХ РАЗГРУЗОЧНЫХ КАНАЛОВ

1Артикул: 6804121, KIT Auxiliary Relief - W/Ref. 2-19 - See Note
2Артикул: 6671967, BLOCK Relief Valve
3Артикул: 15KB1212, FITTING, HYD CONNECTOR W/Ref. 4 - Was 15KN00008B - A
Подробнее >
КОМПЛЕКТ ГУСЕНИЦ (ИЗ СТАЛИ)

КОМПЛЕКТ ГУСЕНИЦ (ИЗ СТАЛИ)

1Артикул: KIT, KIT NLA - steel track -W/Ref. 2 - 8 - Order components - Was 6589830 - A
2Артикул: 6534236, PLATE
3Артикул: 6536161, TRACK ASSY. See Illustration TRACKS/ B25157
Подробнее >
КРУПНОГАБАРИТНЫЕ ПРЕДМЕТЫ СМ. В ПРИМЕЧАНИИ

КРУПНОГАБАРИТНЫЕ ПРЕДМЕТЫ СМ. В ПРИМЕЧАНИИ

1Артикул: 6902228, PAINT, ORANGE SPRAY CAN 6 original shade
2Артикул: 7305844, PAINT ORANGE SPRAY CAN 6 updated shade
3Артикул: 7251690, PAINT, ORANGE SPRAY CAN 6 original shade - EMEA
Подробнее >
ГУСЕНИЦЫ РЕЗИНОВЫЕ

ГУСЕНИЦЫ РЕЗИНОВЫЕ

1Артикул: TRACK,, TRACK, RUBBER (320X109X39) 12-- BOBCAT NLA - factory option - Bridgestone - Full Pitch Track - P/N is for (1) Track - Rubber tracks should be used in matched pairs - When replacing a single track check the embossed part number on the inside surface of the track and order that P/N - Was 6658114 - A
2Артикул: TRACK,, TRACK, RUBBER NLA - factory option - Spencer Moulton - Half Pitch Track - P/N is for (1) track - Rubber tracks should be used in matched pairs - When replacing a single track check the embossed part number on the inside surface of the track and order that P/N - Was 6667026 - A
3Артикул: 6672774, TRACK, RUBBER (320X80X52.5) 12-- BOBCAT factory option - Bridgestone - Half Pitch Track - P/N is for (1) Track - Rubber tracks should be used in matched pairs - When replacing a single track check the embossed part number on the inside surface of the track and order that P/N - Was 6667873
Подробнее >
ИНСТРУКЦИИ ПО ЭКСПЛУАТАЦИИ ДЛЯ ВОДИТЕЛЯ

ИНСТРУКЦИИ ПО ЭКСПЛУАТАЦИИ ДЛЯ ВОДИТЕЛЯ

1Артикул: 6722980, KIT Operators Handbook - W/Ref. 2-7
2Артикул: 6900465, HANDBOOK Operators - Was 6722835 - A
3Артикул: 6558310, SLEEVE
Подробнее >
КОМПЛЕКТ ПОДОГРЕВАТЕЛЯ БАКА (240 В)

КОМПЛЕКТ ПОДОГРЕВАТЕЛЯ БАКА (240 В)

1Артикул: 6722575, KIT W/Ref. 2-7
2Артикул: 6649656, HEATER
3Артикул: 6648485, TEE For use on Models 325 & 331 only
Подробнее >