+7 (701) 588 50 05 Телефон для связи
RU

WhatsApp

Позвонить

АКСЕСCУАРЫ И ОПЦИИ в Алматы

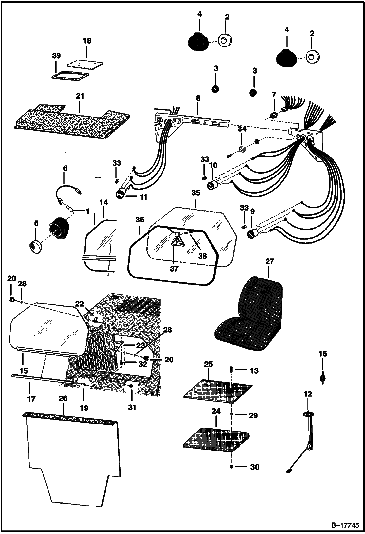
ВАРИАНТЫ КАБИНЫ (DELUXE)

ВАРИАНТЫ КАБИНЫ (DELUXE)

1Артикул: 898731, 1156 BULB
2Артикул: 6557486, LAMP
3Артикул: 6557493, GROMMET
Подробнее >
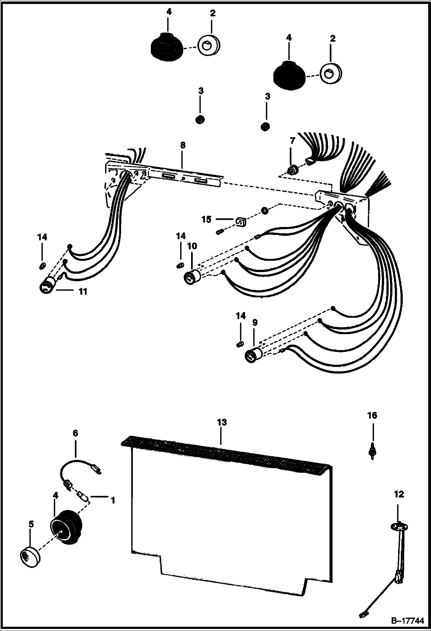
КОПЛЕКТ ОБОГРЕВАТЕЛЯ (PERRIN)

КОПЛЕКТ ОБОГРЕВАТЕЛЯ (PERRIN)

1Артикул: 6648496, KIT W/Ref. 2-11 - See Ill. HEATER PLUMBING KIT D1595
2Артикул: 6515521, SWITCH
3Артикул: 6703041, WIRE Was 6648457 - A
Подробнее >
ШИНЫ И ДИСКИ

ШИНЫ И ДИСКИ

1Артикул: TIRE, TIRE NLA - nylon, 4 Ply Rating, 5.70 x 15 Bar Lug - Goodyear - purchase locally - Was 6551894 - A
2Артикул: TIRE, TIRE NLA - 6 Ply Rating, 8.50 x 15-Goodyear - Order 6729895 - Was 6700002 - A
3Артикул: TIRE, TIRE NLA - 4 Ply Rating, 8.50 x 15 Super Traction - Firestone - Order 6729895 - Was 6559160 - A
Подробнее >
КОРПУС КАБИНЫ (СПЕЦИАЛЬНЫЕ ПРИЛОЖЕНИЯ)

КОРПУС КАБИНЫ (СПЕЦИАЛЬНЫЕ ПРИЛОЖЕНИЯ)

1Артикул: KIT, KIT NLA - Ref. 2-52 - Was SALES - A
2Артикул: 6658352, MOULDING bulk - sold per foot - Was 6554221 - A
3Артикул: 6554149, CORD, BULK/FT bulk - sold per foot - Also Order Ref. 4 (6731478 exit tag) - Was 6554223
Подробнее >
РЕМНИ БЕЗОПАСНОСТИ (3-- ШИРОКИЕ)

РЕМНИ БЕЗОПАСНОСТИ (3-- ШИРОКИЕ)

1Артикул: 6703640, KIT W/Ref. 2-5 & 7-9
2Артикул: 6703703, GUIDE
3Артикул: 6630207, RIVET 5 Was 6512797 - A
Подробнее >
ОПОРА СИДЕНЬЯ (КОМПЛЕКТ ДЛЯ ПЕРЕСТАНОВКИ ЦИЛИНДРА)

ОПОРА СИДЕНЬЯ (КОМПЛЕКТ ДЛЯ ПЕРЕСТАНОВКИ ЦИЛИНДРА)

1Артикул: 6708067, KIT Ref. 2-4
2Артикул: 6706390, BRACKET
3Артикул: 6708058, BRACKET
Подробнее >
КОМПЛЕКТ ВСПОМОГАТЕЛЬНОЙ ГИДРАВЛИКИ

КОМПЛЕКТ ВСПОМОГАТЕЛЬНОЙ ГИДРАВЛИКИ

1Артикул: 6711827, KIT aux. hyd. - Ref. 2 - 28
2Артикул: 6711777, TUBE
3Артикул: 6711776, TUBE
Подробнее >
ВАРИАНТЫ КАБИНЫ (СТАНДАРТ) (СЕРИЙНЫЙ НОМЕР 11088 И НИЖЕ)

ВАРИАНТЫ КАБИНЫ (СТАНДАРТ) (СЕРИЙНЫЙ НОМЕР 11088 И НИЖЕ)

1Артикул: 898731, 1156 BULB
2Артикул: 6557486, LAMP
3Артикул: 6557493, GROMMET
Подробнее >
КОМПЛЕКТ ЗАЩИТНЫХ СЕТОК ОТ НАСЕКОМЫХ

КОМПЛЕКТ ЗАЩИТНЫХ СЕТОК ОТ НАСЕКОМЫХ

1Артикул: KIT, KIT NLA - insect screen - Ref. 2-4 - Was 6571597 - A
2Артикул: SCREEN, SCREEN NLA - insect - R.H. - Was 6569935 - A
3Артикул: SCREEN, SCREEN NLA - insect - L.H. - Was 6569936 - A
Подробнее >
СИГНАЛ ЗАДНЕГО ХОДА

СИГНАЛ ЗАДНЕГО ХОДА

1Артикул: KIT, KIT NLA - back-up alarm - Order components - Ref. 2-19 - Was 6569839 - A
2Артикул: 30H31, CLAMP 10
3Артикул: 616334, COVER
Подробнее >
ДВЕРЦА КАБИНЫ (ПРАВОСТОРОННЯЯ ПРИКРЕПЛЯЕТЬСЯ НА ПЕТЛЯХ)

ДВЕРЦА КАБИНЫ (ПРАВОСТОРОННЯЯ ПРИКРЕПЛЯЕТЬСЯ НА ПЕТЛЯХ)

1Артикул: KIT, KIT NLA - cab door - Ref. 2-51- Order 6708973 Door Kit, 6709934 Shield Kit & 6708225 Harness - Was 6571845 - A
2Артикул: 30H37, CLAMP
3Артикул: 6568739, HARNESS
Подробнее >
ОКНА КАБИНЫ

ОКНА КАБИНЫ

1Артикул: 6706993, KIT, WINDOW SIDE Ref. 2-19
2Артикул: 6513152, SEAL bulk - sold per foot
3Артикул: 6661689, TRACK LH
Подробнее >
КЛАПАН РЕГУЛИРОВКИ ПОЛОЖЕНИЯ КОВША

КЛАПАН РЕГУЛИРОВКИ ПОЛОЖЕНИЯ КОВША

1Артикул: 6630675, VALVE
2Артикул: 6632935, RELIEF VALVE
3Артикул: O-RING, O-RING NSS
Подробнее >
КОМПЛЕКТ СИГНАЛА ЗАДНЕГО ХОДА (СЕРИЙНЫЙ НОМЕР 13182 И ВЫШЕ)

КОМПЛЕКТ СИГНАЛА ЗАДНЕГО ХОДА (СЕРИЙНЫЙ НОМЕР 13182 И ВЫШЕ)

1Артикул: 6703978, KIT
2Артикул: 616334, COVER
3Артикул: 37C512, BOLT Was 7C512 - A
Подробнее >
КОМПЛЕКТ УПЛОТНЕНИЙ ОСИ

КОМПЛЕКТ УПЛОТНЕНИЙ ОСИ

1Артикул: 6568974, KIT Ref. 2-5
2Артикул: 6512114, SEAL Was 6660126 - A
3Артикул: 6631420, SLEEVE
Подробнее >
КОМПЛЕКТ ОПОРЫ СИДЕНЬЯ (НАЖИМНАЯ ПРУЖИНА)

КОМПЛЕКТ ОПОРЫ СИДЕНЬЯ (НАЖИМНАЯ ПРУЖИНА)

1Артикул: 6713853, KIT Ref. 2 - 18 & 21
2Артикул: SEAT, SEAT BAR NLA - Order 6713609 Seat Bar & (2) ea. of Ref. 3, 5, 14 & 15 - 6.88-- (174,8 mm) center of top hole to weld on tab
3Артикул: 6716777, SEAT BAR 6.13-- (155,7 mm) Center Of Top Hole To Weld On Tab - SEE NOTE - Was 6713609 - A
Подробнее >
ПРОЖЕКТОРЫ И КОМПЛЕКТ ИЗМЕРИТЕЛЬНЫХ ПРИБОРОВ (СЕРИЙНЫЙ НОМЕР 11089 И ВЫШЕ)

ПРОЖЕКТОРЫ И КОМПЛЕКТ ИЗМЕРИТЕЛЬНЫХ ПРИБОРОВ (СЕРИЙНЫЙ НОМЕР 11089 И ВЫШЕ)

1Артикул: 6700618, KIT Ref. 2-54
2Артикул: 6557486, LAMP
3Артикул: 6572060, HARNESS
Подробнее >
ОСТАНОВ ПОДЪЕМНОЙ РУКОЯТИ

ОСТАНОВ ПОДЪЕМНОЙ РУКОЯТИ

1Артикул: 6563501, KIT Ref. 2-6 - Was NLA - D
2Артикул: 17C616, BOLT 5
3Артикул: 85D6, NUT, 5
Подробнее >
ОКНА КАБИНЫ (ЗАДНИЙ)

ОКНА КАБИНЫ (ЗАДНИЙ)

1Артикул: KIT, KIT See Illustration CAB WINDOW KIT/ B17739 NLA
2Артикул: 59D4, NUT 5
3Артикул: 84G3112, BOLT 5
Подробнее >
КОМПЛЕКТ ХОМУТОВ ШЛАНГА (НИЖНИЕ ПОДЪЕМНЫЕ РУКОЯТИ)

КОМПЛЕКТ ХОМУТОВ ШЛАНГА (НИЖНИЕ ПОДЪЕМНЫЕ РУКОЯТИ)

1Артикул: 6700168, KIT Ref. 2-5
2Артикул: 17C652, BOLT
3Артикул: 6563353, CLAMP
Подробнее >
ВЕРХНЯЯ ЧАСТЬ БЛОКА ДВИГАТЕЛЯ

ВЕРХНЯЯ ЧАСТЬ БЛОКА ДВИГАТЕЛЯ

1Артикул: 6720747, BLOCK HEATER W/Ref. 2
2Артикул: 6668881, CORD
3Артикул: 6720038ENUS, INSTRUCTIONS Was 6720038 - A
Подробнее >
КОМПЛЕКТ КЛАКСОНОВ (МЕСТНЫЙ И ЕВРОПЕЙСКИЙ) (СЕРИЙНЫЙ НОМЕР 25028 И ВЫШЕ)

КОМПЛЕКТ КЛАКСОНОВ (МЕСТНЫЙ И ЕВРОПЕЙСКИЙ) (СЕРИЙНЫЙ НОМЕР 25028 И ВЫШЕ)

1Артикул: 6703944, HORN KIT Ref. 2-12
2Артикул: 6633498, STA STRAP
3Артикул: 6660294, HORN
Подробнее >
ОДНОТОЧЕЧНЫЙ ПОДЪЕМ

ОДНОТОЧЕЧНЫЙ ПОДЪЕМ

1Артикул: 6568281, KIT Ref. 2-14
2Артикул: 1320075, PIN, COTTER
3Артикул: 6005562, PIN
Подробнее >
КОМПЛЕКТ ТРУБОПРОВОДОВ ОБОГРЕВАТЕЛЯ (PERRIN)

КОМПЛЕКТ ТРУБОПРОВОДОВ ОБОГРЕВАТЕЛЯ (PERRIN)

1Артикул: 6648497, KIT See Illustration HEATER KIT/ B24470 Ref. 2-19
2Артикул: 6648474, ELBOW
3Артикул: 42H10, HOSECLAM5
Подробнее >
КОМПЛЕКТ КЛАПАНА РЕГУЛИРОВКИ ПОЛОЖЕНИЯ КОВША

КОМПЛЕКТ КЛАПАНА РЕГУЛИРОВКИ ПОЛОЖЕНИЯ КОВША

1Артикул: 6568162, KIT Ref. 2-10 - Was SALES - D
2Артикул: 6567053, HOSE
3Артикул: 13K6, TEE
Подробнее >
НАБОР ДЛЯ АРЕНДЫ

НАБОР ДЛЯ АРЕНДЫ

1Артикул: 6567990, KIT Ref. 2-22 - Also order 6565553 Fuel Valve Kit
2Артикул: 6567956, MODULE shut down
3Артикул: 6664886, HOURMETER Was 6631657 - A
Подробнее >
КОМПЛЕКТ ДАТЧИКА УКАЗАТЕЛЯ УРОВНЯ ВОДЫ

КОМПЛЕКТ ДАТЧИКА УКАЗАТЕЛЯ УРОВНЯ ВОДЫ

1Артикул: 6571700, KIT water level sensor - Ref. 2-4
2Артикул: 6632471, WATER SEN Was 6632954 - D
3Артикул: ALARM, ALARM NSS
Подробнее >
ДВЕРЦА КАБИНЫ (С ЛЕВОЙ СТОРОНЫ КРЕПЛЕНИЕ ПЕТЕЛЬ)

ДВЕРЦА КАБИНЫ (С ЛЕВОЙ СТОРОНЫ КРЕПЛЕНИЕ ПЕТЕЛЬ)

1Артикул: 6708973, KIT Door - Ref. 2-4, 6-29, 32-35, 37-43, 45, 48-55, 57, 60 & 61 - Also Order Ref. 59
2Артикул: KIT, KIT SALES - door - special applications - Ref. 4, 5, 7-17, 21, 24-37, 40-51, 54-56, 60 and 61 - Also Order Ref. 59
3Артикул: 30H37, CLAMP
Подробнее >
ЧЕХЛЫ СИДЕНИЙ (СИДЕНЬЕ С ОТДЕЛКОЙ ИЗ ИСКУССТВЕННОЙ КОЖИ)

ЧЕХЛЫ СИДЕНИЙ (СИДЕНЬЕ С ОТДЕЛКОЙ ИЗ ИСКУССТВЕННОЙ КОЖИ)

1Артикул: 7260106, COVER, SEAT See Illustration SEAT/ B14720 - Use W/ 6669135 seat
2Артикул: 7260107, COVER, SEAT HEATED See Illustration SEAT/ B14720 - Use W/ 6669135 seat
Подробнее >
КОРПУС КАБИНЫ (ЧЕХОЛ)

КОРПУС КАБИНЫ (ЧЕХОЛ)

1Артикул: 6565270, VINYL CAB W/Ref. 2-4 - fastens inside of cab W/the use of velcro
2Артикул: 6659303, ENVELOPE - fits over cab
3Артикул: 6599721, DOOR vinyl - W/ hinges
Подробнее >
СИДЕНИЕ (ПОДВЕСКА - GRAMMER)

СИДЕНИЕ (ПОДВЕСКА - GRAMMER)

1Артикул: 6632388, SEAT
2Артикул: 3737010, CUSHION, SEAT seat
3Артикул: 3737081, CUSHION, SEAT BACK VINYL backrest
Подробнее >
СИДЕНЬЕ (ПОДВЕСКА - MILSCO)

СИДЕНЬЕ (ПОДВЕСКА - MILSCO)

1Артикул: 6674019, SEAT Ref. 2-28 - Was 6647432 - A
2Артикул: 6650226, SEAT CUSHION W/Ref. 3
3Артикул: 6650231, CLIP
Подробнее >
ЩЕТКА СТЕКЛООЧИСТИТЕЛЯ

ЩЕТКА СТЕКЛООЧИСТИТЕЛЯ

1Артикул: 6562123, KIT wiper - Ref. 2-14
2Артикул: 1550697, BLADE
3Артикул: 6514850, CLIP
Подробнее >
КОМПЛЕКТ ОПОРЫ СИДЕНЬЯ

КОМПЛЕКТ ОПОРЫ СИДЕНЬЯ

1Артикул: KIT, KIT See Illustration SEAT BAR KIT/ TS1418 & Order 6713853 Seat Bar Kit - Was 6706796 - A
2Артикул: 6631418, RING, RETAINING
3Артикул: 6664207, GAS SPRING
Подробнее >
УСТРОЙСТВО ЗАЖИГАНИЯ БЕЗ КЛЮЧА

УСТРОЙСТВО ЗАЖИГАНИЯ БЕЗ КЛЮЧА

1Артикул: 6712972, KIT Keyless Ignition - W/Ref. 2-8
2Артикул: MODULE, MODULE NSS - Order Ref. 1
3Артикул: 35C410, BOLT 5
Подробнее >
КОМПЛЕКТ ДЕТАЛЕЙ РАБОЧЕГО ОСВЕЩЕНИЯ (СЕРИЙНЫЙ НОМЕР 11115 И НИЖЕ)

КОМПЛЕКТ ДЕТАЛЕЙ РАБОЧЕГО ОСВЕЩЕНИЯ (СЕРИЙНЫЙ НОМЕР 11115 И НИЖЕ)

1Артикул: 6571891, LIGHT KIT work lights - Ref. 2-10
2Артикул: 6558142, HOUSING
3Артикул: 6557486, LAMP
Подробнее >
ОБОГРЕВАТЕЛЬ (PERRIN)

ОБОГРЕВАТЕЛЬ (PERRIN)

1Артикул: 6648466, MOTOR the housing is one solid piece and is 4.5-- long
2Артикул: 6648467, MOUNT
3Артикул: 6648468, FAN
Подробнее >
СТРОБОСКОПЫ (ЯНТАРНЫЙ - 2414 ALW)

СТРОБОСКОПЫ (ЯНТАРНЫЙ - 2414 ALW)

1Артикул: STROBE, STROBE LIGHT See Illustration STROBE LIGHT/ B14104 & Order 6587526 Strobe Light Kit
2Артикул: LENS, LENS NSS - Amber - Was 6659971 - A
3Артикул: LENS, LENS NSS - Blue - Not in kit - Was 6660247 - A
Подробнее >
ОГНЕТУШИТЕЛЬ

ОГНЕТУШИТЕЛЬ

1Артикул: 6569112, KIT fire extinguisher - Ref. 2 - 10
2Артикул: 1908806, EXT AND BRKT fire
3Артикул: 85G1008, SCREW
Подробнее >
ГЕНЕРАТОР ПОД ТОКОМ (30 AMP. MOTOROLA ИЛИ PRESTOLITE)

ГЕНЕРАТОР ПОД ТОКОМ (30 AMP. MOTOROLA ИЛИ PRESTOLITE)

1Артикул: ALTERNATOR, ALTERNATOR See BTI212 - NLA - Ref. 3-29 & 31-48 - Was 6662990 - A
2Артикул: 6630098, ALTERNATOR See BTI212 - Ref. 3-48
3Артикул: 6630098REM, ALTERNATOR See BTI212
Подробнее >
КРУПНОГАБАРИТНЫЕ ПРЕДМЕТЫ (СМОТРИТЕ ПРИМЕЧАНИЕ)

КРУПНОГАБАРИТНЫЕ ПРЕДМЕТЫ (СМОТРИТЕ ПРИМЕЧАНИЕ)

1Артикул: 6902228, PAINT, ORANGE SPRAY CAN 6 original shade
2Артикул: 7305844, PAINT ORANGE SPRAY CAN 6 updated shade
3Артикул: 7251690, PAINT, ORANGE SPRAY CAN 6 original shade - EMEA
Подробнее >
КАСКА С ЗАЩИТОЙ ОТ ШУМА

КАСКА С ЗАЩИТОЙ ОТ ШУМА

1Артикул: 6902390, HARD HAT WHITE Was 6559552 - A
2Артикул: EARMUFFS, EARMUFFS NLA - Use 6902394 - Was 6559775 - A
Подробнее >
НАКЛЕЙКИ

НАКЛЕЙКИ

1Артикул: 6578816, KIT Decal - Ref. 2-12 on this page & Ref. 2-14 on the previous page
2Артикул: 6560573, DECAL spark arrestor
3Артикул: 6561384, DECAL gasoline
Подробнее >
СТРОБОСКОПЫ (ЯНТАРНЫЙ - 3414 ALW)

СТРОБОСКОПЫ (ЯНТАРНЫЙ - 3414 ALW)

1Артикул: KIT, KIT NLA - strobe light - Ref. 2 - 11 - Order 6697795 kit - Was 6587526 - A
2Артикул: 6697795, STROBE KIT Ref. 2-11 - 4200 series light - 12 jewel
3Артикул: AMBER, AMBER LENS NLA - Use W/Ref. 1 (NLA/ 6587526 kit) - Order 6697797 amber lens - Was 6665021 - A
Подробнее >
ПРОБЛЕСКОВЫЕ ФАРЫ

ПРОБЛЕСКОВЫЕ ФАРЫ

1Артикул: 6558076, KIT flasher - Ref. 2 - 5 & 12
2Артикул: 614142, SLEEVE 10
3Артикул: 6515131, TERMINAL
Подробнее >
КОМПЛЕКТ ОКОН КАБИНЫ (ЗАДНИЙ)

КОМПЛЕКТ ОКОН КАБИНЫ (ЗАДНИЙ)

1Артикул: 6568709, KIT rear window
2Артикул: 6701986, WINDOW top
3Артикул: 6658352, MOULDING bulk-sold per foot - Order 8.5- (2590,8 mm)
Подробнее >
КОМПЛЕКТ ОПОРЫ СИДЕНЬЯ (ПЕРЕДНЕЕ ПОЛОЖЕНИЕ НАЖИМНОЙ ПРУЖИНЫ)

КОМПЛЕКТ ОПОРЫ СИДЕНЬЯ (ПЕРЕДНЕЕ ПОЛОЖЕНИЕ НАЖИМНОЙ ПРУЖИНЫ)

1Артикул: 6714285, KIT Ref. 2 - 16 & 20
2Артикул: 6716779, SEAT BAR W/Ref. 15 - Was 6714282 - A
3Артикул: 6710659, BUSHING
Подробнее >