+7 (701) 588 50 05 Телефон для связи
RU

WhatsApp

Позвонить

АКСЕСCУАРЫ И ОПЦИИ в Алматы

КОМПЛЕКТ ГУСЕНИЦ (ИЗ СТАЛИ)

КОМПЛЕКТ ГУСЕНИЦ (ИЗ СТАЛИ)

1Артикул: 7192453, KIT, TRACK STEEL Ref. 2-7
2Артикул: 7013578, ROLLER, TRACK
3Артикул: 7009151, TRACK, STEEL
Подробнее >
ОБОГРЕВАТЕЛЬ И КОНДИЦИОНЕР (ОБОГРЕВАТЕЛЬ В СБОРЕ) (СЕРИЙНЫЙ НОМЕР ARWM11001 - ARWM11999, ASW311001 - ASW311999)

ОБОГРЕВАТЕЛЬ И КОНДИЦИОНЕР (ОБОГРЕВАТЕЛЬ В СБОРЕ) (СЕРИЙНЫЙ НОМЕР ARWM11001 - ARWM11999, ASW311001 - ASW311999)

1Артикул: 7018004, HEATER, CAB Ref. 2-57
2Артикул: 7011125, COIL, HEATER
3Артикул: 7017997, HOUSING, BASE Was 7019997 - D
Подробнее >
КОМПЛЕКТ НАКЛАДОК ГУСЕНИЧНЫХ ЗВЕНЬЕВ

КОМПЛЕКТ НАКЛАДОК ГУСЕНИЧНЫХ ЗВЕНЬЕВ

1Артикул: 7199213, KIT, PAD STREET Ref. 2-5
2Артикул: 7016901, PAD, STREET ASSY W/Ref. 3 & 4
3Артикул: 1EM120, WASHER
Подробнее >
ОЧИСТНОЕ УСТРОЙСТВО

ОЧИСТНОЕ УСТРОЙСТВО

1Артикул: 7011981, MUFFLER, PURIFIER
Подробнее >
БЫСТРОСМЕННАЯ МУФТА КРЕПЛЕНИЯ БОЛТА (АВТОСЦЕПКА И ШАРНИР)

БЫСТРОСМЕННАЯ МУФТА КРЕПЛЕНИЯ БОЛТА (АВТОСЦЕПКА И ШАРНИР)

1Артикул: 7219626, COUPLER, PIN GRABBER Ref. 2-13
2Артикул: 7244324, FRAME
3Артикул: 7031500, WEDGE
Подробнее >
КОПЛЕКТ КОРПУСА АВТОСЦЕПКИ (ДЛИННАЯ РУКОЯТЬ)

КОПЛЕКТ КОРПУСА АВТОСЦЕПКИ (ДЛИННАЯ РУКОЯТЬ)

1Артикул: 7246634, KIT, COUPLER BLOCK Ref. 2-20
2Артикул: 6589699, WASHER
3Артикул: 7246783, BLOCK, COUPLER ASSY W/Ref. 8 & 16-19
Подробнее >
КОМПЛЕКТ УСТРОЙСТВ СИГНАЛИЗАЦИИ ГРУЗОВОГО МОМЕНТА

КОМПЛЕКТ УСТРОЙСТВ СИГНАЛИЗАЦИИ ГРУЗОВОГО МОМЕНТА

1Артикул: 7221264, KIT, ALARM LOAD MOMENT Ref. 2-7
2Артикул: 6682345, STRAP, TIE 8
3Артикул: 7010237, SWITCH, PRESSURE
Подробнее >
КОМПЛЕКТ ВСПОМОГАТЕЛЬНЫХ СОЕДИНИТЕЛЬНЫХ МУФТ РУКОЯТИ

КОМПЛЕКТ ВСПОМОГАТЕЛЬНЫХ СОЕДИНИТЕЛЬНЫХ МУФТ РУКОЯТИ

1Артикул: 7209715, KIT, AUX ARM COUPLER Ref. 2-8
2Артикул: 6589699, WASHER
3Артикул: 7217291, PLATE, MOUNT COUPLER
Подробнее >
КОМПЛЕКТ БАКОВ ДЛЯ ОТСТОЯ ТОПЛИВА

КОМПЛЕКТ БАКОВ ДЛЯ ОТСТОЯ ТОПЛИВА

1Артикул: KIT,, KIT, BOWL FUEL NLA - Order components - Was 7177215 - A
2Артикул: 7167163, BOWL, FUEL W/Ref. 3
3Артикул: 7177212, GASKET
Подробнее >
ЕВРОПЕЙСКОЕ ДОПОЛНИТЕЛЬНОЕ ОБОРУДОВАНИЕ (КОМПЛЕКТ УСТРОЙСТВ УПРАВЛЕНИЯ ТИПА DELUXE)

ЕВРОПЕЙСКОЕ ДОПОЛНИТЕЛЬНОЕ ОБОРУДОВАНИЕ (КОМПЛЕКТ УСТРОЙСТВ УПРАВЛЕНИЯ ТИПА DELUXE)

1Артикул: 7181285, KIT, CONTROL ATTACH Ref. 2-13
2Артикул: 7009046, CONTROLLER, AUX CONTROL
3Артикул: 7010038, JOYSTICK, LH
Подробнее >
КОМПЛЕКТ УСТРОЙСТВ ПАНЕЛИ ИЗМЕРИТЕЛЬНЫХ ПРИБОРОВ ТИПА DELUXE

КОМПЛЕКТ УСТРОЙСТВ ПАНЕЛИ ИЗМЕРИТЕЛЬНЫХ ПРИБОРОВ ТИПА DELUXE

1Артикул: 7240592, KIT, DISPLAY DLX Ref. 2-13
2Артикул: 7000328, ADAPTER, SWITCH IGN
3Артикул: 7023022, SWITCH ROTARY
Подробнее >
ПРАВОСТОРОННИЙ КОМПЛЕКТ ФАР СТРЕЛЫ

ПРАВОСТОРОННИЙ КОМПЛЕКТ ФАР СТРЕЛЫ

1Артикул: 7241205, KIT, BOOM LIGHT Ref. 2-10
2Артикул: 6624289, STRAP, TIE
3Артикул: 7018038, LIGHT
Подробнее >
КОМПЛЕКТ УСТРОЙСТВ ЗАЖИГАНИЯ БЕЗ КЛЮЧА (СЕРИЙНЫЙ НОМЕР ARWM12001 И ВЫШЕ, ASW312001 И ВЫШЕ)

КОМПЛЕКТ УСТРОЙСТВ ЗАЖИГАНИЯ БЕЗ КЛЮЧА (СЕРИЙНЫЙ НОМЕР ARWM12001 И ВЫШЕ, ASW312001 И ВЫШЕ)

1Артикул: 7238484, KIT, IGN KEYLESS Ref. 2-7
2Артикул: 6693712, KEYPAD, PANEL
3Артикул: 7000328, ADAPTER, SWITCH IGN
Подробнее >
БЫСТРОСМЕННАЯ МУФТА КРЕПЛЕНИЯ БОЛТА (КОМПЛЕКТ)

БЫСТРОСМЕННАЯ МУФТА КРЕПЛЕНИЯ БОЛТА (КОМПЛЕКТ)

1Артикул: 7242632, KIT, PIN GRABBER QUICK COUPLER Ref. 2-54
2Артикул: 6624289, STRAP, TIE
3Артикул: 6652521, PLATE
Подробнее >
КОМПЛЕКТ СЛИВОВ КАРТЕРА

КОМПЛЕКТ СЛИВОВ КАРТЕРА

1Артикул: 7245618, KIT, CASE DRAIN Ref. 2-9
2Артикул: 6624289, STRAP, TIE
3Артикул: 7246789, COUPLER FF MALE HTMA See BTI433exc - Was 6667806 - A
Подробнее >
ВЕРХНЯЯ ЧАСТЬ БЛОКА ДВИГАТЕЛЯ

ВЕРХНЯЯ ЧАСТЬ БЛОКА ДВИГАТЕЛЯ

1Артикул: 7188091, KIT, HEATER BLOCK ENG Ref. 2-4
2Артикул: HEATER,, HEATER, BLOCK ENG PLUG SOFT NLA - Order Ref. 1
3Артикул: 7012491, CORD, HEATER BLOCK ENG
Подробнее >
КОМПЛЕКТ УСТРОЙСТВ КОНТРОЛЯ ГЛУБИНЫ (ДЛИННАЯ РУКОТЬ)

КОМПЛЕКТ УСТРОЙСТВ КОНТРОЛЯ ГЛУБИНЫ (ДЛИННАЯ РУКОТЬ)

1Артикул: 7246893, KIT, DEPTH CHECK Ref. 2-22
2Артикул: 6624289, STRAP, TIE
3Артикул: 6693924, MOUNT
Подробнее >
КОМПЛЕКТ ОСВЕЩЕНИЯ ВЕРХНЕЙ ЗАЩИТЫ

КОМПЛЕКТ ОСВЕЩЕНИЯ ВЕРХНЕЙ ЗАЩИТЫ

1Артикул: 7173478, KIT, GUARD LIGHT NLA - Ref. 2-7 - Order 7241225 - Was 7173478 - A
2Артикул: 6577801, LIGHT
3Артикул: 6649478, BULB HOUSING
Подробнее >
РАЗДВИЖНАЯ РУКОЯТЬ (КОМПЛЕКТ) (СЕРИЙНЫЙ НОМЕР ARWM11001 И ВЫШЕ)

РАЗДВИЖНАЯ РУКОЯТЬ (КОМПЛЕКТ) (СЕРИЙНЫЙ НОМЕР ARWM11001 И ВЫШЕ)

1Артикул: 7221750, KIT, ARM EXTENDABLE Ref. 2-23
2Артикул: 6674264, RETAINER NUT
3Артикул: 7143551, SEAL, DUST
Подробнее >
ГУСЕНИЦЫ (ИЗ СТАЛИ)

ГУСЕНИЦЫ (ИЗ СТАЛИ)

1Артикул: 7009151, TRACK, STEEL 400 mm - Ref. 2-9
2Артикул: 7231906, TRACK, STEEL 500 mm - Ref. 2-9 - Asia Pacific Only - 500 mm tracks will extend beyond width of blade
3Артикул: 7012334, PAD, TRACK STEEL 400 mm - quantity shown for 1 track
Подробнее >
КОМПЛЕКТ ВЕРХНЕЙ ЗАЩИТЫ (КАБИНА)

КОМПЛЕКТ ВЕРХНЕЙ ЗАЩИТЫ (КАБИНА)

1Артикул: 7173584, KIT, GUARD CAB Ref. 2-8
2Артикул: 6682492, TRIM bulk - sold per foot
3Артикул: 7173484, GUARD, CAB
Подробнее >
УСТРОЙСТВО УДЕРЖАНИЯ НАГРУЗКИ (СТРЕЛА) (КЛАПАН)

УСТРОЙСТВО УДЕРЖАНИЯ НАГРУЗКИ (СТРЕЛА) (КЛАПАН)

1Артикул: 7013151, VALVE, LOCK LOAD
Подробнее >
ОБОГРЕВАТЕЛЬ И КОНДИЦИОНЕР (ОБОГРЕВАТЕЛЬ В СБОРЕ) (СЕРИЙНЫЙ НОМЕР ARWM12001 И ВЫШЕ, ASW312001 И ВЫШЕ)

ОБОГРЕВАТЕЛЬ И КОНДИЦИОНЕР (ОБОГРЕВАТЕЛЬ В СБОРЕ) (СЕРИЙНЫЙ НОМЕР ARWM12001 И ВЫШЕ, ASW312001 И ВЫШЕ)

1Артикул: 7225425, HEATER, CAB Ref. 2-21
2Артикул: 7222772, CORE, HEATER
3Артикул: 7222770, HOUSING, BASE
Подробнее >
КОМПЛЕКТ ДЕТАЛЕЙ ДЛЯ ОКНА ДОСТУПА

КОМПЛЕКТ ДЕТАЛЕЙ ДЛЯ ОКНА ДОСТУПА

1Артикул: KIT,, KIT, WINDOW ACCESS NLA - Ref. 2-7 - Order Ref. 2, 7 & 8 - Was 7238786 - A
2Артикул: 7235842, DECAL, WINDOW
3Артикул: LATCH,, LATCH, BASE NSS - Order Ref. 7 - Was 7238246 - A
Подробнее >
СМЕННЫЙ (ГИДРАВЛИЧЕСКИЙ) (РАЗДВИЖНАЯ РУКОЯТЬ) (КОМПЛЕКТ)

СМЕННЫЙ (ГИДРАВЛИЧЕСКИЙ) (РАЗДВИЖНАЯ РУКОЯТЬ) (КОМПЛЕКТ)

1Артикул: 7221760, KIT, X-CHANGE HYD EXT Ref. 2-18
2Артикул: 6652521, PLATE
3Артикул: 6664381, CLAMP
Подробнее >
КОМПЛЕКТ СТРОБОСКОПОВ

КОМПЛЕКТ СТРОБОСКОПОВ

1Артикул: 7172974, KIT, STROBE LIGHT Ref. 2-8
2Артикул: 6665317, SWITCH
3Артикул: 7241140, LIGHT, STROBE 4200 Series Light - Was 7219903 - A
Подробнее >
КОМПЛЕКТ ВЕРХНЕЙ ЗАЩИТЫ (КРЫША НАД СИДЕНЬЕМ ВОДИТЕЛЯ)

КОМПЛЕКТ ВЕРХНЕЙ ЗАЩИТЫ (КРЫША НАД СИДЕНЬЕМ ВОДИТЕЛЯ)

1Артикул: 7173308, KIT, GUARD CANOPY Ref. 2-8
2Артикул: 7173483, GUARD, CANOPY
3Артикул: 6682492, TRIM bulk - sold per foot
Подробнее >
ДОПОЛНИТЕЛЬНЫЙ ВСПОМОГАТЕЛЬНЫЙ КОЛЛЕКТОР (BOBCAT) (СЕРИЙНЫЙ НОМЕР ARWM12218 И ВЫШЕ, ASW312380 И ВЫШЕ)

ДОПОЛНИТЕЛЬНЫЙ ВСПОМОГАТЕЛЬНЫЙ КОЛЛЕКТОР (BOBCAT) (СЕРИЙНЫЙ НОМЕР ARWM12218 И ВЫШЕ, ASW312380 И ВЫШЕ)

1Артикул: 7245840, MANIFOLD, HYD ASSY Ref. 2-10
2Артикул: MANIFOLD,, MANIFOLD, HYD ASSY NSS - Order Ref. 1 - Was 7245841
3Артикул: 6680957, VALVE
Подробнее >
ПРАВОСТОРОННИЙ КОМПЛЕКТ КРЫШЕК

ПРАВОСТОРОННИЙ КОМПЛЕКТ КРЫШЕК

1Артикул: 7300135, KIT, COVER RH Ref. 2-22
2Артикул: 6513495, COTTER PIN
3Артикул: 7017782, LATCH, COVER
Подробнее >
ПРЯМОЙ КОМПЛЕКТ БАКОВ

ПРЯМОЙ КОМПЛЕКТ БАКОВ

1Артикул: 7195345, KIT, DIRECT TO TANK Ref. 2-8
2Артикул: 6693507, VALVE, BALL See Illustration SELECTOR VALVE ASSY/ NA2306
3Артикул: 7176915, TUBELINE, HYD
Подробнее >
КОМПЛЕКТ СЛИВОВ КАРТЕРА (ДЛИННАЯ РУКОЯТЬ)

КОМПЛЕКТ СЛИВОВ КАРТЕРА (ДЛИННАЯ РУКОЯТЬ)

1Артикул: 7246567, KIT, CASE DRAIN Ref. 2-6
2Артикул: 7240604, MOUNT
3Артикул: 7246558, HOSE, HYD ASSY
Подробнее >
СМЕННЫЙ (ГИДРАВЛИЧЕСКИЙ) (ОПЦИЯ)

СМЕННЫЙ (ГИДРАВЛИЧЕСКИЙ) (ОПЦИЯ)

1Артикул: 6664381, CLAMP
2Артикул: 6688667, SWITCH
3Артикул: MANIFOLD,, MANIFOLD, HYD ASSY See Illustration X-CHANGE/ NA2303 NLA - delta manifold - Was 7008786 - A
Подробнее >
УСТРОЙСТВО УДЕРЖАНИЯ НАГРУЗКИ (РУКОЯТЬ) (КЛАПАН)

УСТРОЙСТВО УДЕРЖАНИЯ НАГРУЗКИ (РУКОЯТЬ) (КЛАПАН)

1Артикул: 7013152, VALVE, LOCK LOAD
Подробнее >
ОПРЕДЕЛИТЕЛЬ ЧАСТОТЫ РАДИОСИГНАЛА (RFID) (СЕРИЙНЫЙ НОМЕР ARWM11001 - ARWM11999, ASW311001 - ASW311999)

ОПРЕДЕЛИТЕЛЬ ЧАСТОТЫ РАДИОСИГНАЛА (RFID) (СЕРИЙНЫЙ НОМЕР ARWM11001 - ARWM11999, ASW311001 - ASW311999)

1Артикул: KIT,, KIT, RFID NLA - Ref. 2-12 - order components - Was 7176504 - A
2Артикул: 6624289, STRAP, TIE
3Артикул: 7021126, CONTROLLER, RFID
Подробнее >
КОМПЛЕКТ ДЛЯ УСТАНОВКИ ОБТЕКАТЕЛЯ

КОМПЛЕКТ ДЛЯ УСТАНОВКИ ОБТЕКАТЕЛЯ

1Артикул: KIT,, KIT, DEFLECTOR NLA - Order components - Was 7204965 - A
2Артикул: 7202728, LOUVER
3Артикул: 29CM1016, BOLT
Подробнее >
НАКЛЕКИ (ВНУТРЕННИЕ)

НАКЛЕКИ (ВНУТРЕННИЕ)

1Артикул: DECAL,, DECAL, WARNING NLA - Order Ref. 2 - Was 7185932 - A
2Артикул: 7243563, DECAL, WARNING
3Артикул: DECAL,, DECAL, WARNING NLA - Order Ref. 4 - Was 7185933 - A
Подробнее >
КОМПЛЕКТ КОРПУСА АВТОСЦЕПКИ (РАЗДВИЖНАЯ РУКОЯТЬ)

КОМПЛЕКТ КОРПУСА АВТОСЦЕПКИ (РАЗДВИЖНАЯ РУКОЯТЬ)

1Артикул: 7245109, KIT, COUPLER Ref. 2-22
2Артикул: 6624289, STRAP, TIE
3Артикул: 6653493, COVER
Подробнее >
БЫСТРОСМЕННАЯ МУФТА КРЕПЛЕНИЯ БОЛТА (ГИДРАВЛИЧЕСКИЙ) (КОЛЛЕКТОР)

БЫСТРОСМЕННАЯ МУФТА КРЕПЛЕНИЯ БОЛТА (ГИДРАВЛИЧЕСКИЙ) (КОЛЛЕКТОР)

1Артикул: 7275319, MANIFOLD GEITH X CHG Ref. 2-7
2Артикул: 7031569, SPOOL
3Артикул: 7031570, CHECK VALVE
Подробнее >
СМЕННЫЙ (ГИДРАВЛИЧЕСКИЙ КОЛЛЕКТОР) (BOBCAT)

СМЕННЫЙ (ГИДРАВЛИЧЕСКИЙ КОЛЛЕКТОР) (BOBCAT)

1Артикул: 7232524, VALVE, POWER EXCHANGE Ref. 2-12
2Артикул: MANIFOLD,, MANIFOLD, POWER EXCHANGE NSS - Order Ref. 1
3Артикул: 7232596, SEAT, CHECK VALVE
Подробнее >
ОБОГРЕВАТЕЛЬ И КОНДИЦИОНЕР (КОМПЛЕКТ ОТОПИТЕЛЯ) (СЕРИЙНЫЙ НОМЕР ARWM11001 - ARWM11999, ASW311001 - ASW311999)

ОБОГРЕВАТЕЛЬ И КОНДИЦИОНЕР (КОМПЛЕКТ ОТОПИТЕЛЯ) (СЕРИЙНЫЙ НОМЕР ARWM11001 - ARWM11999, ASW311001 - ASW311999)

1Артикул: 7193840, KIT, HEATER Ref. 2-35
2Артикул: 6674264, RETAINER NUT
3Артикул: 7003456, VALVE, MOTORIZED ASSY - Was 6693147 - B
Подробнее >
КОМПЛЕКТ УСТРОЙСТВ ЗАЖИГАНИЯ БЕЗ КЛЮЧА (СЕРИЙНЫЙ НОМЕР ARWM11001 - ARWM11999, ASW311001 - ASW311999)

КОМПЛЕКТ УСТРОЙСТВ ЗАЖИГАНИЯ БЕЗ КЛЮЧА (СЕРИЙНЫЙ НОМЕР ARWM11001 - ARWM11999, ASW311001 - ASW311999)

1Артикул: 7202829, KIT, IGN KEYLESS Ref. 2-6
2Артикул: 6610510, TIE
3Артикул: 6676922, PLUG
Подробнее >
НАБОР ТОЧЕК ПОДЪЕМА

НАБОР ТОЧЕК ПОДЪЕМА

1Артикул: 7242746, KIT, LIFT SINGLE POINT W/ Ref. 2-4
2Артикул: 7231723, LIFT EYE
3Артикул: 51DM10, NUT
Подробнее >
СМЕННЫЙ (ГИДРАВЛИЧЕСКИЙ) (КОМПЛЕКТ)

СМЕННЫЙ (ГИДРАВЛИЧЕСКИЙ) (КОМПЛЕКТ)

1Артикул: 7185291, KIT, X-CHANGE HYD Ref. 2-35
2Артикул: 6664381, CLAMP
3Артикул: 6688667, SWITCH
Подробнее >
КОМПЛЕКТ УСТРОЙСТВ ОСВЕЩЕНИЯ КАБИНЫ

КОМПЛЕКТ УСТРОЙСТВ ОСВЕЩЕНИЯ КАБИНЫ

1Артикул: 7241225, KIT, CAB LIGHT Ref. 2-12
2Артикул: 6624289, STRAP, TIE
3Артикул: 6693924, MOUNT
Подробнее >
ОТКЛЮЧЕНИЕ АККУМУЛЯТОРА (СЕРИЙНЫЙ НОМЕР ASW312001 И ВЫШЕ)

ОТКЛЮЧЕНИЕ АККУМУЛЯТОРА (СЕРИЙНЫЙ НОМЕР ASW312001 И ВЫШЕ)

1Артикул: 6676026, NUT
2Артикул: 7171890, CABLE, NEGATIVE
3Артикул: 7204459, SWITCH, DISCONNECT
Подробнее >
СМЕННЫЙ (ГИДРАВЛИЧЕСКИЙ КОЛЛЕКТОР) (DELTA POWER)

СМЕННЫЙ (ГИДРАВЛИЧЕСКИЙ КОЛЛЕКТОР) (DELTA POWER)

1Артикул: 7008786, MANIFOLD, HYD ASSY Ref. 2-13
2Артикул: 6684743, SOLENOID
3Артикул: 6684744, SOLENOID
Подробнее >
КОМПЛЕКТ УСТРОЙСТВ КОНТРОЛЯ ГЛУБИНЫ (ПРИЕМНИК ЛАЗЕРНЫХ ЛУЧЕЙ И КРОНШТЕЙН)

КОМПЛЕКТ УСТРОЙСТВ КОНТРОЛЯ ГЛУБИНЫ (ПРИЕМНИК ЛАЗЕРНЫХ ЛУЧЕЙ И КРОНШТЕЙН)

1Артикул: 7246898, KIT, MOUNTING BLR2 - Ref. 2-7
2Артикул: 7246902, MOUNT assy
3Артикул: MAGNET, MAGNET ASSY. NSS - Order Ref. 2
Подробнее >
ДОПОЛНИТЕЛЬНЫЙ КОЛЛЕКТОР (JEM TECH) (СЕРИЙНЫЙ НОМЕР ARWM11001 - ARWM12217, ASW311001 - ASW312379)

ДОПОЛНИТЕЛЬНЫЙ КОЛЛЕКТОР (JEM TECH) (СЕРИЙНЫЙ НОМЕР ARWM11001 - ARWM12217, ASW311001 - ASW312379)

1Артикул: 7269473, VALVE, 2ND AUX Ref. 2-15 - Was 7010128 - A
2Артикул: BLOCK,, BLOCK, MANIFOLD NSS
3Артикул: 7010297, SPOOL, VALVE
Подробнее >
ОТКЛЮЧЕНИЕ АККУМУЛЯТОРА (СЕРИЙНЫЙ НОМЕР ARWM11001 - ARWM11999, ASW311001 - ASW311999)

ОТКЛЮЧЕНИЕ АККУМУЛЯТОРА (СЕРИЙНЫЙ НОМЕР ARWM11001 - ARWM11999, ASW311001 - ASW311999)

1Артикул: 6676169, NUT
2Артикул: 7008064, SWITCH, DISCONNECT
3Артикул: 7170060, BRACKET, DISCONNECT
Подробнее >
ИНТЕГРИРОВАННЫЕ СРЕДСТВА ПЕРЕДАЧИ И ОБРАБОТКИ ИНФОРМАЦИИ (UNITED RENTALS) (СЕРИЙНЫЙ НОМЕР ARWM11001 И ВЫШЕ)

ИНТЕГРИРОВАННЫЕ СРЕДСТВА ПЕРЕДАЧИ И ОБРАБОТКИ ИНФОРМАЦИИ (UNITED RENTALS) (СЕРИЙНЫЙ НОМЕР ARWM11001 И ВЫШЕ)

1Артикул: 6690690, STRAP, TIE
2Артикул: 7267352, HARNESS
3Артикул: 7267612, BRACKET includes hardware
Подробнее >
КОМПЛЕКТ ЗЕРКАЛ

КОМПЛЕКТ ЗЕРКАЛ

1Артикул: 7173148, KIT, MIRROR Ref. 2-8
2Артикул: 6684564, HEAD
3Артикул: 6684567, ARM
Подробнее >
КОМПЛЕКТ РАДИО

КОМПЛЕКТ РАДИО

1Артикул: 6988434, KIT, RADIO W/O wireless connectivity - Ref. 2-7 & 11-13 - Also Order Ref. 8 if not already equipped - Was 7173285 - A
2Артикул: 7229098, KIT, RADIO W/ wireless connectivity - Ref. 2-7 & 11-13 - Also Order Ref. 8 if not already equipped
3Артикул: 6988336, RADIO, BOBCAT HEAVY-DUTY MINI W/O wireless connectivity - W/Ref. 6 - Was 7159873 - A
Подробнее >
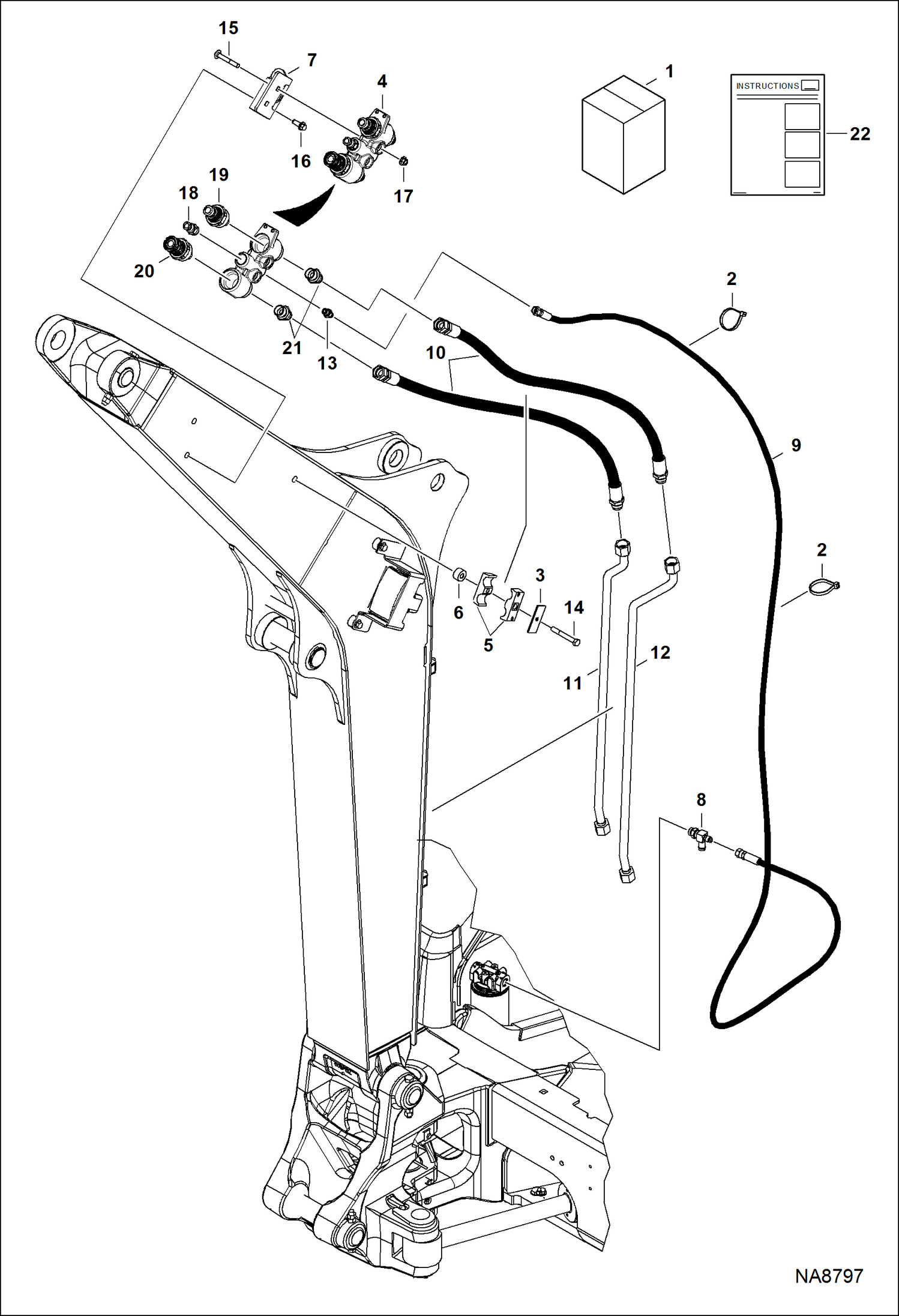
КОМПЛЕКТ УСТРОЙСТВ УДЕРЖАНИЯ НАГРУЗКИ (РУКОЯТЬ)

КОМПЛЕКТ УСТРОЙСТВ УДЕРЖАНИЯ НАГРУЗКИ (РУКОЯТЬ)

1Артикул: 7199460, KIT, LOAD HOLD ARM Ref. 2-25 & 28
2Артикул: 6624289, STRAP, TIE
3Артикул: 6652521, PLATE
Подробнее >
КОМПЛЕКТ УСТРОЙСТВ КОНТРОЛЯ ГЛУБИНЫ (ДЛИННАЯ РУКОТЬ) (С ПОВОРОТНЫМ ОТВАЛОМ)

КОМПЛЕКТ УСТРОЙСТВ КОНТРОЛЯ ГЛУБИНЫ (ДЛИННАЯ РУКОТЬ) (С ПОВОРОТНЫМ ОТВАЛОМ)

1Артикул: 7246892, KIT, DEPTH CHECK Ref. 2-18
2Артикул: 6624289, STRAP, TIE
3Артикул: 6693924, MOUNT
Подробнее >
ПРЕДУПРЕЖДАЮЩИЕ ТАБЛИЧКИ (EMEA БЕЗ ТЕКСТА)

ПРЕДУПРЕЖДАЮЩИЕ ТАБЛИЧКИ (EMEA БЕЗ ТЕКСТА)

1Артикул: 6713507, DECAL stay clear
2Артикул: 7169009, DECAL, STAY CLEAR
3Артикул: 7120573, DECAL engine coolant
Подробнее >
КОМПЛЕКТ ОГНЕТУШИТЕЛЯ

КОМПЛЕКТ ОГНЕТУШИТЕЛЯ

1Артикул: 7268309, KIT, EXTINGUISHER FIRE
2Артикул: 7224664, EXTINGUISHER, FIRE
3Артикул: 7256165, BRACKET, EXTINGUISHER FIRE - Cab
Подробнее >
ИНТЕГРИРОВАННЫЕ СРЕДСТВА ПЕРЕДАЧИ И ОБРАБОТКИ ИНФОРМАЦИИ (HERTZ) (СЕРИЙНЫЙ НОМЕР ARWM11001 И ВЫШЕ)

ИНТЕГРИРОВАННЫЕ СРЕДСТВА ПЕРЕДАЧИ И ОБРАБОТКИ ИНФОРМАЦИИ (HERTZ) (СЕРИЙНЫЙ НОМЕР ARWM11001 И ВЫШЕ)

1Артикул: 6624289, STRAP, TIE
2Артикул: 6678668, STRAP, DUAL TIE
3Артикул: 6690690, STRAP, TIE
Подробнее >
КОМПЛЕКТ РЕМНЕЙ БЕЗОПАСНОСТИ (3 ДЮЙМА)

КОМПЛЕКТ РЕМНЕЙ БЕЗОПАСНОСТИ (3 ДЮЙМА)

1Артикул: KIT,, KIT, SEAT BELT NLA - Order components
2Артикул: 7010428, BELT, SEAT
3Артикул: 6989413ENUS, INSTRUCTIONS - Was 6989413 - A
Подробнее >
ОГНЕТУШИТЕЛЬ

ОГНЕТУШИТЕЛЬ

1Артикул: 7186792, KIT, EXTINGUISHER FIRE Ref. 2-10
2Артикул: 7224664, EXTINGUISHER, FIRE W/Ref. 3 - Was 7168164 - A
3Артикул: BRACKET,, BRACKET, EXTINGUISHER FIRE NSS - 1 clamp
Подробнее >
КОМПЛЕКТ ОСВЕТИТЕЛЬНОГО ОБОРУДОВАНИЯ КРЫШИ НАД СИДЕНЬЕМ ВОДИТЕЛЯ

КОМПЛЕКТ ОСВЕТИТЕЛЬНОГО ОБОРУДОВАНИЯ КРЫШИ НАД СИДЕНЬЕМ ВОДИТЕЛЯ

1Артикул: 7241226, KIT, CANOPY LIGHT Ref. 2-17
2Артикул: 6624289, STRAP, TIE
3Артикул: 6682740, RETAINER, WIRE
Подробнее >
КОПЛЕКТ КОРПУСА АВТОСЦЕПКИ (НЕПОДВИЖНАЯ РУКОЯТЬ)

КОПЛЕКТ КОРПУСА АВТОСЦЕПКИ (НЕПОДВИЖНАЯ РУКОЯТЬ)

1Артикул: 7245108, KIT, COUPLER BLOCK Ref. 2-18
2Артикул: 6624289, STRAP, TIE
3Артикул: 7246783, BLOCK, COUPLER ASSY W/Ref. 10 & 14-17
Подробнее >
НАКЛЕЙКИ НАРУЖНИЕ

НАКЛЕЙКИ НАРУЖНИЕ

1Артикул: 6990002, KIT, DECAL See Illustration DECALS/ NA2604 includes Ref. 2-19 - Also includes Ref. 2-19 on this page
2Артикул: 7186636AR, KIT, DECAL
3Артикул: 7186636BR, KIT, DECAL
Подробнее >
ДОПОЛНИТЕЛЬНЫЙ ВСПОМОГАТЕЛЬНЫЙ КОМПЛЕКТ

ДОПОЛНИТЕЛЬНЫЙ ВСПОМОГАТЕЛЬНЫЙ КОМПЛЕКТ

1Артикул: KIT,, KIT, AUX SECONDARY NLA - Ref. 2-30 & 37 - W/JemTech manifold - Was 7185293
2Артикул: 7265189, KIT, AUX SECONDARY Ref. 2-12, 15-16, & 18-37 - W/Bobcat manifold
3Артикул: 6652521, PLATE
Подробнее >
КОМПЛЕКТ ДЛЯ ОСОБОГО ПРИМЕНЕНИЯ (КАБИНА И КРЫША НАД СИДЕНЬЕМ ВОДИТЕЛЯ)

КОМПЛЕКТ ДЛЯ ОСОБОГО ПРИМЕНЕНИЯ (КАБИНА И КРЫША НАД СИДЕНЬЕМ ВОДИТЕЛЯ)

1Артикул: 7311904, KIT SPECIAL APPLICATION Ref. 2-18
2Артикул: 6668928, LOCK PIN
3Артикул: 6808924, HINGE
Подробнее >
КОМПЛЕКТ МАЯЧКОВ

КОМПЛЕКТ МАЯЧКОВ

1Артикул: 7172554, KIT, BEACON LIGHT Ref. 2-8
2Артикул: 6665317, SWITCH
3Артикул: 6675523, BEACON
Подробнее >
ГУСЕНИЦЫ РЕЗИНОВЫЕ

ГУСЕНИЦЫ РЕЗИНОВЫЕ

1Артикул: 6692960, TRACK, RUBBER (400X74X73) 16-- BOBCAT factory option
2Артикул: 6678826, TRACK, 16--(400X74X73) factory option
3Артикул: 7024957EF, TRACK,RBR(400X74X73) 16IN EF Was 7024957 - A
Подробнее >
СМЕННЫЙ (РЕЕЧНЫЙ ПРИВОД) (КОМПЛЕКТ)

СМЕННЫЙ (РЕЕЧНЫЙ ПРИВОД) (КОМПЛЕКТ)

1Артикул: KIT,, KIT, X-CHANGE PIN-ON SALES #7185281 - Ref. 2-11
2Артикул: 6560382, PIN, LOCK
3Артикул: 6818059, DECAL
Подробнее >
КОМПЛЕКТ УСТРОЙСТВ УДЕРЖАНИЯ НАГРУЗКИ (СТРЕЛА)

КОМПЛЕКТ УСТРОЙСТВ УДЕРЖАНИЯ НАГРУЗКИ (СТРЕЛА)

1Артикул: 7199463, KIT, LOAD HOLD BOOM Ref. 2-21
2Артикул: 7011957, CLAMP, T-BOLT
3Артикул: 7013151, VALVE, LOCK LOAD See Illustration LOAD HOLD/ NA2711
Подробнее >
ОБОГРЕВАТЕЛЬ И КОНДИЦИОНЕР (КОМПЛЕКТ ОТОПИТЕЛЯ) (СЕРИЙНЫЙ НОМЕР ARWM12001 И ВЫШЕ, ASW312001 И ВЫШЕ)

ОБОГРЕВАТЕЛЬ И КОНДИЦИОНЕР (КОМПЛЕКТ ОТОПИТЕЛЯ) (СЕРИЙНЫЙ НОМЕР ARWM12001 И ВЫШЕ, ASW312001 И ВЫШЕ)

1Артикул: 7242729, KIT, HEATER Ref. 2-15, 17-38, 42, 47-52, & 54-56
2Артикул: 6674264, RETAINER NUT
3Артикул: 7003456, VALVE, MOTORIZED ASSY - A
Подробнее >
ЕВРОПЕЙСКОЕ ДОПОЛНИТЕЛЬНОЕ ОБОРУДОВАНИЕ (КОМПЛЕКТ БЫСТРОСМЕННЫХ МУФТ) (СИСТЕМА БЫСТРОЙ ЗАМЕНЫ LEHNHOFF)

ЕВРОПЕЙСКОЕ ДОПОЛНИТЕЛЬНОЕ ОБОРУДОВАНИЕ (КОМПЛЕКТ БЫСТРОСМЕННЫХ МУФТ) (СИСТЕМА БЫСТРОЙ ЗАМЕНЫ LEHNHOFF)

1Артикул: W/Ref., W/Ref. 2-9 - SALES #7190554
2Артикул: COUPLER,, COUPLER, SW03 NLA - Order Ref. 1
3Артикул: 7174312, DECAL
Подробнее >
РАЗДВИЖНАЯ РУКОЯТЬ (УЗЕЛ) (СЕРИЙНЫЙ НОМЕР ARWM11001 И ВЫШЕ)

РАЗДВИЖНАЯ РУКОЯТЬ (УЗЕЛ) (СЕРИЙНЫЙ НОМЕР ARWM11001 И ВЫШЕ)

1Артикул: 6534154, RING
2Артикул: 7246790, COUPLER, FF FEMALE See BTI433exc - Was 6672960 - A
3Артикул: 7246777, COUPLER, FF MALE See BTI433exc - Was 6674688 - A
Подробнее >
КОМПЛЕКТ СИГНАЛИЗАТОРА ДВИЖЕНИЯ

КОМПЛЕКТ СИГНАЛИЗАТОРА ДВИЖЕНИЯ

1Артикул: 7205970, KIT, ALARM MOTION Ref. 2-13
2Артикул: 6624289, STRAP, TIE
3Артикул: 6651512, ALARM, BACK-UP
Подробнее >
ЕВРОПЕСКОЕ ДОПОЛНИТЕЛЬНОЕ ОБОРУДОВАНИЕ (КОМПЛЕКТ БЫСТРОСМЕННЫХ МУФТ) (СИСТЕМА БЫСТРОСЪЕМНЫХ УСТРОЙСТВ KLAC)

ЕВРОПЕСКОЕ ДОПОЛНИТЕЛЬНОЕ ОБОРУДОВАНИЕ (КОМПЛЕКТ БЫСТРОСМЕННЫХ МУФТ) (СИСТЕМА БЫСТРОСЪЕМНЫХ УСТРОЙСТВ KLAC)

1Артикул: KIT,, KIT, QUICK COUPLER W/Ref. 2-9, SALES #7190553
2Артикул: 7020781, SPRING
3Артикул: 6692788, LOCKING PLATE
Подробнее >
ОГНЕТУШИТЕЛЬ (EMEA)

ОГНЕТУШИТЕЛЬ (EMEA)

1Артикул: 7280129, EXTINGUISHER, FIRE
2Артикул: 7281191, BRACKET, EXTINGUISHER FIRE cab
3Артикул: 7281193, BRACKET, EXTINGUISHER FIRE canopy
Подробнее >
КОРПУС КАБИНЫ (ВИНИЛ)

КОРПУС КАБИНЫ (ВИНИЛ)

1Артикул: KIT,, KIT, ENCLOSURE CAB NLA - Order Ref. 2 & 4
2Артикул: 6989240, ENCLOSURE, CAB VINYL W/Ref. 3
3Артикул: 6722597, VELCRO 8229 mm (324--) long
Подробнее >
СМЕННЫЙ (ГИДРАВЛИЧЕСКИЙ) (ШАРНИР, ПОВОРОТНЫЙ МЕХАНИЗМ, СМЕННЫЙ)

СМЕННЫЙ (ГИДРАВЛИЧЕСКИЙ) (ШАРНИР, ПОВОРОТНЫЙ МЕХАНИЗМ, СМЕННЫЙ)

1Артикул: 7236786, LINK, ASSY Ref. 2-9 - Was 7165793 - A
2Артикул: 7115813, BLOCK RUBBER
3Артикул: COVER,, COVER, HOSE NLA - as shown W/tabbed corners - Order (1) each of 7226712 hose cover and Ref. 7 (59CM1060 screw) - Was 7115814 - A
Подробнее >
ОБОГРЕВАТЕЛЬ И КОНДИЦИОНЕР (РЕМКОМПЛЕКТ КОНДИЦИОНЕР) (СЕРИЙНЫЙ НОМЕР ARWM12001 И ВЫШЕ, ASW312001 И ВЫШЕ)

ОБОГРЕВАТЕЛЬ И КОНДИЦИОНЕР (РЕМКОМПЛЕКТ КОНДИЦИОНЕР) (СЕРИЙНЫЙ НОМЕР ARWM12001 И ВЫШЕ, ASW312001 И ВЫШЕ)

1Артикул: 7240334, KIT, A/C Ref. 2-27, & 31
2Артикул: RECEIVER,, RECEIVER, DRIER A/C NLA - not in kit - Order 7286432 - Was 7025095
3Артикул: 7286432, DRIER, A/C ASSY W/Ref. 28-30
Подробнее >