+7 (701) 588 50 05 Телефон для связи
RU

WhatsApp

Позвонить

АКСЕСCУАРЫ И ОПЦИИ в Алматы

КОМПЛЕКТ КЛАКСОНОВ

КОМПЛЕКТ КЛАКСОНОВ

1Артикул: 6703944, HORN KIT Ref. 2-12
2Артикул: 6633498, STA STRAP
3Артикул: 6660294, HORN
Подробнее >
КЛАПАН РЕГУЛИРОВКИ ПОЛОЖЕНИЯ КОВША

КЛАПАН РЕГУЛИРОВКИ ПОЛОЖЕНИЯ КОВША

1Артикул: 6630675, VALVE
2Артикул: 6632935, RELIEF VALVE
3Артикул: O-RING, O-RING NSS
Подробнее >
КОМПЛЕКТ ТРУБОПРОВОДОВ ОБОГРЕВАТЕЛЯ (PERRIN)

КОМПЛЕКТ ТРУБОПРОВОДОВ ОБОГРЕВАТЕЛЯ (PERRIN)

1Артикул: 6648497, KIT See Illustration HEATER KIT/ B24470 Ref. 2-13 & 19
2Артикул: 6648474, ELBOW
3Артикул: 42H10, HOSECLAM5
Подробнее >
НАКЛЕЙКИ

НАКЛЕЙКИ

1Артикул: 6578816, KIT See Illustration DECALS/ B17849 DECAL - Ref. 2-13 & Ref. 2-15
2Артикул: 6560573, DECAL spark arrestor
3Артикул: 6589739, DECAL diesel fuel - Was 6561379 - A
Подробнее >
УСТРОЙСТВО ЗАЖИГАНИЯ БЕЗ КЛЮЧА

УСТРОЙСТВО ЗАЖИГАНИЯ БЕЗ КЛЮЧА

1Артикул: 6712972, KIT Keyless ignition - W/Ref. 2 - 8
2Артикул: MODULE, MODULE NSS - Order Ref. 1
3Артикул: 35C410, BOLT 5
Подробнее >
ОБОГРЕВАТЕЛЬ (КРАСНАЯ ТОЧКА ЦЕЛЕУКАЗАТЕЛЯ)

ОБОГРЕВАТЕЛЬ (КРАСНАЯ ТОЧКА ЦЕЛЕУКАЗАТЕЛЯ)

1Артикул: 6599355, HEATER Ref. 2-9
2Артикул: 6630981, MOUNT
3Артикул: 6630982, BLOWER WHEEL
Подробнее >
СИДЕНЬЕ (ПОДВЕСКА - MILSCO)

СИДЕНЬЕ (ПОДВЕСКА - MILSCO)

1Артикул: SEAT, SEAT NLA - Ref. 2-28 - Order 6674019 - Was 6647432 - A
2Артикул: 6650226, SEAT CUSHION W/Ref. 3
3Артикул: 6650231, CLIP
Подробнее >
КОМПЛЕКТ ПОДОГРЕВАТЕЛЯ БАКА (120 ВОЛЬТ)

КОМПЛЕКТ ПОДОГРЕВАТЕЛЯ БАКА (120 ВОЛЬТ)

1Артикул: 6720418, KIT
2Артикул: 6647888, HEATER
3Артикул: 666866, FITTING
Подробнее >
РЕМНИ БЕЗОПАСНОСТИ (3-- ШИРОКИЕ)

РЕМНИ БЕЗОПАСНОСТИ (3-- ШИРОКИЕ)

1Артикул: 6703640, KIT W/Ref. 2-5 & 7-9
2Артикул: 6703703, GUIDE
3Артикул: 6630207, RIVET 5 Was 6512797 - A
Подробнее >
DELUXE КОМПЛЕКТ ДЕТАЛЕЙ ДЛЯ ВНУТРЕННЕЙ ОБИВКИ (СЕРИЙНЫЙ НОМЕР 20001 И ВЫШЕ)

DELUXE КОМПЛЕКТ ДЕТАЛЕЙ ДЛЯ ВНУТРЕННЕЙ ОБИВКИ (СЕРИЙНЫЙ НОМЕР 20001 И ВЫШЕ)

1Артикул: KIT, KIT SALES - Ref. 2-10
2Артикул: 6565373, INSULATION headliner - window opening has 3 sides of insulation
3Артикул: 6706553, INSULATION headliner - window opening surrounded by insulation
Подробнее >
КОМПЛЕКТ ОБОГРЕВАТЕЛЕЙ (КРАСНАЯ ТОЧКА ЦЕЛЕУКАЗАТЕЛЯ)

КОМПЛЕКТ ОБОГРЕВАТЕЛЕЙ (КРАСНАЯ ТОЧКА ЦЕЛЕУКАЗАТЕЛЯ)

1Артикул: KIT, KIT NLA - heater - Ref. 2-10 - Order 6648496 Kit - See Ill. HEATER KIT B24470 - See Ill. HEATER PLUMBING KIT B17828 - A
2Артикул: 6515521, SWITCH
3Артикул: 6564518, WIRE
Подробнее >
КАСКА С ЗАЩИТОЙ ОТ ШУМА

КАСКА С ЗАЩИТОЙ ОТ ШУМА

1Артикул: 6902390, HARD HAT WHITE Was 6559552 - A
2Артикул: EARMUFFS, EARMUFFS NLA - Use 6902394 - Was 6559775 - A
Подробнее >
КОРПУС КАБИНЫ (СПЕЦИАЛЬНЫЕ ПРИЛОЖЕНИЯ)

КОРПУС КАБИНЫ (СПЕЦИАЛЬНЫЕ ПРИЛОЖЕНИЯ)

1Артикул: KIT, KIT See Illustration CAB DOOR/ TS1243 NLA - Ref. 2-62 - WAS SALES - A
2Артикул: 6658352, MOULDING bulk - sold per foot
3Артикул: 6554149, CORD, BULK/FT bulk - sold per foot - Also Order Ref. 4 (6731478 exit tag)
Подробнее >
КОМПЛЕКТ ОПОРЫ СИДЕНЬЯ

КОМПЛЕКТ ОПОРЫ СИДЕНЬЯ

1Артикул: KIT, KIT See Illustration SEAT BAR KIT/ TS1418 NLA - SEAT BAR - Ref. 2-15 -ORDER 6713853 SEAT BAR LOT - WAS 6706796 - A
2Артикул: 6631418, RING, RETAINING
3Артикул: 6664207, GAS SPRING
Подробнее >
КРУПНОГАБАРИТНЫЕ ПРЕДМЕТЫ (СМОТРИТЕ ПРИМЕЧАНИЕ)

КРУПНОГАБАРИТНЫЕ ПРЕДМЕТЫ (СМОТРИТЕ ПРИМЕЧАНИЕ)

1Артикул: 6902228, PAINT, ORANGE SPRAY CAN 6 original shade
2Артикул: 7305844, PAINT ORANGE SPRAY CAN 6 updated shade
3Артикул: 7251690, PAINT, ORANGE SPRAY CAN 6 original shade - EMEA
Подробнее >
КАБИНА ОПЕРАТОРА ТИПА DELUXE

КАБИНА ОПЕРАТОРА ТИПА DELUXE

1Артикул: CAB, CAB SALES - Ref. 2-26 & 44-46
2Артикул: 6576494, INSULATION
3Артикул: 6565373, INSULATION headliner - window opening has 3 sides of insulation
Подробнее >
КОМПЛЕКТ ОПОРЫ СИДЕНЬЯ (НАЖИМНАЯ ПРУЖИНА)

КОМПЛЕКТ ОПОРЫ СИДЕНЬЯ (НАЖИМНАЯ ПРУЖИНА)

1Артикул: 6713853, KIT Ref. 2 - 18 & 21
2Артикул: SEAT, SEAT BAR NLA - Order 6716777 Seat Bar & (2) ea. of Ref. 3, 5, 14 & 15 - 6.88-- (174,8 mm) center of top hole to weld on tab - See Note - Was 6710661 - A
3Артикул: 6716777, SEAT BAR 6.13-- (155,7 mm) center of top hole to weld tab - See Note - Was 6713609 - A
Подробнее >
ГЕНЕРАТОР ПОД ТОКОМ (30 AMP. MOTOROLA ИЛИ PRESTOLITE)

ГЕНЕРАТОР ПОД ТОКОМ (30 AMP. MOTOROLA ИЛИ PRESTOLITE)

1Артикул: ALTERNATOR, ALTERNATOR See BTI212 - NLA - Ref. 3-29 & 31-48 - Was 6662990 - A
2Артикул: 6630098, ALTERNATOR See BTI212 - Ref. 3-48
3Артикул: 6630098REM, ALTERNATOR See BTI212
Подробнее >
ШИНЫ И ДИСКИ

ШИНЫ И ДИСКИ

1Артикул: TIRE, TIRE NLA - nylon, 4 Ply Rating, 5.70 x 15 Bar Lug - Goodyear - purchase locally - Was 6551894 - A
2Артикул: TIRE, TIRE NLA - 6 Ply Rating, 8.50 x 15-Goodyear - Order 6729895 - Was 6700002 - A
3Артикул: TIRE, TIRE NLA - 4 Ply Rating, 8.50 x 15 Super Traction - Firestone - Order 6729895 - Was 6559160 - A
Подробнее >
КОМПЛЕКТ КЛАПАНА РЕГУЛИРОВКИ ПОЛОЖЕНИЯ КОВША

КОМПЛЕКТ КЛАПАНА РЕГУЛИРОВКИ ПОЛОЖЕНИЯ КОВША

1Артикул: 6568162, KIT Ref. 2-10
2Артикул: 6567053, HOSE
3Артикул: 13K6, TEE
Подробнее >
ФУНКЦИЯ ШУМОПОГЛОЩЕНИЯ

ФУНКЦИЯ ШУМОПОГЛОЩЕНИЯ

1Артикул: 6565380, INSULATION steering lever panel
2Артикул: 6579418, INSULATION cab
3Артикул: 6579422, INSULATION panel
Подробнее >
КОМПЛЕКТ ДАТЧИКА УКАЗАТЕЛЯ УРОВНЯ ВОДЫ

КОМПЛЕКТ ДАТЧИКА УКАЗАТЕЛЯ УРОВНЯ ВОДЫ

1Артикул: 6571700, KIT water level sensor - Ref. 2-4
2Артикул: 6632471, WATER SEN Was 6632954 - D
3Артикул: ALARM, ALARM NSS
Подробнее >
КОМПЛЕКТ ЗАЩИТНЫХ СЕТОК ОТ НАСЕКОМЫХ

КОМПЛЕКТ ЗАЩИТНЫХ СЕТОК ОТ НАСЕКОМЫХ

1Артикул: KIT, KIT NLA - insect screen - Ref. 2-4 - Was 6571597 - A
2Артикул: SCREEN, SCREEN NLA - insect - R.H. - Was 6569935 - A
3Артикул: SCREEN, SCREEN NLA - insect - L.H. - Was 6569936 - A
Подробнее >
КОМПЛЕКТ ТРУБОПРОВОДОВ ОБОГРЕВАТЕЛЯ (КРАСНАЯ ТОЧКА ЦЕЛЕУКАЗАТЕЛЯ)

КОМПЛЕКТ ТРУБОПРОВОДОВ ОБОГРЕВАТЕЛЯ (КРАСНАЯ ТОЧКА ЦЕЛЕУКАЗАТЕЛЯ)

1Артикул: KIT, KIT NLA - Ref. 2-13 - Order 6648497 Kit - See Ill. C2707 for Heater Kit - See Ill. D1595 for Heater Plumbing Kit - Was 6564520 - A
2Артикул: 42H10, HOSECLAM5
3Артикул: 1529656, HOSE bulk - sold per foot
Подробнее >
КОПЛЕКТ ОБОГРЕВАТЕЛЯ (PERRIN)

КОПЛЕКТ ОБОГРЕВАТЕЛЯ (PERRIN)

1Артикул: 6648496, KIT W/Ref. 2-11 - See Ill. HEATER PLUMBING KIT D1595
2Артикул: 6515521, SWITCH
3Артикул: 6703041, WIRE Was 6648457 - A
Подробнее >
СИГНАЛ ЗАДНЕГО ХОДА

СИГНАЛ ЗАДНЕГО ХОДА

1Артикул: KIT, KIT NLA - back-up alarm - Order components - Ref. 2-19 - Was 6569839 - A
2Артикул: 30H31, CLAMP 10
3Артикул: 616334, COVER
Подробнее >
КОРПУС КАБИНЫ (ВИНИЛ)

КОРПУС КАБИНЫ (ВИНИЛ)

1Артикул: 6565270, VINYL CAB W/Ref. 2-4 - fastens inside of cab W/the use of velcro
2Артикул: 6659303, ENVELOPE W/Ref. 2 - fits over cab
3Артикул: 6599721, DOOR vinyl - W/ hinges
Подробнее >
КОМПЛЕКТ ОПОРЫ СИДЕНЬЯ (ПЕРЕДНЕЕ ПОЛОЖЕНИЕ НАЖИМНОЙ ПРУЖИНЫ)

КОМПЛЕКТ ОПОРЫ СИДЕНЬЯ (ПЕРЕДНЕЕ ПОЛОЖЕНИЕ НАЖИМНОЙ ПРУЖИНЫ)

1Артикул: 6714285, KIT Ref. 2 - 16 & 20
2Артикул: 6716779, SEAT BAR W/Ref. 15 - Was 6714282 - A
3Артикул: 6710659, BUSHING
Подробнее >
ОГНЕТУШИТЕЛЬ

ОГНЕТУШИТЕЛЬ

1Артикул: 6569112, KIT fire extinguisher - Ref. 2-10
2Артикул: 1908806, EXT AND BRKT fire
3Артикул: 85G1008, SCREW
Подробнее >
КОМПЛЕКТ ХОМУТОВ ШЛАНГА (НИЖНИЕ ПОДЪЕМНЫЕ РУКОЯТИ)

КОМПЛЕКТ ХОМУТОВ ШЛАНГА (НИЖНИЕ ПОДЪЕМНЫЕ РУКОЯТИ)

1Артикул: 6700168, KIT Ref. 2-5
2Артикул: 17C652, BOLT
3Артикул: 6563353, CLAMP
Подробнее >
ЧЕХЛЫ СИДЕНИЙ (СИДЕНЬЕ С ОТДЕЛКОЙ ИЗ ИСКУССТВЕННОЙ КОЖИ)

ЧЕХЛЫ СИДЕНИЙ (СИДЕНЬЕ С ОТДЕЛКОЙ ИЗ ИСКУССТВЕННОЙ КОЖИ)

1Артикул: 7260106, COVER, SEAT See Illustration SEAT/ B14720 - Use W/ 6669135 seat
2Артикул: 7260107, COVER, SEAT HEATED See Illustration SEAT/ B14720 - Use W/ 6669135 seat
Подробнее >
СИДЕНИЕ (ПОДВЕСКА - GRAMMER)

СИДЕНИЕ (ПОДВЕСКА - GRAMMER)

1Артикул: 6632388, SEAT
2Артикул: 3737010, CUSHION, SEAT seat
3Артикул: 3737081, CUSHION, SEAT BACK VINYL backrest
Подробнее >
ПРОБЛЕСКОВЫЕ ФАРЫ

ПРОБЛЕСКОВЫЕ ФАРЫ

1Артикул: 6558076, KIT flasher - Ref. 2 - 12
2Артикул: 614142, SLEEVE 10
3Артикул: 6515131, TERMINAL
Подробнее >
КОМПЛЕКТ ВСПОМОГАТЕЛЬНОЙ ГИДРАВЛИКИ

КОМПЛЕКТ ВСПОМОГАТЕЛЬНОЙ ГИДРАВЛИКИ

1Артикул: 6711827, KIT aux. hyd. - Ref. 2 - 28
2Артикул: 6711777, TUBE
3Артикул: 6711776, TUBE
Подробнее >
КОМПЛЕКТ КЛАПАНОВ ДЛЯ ВПУСКА ТОПЛИВА

КОМПЛЕКТ КЛАПАНОВ ДЛЯ ВПУСКА ТОПЛИВА

1Артикул: 6565553, KIT fuel valve - Ref. 2-11
2Артикул: 42HS04, CLAMP, HOSE Was 6515575 - A
3Артикул: 6505813, CONNECTOR For 1/4-- I.D. Hose
Подробнее >
КОМПЛЕКТ УПЛОТНЕНИЙ ОСИ

КОМПЛЕКТ УПЛОТНЕНИЙ ОСИ

1Артикул: 6568974, KIT Ref. 2-5
2Артикул: 6512114, SEAL Was 6660126 - A
3Артикул: 6631420, SLEEVE
Подробнее >
СТРОБОСКОПЫ (ЯНТАРНЫЙ - 2414 ALW)

СТРОБОСКОПЫ (ЯНТАРНЫЙ - 2414 ALW)

1Артикул: KIT, KIT See Illustration STROBE LIGHT/ B14104 NLA - STROBE LIGHT - Ref. 2 - 13 - ORDER 6587526 STROBE LIGHT KIT
2Артикул: LENS, LENS NSS - amber - Was 6659971 - A
3Артикул: LENS, LENS NSS - blue - Was 6660247 - A
Подробнее >
ОКНА КАБИНЫ

ОКНА КАБИНЫ

1Артикул: 6706993, KIT, WINDOW SIDE Ref. 2-19
2Артикул: 6513152, SEAL bulk - sold per foot
3Артикул: 6661689, TRACK LH
Подробнее >
ОСТАНОВ ПОДЪЕМНОЙ РУКОЯТИ

ОСТАНОВ ПОДЪЕМНОЙ РУКОЯТИ

1Артикул: 6563501, KIT Ref. 2-7
2Артикул: 17C616, BOLT 5
3Артикул: 85D6, NUT, 5
Подробнее >
КОМПЛЕКТ ДЕТАЛЕЙ РАБОЧЕГО ОСВЕЩЕНИЯ

КОМПЛЕКТ ДЕТАЛЕЙ РАБОЧЕГО ОСВЕЩЕНИЯ

1Артикул: 6571891, LIGHT KIT
2Артикул: 6558142, HOUSING
3Артикул: 6557486, LAMP
Подробнее >
НАБОР ДЛЯ АРЕНДЫ

НАБОР ДЛЯ АРЕНДЫ

1Артикул: 6567990, KIT Ref. 2-22 - Also order 6565553 Fuel Valve Kit
2Артикул: 6567956, MODULE shut down
3Артикул: 6664886, HOURMETER Was 6631657 - A
Подробнее >
КОМПЛЕКТ ОКОН КАБИНЫ (ЗАДНИЙ)

КОМПЛЕКТ ОКОН КАБИНЫ (ЗАДНИЙ)

1Артикул: 6568709, KIT rear window
2Артикул: 6701986, WINDOW top
3Артикул: 6658352, MOULDING bulk-sold per foot - Order 8.5- (2590,8 mm)
Подробнее >
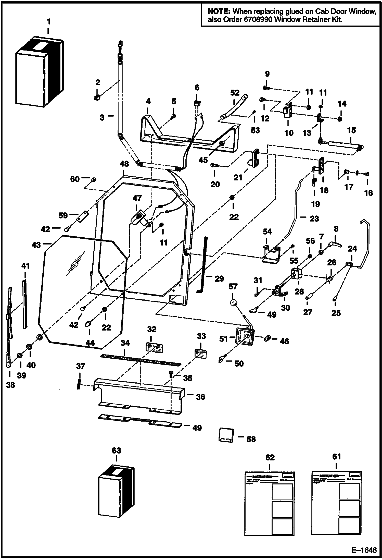
ДВЕРЦА КАБИНЫ (ЛЕВОСТОРОННЯЯ ПРИКРЕПЛЯЕТЬСЯ НА ПЕТЛЯХ)

ДВЕРЦА КАБИНЫ (ЛЕВОСТОРОННЯЯ ПРИКРЕПЛЯЕТЬСЯ НА ПЕТЛЯХ)

1Артикул: 6708973, KIT door - Ref. 2-4, 6-29, 32-35, 37-43, 45, 48-57 & 64 - Does not include Shield Kit Ref. 58
2Артикул: KIT, KIT SALES - door - special applications - Ref. 4, 5, 7-17, 21, 24-37, 40, 51, 54 - 56 & 60 - Also Order Ref. 58
3Артикул: 30H37, CLAMP
Подробнее >
ОБОГРЕВАТЕЛЬ (PERRIN)

ОБОГРЕВАТЕЛЬ (PERRIN)

1Артикул: 6648466, MOTOR the housing is one solid piece and is 4.5-- long
2Артикул: 6648467, MOUNT
3Артикул: 6648468, FAN
Подробнее >
ОДНОТОЧЕЧНЫЙ ПОДЪЕМ

ОДНОТОЧЕЧНЫЙ ПОДЪЕМ

1Артикул: 6568281, KIT Ref. 6-4
2Артикул: 1320075, PIN, COTTER
3Артикул: 6005562, PIN
Подробнее >
ЩЕТКА СТЕКЛООЧИСТИТЕЛЯ

ЩЕТКА СТЕКЛООЧИСТИТЕЛЯ

1Артикул: 6562123, KIT wiper - Ref. 2-14
2Артикул: 1744552, ARM Was 852454B - A
3Артикул: 1550697, BLADE
Подробнее >
СТРОБОСКОПЫ (ЯНТАРНЫЙ - 3414 ALW)

СТРОБОСКОПЫ (ЯНТАРНЫЙ - 3414 ALW)

1Артикул: KIT, KIT NLA - strobe light - Ref. 2 - 11 - Order 6697795 kit - Was 6587526 - A
2Артикул: 6697795, STROBE KIT Ref. 2-11 - 4200 series light - 12 jewel
3Артикул: AMBER, AMBER LENS NLA - Use W/Ref. 1 (NLA/ 6587526 kit) - Order 6697797 amber lens - Was 6665021 - A
Подробнее >
ГЕНЕРАТОР ПОД ТОКОМ (DELCO)

ГЕНЕРАТОР ПОД ТОКОМ (DELCO)

1Артикул: KIT, KIT NLA - Order Ref. 2-6
2Артикул: ALTERNATOR, ALTERNATOR NLA - Order 6599740REM - Was 6599740 - A
3Артикул: 6510596, CONNECTOR
Подробнее >
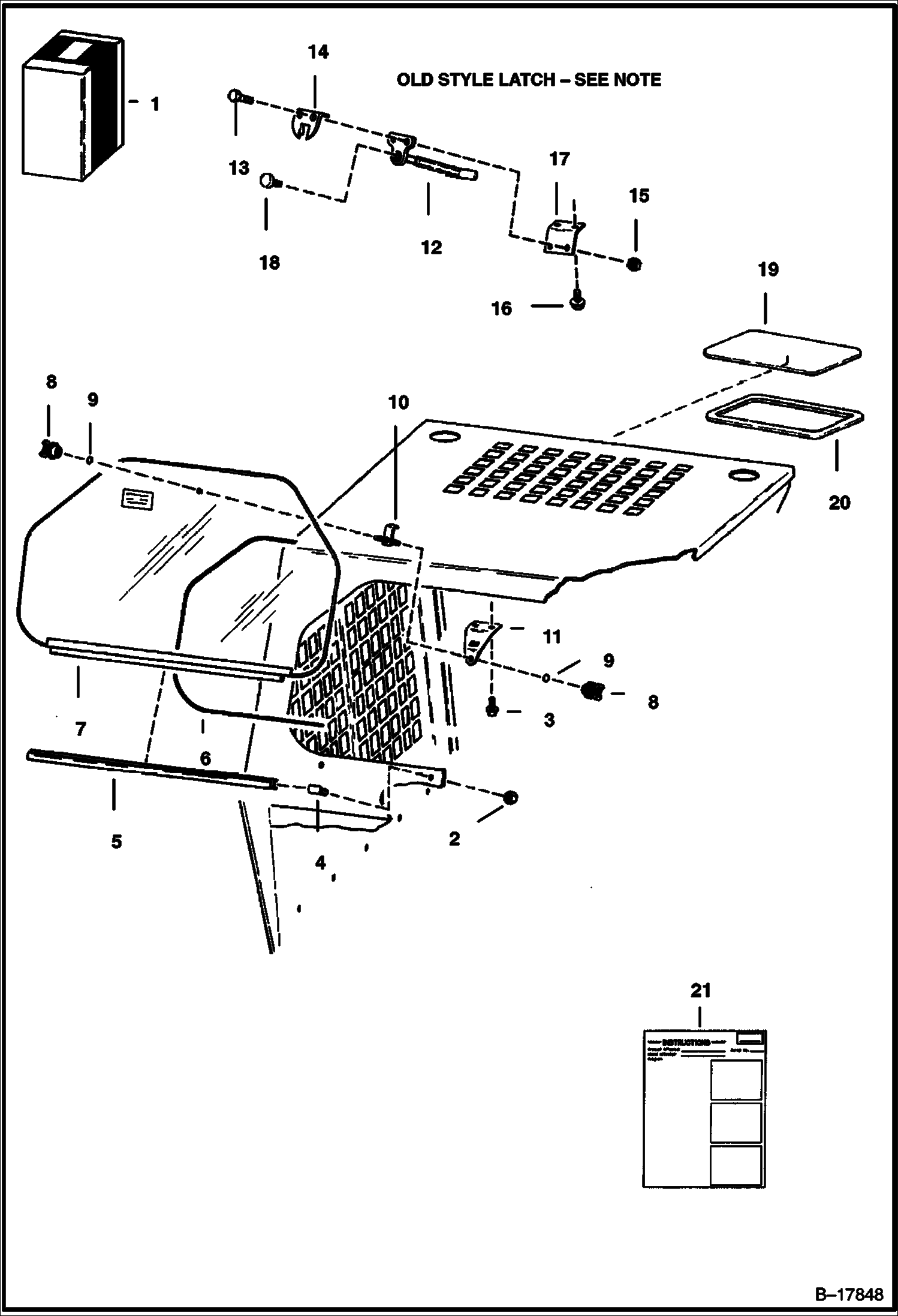
ОКНА КАБИНЫ (ЗАДНИЙ И ВЕРХНИЙ)

ОКНА КАБИНЫ (ЗАДНИЙ И ВЕРХНИЙ)

1Артикул: KIT, KIT NLA - Old style latch Ref. 12 can be replaced by new style latch
2Артикул: 59D4, NUT 5
3Артикул: 84G3112, BOLT 5
Подробнее >
ВЕРХНЯЯ ЧАСТЬ БЛОКА ДВИГАТЕЛЯ

ВЕРХНЯЯ ЧАСТЬ БЛОКА ДВИГАТЕЛЯ

1Артикул: 6720808, KIT, HEATER ENG BLOCK Ref. 2-4
2Артикул: 19F12, BUSHING
3Артикул: 7021791, CORD, HEATER BLOCK ENG
Подробнее >
ДВЕРЦА КАБИНЫ ПРАВОСТОРОННЯЯ ПРИКРЕПЛЯЕТЬСЯ НА ПЕТЛЯХ

ДВЕРЦА КАБИНЫ ПРАВОСТОРОННЯЯ ПРИКРЕПЛЯЕТЬСЯ НА ПЕТЛЯХ

1Артикул: KIT, KIT NLA - Cab Door-Ref. 2-61 - Order 6708973 Door Kit, 6709934 Shield Kit & 6708225 Harness - Was 6571845 - A
2Артикул: 30H37, CLAMP
3Артикул: 6568739, HARNESS
Подробнее >