+7 (701) 588 50 05 Телефон для связи
RU

WhatsApp

Позвонить

АКСЕСCУАРЫ И ОПЦИИ в Алматы

ВЫКЛЮЧЕНИЕ ПОДАЧИ ТОПЛИВА

ВЫКЛЮЧЕНИЕ ПОДАЧИ ТОПЛИВА

1Артикул: 6559893, KIT fuel shut-off - Ref. 2 - 13 NLA order components
2Артикул: 6559118, HOSE
3Артикул: TUBE, TUBE NLA - Was 6559151 - A
Подробнее >
ВЕРХНЯЯ ЧАСТЬ БЛОКА ДВИГАТЕЛЯ

ВЕРХНЯЯ ЧАСТЬ БЛОКА ДВИГАТЕЛЯ

1Артикул: 6720747, BLOCK HEATER W/Ref. 2 - installed on left side of engine - Was 6647897 - A
2Артикул: 6668881, CORD
3Артикул: 6720038ENUS, INSTRUCTIONS Was 6720038 - A
Подробнее >
СТРАХОВОЧНЫЕ ПОРУЧНИ

СТРАХОВОЧНЫЕ ПОРУЧНИ

1Артикул: 6561371, KIT Ref. 2 - 4
2Артикул: 17C512, BOLT 5
3Артикул: 6558504, HANDLE
Подробнее >
СОЕДИНИТЕЛЬ ПУЧКА ПРОВОДОВ

СОЕДИНИТЕЛЬ ПУЧКА ПРОВОДОВ

1Артикул: KIT, KIT See BTI182 NLA - connector - W/Ref. 2-4 - Was 6563326 - A
2Артикул: CONNECTOR, CONNECTOR NLA - Was 6563325 - A
3Артикул: DECAL, DECAL NLA - Was 6566242 - A
Подробнее >
КОМПЛЕКТ КЛАПАНОВ ВОЗДУХООЧИСТИТЕЛЯ

КОМПЛЕКТ КЛАПАНОВ ВОЗДУХООЧИСТИТЕЛЯ

1Артикул: 6560193, KIT Ref. 2 & 3
2Артикул: 946860, BAFFEL
3Артикул: 3493788, CUP
Подробнее >
ЩЕТКА СТЕКЛООЧИСТИТЕЛЯ

ЩЕТКА СТЕКЛООЧИСТИТЕЛЯ

1Артикул: 6562123, KIT wiper - Ref. 2 - 14
2Артикул: 1550697, BLADE wiper
3Артикул: 6514850, CLIP
Подробнее >
ОГНЕТУШИТЕЛЬ

ОГНЕТУШИТЕЛЬ

1Артикул: 6569112, KIT fire extinguisher - Ref. 2-10
2Артикул: 1908806, EXT AND BRKT fire
3Артикул: 85G1008, SCREW
Подробнее >
КАСКА С ЗАЩИТОЙ ОТ ШУМА

КАСКА С ЗАЩИТОЙ ОТ ШУМА

1Артикул: 6902390, HARD HAT WHITE Was 6559552 - A
2Артикул: EARMUFFS, EARMUFFS NLA - Use 6902394 - Was 6559775 - A
Подробнее >
ПРОБЛЕСКОВЫЕ ФАРЫ

ПРОБЛЕСКОВЫЕ ФАРЫ

1Артикул: 6558076, KIT flasher - Ref. 2-4, 11 & 12
2Артикул: 614142, SLEEVE 10
3Артикул: 6515131, TERMINAL
Подробнее >
ОСТАНОВ ПОДЪЕМНОЙ РУКОЯТИ

ОСТАНОВ ПОДЪЕМНОЙ РУКОЯТИ

1Артикул: 6563501, KIT Ref. 2 - 5, 7 & 8 - Was NLA - D
2Артикул: 6563449, STOP W/Ref. 5
3Артикул: 17C616, BOLT 5
Подробнее >
КОМПЛЕКТ СТРОБОСКОПОВ (ЯНТАРНЫЙ - 3414ALW)

КОМПЛЕКТ СТРОБОСКОПОВ (ЯНТАРНЫЙ - 3414ALW)

1Артикул: KIT, KIT NLA - strobe light - Ref. 2 - 11 - Order 6697795 kit - Was 6587526 - A
2Артикул: 6697795, STROBE KIT Ref. 2-11 - 4200 series light - 12 jewel
3Артикул: AMBER, AMBER LENS NLA - Use W/Ref. 1 (NLA/ 6587526 kit) - Order 6697797 amber lens - Was 6665021 - A
Подробнее >
КОМПЛЕКТ УПЛОТНЕНИЙ ОСИ

КОМПЛЕКТ УПЛОТНЕНИЙ ОСИ

1Артикул: 6568974, KIT Ref. 2 - 5
2Артикул: 6512114, SEAL Was 6660126 - B
3Артикул: 6631420, SLEEVE
Подробнее >
КРУПНОГАБАРИТНЫЕ ПРЕДМЕТЫ (СМОТРИТЕ ПРИМЕЧАНИЕ)

КРУПНОГАБАРИТНЫЕ ПРЕДМЕТЫ (СМОТРИТЕ ПРИМЕЧАНИЕ)

1Артикул: 6902228, PAINT, ORANGE SPRAY CAN 6 original shade
2Артикул: 7305844, PAINT ORANGE SPRAY CAN 6 updated shade
3Артикул: 7251690, PAINT, ORANGE SPRAY CAN 6 original shade - EMEA
Подробнее >
КОМПЛЕКТ ОПОРЫ СИДЕНЬЯ (НАЖИМНАЯ ПРУЖИНА)

КОМПЛЕКТ ОПОРЫ СИДЕНЬЯ (НАЖИМНАЯ ПРУЖИНА)

1Артикул: 6713853, KIT Ref. 2 - 18 & 21
2Артикул: SEAT, SEAT BAR NLA - Order 6716777 Seat Bar & (2) ea. of Ref. 3, 5, 14 & 15 - 6.88-- (174,8 mm) center of top hole to weld on tab - SEE NOTE - Was 6710661 - A
3Артикул: 6716777, SEAT BAR 6.13-- (155,7mm) center of top hole to weld on tab - SEE NOTE - Was 6713609 - A
Подробнее >
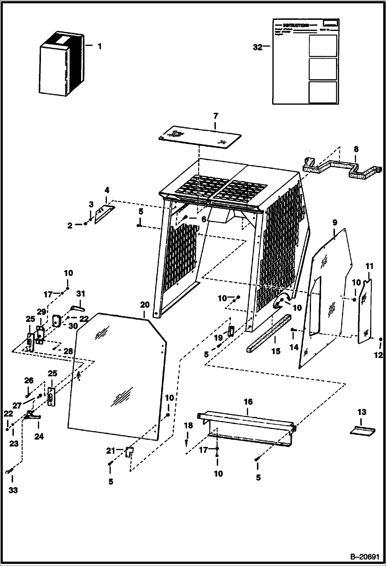
КОРПУС КАБИНЫ

КОРПУС КАБИНЫ

1Артикул: 6555917, KIT cab enclosure - Ref. 2 - 32
2Артикул: 61D6, NUT 5
3Артикул: 25E18, WASHER
Подробнее >
ГЕНЕРАТОР ПОД ТОКОМ (DELCO)

ГЕНЕРАТОР ПОД ТОКОМ (DELCO)

1Артикул: KIT, KIT NLA - 6559894 Not Available as Kit - Order Ref. 2-6 - Was 6559894 - A
2Артикул: ALTERNATOR, ALTERNATOR NLA - Order 6599740REM - Was 6599740 - A
3Артикул: 6510596, CONNECTOR
Подробнее >
КОМПЛЕКТ ОПОРЫ СИДЕНЬЯ (ПЕРЕДНЕЕ ПОЛОЖЕНИЕ - НАЖИМНАЯ ПРУЖИНА)

КОМПЛЕКТ ОПОРЫ СИДЕНЬЯ (ПЕРЕДНЕЕ ПОЛОЖЕНИЕ - НАЖИМНАЯ ПРУЖИНА)

1Артикул: 6714285, KIT Ref. 2 - 16 & 20
2Артикул: 6716779, SEAT BAR W/Ref. 15 - Was 6714282 - A
3Артикул: 6710659, BUSHING
Подробнее >
ЦИЛИНДРА НАКЛОНА STOP (СТАРАЯ ВЕРСИЯ)

ЦИЛИНДРА НАКЛОНА STOP (СТАРАЯ ВЕРСИЯ)

1Артикул: 6560898, KIT W/Ref. 2-4
2Артикул: 6560895, STOP
3Артикул: 6560896, STOP
Подробнее >
СИГНАЛ ЗАДНЕГО ХОДА

СИГНАЛ ЗАДНЕГО ХОДА

1Артикул: 6579094, KIT Ref. 2 - 24- Was 6565508 - A
2Артикул: 30H31, CLAMP 10
3Артикул: 616334, COVER
Подробнее >
ИСКРОГАСИТЕЛЬ

ИСКРОГАСИТЕЛЬ

1Артикул: 6560836, KIT spark arrestor - Ref. 2 - 5
2Артикул: 710705, CLAMP NLA - Was 710705 - A
3Артикул: DECAL, DECAL NLA - Was 6560572 - A
Подробнее >
НАБОР ДЛЯ АРЕНДЫ

НАБОР ДЛЯ АРЕНДЫ

1Артикул: 6562298, KIT Ref. 2 - 18
2Артикул: 6513274, MODULE
3Артикул: 774708, WIRE 3 ft.
Подробнее >
КОРПУС КАБИНЫ (ВИНИЛ)

КОРПУС КАБИНЫ (ВИНИЛ)

1Артикул: 6565270, VINYL CAB W/Ref. 2-4 - fastens inside of cab W/the use of velcro
2Артикул: 6660340, VINYL CAB W/Ref. 2 & 3 - fits over cab
3Артикул: 6599721, DOOR vinyl - W/ hinges
Подробнее >
КОМПЛЕКТ ВСПОМОГАТЕЛЬНЫХ ГИДРОСИСТЕМ (ДЛЯ КРОНШТЕЙНА 908B ЭКСКАВАТОРА-ПОГРУЗЧИКА НА СЕРИЙНЫЙ НОМЕР 12999 И НИЖЕ)

КОМПЛЕКТ ВСПОМОГАТЕЛЬНЫХ ГИДРОСИСТЕМ (ДЛЯ КРОНШТЕЙНА 908B ЭКСКАВАТОРА-ПОГРУЗЧИКА НА СЕРИЙНЫЙ НОМЕР 12999 И НИЖЕ)

1Артикул: 6562934, KIT Ref. 2 - 4
2Артикул: 6558415, TUBE
3Артикул: 6558414, TUBE
Подробнее >
КОМПЛЕКТ ОПОРЫ СИДЕНЬЯ

КОМПЛЕКТ ОПОРЫ СИДЕНЬЯ

1Артикул: 6563500, KIT Ref. 2 - 28
2Артикул: 6706324, SEAT BAR 1 Piece W/Arms - Was 6564588 - A
3Артикул: ARM, ARM NLA - RH - Order Ref. 2 - Was 6563295 - A
Подробнее >
ШИНЫ И ДИСКИ

ШИНЫ И ДИСКИ

1Артикул: TIRE, TIRE NLA - nylon, 6 ply rating - 7.00 x 15 bar lug - Was 6665724 - A
2Артикул: TIRE, TIRE NLA - nylon, 6 ply (7.00 x 15) Dico - Was 6665724 - A
3Артикул: TIRE, TIRE NLA - nylon, 6 ply rating (16.5 x 10 flo track lug) - Was 6550826 - A
Подробнее >
ЗАДНЕЕ СТЕКЛО

ЗАДНЕЕ СТЕКЛО

1Артикул: KIT, KIT NLA - rear window - Order Ref. 2 - 8
2Артикул: 6553577, WINDOW
3Артикул: 6731478, TAG EXIT Was 6559515 - A
Подробнее >
КОМПЛЕКТ ОГРАНИЧИТЕЛЯ НАКЛОНА (СОВРЕМЕННЫЙ ДИЗАЙН)

КОМПЛЕКТ ОГРАНИЧИТЕЛЯ НАКЛОНА (СОВРЕМЕННЫЙ ДИЗАЙН)

1Артикул: 6705179, KIT tilt stop
2Артикул: 6705169, STOP tilt
3Артикул: 6705170, STOP tilt
Подробнее >
СТРОБОСКОПЫ (ЯНТАРНЫЙ - 2414 ALW)

СТРОБОСКОПЫ (ЯНТАРНЫЙ - 2414 ALW)

1Артикул: KIT, KIT NLA - strobe light - Ref. 2 - 13 - Order 6587526 - Was 6659815 - A
2Артикул: LENS, LENS NSS - amber - Was 6659971 - A
3Артикул: LENS, LENS NSS - blue - Not In Kit - Was 6660247 - A
Подробнее >
ОДНОТОЧЕЧНЫЙ ПОДЪЕМ

ОДНОТОЧЕЧНЫЙ ПОДЪЕМ

1Артикул: 6568041, KIT Ref. 2 - 16
2Артикул: 1320075, PIN, COTTER
3Артикул: 6005562, PIN
Подробнее >
РАСШИРИТЕЛЬНЫЙ БАЧОК

РАСШИРИТЕЛЬНЫЙ БАЧОК

1Артикул: 6563781, KIT Ref. 2 - 14
2Артикул: TANK, TANK NLA - Without Barbed Fitting - Order 6576660 - Was 6562509 - A
3Артикул: 6576660, TANK, WATER COOLANT W/bottom molded barbed elbow
Подробнее >
НАКЛЕЙКИ

НАКЛЕЙКИ

1Артикул: 6567917, KIT decal - W/Ref. 2-14 & Ref. 2 - 15 on Ill. B20764
2Артикул: 6565990, DECAL, OIL HYD 5 hydrostatic fluid fill
3Артикул: DECAL, DECAL NLA - patent - Was 6557224 - C
Подробнее >