+7 (701) 588 50 05 Телефон для связи
RU

WhatsApp

Позвонить

АКСЕСCУАРЫ И ОПЦИИ в Алматы

ДВЕРЦА КАБИНЫ

ДВЕРЦА КАБИНЫ

1Артикул: 6676169, NUT
2Артикул: 6813444, DOOR driver- Ref. 4-18
3Артикул: 6812896, DOOR passenger - Ref. 4, 6-9, 11, 12, 14, & 17-23
Подробнее >
ЗАЩИТНОЕ ПОКРЫТИЕ КУЗОВА

ЗАЩИТНОЕ ПОКРЫТИЕ КУЗОВА

1Артикул: 6902515, LINER, BED W/tailgate liner - Also Order (8) of Ref. 2 (6589675 screw)
2Артикул: 6589675, SCREW
Подробнее >
КОМПЛЕКТ КРОНШТЕЙНОВ С РУЧНЫМ УПРАВЛЕНИЕМ

КОМПЛЕКТ КРОНШТЕЙНОВ С РУЧНЫМ УПРАВЛЕНИЕМ

1Артикул: 6816946, KIT hand bracket - Ref. 2-5
2Артикул: 6816947, BRACKET
3Артикул: 6814305, DECAL warning
Подробнее >
КОМПЛЕКТ ДЛЯ УСТАНОВКИ РАДИО

КОМПЛЕКТ ДЛЯ УСТАНОВКИ РАДИО

1Артикул: KIT,, KIT, RADIO See Illustration RADIO INSTALL KIT/ MS2000A - NLA - Ref. 2-13 - Order 7212660 - Was 6902942 - A
2Артикул: 6676114, ANTENNA, RADIO
3Артикул: 6683172, CLIP
Подробнее >
КОМПЛЕКТ ДЛЯ УСТАНОВКИ РАДИО (DIN АУДИОСИСТЕМА) (ОСОБО ПРОЧНЫЕ ДИНАМИКИ)

КОМПЛЕКТ ДЛЯ УСТАНОВКИ РАДИО (DIN АУДИОСИСТЕМА) (ОСОБО ПРОЧНЫЕ ДИНАМИКИ)

1Артикул: 7212660, KIT, RADIO INSTALL Ref. 2-13
2Артикул: 6676114, ANTENNA, RADIO
3Артикул: 6683172, CLIP
Подробнее >
ТЕХНИКА БЕЗОПАСНОСТИ ПРИ ПРОВЕДЕНИИ ГОРНЫХ РАБОТ И УПРАВЛЕНИЕ ОХРАНЫ ТРУДА

ТЕХНИКА БЕЗОПАСНОСТИ ПРИ ПРОВЕДЕНИИ ГОРНЫХ РАБОТ И УПРАВЛЕНИЕ ОХРАНЫ ТРУДА

1Артикул: 6904751, MSHA KIT See Illustration ENGINE & GASKET KITS/ NA1522 V2203MDI Kubota engine
2Артикул: 7126608, MSHA KIT See Illustration ENGINE & GASKET KITS/ NA1523 V2003TMDI Kubota engine
3Артикул: DECAL, DECAL NSS - Order Ref. 1
Подробнее >
КОМПЛЕКТ УСТРОЙСТВА УПРАВЛЕНИЯ НАВЕСНЫМ ОБОРУДОВАНИЕМ

КОМПЛЕКТ УСТРОЙСТВА УПРАВЛЕНИЯ НАВЕСНЫМ ОБОРУДОВАНИЕМ

1Артикул: 6815260, KIT attach cntrl - Ref. 2-9
2Артикул: 6624289, STRAP, TIE nylon
3Артикул: 6678669, STRAP
Подробнее >
КОМПЛЕКТ ЛАМПОЧЕК МАЯЧКОВ

КОМПЛЕКТ ЛАМПОЧЕК МАЯЧКОВ

1Артикул: 6815258, KIT beacon - Ref. 2-5
2Артикул: 6665317, SWITCH
3Артикул: 6675523, BEACON
Подробнее >
КОМПЛЕКТ ОГНЕТУШИТЕЛЯ

КОМПЛЕКТ ОГНЕТУШИТЕЛЯ

1Артикул: KIT,, KIT, EXTINGUISHER FIRE NLA - Ref. 5-12 - Was 7115609 - A
2Артикул: 7115609, KIT, FIRE EXTINGUISHER Ref. 2-8 & 12
3Артикул: 7224664, EXTINGUISHER, FIRE W/Ref. 3
Подробнее >
КОМПЛЕКТ ВСПОМОГАТЕЛЬНЫХ БАКОВ ДЛЯ ТОПЛИВА

КОМПЛЕКТ ВСПОМОГАТЕЛЬНЫХ БАКОВ ДЛЯ ТОПЛИВА

1Артикул: 7102824, KIT aux fuel tank - Ref. 2-25
2Артикул: 5HM15, CLAMP
3Артикул: HOSE, HOSE NLA - 42--(1066,8mm) long - Order Ref. 23
Подробнее >
КОМПЛЕКТ ДЕТАЛЕЙ ЗЕРКАЛА ЗАДНЕГО ВИДА

КОМПЛЕКТ ДЕТАЛЕЙ ЗЕРКАЛА ЗАДНЕГО ВИДА

1Артикул: 6817260, KIT rear view mirror - Ref. 2-3
2Артикул: MIRROR, MIRROR NSS - rear view
3Артикул: 6902589ENUS, INSTRUCTIONS Was 6902589 - C
Подробнее >
ПРОЖЕКТОРЫ И СИГНАЛЫ ПОВОРОТА

ПРОЖЕКТОРЫ И СИГНАЛЫ ПОВОРОТА

1Артикул: 1636979, BODY female
2Артикул: 6557904, FLASHER
3Артикул: 6624289, STRAP, TIE
Подробнее >
ИЗОЛЯЦИЯ

ИЗОЛЯЦИЯ

1Артикул: 6557831, WASHER
2Артикул: 6589675, SCREW
3Артикул: 6675722, NUT
Подробнее >
НАКЛЕЙКИ

НАКЛЕЙКИ

1Артикул: 6902351, DECAL KIT
2Артикул: 6816983, DECAL fuse/relay
3Артикул: 6814307, DECAL warning
Подробнее >
ВЕРХНЯЯ ЧАСТЬ БЛОКА ДВИГАТЕЛЯ

ВЕРХНЯЯ ЧАСТЬ БЛОКА ДВИГАТЕЛЯ

1Артикул: KIT,, KIT, HEATER BLOCK ENG NLA - Order Ref. 2 & 4
2Артикул: 6720736, HEATER, BLOCK ENG PLUG SOFT W/NLA O-ring, Ref. 3 & 5
3Артикул: O-ring, O-ring NLA - Order Ref. 4
Подробнее >
КОМПЛЕКТ НИЖНИХ КРЫШЕК ДВИГАТЕЛЯ

КОМПЛЕКТ НИЖНИХ КРЫШЕК ДВИГАТЕЛЯ

1Артикул: 6817732, KIT lower engine cover - Ref. 2-11
2Артикул: 6675722, NUT
3Артикул: 6818229, BRACKET
Подробнее >
СИГНАЛ ЗАДНЕГО ХОДА

СИГНАЛ ЗАДНЕГО ХОДА

1Артикул: 6815256, KIT Ref. 2-9
2Артикул: 515069, GROMMET
3Артикул: 6651512, ALARM, BACK-UP Was 6599931 - A
Подробнее >
ВСПОМОГАТЕЛЬНОЕ ОБОРУДОВАНИЕ ЗАДНЕЙ ЧАСТИ КОМПЛЕКТ

ВСПОМОГАТЕЛЬНОЕ ОБОРУДОВАНИЕ ЗАДНЕЙ ЧАСТИ КОМПЛЕКТ

1Артикул: KIT,, KIT, AUX REAR NLA - Ref. 2-39 - Order components - Was 7102467 - A
2Артикул: 7110765, HOSE assy
3Артикул: 7110764, HOSE assy
Подробнее >
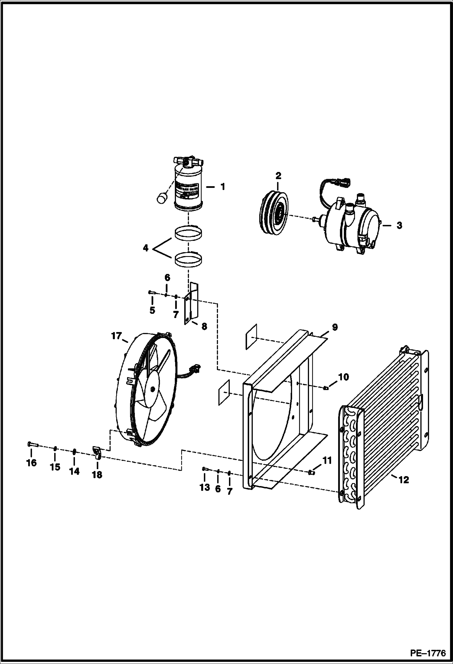
ОБОГРЕВАТЕЛЬ И КОНДИЦИОНЕР (КОНДИЦИОНИРОВАНИЕ ВОЗДУХА)

ОБОГРЕВАТЕЛЬ И КОНДИЦИОНЕР (КОНДИЦИОНИРОВАНИЕ ВОЗДУХА)

1Артикул: 6681461, COMPRESSOR A/C
2Артикул: 6679085, SWITCH low pressure
3Артикул: SWITCH, SWITCH NLA - high pressure - Was 6686358 - A
Подробнее >
КОМПЛЕКТ КЛАКСОНОВ (ЕВРОПЕЙСКО ДОПОЛНИТЕЛЬНОЕ ОБОРУДОВАНИЕ)

КОМПЛЕКТ КЛАКСОНОВ (ЕВРОПЕЙСКО ДОПОЛНИТЕЛЬНОЕ ОБОРУДОВАНИЕ)

1Артикул: 7114297, ALARM KIT W/Ref. 2-8
2Артикул: 6532998, BUSHING
3Артикул: 6671106, HORN
Подробнее >
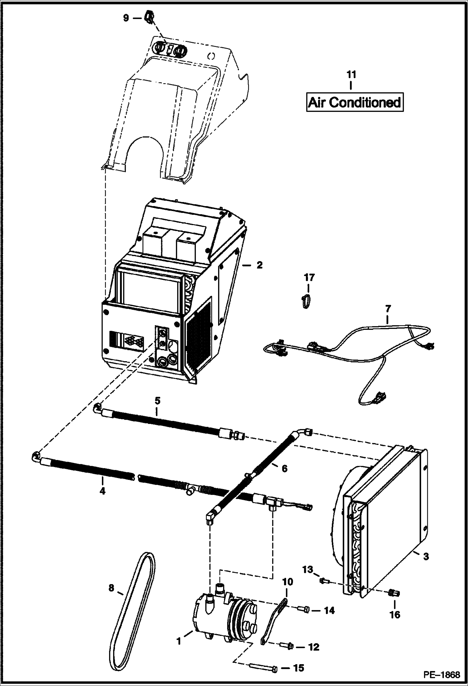
ОБОГРЕВАТЕЛЬ И КОНДИЦИОНЕР (КОНДЕНСАТОР В СБОРЕ)

ОБОГРЕВАТЕЛЬ И КОНДИЦИОНЕР (КОНДЕНСАТОР В СБОРЕ)

1Артикул: 6680311, RECEIVER W/O pressure switch - Was 6678976 - use switch 6675779 - A
2Артикул: PULLEY, PULLEY
3Артикул: 6681461, COMPRESSOR A/C
Подробнее >
ОБОГРЕВАТЕЛЬ И КОНДИЦИОНЕР (ОБОГРЕВАТЕЛЬ)

ОБОГРЕВАТЕЛЬ И КОНДИЦИОНЕР (ОБОГРЕВАТЕЛЬ)

1Артикул: 6685743, SCREW Was 6814024 - A
2Артикул: 6680953, LOUVER
3Артикул: 6813617, DASH L.H.
Подробнее >
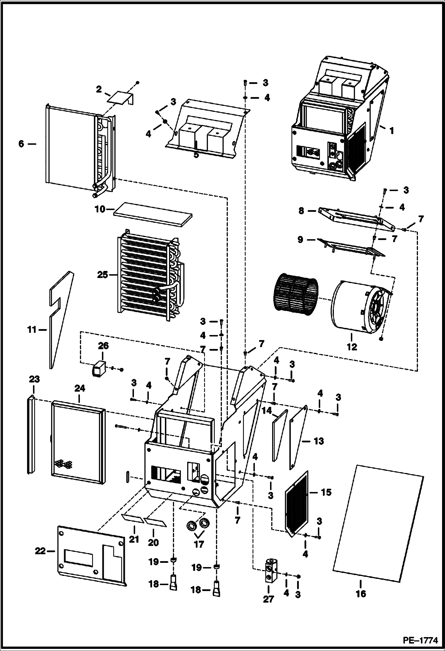
ОБОГРЕВАТЕЛЬ И КОНДИЦИОНЕР (СИСТЕМА ОТОПЛЕНИЯ, ВЕНТИЛЯЦИИ И КОНДИЦИОНИРОВАНИЯ (ОВК) В СБОРЕ)

ОБОГРЕВАТЕЛЬ И КОНДИЦИОНЕР (СИСТЕМА ОТОПЛЕНИЯ, ВЕНТИЛЯЦИИ И КОНДИЦИОНИРОВАНИЯ (ОВК) В СБОРЕ)

1Артикул: 6681463, HOUSING hvac
2Артикул: BRACKET, BRACKET NLA - Order 6681463 housing - Was 6684528 - A
3Артикул: 6684504, SCREW
Подробнее >
КОМПЛЕКТ ОГРАЖДЕНИЯ ЗАДНЕГО СТЕКЛА

КОМПЛЕКТ ОГРАЖДЕНИЯ ЗАДНЕГО СТЕКЛА

1Артикул: 6817915, KIT rear window guard - Ref. 2-7
2Артикул: 6817514, WINDOW GUARD
3Артикул: 6616610, NUT
Подробнее >
КОМПЛЕКТ КЛАКСОНОВ

КОМПЛЕКТ КЛАКСОНОВ

1Артикул: 6815255, HORN KIT Ref. 2-6
2Артикул: 7001044, HORN, ALARM Was 6675099 - A
3Артикул: 6679977, SWITCH horn
Подробнее >
КОМПЛЕКТ УСТРОЙСТВ ЗАЖИГАНИЯ БЕЗ КЛЮЧА

КОМПЛЕКТ УСТРОЙСТВ ЗАЖИГАНИЯ БЕЗ КЛЮЧА

1Артикул: 6815264, KIT keyless ign - Ref. 2-6
2Артикул: 6610510, TIE
3Артикул: 6676922, PLUG
Подробнее >