+7 (701) 588 50 05 Телефон для связи
RU

WhatsApp

Позвонить

АКСЕСCУАРЫ И ОПЦИИ в Алматы

ЗАМОК ЗАДНЕЙ ДВЕРИ (ДЛЯ ДВУХСЕКЦИОННОЙ ЗАДНЕЙ ДВЕРИ)

ЗАМОК ЗАДНЕЙ ДВЕРИ (ДЛЯ ДВУХСЕКЦИОННОЙ ЗАДНЕЙ ДВЕРИ)

1Артикул: 6578802, KIT lock - Ref. 2-5
2Артикул: 6649555, LOCK
3Артикул: 6659327, KEY
Подробнее >
КОМПЛЕКТ КРЫШЕК КРЕПЛЕНИЯ САЛАЗОК СИДЕНЬЯ

КОМПЛЕКТ КРЫШЕК КРЕПЛЕНИЯ САЛАЗОК СИДЕНЬЯ

1Артикул: 6712184, KIT W/Ref. 2-4
2Артикул: 6711729, COVER
3Артикул: 6711730, STRIP
Подробнее >
КОМПЛЕКТ КЛАКСОНОВ

КОМПЛЕКТ КЛАКСОНОВ

1Артикул: 6706679, HORN KIT Ref. 2-14 - SEE NOTE
2Артикул: 6610510, TIE
3Артикул: 6660294, HORN
Подробнее >
ЕВРОПЕСКОЕ ДОПОЛНИТЕЛЬНОЕ ОБОРУДОВАНИЕ (ДОРОЖНЫЙ КОМПЛЕКТ)

ЕВРОПЕСКОЕ ДОПОЛНИТЕЛЬНОЕ ОБОРУДОВАНИЕ (ДОРОЖНЫЙ КОМПЛЕКТ)

1Артикул: 6557904, FLASHER
2Артикул: 6665727, LIGHT
3Артикул: BULB, BULB NLA - 5W - Order 6666568 - Was 6666567 - A
Подробнее >
ОЧИСТНОЕ УСТРОЙСТВО

ОЧИСТНОЕ УСТРОЙСТВО

1Артикул: 6668811, PURIFIER 3 hole mounting - replaces exhaust tube - uses existing hardware & gasket
2Артикул: 6673826, MUFFLER, PURIFIER 2 hole mounting - replaces exhaust tube - uses existing hardware & gasket - Was 6671970 - A
Подробнее >
КОМПЛЕКТ УСТРОЙСТВА РУЧНОГО УПРАВЛЕНИЯ

КОМПЛЕКТ УСТРОЙСТВА РУЧНОГО УПРАВЛЕНИЯ

1Артикул: KIT, KIT NLA - multi switch handle - Ref. 2-45, 47, 48, 52 & 63 - Order components - Was SALES - A
2Артикул: 6707349, LEVER
3Артикул: 6707367, GRIP
Подробнее >
ПРОБЛЕСКОВЫЕ ФАРЫ (СЕРИЙНЫЙ НОМЕР 5141 12611 И НИЖЕ)

ПРОБЛЕСКОВЫЕ ФАРЫ (СЕРИЙНЫЙ НОМЕР 5141 12611 И НИЖЕ)

1Артикул: 6558076, KIT flasher - Ref. 2-12
2Артикул: 614142, SLEEVE 10
3Артикул: 6515131, TERMINAL
Подробнее >
ДВЕРЦА КАБИНЫ (ЛЕВОСТОРОННЯЯ ПРИКРЕПЛЯЕТЬСЯ НА ПЕТЛЯХ)

ДВЕРЦА КАБИНЫ (ЛЕВОСТОРОННЯЯ ПРИКРЕПЛЯЕТЬСЯ НА ПЕТЛЯХ)

1Артикул: KIT, KIT NLA - door - Order 6708973 door kit and Ref. 58 - Was 6708928 - A
2Артикул: 6708973, KIT door-Ref. 2-29, 32-45, 48-57 & 59 - also Order Ref. 58
3Артикул: KIT, KIT SALES - door - special applications - Ref. 4, 5, 7-17, 21, 24-29, 32-37, 40-45, 48-51, 54-57 & 59 - also Order Ref. 58
Подробнее >
ШИНЫ И КОЛЕСНЫЕ ДИСКИ (СПЛОШНАЯ ШИНА - IATCO)

ШИНЫ И КОЛЕСНЫЕ ДИСКИ (СПЛОШНАЯ ШИНА - IATCO)

1Артикул: TIRE,, TIRE, 8.25X15 RH ASSY NLA - Assy. - R.H. - 8.25 x 15 - Was 6682853 - A
2Артикул: TIRE,, TIRE, 8.25X15 LH ASSY NLA - Assy. - L.H. - 8.25 x 15 - Was 6682854 - A
3Артикул: ASSY,, ASSY, WHEEL TIRE NLA - Assy. - R.H. - 12 x 16.5 - Was 6674009 - A
Подробнее >
СЦЕПНЫЕ УСТРОЙСТВА С УПОРАМИ

СЦЕПНЫЕ УСТРОЙСТВА С УПОРАМИ

1Артикул: 6710291, KIT Ref. 2-4, 6-11, 13-34 & 36-43
2Артикул: 84G3712, BOLT 5
3Артикул: 6579875, CONNECTOR
Подробнее >
НАБОР ДЛЯ АРЕНДЫ

НАБОР ДЛЯ АРЕНДЫ

1Артикул: 6712750, KIT W/Ref. 2-24
2Артикул: 6552906, BRACKET
3Артикул: 6567968, WIRE assy.
Подробнее >
КОМПЛЕКТ БОКОВОЙ ПАНЕЛИ (ДЛЯ DELUXE КАБИНЫ) (5141 12612-39999, 5142 11274-39999)

КОМПЛЕКТ БОКОВОЙ ПАНЕЛИ (ДЛЯ DELUXE КАБИНЫ) (5141 12612-39999, 5142 11274-39999)

1Артикул: 6712700, KIT side console
2Артикул: 6665314, PLUG rocker switch - Was 6719038 - A
3Артикул: 6669091, CLIP
Подробнее >
КОМПЛЕКТ СИГНАЛА ЗАДНЕГО ХОДА (ДЛЯ ПРОЧНОГО РУЛЕВОГО ПРИВОДА)

КОМПЛЕКТ СИГНАЛА ЗАДНЕГО ХОДА (ДЛЯ ПРОЧНОГО РУЛЕВОГО ПРИВОДА)

1Артикул: 6716130, KIT Ref. 2-24
2Артикул: 774220, NUT
3Артикул: 6577545, GROMMET
Подробнее >
ШИНЫ И ДИСКИ

ШИНЫ И ДИСКИ

1Артикул: TIRE, TIRE NLA - 31 x 15.5, 8 ply Terra Grip - Was 6513971 - A
2Артикул: TIRE, TIRE NLA - 31 x 15.5, 8 ply Terra Grip - Dico - Was 6667892 - A
3Артикул: TIRE, TIRE NLA - 31 x 15.5, 8 ply Ultra Grip - Goodyear - Was 6666668 - A
Подробнее >
КОМПЛЕКТ ОПОРЫ СИДЕНЬЯ (НАЖИМНАЯ ПРУЖИНА)

КОМПЛЕКТ ОПОРЫ СИДЕНЬЯ (НАЖИМНАЯ ПРУЖИНА)

1Артикул: 6713853, KIT Ref. 2 - 18 & 21
2Артикул: SEAT, SEAT BAR NLA - 6.88-- (175 mm) center of top hole to weld on tab - SEE NOTE - Order 6716777 Seat Bar & (2) ea. of Ref. 3, 5, 14 & 15 - SEE NOTE- Was 6710661 - A
3Артикул: 6716777, SEAT BAR 6.13-- (156mm) center of top hole to weld on tab - SEE NOTE - Was 6713609 - A
Подробнее >
ОБОГРЕВАТЕЛЬ - ОДНОСТОРОННИЙ (СВЕЖИЙ ВОЗДУХ)

ОБОГРЕВАТЕЛЬ - ОДНОСТОРОННИЙ (СВЕЖИЙ ВОЗДУХ)

1Артикул: 6667183, HEATER Ref. 2-26 - SEE NOTE
2Артикул: 6669689, HEATER Ref. 2-26
3Артикул: 6641056, GROMMET
Подробнее >
КОМПЛЕКТ ЗАДНИХ СТЕКЛООЧИСТИТЕЛЕЙ КАБИНЫ

КОМПЛЕКТ ЗАДНИХ СТЕКЛООЧИСТИТЕЛЕЙ КАБИНЫ

1Артикул: 6711814, KIT rear wiper - Ref. 2-39
2Артикул: 6666831, SPOUT
3Артикул: 6711123, SHIELD Was 6709145 - A
Подробнее >
АМОРТИЗАТОР

АМОРТИЗАТОР

1Артикул: 6715879, GAS SPRING KIT Ref. 2-4
2Артикул: GAS, GAS SPRING NLA - Order Ref. 1
3Артикул: 6900531ENUS, INSTRUCTIONS Was 6900531 - A
Подробнее >
ВСПОМОГАТЕЛЬНОЕ ОБОРУДОВАНИЕ ЗАДНЕЙ ЧАСТИ (С УПОРОМ СЦЕПКИ) (СЕРИЙНЫЙ НОМЕР 5141 11763, 5142 11227 И НИЖЕ)

ВСПОМОГАТЕЛЬНОЕ ОБОРУДОВАНИЕ ЗАДНЕЙ ЧАСТИ (С УПОРОМ СЦЕПКИ) (СЕРИЙНЫЙ НОМЕР 5141 11763, 5142 11227 И НИЖЕ)

1Артикул: KIT, KIT See Illustration REAR AUXILIARY/ TS1371 NLA - Ref. 2-32 - ORDER 6712504 REAR AUXILIARY KIT FROM PARTS - WAS SALES - A
2Артикул: 1519324, PLUG
3Артикул: 6648969, QUICK COUPLER male
Подробнее >
КОРПУС КАБИНЫ (СПЕЦИАЛЬНЫЕ ПРИЛОЖЕНИЯ)

КОРПУС КАБИНЫ (СПЕЦИАЛЬНЫЕ ПРИЛОЖЕНИЯ)

1Артикул: KIT, KIT SALES - special applications
2Артикул: 6705216, WINDOW top
3Артикул: 35C616, BOLT 5
Подробнее >
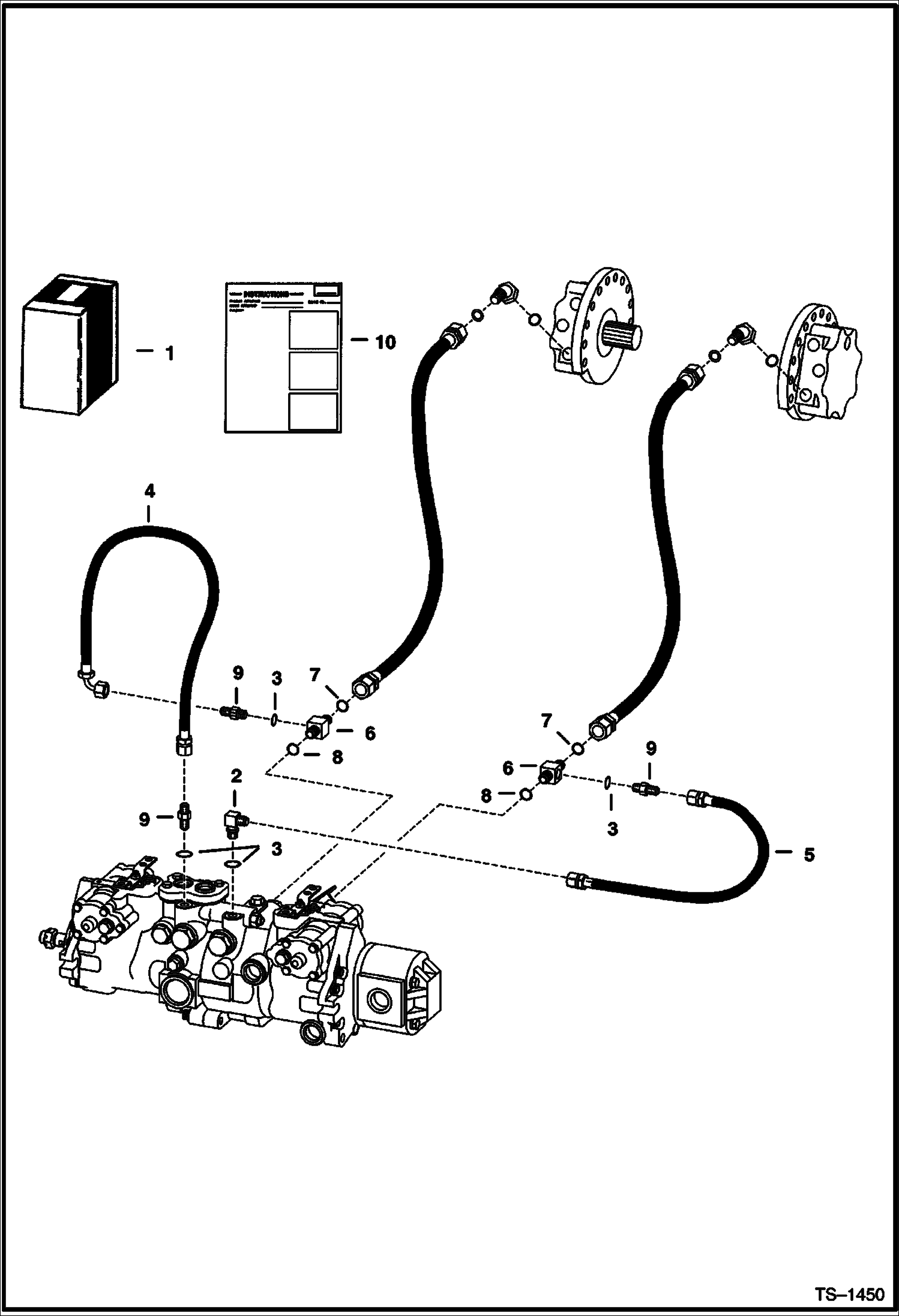
M46-M44 ПЕРЕОБОРУДОВАНИЕ НАСОСА 5141 14999 И НИЖЕ 5142 12999 И НИЖЕ

M46-M44 ПЕРЕОБОРУДОВАНИЕ НАСОСА 5141 14999 И НИЖЕ 5142 12999 И НИЖЕ

1Артикул: KIT, KIT NLA - ORDER Ref. 2-22 & Ref. 2-33 on Ill. TS1654
2Артикул: 6670690, BELT, DRIVE
3Артикул: 6713977, HOSE
Подробнее >
КОМПЛЕКТ ОБОГРЕВАТЕЛЕЙ - ДВОЙНОЙ (ЛЕВЫЙ ОБОГРЕВАТЕЛЬ)

КОМПЛЕКТ ОБОГРЕВАТЕЛЕЙ - ДВОЙНОЙ (ЛЕВЫЙ ОБОГРЕВАТЕЛЬ)

1Артикул: 6673893, HEATER Ref. 2-8, 10-21, 25 & 42
2Артикул: 6664806, HOUSING
3Артикул: 6660868, DECAL
Подробнее >
РЕМКОМПЛЕКТ ПОЛОЖЕНИЯ КОВША (СЕРИЙНЫЙ НОМЕР 5141 22001-39999)

РЕМКОМПЛЕКТ ПОЛОЖЕНИЯ КОВША (СЕРИЙНЫЙ НОМЕР 5141 22001-39999)

1Артикул: 6716282, KIT Ref. 2-20
2Артикул: VALVE, VALVE See Illustration BUCKET POSITIONING VALVE/ MS1943 - NLA - Order 6673959 valve- If loader is not equipped with an on/off switch, also order 6647784 plug, 79K8 O-ring, 6647785 spring, & 6647783 load check- Was 6666341 - A
3Артикул: 99K10, RING,O
Подробнее >
КОМПЛЕКТ ЭЛЕКТРИЧЕСКИХ РЕГУЛЯТОРОВ (НАВЕСНОЕ ОБОРУДОВАНИЕ) (ДЛЯ ТЕХНИКИ С СИСТЕМОЙ РУЧНОГО УПРАВЛЕНИЯ (AHC))

КОМПЛЕКТ ЭЛЕКТРИЧЕСКИХ РЕГУЛЯТОРОВ (НАВЕСНОЕ ОБОРУДОВАНИЕ) (ДЛЯ ТЕХНИКИ С СИСТЕМОЙ РУЧНОГО УПРАВЛЕНИЯ (AHC))

1Артикул: KIT, KIT NLA - Order parts - Was 6713013 - A
2Артикул: 6664035, CAP
3Артикул: 50D5, NUT
Подробнее >
КОМПЛЕКТ ДЛЯ РЕГУЛИРОВКИ СИДЕНЬЯ

КОМПЛЕКТ ДЛЯ РЕГУЛИРОВКИ СИДЕНЬЯ

1Артикул: KIT, KIT See Illustration PUSH TO OPERATE KIT/ B15147A NLA - Ref. 2-5 - ORDER 6717702 KIT - WAS 6716460 - A
2Артикул: KIT, KIT See Illustration PUSH TO OPERATE KIT/ B15147A NLA - Ref. 2-5 - ORDER 6717703 KIT - WAS 6716461 - A
3Артикул: CONTROLLER, CONTROLLER NLA - Order 6674222 - Was 6673002 - A
Подробнее >
КОМПЛЕКТ ОБОГРЕВАТЕЛЕЙ - ОДНОСТОРОННИЙ (СВЕЖИЙ ВОЗДУХ)

КОМПЛЕКТ ОБОГРЕВАТЕЛЕЙ - ОДНОСТОРОННИЙ (СВЕЖИЙ ВОЗДУХ)

1Артикул: KIT, KIT See Illustration HEATER PLUMBING KIT - SINGLE/ MC2200 NLA - Ref. 2-49 & 53 - Was 6709836 - A
2Артикул: 6713379, KIT Ref. 2-18, 20-33, 36-39, 42-48 & 50-53
3Артикул: 6660894, HARNESS W/Ref. 46 & 47
Подробнее >
КОМПЛЕКТ ПЕРЕКЛЮЧАТЕЛЕЙ ПОЗИЦИИ ОТКРЫТО-ЗАКРЫТО КОВША

КОМПЛЕКТ ПЕРЕКЛЮЧАТЕЛЕЙ ПОЗИЦИИ ОТКРЫТО-ЗАКРЫТО КОВША

1Артикул: 6712678, KIT Ref. 2 & 3 - Was 6707682 - A
2Артикул: 6668814, SWITCH Was 6665319 - A
3Артикул: 6672863, VALVE, SOLENOID W/Ref. 4 & 5 - Was 6708271 - A
Подробнее >
КОМПЛЕКТЫ ДЛЯ УСТАНОВКИ ДВИГАТЕЛЯ (ДЛЯ ИСПОЛЬЗОВАНИЯ В УСЛОВИЯХ ЖЕСТКОЙ ЭКСПЛУАТАЦИИ)

КОМПЛЕКТЫ ДЛЯ УСТАНОВКИ ДВИГАТЕЛЯ (ДЛЯ ИСПОЛЬЗОВАНИЯ В УСЛОВИЯХ ЖЕСТКОЙ ЭКСПЛУАТАЦИИ)

1Артикул: 6711632, MOUNTING KIT Ref. 2-8
2Артикул: 6661787, WASHER
3Артикул: 7110276, SPACER, TAPERED tapered - Was 6715287 - A
Подробнее >
КОМПЛЕКТ ЭЛЕКТРИЧЕСКИХ РЕГУЛЯТОРОВ (НАВЕСНОЕ ОБОРУДОВАНИЕ)

КОМПЛЕКТ ЭЛЕКТРИЧЕСКИХ РЕГУЛЯТОРОВ (НАВЕСНОЕ ОБОРУДОВАНИЕ)

1Артикул: 6712820, KIT controls - W/ handles - PWM - Ref. 2-31, 38 & 39 - SEE NOTE
2Артикул: 6680413, HANDLE ASSY RH - multi switch - Also Order Ref. 4, 5, 7 & 8 - Was 6706340 - A
3Артикул: 6680457, HNDL/4 SWITCH PWM R.H. - Also Order Ref. 7, 8, 38 & 39 - PWM - Was 6705924 - A
Подробнее >
ЧЕХЛЫ СИДЕНИЙ (СИДЕНЬЕ С ОТДЕЛКОЙ ИЗ ИСКУССТВЕННОЙ КОЖИ)

ЧЕХЛЫ СИДЕНИЙ (СИДЕНЬЕ С ОТДЕЛКОЙ ИЗ ИСКУССТВЕННОЙ КОЖИ)

1Артикул: 7260106, COVER, SEAT See Illustration SEAT/ B14720 - Use W/ 6669135 seat
2Артикул: 7260107, COVER, SEAT HEATED See Illustration SEAT/ B14720 - Use W/ 6669135 seat
Подробнее >
КОМПЛЕКТ СИГНАЛА ЗАДНЕГО ХОДА (СЕРИЙНЫЙ НОМЕР 514115365, 514213009 И НИЖЕ)

КОМПЛЕКТ СИГНАЛА ЗАДНЕГО ХОДА (СЕРИЙНЫЙ НОМЕР 514115365, 514213009 И НИЖЕ)

1Артикул: 6704817, KIT Ref. 2-19
2Артикул: 59G620, BOLT Was 59G000616B - B
3Артикул: 6646781, SWITCH
Подробнее >
КОМПЛЕКТ УСТРОЙСТВА РУЧНОГО УПРАВЛЕНИЯ (С КНОПКОЙ ВКЛЮЧЕНИЯ) (F-СЕРИИ)

КОМПЛЕКТ УСТРОЙСТВА РУЧНОГО УПРАВЛЕНИЯ (С КНОПКОЙ ВКЛЮЧЕНИЯ) (F-СЕРИИ)

1Артикул: 6727297, KIT Also order 6900927 O/M with revised date of 6/00 or newer
2Артикул: 6684919, LEVER tilt - R.H. - Was 6680466 - A
3Артикул: 6684918, LEVER lift - L.H. - Was 6680465 - A
Подробнее >
ЕВРОПЕЙСКОЕ ДОПОЛНИТЕЛЬНОЕ ОБОРУДОВАНИЕ (КРЫШКА КРЕПЛЕНИЯ САЛАЗОК СИДЕНЬЯ - СИДЕНЬЕ С ГИДРАВЛИЧЕСКОЙ ПОДВЕСКОЙ GRAMMER)

ЕВРОПЕЙСКОЕ ДОПОЛНИТЕЛЬНОЕ ОБОРУДОВАНИЕ (КРЫШКА КРЕПЛЕНИЯ САЛАЗОК СИДЕНЬЯ - СИДЕНЬЕ С ГИДРАВЛИЧЕСКОЙ ПОДВЕСКОЙ GRAMMER)

1Артикул: 6712875, KIT rail cover - Ref. 2-7
2Артикул: 6712183, MOUNT RH
3Артикул: 6712186, MOUNT LH
Подробнее >
ЯЩИК ДЛЯ ИНСТРУМЕНТОВ (2 ДВЕРИ)

ЯЩИК ДЛЯ ИНСТРУМЕНТОВ (2 ДВЕРИ)

1Артикул: 6705108, KIT Ref. 2-5
2Артикул: 9G636, BOLT 5
3Артикул: 6700743, SPRING
Подробнее >
КОМПЛЕКТ ТРУБОПРОВОДОВ ОБОГРЕВАТЕЛЯ - ОДНОСТОРОННИЙ (СВЕЖИЙ ВОЗДУХ)

КОМПЛЕКТ ТРУБОПРОВОДОВ ОБОГРЕВАТЕЛЯ - ОДНОСТОРОННИЙ (СВЕЖИЙ ВОЗДУХ)

1Артикул: 6709761, KIT See Illustration HEATER KIT - SINGLE/ D2372 Ref. 2-14
2Артикул: HOSE, HOSE NLA - 104-- (2642mm) long - Order Ref. 3
3Артикул: 6578172, HOSE sold per foot - 30R7 rated
Подробнее >
КОМПЛЕКТ СИГНАЛА ЗАДНЕГО ХОДА (СЕРИЙНЫЙ НОМЕР 5141 15001-39999, 5142 13000-39999)

КОМПЛЕКТ СИГНАЛА ЗАДНЕГО ХОДА (СЕРИЙНЫЙ НОМЕР 5141 15001-39999, 5142 13000-39999)

1Артикул: 6714980, KIT back-up alarm - Ref. 2-23 - SEE NOTE
2Артикул: 37C512, BOLT
3Артикул: 6577545, GROMMET
Подробнее >
КОМПЛЕКТ ВКЛЮЧЕНИЯ (НОЖНЫЕ ПЕДАЛИ)

КОМПЛЕКТ ВКЛЮЧЕНИЯ (НОЖНЫЕ ПЕДАЛИ)

1Артикул: 6717700, KIT Ref. 2-5
2Артикул: 6717701, KIT Ref. 2-5
3Артикул: 6680411, CONTROLLER Was 6674222 - A
Подробнее >
ФУНКЦИЯ ШУМОПОГЛОЩЕНИЯ (90 ДЕЦИБЕЛ)

ФУНКЦИЯ ШУМОПОГЛОЩЕНИЯ (90 ДЕЦИБЕЛ)

1Артикул: SOUND, SOUND KIT SALES - Ref. 2-32
2Артикул: 6706155, INSULATION cab top - Use W/Ref. 9
3Артикул: 6715094, INSULATION cab top - Use W/Ref. 9 & 33 - Was 6712537 - A
Подробнее >
КОМПЛЕКТ МЕХАНИЗМОВ ПОДЪЕМА (4 ТОЧКИ)

КОМПЛЕКТ МЕХАНИЗМОВ ПОДЪЕМА (4 ТОЧКИ)

1Артикул: 6710673, KIT, LIFT 4-POINT Ref. 2-13
2Артикул: 6706825, LIFT EYE
3Артикул: 6710474, PIN
Подробнее >
УСТРОЙСТВО ЗАЖИГАНИЯ БЕЗ КЛЮЧА

УСТРОЙСТВО ЗАЖИГАНИЯ БЕЗ КЛЮЧА

1Артикул: 6712972, KIT keyless ignition - W/Ref. 2-8
2Артикул: MODULE, MODULE NSS - Order Ref. 1
3Артикул: 35C410, BOLT 5
Подробнее >
НАГРЕВАТЕЛЬ БЛОКА ЦИЛИНДРОВ (УСТАНОВЛЕННЫЙ ПОДДОН КАРТЕРА) (240 B)

НАГРЕВАТЕЛЬ БЛОКА ЦИЛИНДРОВ (УСТАНОВЛЕННЫЙ ПОДДОН КАРТЕРА) (240 B)

1Артикул: 6711873, KIT Ref. 2 & 9
2Артикул: 6711721, HEATER ASSY. Ref. 3-8
3Артикул: 6711718, ELEMENT 150 watts
Подробнее >
НАГРЕВАТЕЛЬ БЛОКА ЦИЛИНДРОВ (УСТАНОВЛЕННЫЙ ПОДДОН КАРТЕРА) (120 B)

НАГРЕВАТЕЛЬ БЛОКА ЦИЛИНДРОВ (УСТАНОВЛЕННЫЙ ПОДДОН КАРТЕРА) (120 B)

1Артикул: 6710192, KIT Ref. 2 & 9
2Артикул: 6709514, HEATER ASSY. Ref. 3-8
3Артикул: 6709508, ELEMENT 150 watts
Подробнее >
КОМПЛЕКТ РУКОЯТОК

КОМПЛЕКТ РУКОЯТОК

1Артикул: 6706565, KIT Ref. 5 & 24
2Артикул: 6706566, KIT Ref. 6-10 & 24
3Артикул: 6706567, KIT Ref. 7-13 & 24
Подробнее >
КОМПЛЕКТ ПЕРЕДНИХ ВСПОМОГАТЕЛЬНЫХ УСТРОЙСТВ (СЕРИЙНЫЙ НОМЕР 5141 11424, 5142 11104 И НИЖЕ)

КОМПЛЕКТ ПЕРЕДНИХ ВСПОМОГАТЕЛЬНЫХ УСТРОЙСТВ (СЕРИЙНЫЙ НОМЕР 5141 11424, 5142 11104 И НИЖЕ)

1Артикул: 6708599, KIT Ref. 2-19, 21-41 & 43
2Артикул: 84G3712, BOLT 5
3Артикул: 6579875, CONNECTOR
Подробнее >
КОМПЛЕКТ ПРОТИВОВЕСОВ (2400 ФУНТОВ ЗАДНИЙ МОСТ ) (СЕРИЙНЫЙ НОМЕР 5141 22464, 5142 25014 И НИЖЕ)

КОМПЛЕКТ ПРОТИВОВЕСОВ (2400 ФУНТОВ ЗАДНИЙ МОСТ ) (СЕРИЙНЫЙ НОМЕР 5141 22464, 5142 25014 И НИЖЕ)

1Артикул: KIT, KIT SALES - counterweight - Order 6709453
2Артикул: WEIGHT, WEIGHT NLA - rear axle - 19.1 lbs (8,7 kg) - 2.25-- (57,2mm) wide - Was 6702453
3Артикул: 6714361, COUNTERWEIGHT, AXLE front - 71,6 kg (38.7 lb) - 114,3 mm (4.5--) wide
Подробнее >
КОМПЛЕКТ РУЛЕВОГО МЕХАНИЗМА (PEDESTAL) (СЕРИЙНЫЙ НОМЕР 5141 14999, 5142 12999 И НИЖЕ)

КОМПЛЕКТ РУЛЕВОГО МЕХАНИЗМА (PEDESTAL) (СЕРИЙНЫЙ НОМЕР 5141 14999, 5142 12999 И НИЖЕ)

1Артикул: 6714928, KIT Ref. 2-27
2Артикул: 6578363, ROD END
3Артикул: 6703879, BUSHING, PLASTIC W/tab
Подробнее >
СИДЕНЬЕ С ПОДВЕСКОЙ (МИЧИГАН)

СИДЕНЬЕ С ПОДВЕСКОЙ (МИЧИГАН)

1Артикул: 6674019, SEAT Ref. 2-23 - Also Order Ref. 24 & 25 if equipped W/seat sensor - Was 6670113 - A
2Артикул: 6672715, SPACER
3Артикул: 6672738, NUT
Подробнее >
ПРОБЛЕСКОВЫЕ ФАРЫ (4-СТОРОНЫ) (СЕРИЙНЫЙ НОМЕР 5141 12612-39999)

ПРОБЛЕСКОВЫЕ ФАРЫ (4-СТОРОНЫ) (СЕРИЙНЫЙ НОМЕР 5141 12612-39999)

1Артикул: 6712698, KIT Ref. 2-22
2Артикул: 7160765, NUT Was 6660988 - A
3Артикул: 6668815, SWITCH hazard
Подробнее >
КОМПЛЕКТ ЗАЩИТНЫХ ПРИСПОСОБЛЕНИЙ ДЛЯ КОВША

КОМПЛЕКТ ЗАЩИТНЫХ ПРИСПОСОБЛЕНИЙ ДЛЯ КОВША

1Артикул: 6713152, KIT W/Ref. 2 - 6
2Артикул: 6711158, SHIELD
3Артикул: 35C820, BOLT
Подробнее >
КОРПУС КАБИНЫ (ВИНИЛ)

КОРПУС КАБИНЫ (ВИНИЛ)

1Артикул: 6675706, VINYL CAB fastens to cab W/ velcro - W/Ref. 2 - Was 6565270 - A
2Артикул: 6660340, VINYL CAB W/Ref. 2 & 3 - fits over cab
3Артикул: 6599721, DOOR vinyl - W/ hinges
Подробнее >
ОКНА КАБИНЫ

ОКНА КАБИНЫ

1Артикул: 6632265, PLUG button
2Артикул: SEAL, SEAL NLA - 8-- (203mm) long - Order Ref. 24
3Артикул: 6661689, TRACK LH
Подробнее >
КОМПЛЕКТ ТЕПЛОИЗОЛИРУЮЩИХ ЭКРАНОВ (ДВИГАТЕЛЬ)

КОМПЛЕКТ ТЕПЛОИЗОЛИРУЮЩИХ ЭКРАНОВ (ДВИГАТЕЛЬ)

1Артикул: 7204577, KIT, SHIELD HEAT Ref. 2-7
2Артикул: 7204568, SHIELD, HEAT
3Артикул: 7204570, INSULATION
Подробнее >
СИГНАЛЬНЫЙ МАЯЧОК

СИГНАЛЬНЫЙ МАЯЧОК

1Артикул: 6712692, BEACON KIT Ref. 2-10 - Was 6708342 - A
2Артикул: 6668816, SWITCH Was 6665317 - A
3Артикул: 6675523, BEACON Was 6665730 - A
Подробнее >
КОМПЛЕКТ СИДЕНИЙ (БОКОВОЙ ШАРНИР) (ДЛЯ СТАНДАРТНОГО И СИДЕНЬЯ С ПОДВЕСКОЙ)

КОМПЛЕКТ СИДЕНИЙ (БОКОВОЙ ШАРНИР) (ДЛЯ СТАНДАРТНОГО И СИДЕНЬЯ С ПОДВЕСКОЙ)

1Артикул: KIT, KIT See Illustration PUSH TO OPERATE KIT/ B15147A See Illustration PUSH TO OPERATE KIT/ B15147 NLA - SIDE PIVOT SEAT - Ref. 2-17 - ORDER PUSH TO OPERATE KIT - WAS 6708913 - A
2Артикул: 6680472, SENSOR magnet - Was 6666608 - A
3Артикул: 6701174, WASHER
Подробнее >
СИДЕНИЕ С ПОДВЕСКОЙ (MILSCO)

СИДЕНИЕ С ПОДВЕСКОЙ (MILSCO)

1Артикул: SEAT, SEAT NLA - Ref. 2 30 - Also Order Ref. 31 & 32 - Order 6674019 - Was 6647432 - A
2Артикул: 6650226, SEAT CUSHION W/Ref. 3
3Артикул: 6650231, CLIP
Подробнее >
КОМПЛЕКТ ШЛАНГОВ ШУНТА (СЕРИЙНЫЙ НОМЕР 5141 14999, 5142 12999 И НИЖЕ)

КОМПЛЕКТ ШЛАНГОВ ШУНТА (СЕРИЙНЫЙ НОМЕР 5141 14999, 5142 12999 И НИЖЕ)

1Артикул: 6713458, KIT Ref. 2-10
2Артикул: 6558510, ELBOW W/Ref. 3
3Артикул: 79K6, O RING 10
Подробнее >
КОМПЛЕКТ ТОРМОЗОВ

КОМПЛЕКТ ТОРМОЗОВ

1Артикул: 6715476, KIT W/Ref. 2-7
2Артикул: 6714278, WEDGE, LOCK TRACTION
3Артикул: 6715630, BRAKE brake - 6 lobe
Подробнее >
ЗАПАСНОЙ КОМПЛЕКТ ПОДЪЕМНЫХ РУКОЯТЕЙ

ЗАПАСНОЙ КОМПЛЕКТ ПОДЪЕМНЫХ РУКОЯТЕЙ

1Артикул: 6725277, KIT See BTI331 Ref. 2-7, 9, 10, 12-24 & 27
2Артикул: 6725550, PIN for Ref. 25 (NLA/6717765 lift arm) & Ref. 26 (NLA/6718378 H-frame) - 6.2-- (157mm) long - Was 6718294 - A
3Артикул: 6727748, PIN for 6729527 lift arm & 6727742 H-frame - 6.58-- (167mm) long
Подробнее >
ЕВРОПЕЙСКОЕ ДОПОЛНИТЕЛЬНОЕ ОБОРУДОВАНИЕ (КОМПЛЕКТ КЛЕЩЕВОГО ТОРМОЗА)

ЕВРОПЕЙСКОЕ ДОПОЛНИТЕЛЬНОЕ ОБОРУДОВАНИЕ (КОМПЛЕКТ КЛЕЩЕВОГО ТОРМОЗА)

1Артикул: 6709385, KIT Ref. 2-32 - Was NLA - D
2Артикул: 6718032, KIT Ref. 2-32 - Was NLA - D
3Артикул: 83F3, ELBOW 5 W/O o-ring
Подробнее >
РЕМКОМПЛЕКТ ПОЛОЖЕНИЯ КОВША (СЕРИЙНЫЙ НОМЕР 5141 21999 И НИЖЕ)

РЕМКОМПЛЕКТ ПОЛОЖЕНИЯ КОВША (СЕРИЙНЫЙ НОМЕР 5141 21999 И НИЖЕ)

1Артикул: 6708549, KIT Ref. 2-13
2Артикул: 79K10, O RING 10 flat boss face
3Артикул: 99K10, RING,O tapered boss face
Подробнее >
КРЫШКА (ОЧИСТКА - НИЖНЯЯ ПЕРЕДНЯЯ СТОРОНА КОРОБКИ ДЛЯ УКЛАДКИ ЦЕПИ)

КРЫШКА (ОЧИСТКА - НИЖНЯЯ ПЕРЕДНЯЯ СТОРОНА КОРОБКИ ДЛЯ УКЛАДКИ ЦЕПИ)

1Артикул: 6577880, KIT, ACCESS COVER Ref. 2-5
2Артикул: COVER, COVER NLA - Use W/Ref. 4 - Was 6577812 - A
3Артикул: 6737088, COVER, ACCESS
Подробнее >
НАБОР ДОПОЛНИТЕЛЬНЫХ ВСПОМОГАТЕЛЬНЫХ КЛАПАНОВ (СЕРИЙНЫЙ НОМЕР 5141 16644 И НИЖЕ И 5142 20033 И НИЖЕ)

НАБОР ДОПОЛНИТЕЛЬНЫХ ВСПОМОГАТЕЛЬНЫХ КЛАПАНОВ (СЕРИЙНЫЙ НОМЕР 5141 16644 И НИЖЕ И 5142 20033 И НИЖЕ)

1Артикул: 6715919, KIT Ref. 2 & 4
2Артикул: 6672700, CHECK VALVE
3Артикул: 6715956, TUBELINE
Подробнее >
ВСПОМОГАТЕЛЬНЫЙ КЛАПАН ЗАДНЕЙ ЧАСТИ (ДЛЯ ИСПОЛЬЗОВАНИЯ С СОЕДИНИТЕЛЬНЫМ УСТРОЙСТВОМ С ПЛОСКИМ ТОРЦОМ)

ВСПОМОГАТЕЛЬНЫЙ КЛАПАН ЗАДНЕЙ ЧАСТИ (ДЛЯ ИСПОЛЬЗОВАНИЯ С СОЕДИНИТЕЛЬНЫМ УСТРОЙСТВОМ С ПЛОСКИМ ТОРЦОМ)

1Артикул: 6665572, VALVE diverter
2Артикул: 6676152, PLUG W/Ref. 9 - Was 6653490 - A
3Артикул: BODY, BODY NSS
Подробнее >
КОМПЛЕКТ ОБОГРЕВАТЕЛЕЙ - ДВОЙНОЙ (СВЕЖИЙ ВОЗДУХ)

КОМПЛЕКТ ОБОГРЕВАТЕЛЕЙ - ДВОЙНОЙ (СВЕЖИЙ ВОЗДУХ)

1Артикул: 6717252, HEATER KIT Ref. 2-34
2Артикул: 6673893, HEATER See Illustration HEATER KIT - DUAL/ E2447 LEFT
3Артикул: 6673894, HEATER See Illustration HEATER KIT - DUAL/ C3516 RIGHT
Подробнее >
ЕВРОПЕЙСКОЕ ДОПОЛНИТЕЛЬНОЕ ОБОРУДОВАНИЕ (ЦИЛИНДР МАЧТЫ - КЛЕЩЕВЫЕ ТОРМОЗА)

ЕВРОПЕЙСКОЕ ДОПОЛНИТЕЛЬНОЕ ОБОРУДОВАНИЕ (ЦИЛИНДР МАЧТЫ - КЛЕЩЕВЫЕ ТОРМОЗА)

1Артикул: 6666933, CYLINDER master brake - Ref. 2-16
2Артикул: ADAPTER, ADAPTER NSS
3Артикул: SPRING, SPRING NSS
Подробнее >
ЕВРОПЕЙСКОЕ ДОПОЛНИТЕЛЬНОЕ ОБОРУДОВАНИЕ

ЕВРОПЕЙСКОЕ ДОПОЛНИТЕЛЬНОЕ ОБОРУДОВАНИЕ

1Артикул: KIT, KIT NLA - Ref. 2-28 - Order individual parts
2Артикул: 6705333, MOUNT
3Артикул: 6714978, HOSE
Подробнее >
КОМПЛЕКТ МЕХАНИЗМОВ ДЛЯ СБРАСЫВАНИЯ ИНОРОДНЫХ ЧАСТИЦ

КОМПЛЕКТ МЕХАНИЗМОВ ДЛЯ СБРАСЫВАНИЯ ИНОРОДНЫХ ЧАСТИЦ

1Артикул: 6712988, KIT Ref. 2-4
2Артикул: EJECTOR, EJECTOR NLA - Was 6712415 - A
3Артикул: 84G3716, SCREW 5
Подробнее >
НАКЛЕЙКИ

НАКЛЕЙКИ

1Артикул: 6900505, KIT decal
2Артикул: 6715610AR, KIT translation - SEE NOTE
3Артикул: 6715610BR, KIT translation - SEE NOTE
Подробнее >
КОМПЛЕКТ ВКЛЮЧЕНИЯ (МЕХАНИЧЕСКОЕ РУЧНОЕ УПРАВЛЕНИЕ)

КОМПЛЕКТ ВКЛЮЧЕНИЯ (МЕХАНИЧЕСКОЕ РУЧНОЕ УПРАВЛЕНИЕ)

1Артикул: 6717702, KIT Ref. 2-5
2Артикул: 6717703, KIT Ref. 2-5
3Артикул: 6680411, CONTROLLER Was 6674222 - A
Подробнее >
КОМПЛЕКТ ДЛЯ РЕГУЛИРОВКИ СИДЕНЬЯ (НОЖНЫЕ ПЕДАЛИ)

КОМПЛЕКТ ДЛЯ РЕГУЛИРОВКИ СИДЕНЬЯ (НОЖНЫЕ ПЕДАЛИ)

1Артикул: KIT, KIT See Illustration PUSH TO OPERATE KIT/ B15147 NLA - Ref. 2-5 - ORDER 6717700 KIT - WAS 6716458 - A
2Артикул: KIT, KIT See Illustration PUSH TO OPERATE KIT/ B15147 NLA - Ref. 2-5 - ORDER 6717701 KIT - WAS 6716459 - A
3Артикул: CONTROLLER, CONTROLLER NLA - Order 6674222 - Was 6673002 - A
Подробнее >
КОМПЛЕКТ ОБОГРЕВАТЕЛЕЙ - ДВОЙНОЙ (ПРАВЫЙ ОБОГРЕВАТЕЛЬ)

КОМПЛЕКТ ОБОГРЕВАТЕЛЕЙ - ДВОЙНОЙ (ПРАВЫЙ ОБОГРЕВАТЕЛЬ)

1Артикул: 6673894, HEATER Ref. 2-22
2Артикул: 6674116, COVER
3Артикул: 6674115, PLENUM
Подробнее >
КРУПНОГАБАРИТНЫЕ ПРЕДМЕТЫ (СМОТРИТЕ ПРИМЕЧАНИЕ)

КРУПНОГАБАРИТНЫЕ ПРЕДМЕТЫ (СМОТРИТЕ ПРИМЕЧАНИЕ)

1Артикул: 6902228, PAINT, ORANGE SPRAY CAN 6 original shade
2Артикул: 7305844, PAINT ORANGE SPRAY CAN 6 updated shade
3Артикул: 7251690, PAINT, ORANGE SPRAY CAN 6 original shade - EMEA
Подробнее >
ВСПОМОГАТЕЛЬНЫЙ КЛАПАН ЗАДНЕЙ ЧАСТИ (ДЛЯ ИСПОЛЬЗОВАНИЯ С УПОРОМ СЦЕПКИ)

ВСПОМОГАТЕЛЬНЫЙ КЛАПАН ЗАДНЕЙ ЧАСТИ (ДЛЯ ИСПОЛЬЗОВАНИЯ С УПОРОМ СЦЕПКИ)

1Артикул: 6675073, VALVE, AUX REAR diverter - Was 6649686 - A
2Артикул: 6676152, PLUG W/Ref. 9 - Was 6653490 - A
3Артикул: BODY, BODY NSS
Подробнее >
КОМПЛЕКТ ОБОГРЕВАТЕЛЕЙ - ДВОЙНОЙ (КОМПЛЕКТ ВСПОМОГАТЕЛЬНОГО ОТОПИТЕЛЯ)

КОМПЛЕКТ ОБОГРЕВАТЕЛЕЙ - ДВОЙНОЙ (КОМПЛЕКТ ВСПОМОГАТЕЛЬНОГО ОТОПИТЕЛЯ)

1Артикул: 6717253, KIT Ref. 2-21
2Артикул: 6673894, HEATER See Illustration HEATER KIT - DUAL/ C3516 FOR HEATER PARTS
3Артикул: 6673897, HOSE
Подробнее >
ЗАМОК ЗАДНЕЙ ДВЕРИ (ДЛЯ 1- НЕРАЗЪЕМНОЙ ЗАДНЕЙ ДВЕРИ)

ЗАМОК ЗАДНЕЙ ДВЕРИ (ДЛЯ 1- НЕРАЗЪЕМНОЙ ЗАДНЕЙ ДВЕРИ)

1Артикул: 6732001, KIT lock - Ref. 2-6 - Was 6714973 - A
2Артикул: 6670726, CYLINDER, LOCK
3Артикул: 6672345, KEY not in kit - for earlier locks
Подробнее >
ПОБЛЕСКОВЫЙ МАЯЧОК

ПОБЛЕСКОВЫЙ МАЯЧОК

1Артикул: 6712696, STROBE KIT strobe light - Ref. 2-11
2Артикул: 6668816, SWITCH
3Артикул: 7160765, NUT Was 6660988 - A
Подробнее >
КОМПЛЕКТ ОПОРЫ СИДЕНЬЯ (ПЕРЕДНЕЕ ПОЛОЖЕНИЕ НАЖИМНОЙ ПРУЖИНЫ)

КОМПЛЕКТ ОПОРЫ СИДЕНЬЯ (ПЕРЕДНЕЕ ПОЛОЖЕНИЕ НАЖИМНОЙ ПРУЖИНЫ)

1Артикул: 6714285, KIT
2Артикул: 6716779, SEAT BAR Was 6714282 - A
3Артикул: 6710659, BUSHING
Подробнее >
ЕВРОПЕЙСКОЕ ДОПОЛНИТЕЛЬНОЕ ОБОРУДОВАНИЕ (ТОРМОЗ)

ЕВРОПЕЙСКОЕ ДОПОЛНИТЕЛЬНОЕ ОБОРУДОВАНИЕ (ТОРМОЗ)

1Артикул: 6666932, BRAKE W/Ref. 2-12
2Артикул: 6669154, BOLT
3Артикул: 6669155, PLATE
Подробнее >
СИДЕНЬЕ С ПОДВЕСКОЙ (GRAMMER)

СИДЕНЬЕ С ПОДВЕСКОЙ (GRAMMER)

1Артикул: 6632388, SEAT also Order 6708523 kit
2Артикул: 3737010, CUSHION, SEAT seat
3Артикул: 3737081, CUSHION, SEAT BACK VINYL backrest
Подробнее >
КОМПЛЕКТ ПРОТИВОВЕСОВ (ЗАДНИЙ МОСТ ) (СЕРИЙНЫЙ НОМЕР 514122465 - 39999, 514225015 - 39999)

КОМПЛЕКТ ПРОТИВОВЕСОВ (ЗАДНИЙ МОСТ ) (СЕРИЙНЫЙ НОМЕР 514122465 - 39999, 514225015 - 39999)

1Артикул: 6712911, KIT, COUNTERWEIGHT counterweight
2Артикул: 6714362, COUNTERWEIGHT, AXLE REAR rear - 19,4 kg (42.8 lbs) - 114,3 mm (4.5--) wide
3Артикул: 6712912, DECAL 907 kg (2000 lbs) - A
Подробнее >