+7 (701) 588 50 05 Телефон для связи
RU

WhatsApp

Позвонить

АКСЕСCУАРЫ И ОПЦИИ в Алматы

НАБОР ДЛЯ АРЕНДЫ (СЕРИЙНЫЙ НОМЕР 11175 И НИЖЕ)

НАБОР ДЛЯ АРЕНДЫ (СЕРИЙНЫЙ НОМЕР 11175 И НИЖЕ)

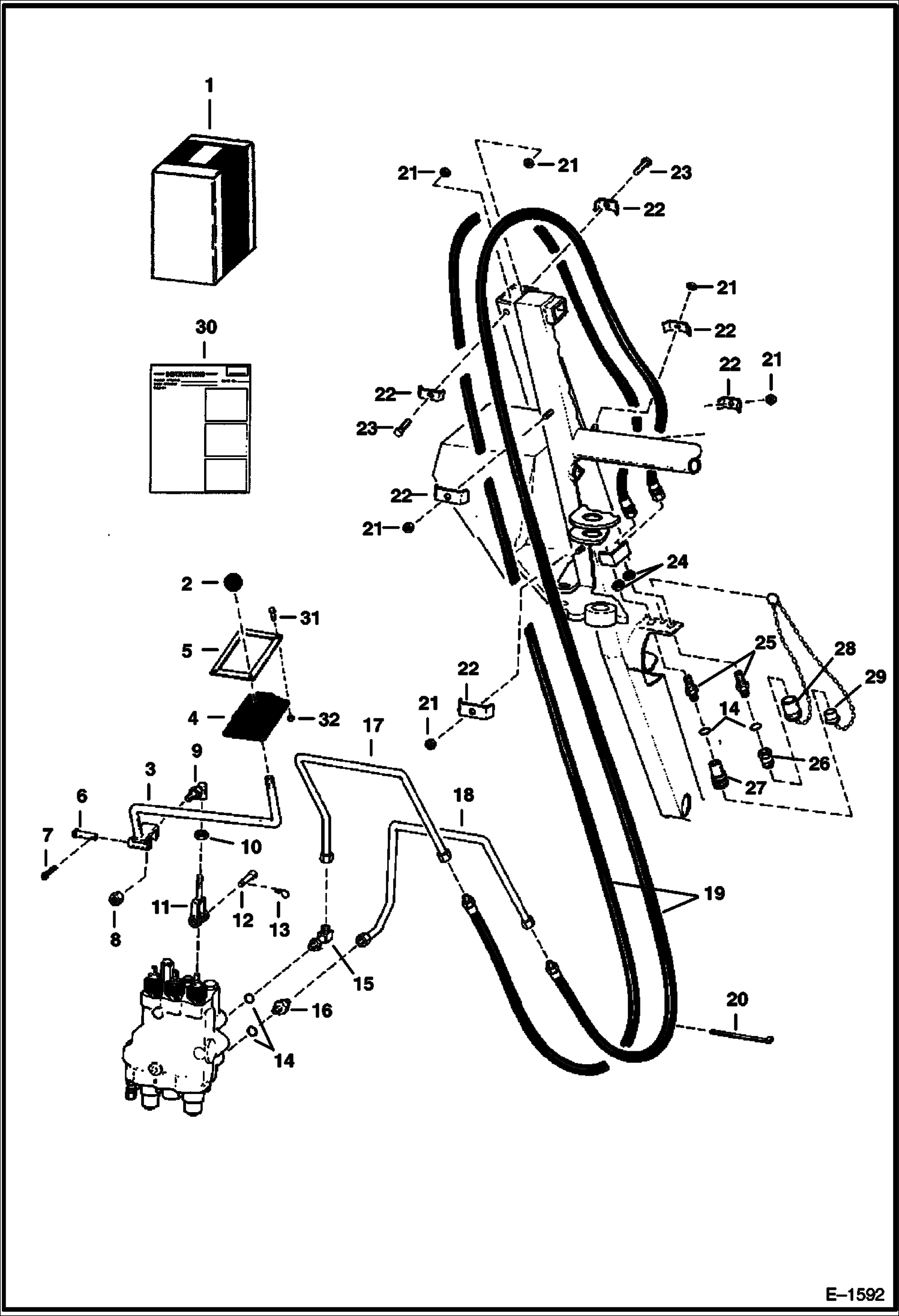
1Артикул: 6565552, KIT See Illustration FUEL VALVE KIT/ B6686 RENTAL - Ref. 2-24 & 26 - ALSO ORDER FUEL VALVE KIT
2Артикул: 6513274, MODULE
3Артикул: 6565382, WIRE White
Подробнее >
ПРОБЛЕСКОВЫЕ ФАРЫ

ПРОБЛЕСКОВЫЕ ФАРЫ

1Артикул: 6558076, KIT flasher - Ref. 2 - 12
2Артикул: 614142, SLEEVE 10
3Артикул: 6515131, TERMINAL
Подробнее >
НАКЛЕЙКИ

НАКЛЕЙКИ

1Артикул: 6530792, KIT decal - Ref. 2-29 & 31-33
2Артикул: 6529270, DECAL throttle - Was 6585488 - A
3Артикул: 6585083, DECAL load
Подробнее >
НАБОР ДЛЯ АРЕНДЫ (СЕРИЙНЫЙ НОМЕР 11176 И ВЫШЕ)

НАБОР ДЛЯ АРЕНДЫ (СЕРИЙНЫЙ НОМЕР 11176 И ВЫШЕ)

1Артикул: 6567990, KIT See Illustration FUEL VALVE KIT/ B6686 Ref. 2-21 - ALSO ORDER FUEL VALVE KIT,
2Артикул: 6567956, MODULE shut down
3Артикул: 6664886, HOURMETER Was 6631657 - A
Подробнее >
УПЛОТНЕНИЕ И КОМПЛЕКТ СТЕКОЛ

УПЛОТНЕНИЕ И КОМПЛЕКТ СТЕКОЛ

1Артикул: 6585507, KIT Ref. 2-23
2Артикул: 6567303, RETAINER
3Артикул: 6567304, SEAL
Подробнее >
КОМПЛЕКТ ДЕТАЛЕЙ ЗЕРКАЛА ЗАДНЕГО ВИДА

КОМПЛЕКТ ДЕТАЛЕЙ ЗЕРКАЛА ЗАДНЕГО ВИДА

1Артикул: 6584378, KIT rear view mirror - Ref. 2-5
2Артикул: 25E13, WASHER 5 flat
3Артикул: 6584203, WASHER rubber
Подробнее >
ОГНЕТУШИТЕЛЬ

ОГНЕТУШИТЕЛЬ

1Артикул: 6569112, KIT fire extinguisher - Ref. 2 - 10
2Артикул: 1908806, EXT AND BRKT fire
3Артикул: 85G1008, SCREW
Подробнее >
КАСКА С ЗАЩИТОЙ ОТ ШУМА

КАСКА С ЗАЩИТОЙ ОТ ШУМА

1Артикул: 6902390, HARD HAT WHITE Was 6559552 - A
2Артикул: EARMUFFS, EARMUFFS NLA - Use 6902394 - Was 6559775 - A
Подробнее >
КОПЛЕКТ ОБОГРЕВАТЕЛЯ (PERRIN)

КОПЛЕКТ ОБОГРЕВАТЕЛЯ (PERRIN)

1Артикул: 6648496, KIT W/Ref. 2-11 - See Ill. HEATER PLUMBING KIT D1676
2Артикул: 6515521, SWITCH
3Артикул: 6703041, WIRE Was 6648457 - A
Подробнее >
ШИНЫ И КОЛЕСНЫЕ ДИСКИ (СПЛОШНАЯ ШИНА - IATCO)

ШИНЫ И КОЛЕСНЫЕ ДИСКИ (СПЛОШНАЯ ШИНА - IATCO)

1Артикул: 6660560, TIRE & RIM Assy. - R.H. - 10 x 16.5
2Артикул: 6660561, TIRE & RIM Assy. - L.H. - 10 x 16.5
3Артикул: 6660956, KIT Box of (10) segments - 10 x 16.5 W/Ref. 4 - 6 (20) segments/tire
Подробнее >
КОМПЛЕКТ ОБОГРЕВАТЕЛЕЙ (КРАСНАЯ ТОЧКА ЦЕЛЕУКАЗАТЕЛЯ)

КОМПЛЕКТ ОБОГРЕВАТЕЛЕЙ (КРАСНАЯ ТОЧКА ЦЕЛЕУКАЗАТЕЛЯ)

1Артикул: KIT, KIT NLA - heater - Ref. 2-10 - Order 6648496 Kit - See Ill. HEATER KIT B24470 - See Ill. HEATER PLUMBING KIT D1676
2Артикул: 6515521, SWITCH
3Артикул: 6565514, WIRE W/661556B Fuse
Подробнее >
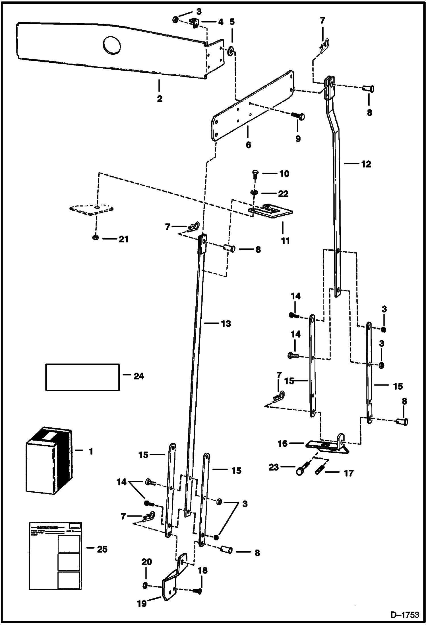
КОМПЛЕКТ ОСТАНОВОВ ПОДЪЕМНОЙ РУКОЯТИ

КОМПЛЕКТ ОСТАНОВОВ ПОДЪЕМНОЙ РУКОЯТИ

1Артикул: 6584261, KIT boom stop - Ref. 2-10
2Артикул: 6584257, STOP W/Ref. 6 & 7
3Артикул: 6584260, BRACKET
Подробнее >
КОМПЛЕКТ ДАТЧИКА УКАЗАТЕЛЯ УРОВНЯ ВОДЫ

КОМПЛЕКТ ДАТЧИКА УКАЗАТЕЛЯ УРОВНЯ ВОДЫ

1Артикул: 6571700, KIT water level sensor - Ref. 2-4
2Артикул: 6632471, WATER SEN Was 6632954 - D
3Артикул: ALARM, ALARM NSS - Order Ref. 1
Подробнее >
ОБОГРЕВАТЕЛЬ (КРАСНАЯ ТОЧКА ЦЕЛЕУКАЗАТЕЛЯ)

ОБОГРЕВАТЕЛЬ (КРАСНАЯ ТОЧКА ЦЕЛЕУКАЗАТЕЛЯ)

1Артикул: 6599355, HEATER
2Артикул: 6630981, MOUNT
3Артикул: 6630982, BLOWER WHEEL
Подробнее >
ГЕНЕРАТОР ПОД ТОКОМ (30 AMP. MOTOROLA ИЛИ PRESTOLITE)

ГЕНЕРАТОР ПОД ТОКОМ (30 AMP. MOTOROLA ИЛИ PRESTOLITE)

1Артикул: ALTERNATOR, ALTERNATOR See BTI212 - NLA - Ref. 3-29 & 31-48 - Was 6662990 - A
2Артикул: 6630098, ALTERNATOR See BTI212 - Ref. 3-48
3Артикул: 6630098REM, ALTERNATOR See BTI212
Подробнее >
ШИНЫ И ДИСКИ

ШИНЫ И ДИСКИ

1Артикул: 6599907, TIRE, 29X12X15, 6 PLY nylon - 29 x 12, 15, 6 ply
2Артикул: 6599904, RIM See BTI197ldr - Use W/Ref. 1
3Артикул: 6564669, NUT, 10 Was 6519169 - A
Подробнее >
КОМПЛЕКТ ПОДОГРЕВАТЕЛЯ БАКА (240 В)

КОМПЛЕКТ ПОДОГРЕВАТЕЛЯ БАКА (240 В)

1Артикул: 6570785, KIT
2Артикул: 6649656, HEATER
3Артикул: 6578598, ADAPTER
Подробнее >
СТРОБОСКОПЫ (ЯНТАРНЫЙ - 2414 ALW)

СТРОБОСКОПЫ (ЯНТАРНЫЙ - 2414 ALW)

1Артикул: KIT, KIT NLA - strobe light - Ref. 2-13 - Order 6697795 kit - Was 6587526 - A
2Артикул: LENS, LENS NLA - amber - Order Ref. 1 - Was 6659971 - A
3Артикул: BLUE, BLUE LENS NLA - not in kit - Was 6660247 - A
Подробнее >
ВЫКЛЮЧАТЕЛЬ, БЛОКИРУЮЩИЙ ВКЛЮЧЕНИЕ СТАРТЕРА ПРИ ВКЛЮЧЕННОЙ ПЕРЕДАЧЕ (СЕРИЙНЫЙ НОМЕР 11239 И НИЖЕ)

ВЫКЛЮЧАТЕЛЬ, БЛОКИРУЮЩИЙ ВКЛЮЧЕНИЕ СТАРТЕРА ПРИ ВКЛЮЧЕННОЙ ПЕРЕДАЧЕ (СЕРИЙНЫЙ НОМЕР 11239 И НИЖЕ)

1Артикул: 6584603, KIT neutral start - Ref. 2-18
2Артикул: 6584599, SWITCH W/Wire Harness
3Артикул: 6584605, BUSHING
Подробнее >
ЧЕХЛЫ СИДЕНИЙ (СИДЕНЬЕ С ОТДЕЛКОЙ ИЗ ИСКУССТВЕННОЙ КОЖИ)

ЧЕХЛЫ СИДЕНИЙ (СИДЕНЬЕ С ОТДЕЛКОЙ ИЗ ИСКУССТВЕННОЙ КОЖИ)

1Артикул: 7260106, COVER, SEAT See Illustration SEAT/ B14720 - Use W/ 6669135 seat
2Артикул: 7260107, COVER, SEAT HEATED See Illustration SEAT/ B14720 - Use W/ 6669135 seat
Подробнее >
ОБОГРЕВАТЕЛЬ (PERRIN)

ОБОГРЕВАТЕЛЬ (PERRIN)

1Артикул: 6648466, MOTOR the housing is one solid piece and is 4.5-- long
2Артикул: 6648467, MOUNT
3Артикул: 6648468, FAN
Подробнее >
КОМПЛЕКТ ЗАДНИХ СТЕКЛООЧИСТИТЕЛЕЙ КАБИНЫ

КОМПЛЕКТ ЗАДНИХ СТЕКЛООЧИСТИТЕЛЕЙ КАБИНЫ

1Артикул: 6584311, KIT rear wiper - Ref. 2-11
2Артикул: 6620642, MOTOR
3Артикул: 6620679, WIPER ARM
Подробнее >
КОМПЛЕКТ ТРУБОПРОВОДОВ ОБОГРЕВАТЕЛЯ

КОМПЛЕКТ ТРУБОПРОВОДОВ ОБОГРЕВАТЕЛЯ

1Артикул: 6585513, KIT heater plumbing - Ref. 2-15
2Артикул: 6565977, HOSE sold per foot
3Артикул: 42H10, HOSECLAM5 Was 42H000008B - B
Подробнее >
ОДНОТОЧЕЧНЫЙ ПОДЪЕМ

ОДНОТОЧЕЧНЫЙ ПОДЪЕМ

1Артикул: 6584598, KIT Ref. 2-25
2Артикул: 6584623, BRACKET
3Артикул: 85D8, NUT, 5
Подробнее >
КОМПЛЕКТ ВСПОМОГАТЕЛЬНЫХ ГИДРОСИСТЕМ

КОМПЛЕКТ ВСПОМОГАТЕЛЬНЫХ ГИДРОСИСТЕМ

1Артикул: KIT, KIT aux. hyd. - Ref. 2-29 NLA - aux. hyd. - Ref. 2-29 - Was 6585508 - A
2Артикул: 6515888, KNOB
3Артикул: 6585178, LEVER
Подробнее >
КОМПЛЕКТ ПОДОГРЕВАТЕЛЯ БАКА (120 ВОЛЬТ)

КОМПЛЕКТ ПОДОГРЕВАТЕЛЯ БАКА (120 ВОЛЬТ)

1Артикул: 6570784, KIT
2Артикул: 6660327, HEATER Was 6647888 - A
3Артикул: 6578598, ADAPTER
Подробнее >
КОМПЛЕКТ КЛАПАНОВ ДЛЯ ВПУСКА ТОПЛИВА

КОМПЛЕКТ КЛАПАНОВ ДЛЯ ВПУСКА ТОПЛИВА

1Артикул: 6565553, KIT fuel valve - Ref. 2-11
2Артикул: 42HS04, CLAMP, HOSE Was 6515575 - A
3Артикул: 6505813, CONNECTOR For 1/4--(6.35mm) I.D. Hose
Подробнее >
КОРПУС КАБИНЫ

КОРПУС КАБИНЫ

1Артикул: 6585272, KIT cab enclosure - Ref. 1-7, 9, 10 & 12-32 - Was SALES - A
2Артикул: 6585364, WINDOW
3Артикул: 6514301, SEAL bulk - sold per foot - Use 43.00 in.
Подробнее >
КРУПНОГАБАРИТНЫЕ ПРЕДМЕТЫ

КРУПНОГАБАРИТНЫЕ ПРЕДМЕТЫ

1Артикул: 6902228, PAINT, ORANGE SPRAY CAN 6 original shade
2Артикул: 7251690, PAINT, ORANGE SPRAY CAN 6 original shade - EMEA
3Артикул: 7305844, PAINT ORANGE SPRAY CAN 6 updated shade
Подробнее >
БЛОКИРОВКА КАЧАЮЩЕЙСЯ ПОЛУОСИ

БЛОКИРОВКА КАЧАЮЩЕЙСЯ ПОЛУОСИ

1Артикул: 6584419, KIT Ref. 2-28
2Артикул: 6584454, LEVER
3Артикул: 6584464, COLLAR
Подробнее >