+7 (701) 588 50 05 Телефон для связи
RU

WhatsApp

Позвонить

БЛОК ЦИЛИНДРОВ в Алматы

ПОДДОН КАРТЕРА (ДВИГАТЕЛЬ №35226 И ВЫШЕ)

ПОДДОН КАРТЕРА (ДВИГАТЕЛЬ №35226 И ВЫШЕ)

1Артикул: OIL, OIL PAN ASS-Y Was YM729335-01541
2Артикул: PAN,, PAN, OIL
3Артикул: 6636322, PLUG drain
Подробнее >
ПОДДОН КАРТЕРА (ДВИГАТЕЛЬ №25919-35225)

ПОДДОН КАРТЕРА (ДВИГАТЕЛЬ №25919-35225)

1Артикул: 6641994, PAN ASSY, Komatsu S/N 25919-35225
2Артикул: PAN,, PAN, OIL Komatsu S/N 25919-35225
3Артикул: 6636322, PLUG drain
Подробнее >
ПОРШЕНЬ И СОЕДИНИТЕЛЬНАЯ ТЯГА

ПОРШЕНЬ И СОЕДИНИТЕЛЬНАЯ ТЯГА

1Артикул: 6640976, PSTON ASY
2Артикул: PISTON, PISTON
3Артикул: 6641003, PSTON RIN
Подробнее >
МАХОВИК И КАРТЕР МАХОВИКА

МАХОВИК И КАРТЕР МАХОВИКА

1Артикул: 6641852, HOUSING
2Артикул: 6641975, BOLT
3Артикул: 6641903, FLYWHEEL
Подробнее >
КОЛЕНЧАТЫЙ ВАЛ

КОЛЕНЧАТЫЙ ВАЛ

1Артикул: 6641999, CRANKSHAF
2Артикул: CRANKSHAFT, CRANKSHAFT
3Артикул: 6641959, BALL
Подробнее >
РАСПРЕДЕЛИТЕЛЬНЫЙ ВАЛ И ТОЛКАТЕЛЬ

РАСПРЕДЕЛИТЕЛЬНЫЙ ВАЛ И ТОЛКАТЕЛЬ

1Артикул: 6641919, CAM SHAFT
2Артикул: 6641920, GEAR
3Артикул: 6641953, KEY
Подробнее >
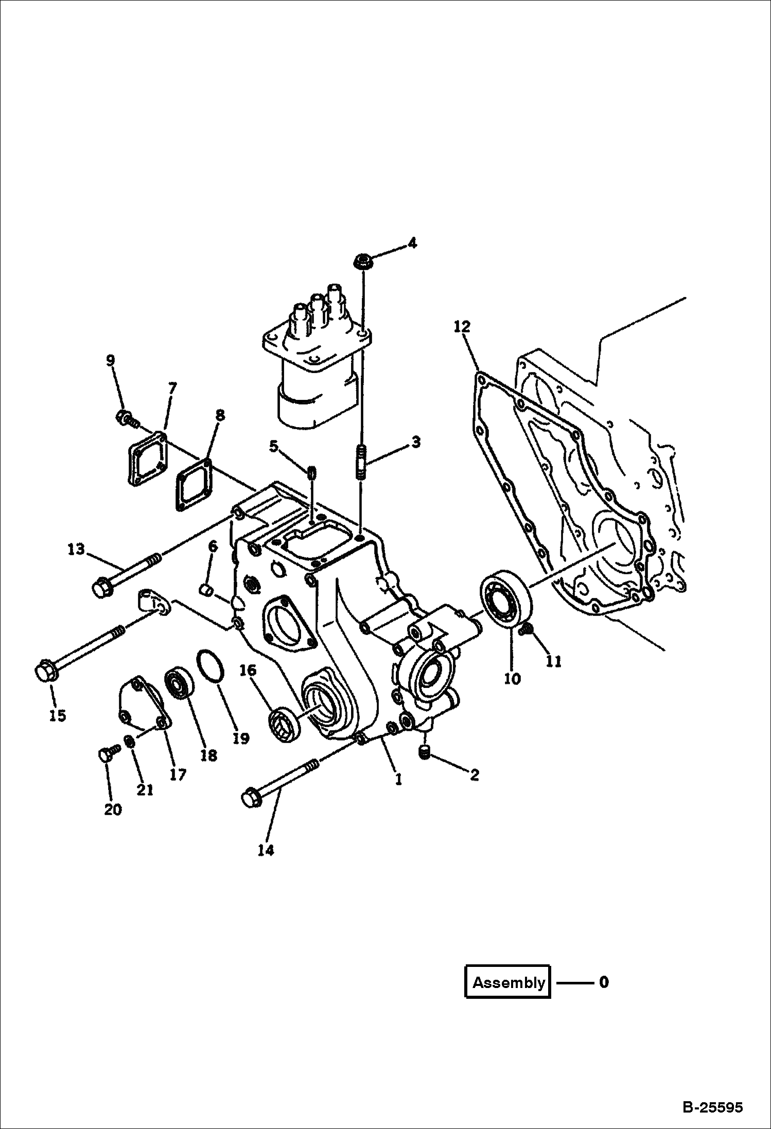
ПЕРЕДНЯЯ КРЫШКА

ПЕРЕДНЯЯ КРЫШКА

1Артикул: 6641995, CASE ASSY
2Артикул: CASE,, CASE, GEAR
3Артикул: 6636582, PLUG
Подробнее >