+7 (701) 588 50 05 Телефон для связи
RU

WhatsApp

Позвонить

ДЕТАЛИ ДВИГАТЕЛЯ И ЭЛЕКТРИЧЕСКАЯ СИСТЕМА в Алматы

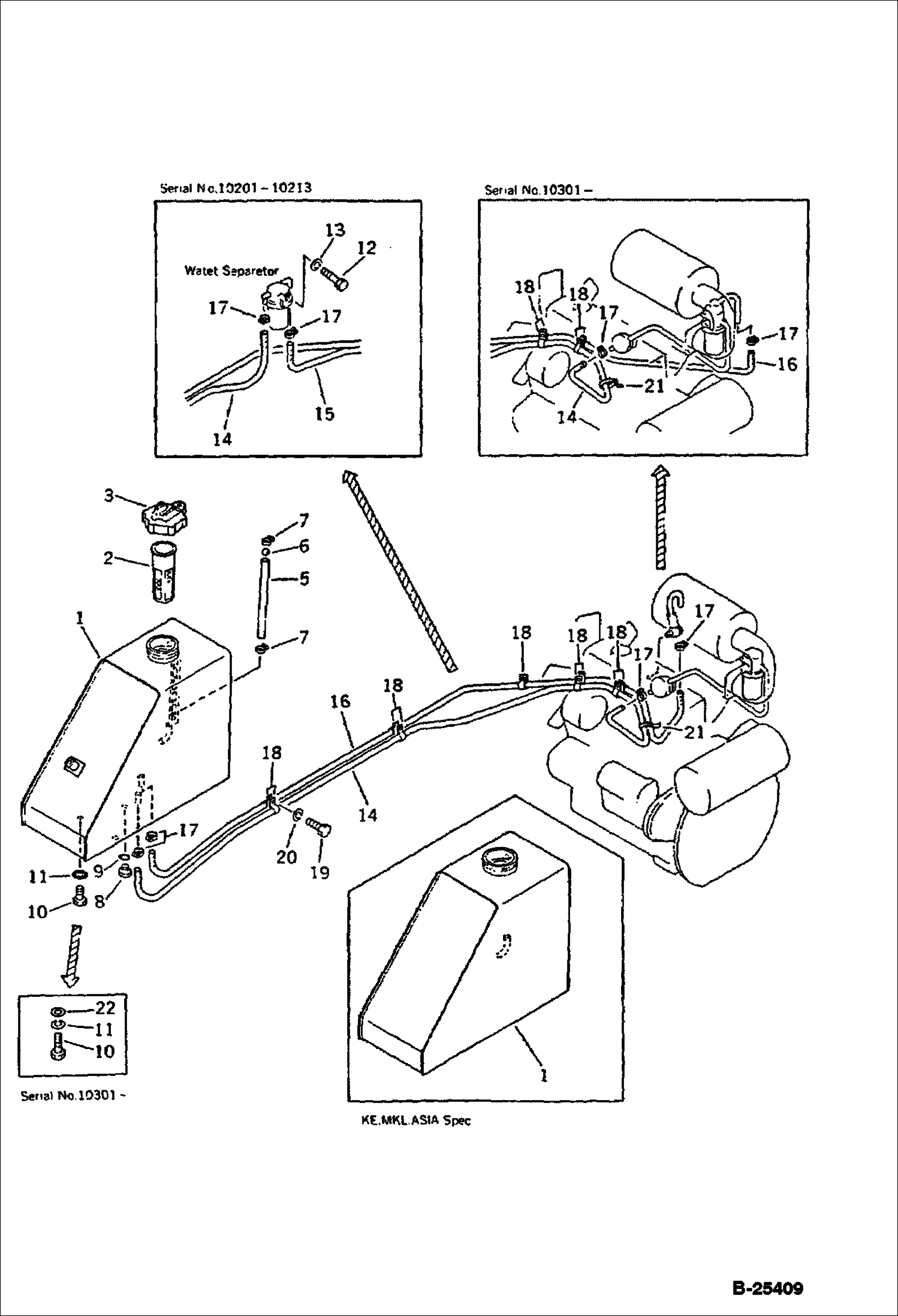
ТОПЛИВНЫЙ БАК И ТРУБОПРОВОД

ТОПЛИВНЫЙ БАК И ТРУБОПРОВОД

1Артикул: 6642423, TANK ASSY (TBG, USA SPEC) Komatsu S/N 10201-10300
2Артикул: 6642424, TANK ASSY (TBG, USA SPEC) Komatsu S/N 10301 & Abv.
3Артикул: 6642419, TANK ASSY (KE, MKL, ASIA SPEC) Komatsu S/N 10201-10300
Подробнее >
ДЕТАЛИ ДВИГАТЕЛЯ

ДЕТАЛИ ДВИГАТЕЛЯ

1Артикул: 6638208, HOSE
2Артикул: 6637619, CLAMP
3Артикул: 6638205, PIPE
Подробнее >
РАДИАТОР И ТРУБОПРОВОД

РАДИАТОР И ТРУБОПРОВОД

1Артикул: 6640861, RAD. ASSY
2Артикул: 6642415, RADIATOR
3Артикул: OIL, OIL COOLER See Illustration HYDRAULIC BREAKER/ SC1052 - for hydraulic breaker
Подробнее >
РЫЧАГ УПРАВЛЕНИЯ ПОДАЧЕЙ ТОПЛИВА

РЫЧАГ УПРАВЛЕНИЯ ПОДАЧЕЙ ТОПЛИВА

1Артикул: 6638283, LEVER
2Артикул: 6637850, KNOB
3Артикул: 6637332, SEAL, BEARING dust
Подробнее >
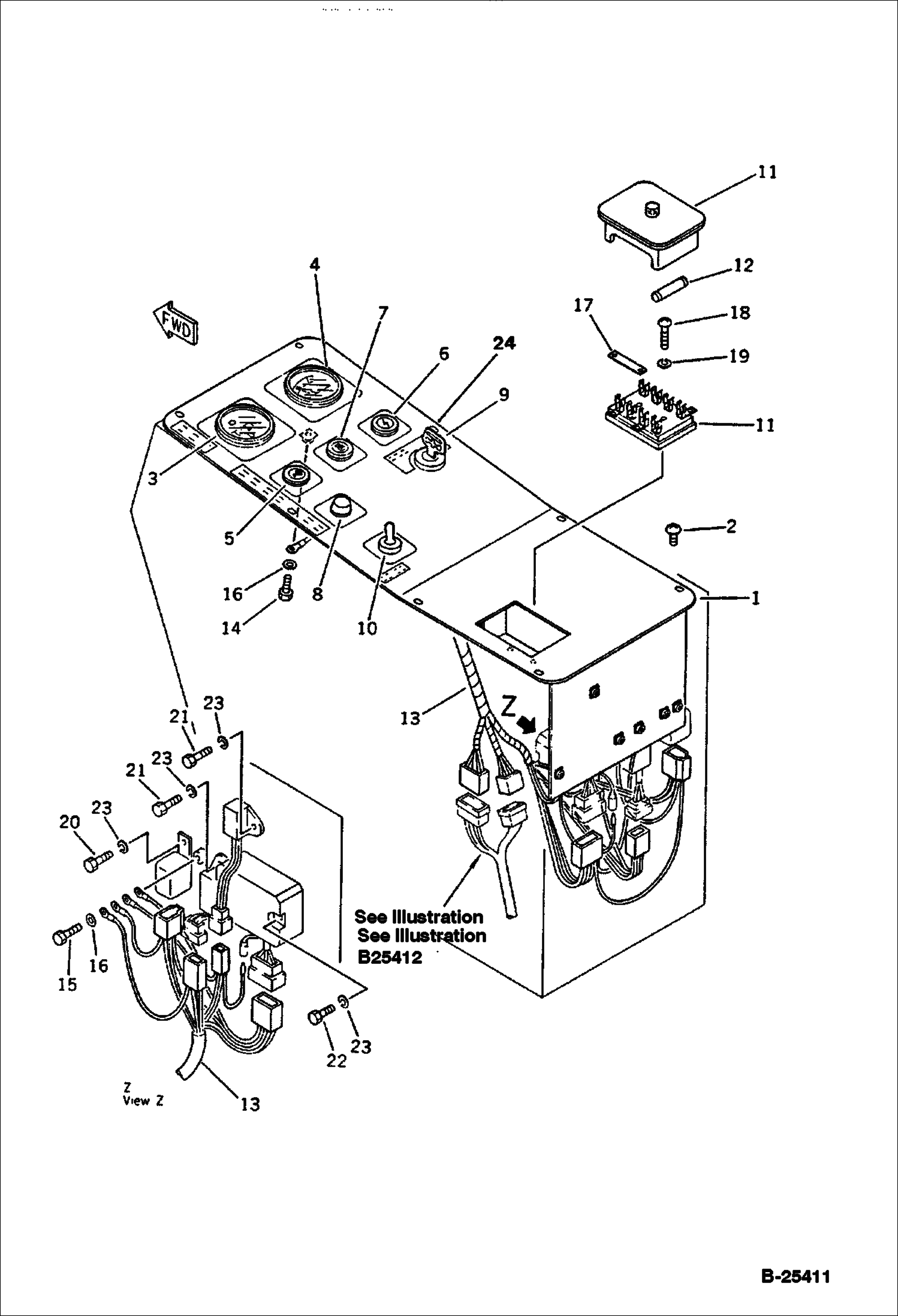
ЭЛЕКТРИЧЕСКАЯ СИСТЕМА

ЭЛЕКТРИЧЕСКАЯ СИСТЕМА

1Артикул: 6642433, WIRE ASSY Komatsu S/N 10201-10213
2Артикул: 6638233, WIRE ASSY Komatsu S/N 10214 & Abv.
3Артикул: 6637711, CAP
Подробнее >
ПАНЕЛЬ ИЗМЕРИТЕЛЬНЫХ ПРИБОРОВ

ПАНЕЛЬ ИЗМЕРИТЕЛЬНЫХ ПРИБОРОВ

1Артикул: 6642427, PANEL Komatsu S/N 10301 & Abv.
2Артикул: 6638232, SCREW
3Артикул: 6637732, GAUGE, SE service - hourmeter
Подробнее >
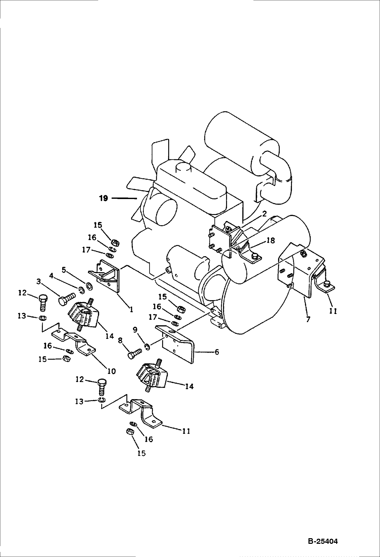
ЗАПАСНЫЕ ЧАСТИ ДЛЯ МОНТАЖА ДВИГАТЕЛЯ

ЗАПАСНЫЕ ЧАСТИ ДЛЯ МОНТАЖА ДВИГАТЕЛЯ

1Артикул: 6638212, BRACKET l. h. - Komatsu S/N 10301 & Abv.
2Артикул: 6638211, BRACKET r.h. - Komatsu S/N 10301 & Abv.
3Артикул: 6636980, BOLT Komatsu S/N 10201 & Abv.
Подробнее >
АККУМУЛЯТОР

АККУМУЛЯТОР

1Артикул: 6637676, BATTERY 12V - 70AH
2Артикул: 6642425, BATTERY 12V - 80AH (op)
3Артикул: 6640837, TERMINAL pos.
Подробнее >
МЕХАНИЗМ ОТБОРА МОЩНОСТИ

МЕХАНИЗМ ОТБОРА МОЩНОСТИ

1Артикул: 6638218, COUPLING
2Артикул: 6642412, PLATE
3Артикул: 6638528, COUPLING
Подробнее >