+7 (701) 588 50 05 Телефон для связи
RU

WhatsApp

Позвонить

Экскаваторы в Алматы

КОМПЛЕКТ УСТРОЙСТВ АВТОСЦЕПКИ (WERK-BRAU) E80

КОМПЛЕКТ УСТРОЙСТВ АВТОСЦЕПКИ (WERK-BRAU) E80

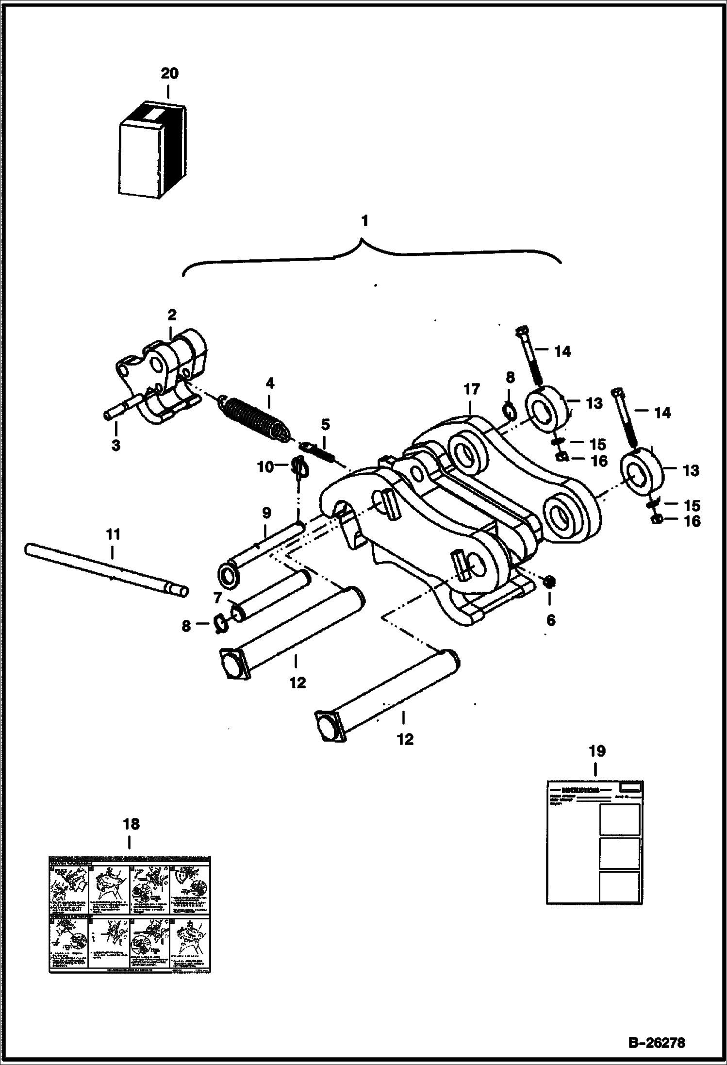
1Артикул: COUPLER, COUPLER ASSY SALES #7171906 - W/Ref. 2-20 - Sales - 442 attachments may be used on E80 when this coupler is fitted to the E80.
2Артикул: 7010735, PIN pivot
3Артикул: 7010725, CIRCLIP
Подробнее >
КОМПЛЕКТ УСТРОЙСТВ АВТОСЦЕПКИ (WERK-BRAU) 442

КОМПЛЕКТ УСТРОЙСТВ АВТОСЦЕПКИ (WERK-BRAU) 442

1Артикул: COUPLER, COUPLER KIT SALES #7125318 - W/Ref. 2-19
2Артикул: 7010726, LOCK Was 6690442 - A
3Артикул: 7010727, PIN Was 6690447 - A
Подробнее >