Экскаваторы в Алматы
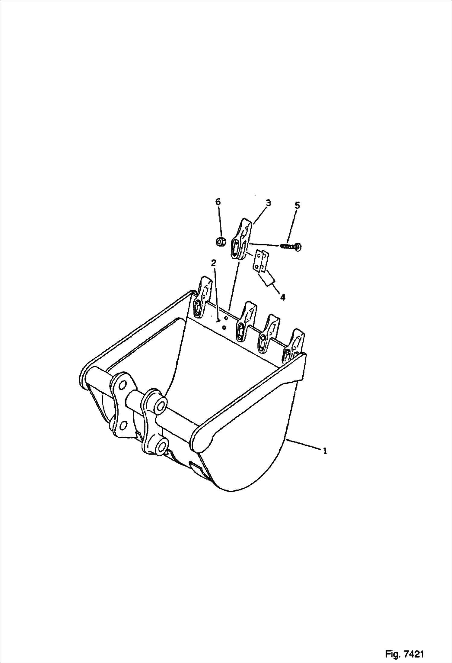
КОВШ (54-- ГРЕЙДЕР) (E80) (WERK-BRAU)
1Артикул: BUCKET, BUCKET SALES# 7171899 - 54-- Grading
2Артикул: 6691591, CUTTING EDGE
3Артикул: 6691580, BOLT
КОВШ (0,18 КУБИЧЕСКИХ МЕТРОВ)(130) (550 ММ ШИРОКИЕ)
1Артикул: BUCKET, BUCKET Was 201-926-0120
2Артикул: BUCKET, BUCKET Was 20X-926-2510
3Артикул: LIP, LIP welded - Was 20X-926-2520
КОВШ (С БЫСТРЫМ РАЗЪЕДИНЕНИЕМ)(442)
1Артикул: BUCKET, BUCKET - 290MM NSS - Includes Ref. 2-7 - Was 6203229000 - A
2Артикул: 6203229004, SIDE BLADE RIGHT
3Артикул: 6203229005, SIDE BLADE LEFT
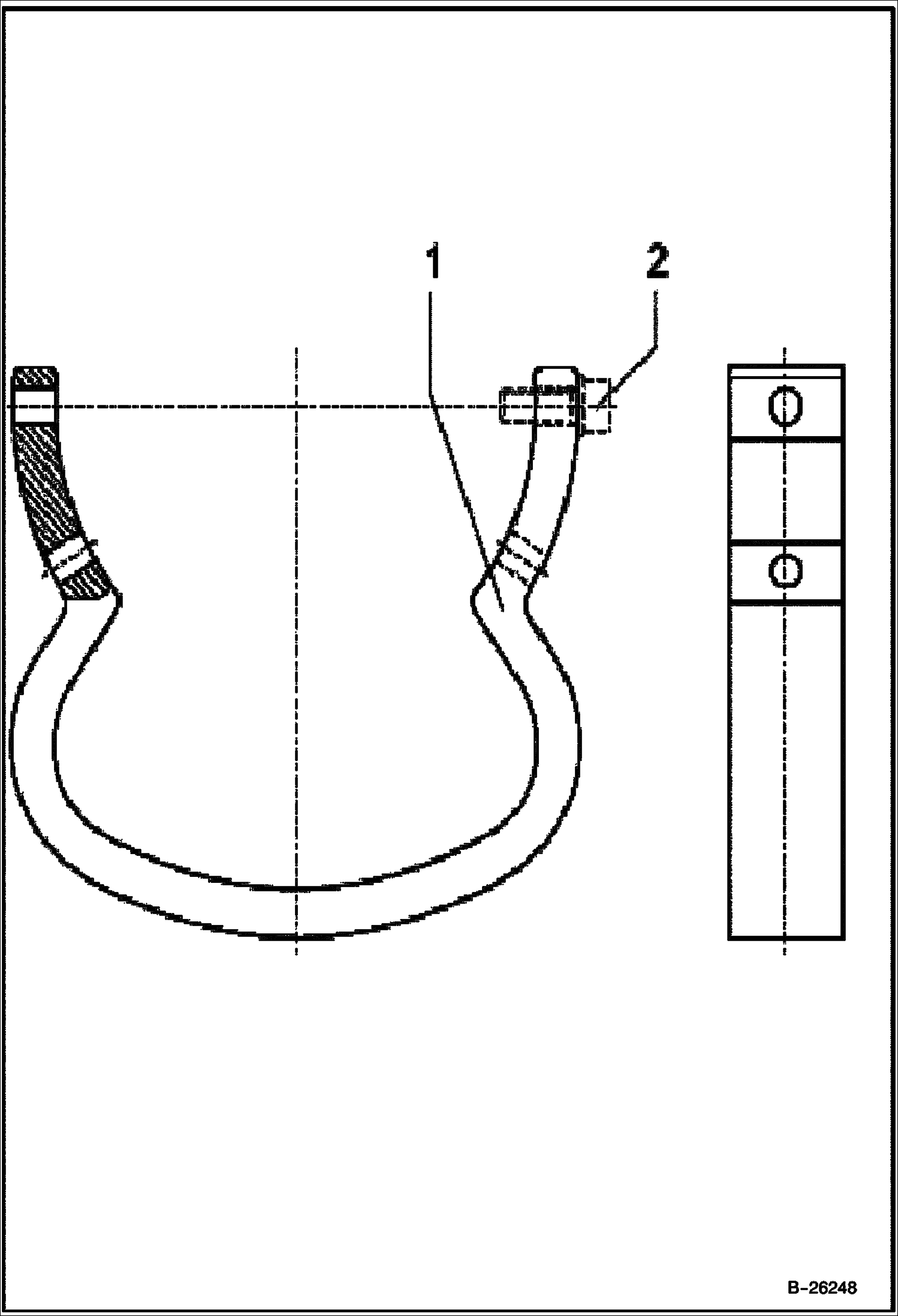
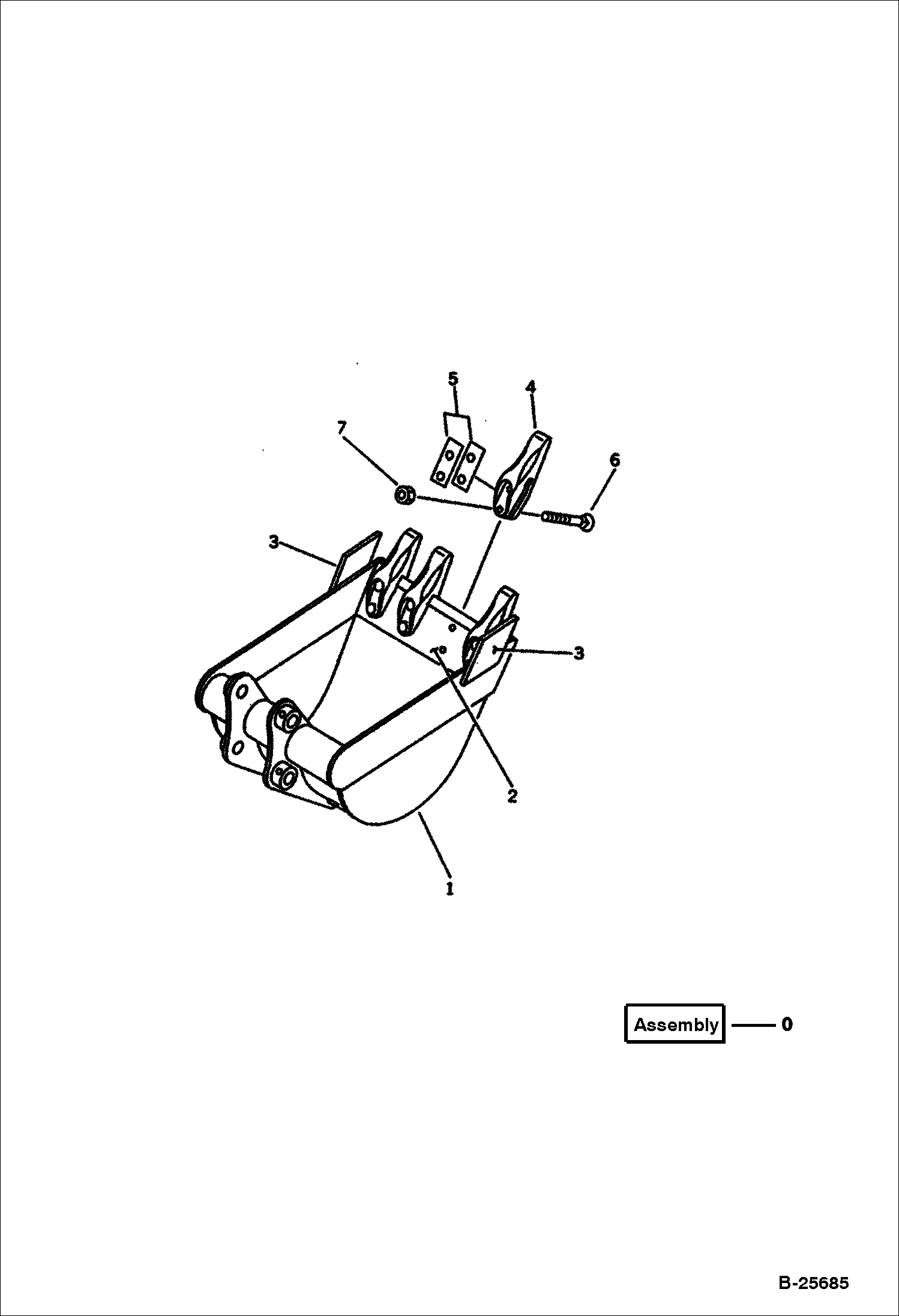
ДВУХЧЕЛЮСТНОЙ ГРЕЙФЕРНЫЙ КОВШ (ПАЛЕЦ АВТОСЦЕПКИ)(442)
1Артикул: 5440000198, PIN
2Артикул: 5440000195, RETAINER
3Артикул: 5440000196, SCREW
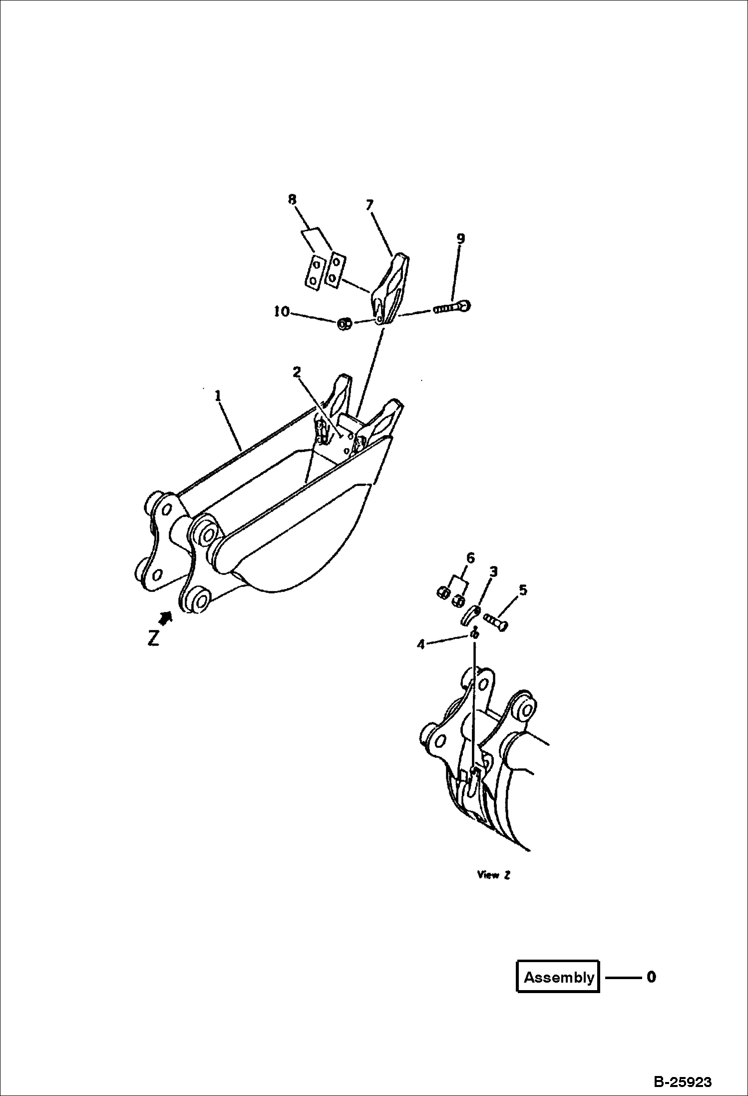
ПОВОРОТНЫЙ КОВШ (1500 ММ)(442)
1Артикул: BUCKET, BUCKET NLA - Includes Ref. 2-27 - Was 6190246500 - A
2Артикул: 5018001037, PIVOT MOUNT
3Артикул: SWILLING, SWILLING BUCKET CMP NLA - Was 5018001038 - A
КОВШ (С СКРЕБКОМ) (442) (350, 450 ММ)
1Артикул: BUCKET, BUCKET - 350MM NLA - Was 6223268002 - A
2Артикул: EJECTOR, EJECTOR NLA - 350mm - Was 6223268005 - A
3Артикул: 6151720006, BUCKET LINK
КОВШ (WERK-BRAU)(56)
1Артикул: BUCKET, BUCKET SALES - 12-- (304.8), 16-- (406.4), 20-- (508) & 24-- (609.6)
2Артикул: 6646808, EDGE L.H. & R.H.
3Артикул: 6646804, EDGE 12-- (304.8)
КОВШ С УКЛОНОМ (130)
1Артикул: BUCKET,, BUCKET, SLOPE FINISHING Was 201-928-2110
2Артикул: SHAFT, SHAFT Was 20X-70-24270
3Артикул: 6637011, BOLT
КОВШ (600 ММ ШИРОКИЕ)(116)
1Артикул: BUCKET, BUCKET SALES
2Артикул: 6642956, PLATE
3Артикул: 6642957, LIP
КОВШ (0.06 КУБИЧЕСКИХ МЕТРОВ)(56) (350 ММ ШИРОКИЕ, С КРЮКОМ)
1Артикул: BUCKET,, BUCKET, WITH HOOK Was 20M-70-48140
2Артикул: 6638142, EDGE (welded)
3Артикул: 6637821, TOOTH (welded)
КОВШ (220)
1Артикул: BUCKET, BUCKET NLA - 10-- (255 mm), 12-- (305mm), 16-- (405 mm) & 20-- (505 mm) - Order Ref. 9 - Was Sales
2Артикул: CUTTING, CUTTING EDGE NLA - 10-- (255 MM) - Order Ref. 8, 10, 12 & 13 - WAS 6533534 - A
3Артикул: CUTTING, CUTTING EDGE NLA - 12-- (305 MM) - Order Ref. 8, 10 12 & 13 - WAS 6533526 - A
КОВШ (0.05 КУБИЧЕСКИХ МЕТРОВ) (МИНИ 0.09 КУБИЧЕСКИХ МЕТРОВ)(100) (300 ММ ШИРОКИЕ, С КРЮКОМ)
1Артикул: 6667182, BUCKET assy
2Артикул: BUCKET, BUCKET Was 20S-926-3210
3Артикул: 6642879, EDGE (welded)
ДВУХЧЕЛЮСТНОЙ ГРЕЙФЕРНЫЙ КОВШ (ВЫДВИЖНЫЕ УСТРОЙСТВА)(442)
1Артикул: EXTENSION, EXTENSION KIT NLA - 1000mm - Was 6182785000 - A
2Артикул: EXTENSION, EXTENSION KIT NLA - 1500mm - Was 6182784000 - A
3Артикул: 5440000373, CLAMP
КОВШ (WERK-BRAU)(225,231,325,328,331)
1Артикул: BUCKET, BUCKET NLA - Trapezoidal - Was SALES
2Артикул: 6660128, CUTTING EDGE 5/8 x 6 x 12 inch - Weld On
3Артикул: 6660129, CUTTING EDGE 5/8 x 6 x 12 inch - Weld On
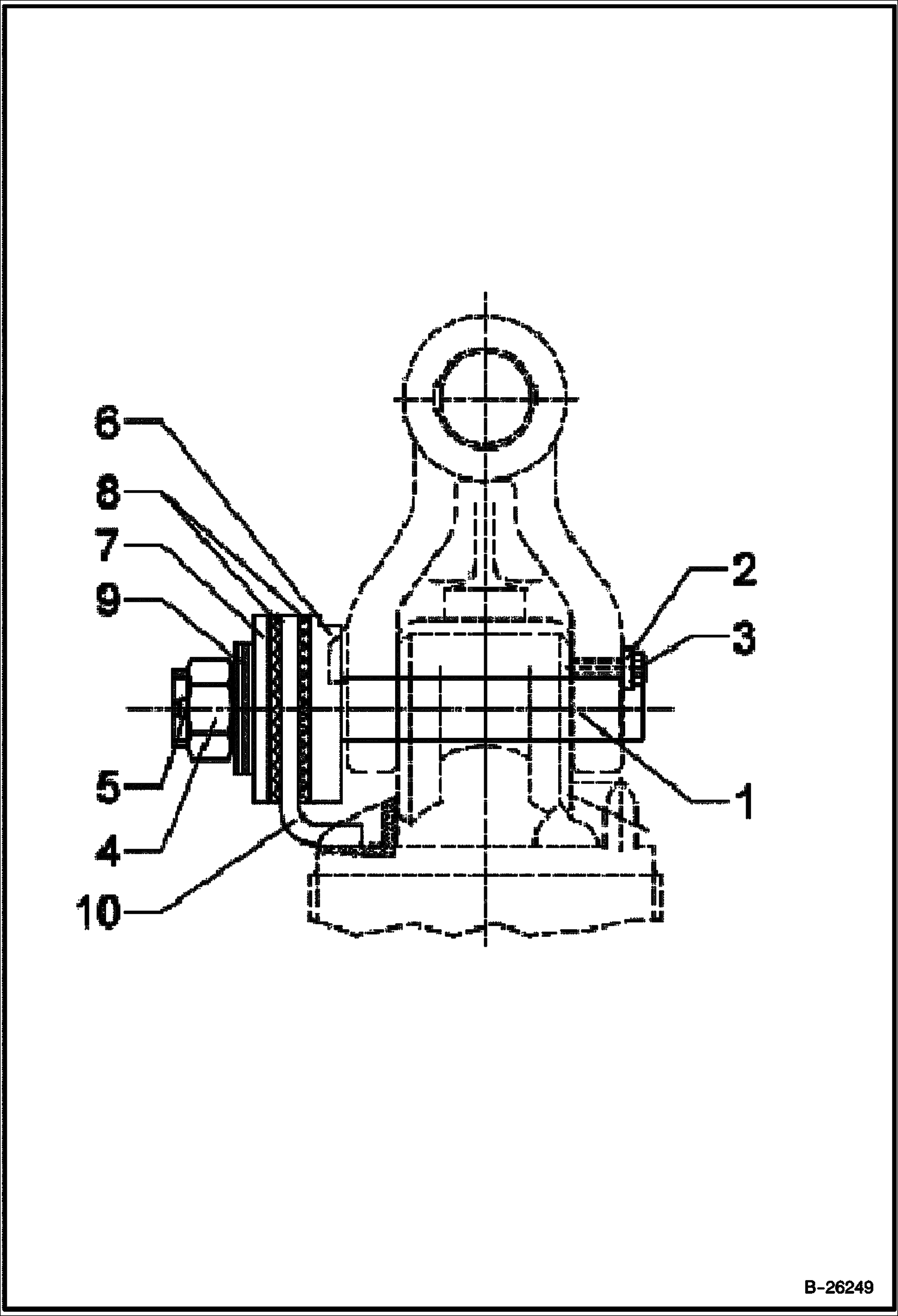
ДВУХЧЕЛЮСТНОЙ ГРЕЙФЕРНЫЙ КОВШ (ПРИВОД ВРАЩЕНИЯ)(442)
1Артикул: 5440000032, SWIVEL HEAD
2Артикул: 5440000013, BEARING CAP
3Артикул: 5440000014, SHAFT FLANGE
КОВШ (0,11 КУБИЧЕСКИХ МЕТРОВ)(130) (450 ММ ШИРОКИЕ)
1Артикул: BUCKET, BUCKET ASS-Y Was 201-926-0110
2Артикул: BUCKET, BUCKET Was 20X-926-2410
3Артикул: LIP, LIP welded - Was 20X-926-2420
КОВШ (CL3) (СМЕННЫЙ) (36--)
1Артикул: BUCKET, BUCKET SALES #M7029-R01-C01 (7178530STXT) - 36-- standard W/teeth - Ref. 2-13
2Артикул: BUCKET, BUCKET SALES #M7029-R01-C02 (7178530STXS) - 36-- standard W/O teeth - Ref. 2-8
3Артикул: BUCKET,, BUCKET, W/A NLA - Order Ref. 1
КОВШ ДЛЯ РЫТЬЯ ТРАНШЕЙ (0.05 КУБИЧЕСКИХ МЕТРОВ)(76) (250 ММ ШИРОКИЕ) (ОПЦИЯ)
1Артикул: 6642728, BUCKET
2Артикул: BUCKET, BUCKET Was 20N-926-4110
3Артикул: EDGE, EDGE (welded) - Was 20R-926-1120
КОВШ (КРЕПЛЕНИЕ)(225,325,328) (NON CURRENT)
1Артикул: BUCKET, BUCKET SALES - 12-- (300 mm) - SALES # 6534121
2Артикул: BUCKET, BUCKET SALES - 16-- (400 mm) - SALES# 6534122
3Артикул: BUCKET, BUCKET SALES - 20-- (500 mm) - SALES # 6534120
ДВУХЧЕЛЮСТНОЙ ГРЕЙФЕРНЫЙ КОВШ (ОГРАЖДЕНИЕ ШЛАНГА) (442)
1Артикул: HOSE, HOSE GUARD NSS
2Артикул: LOCKING, LOCKING SCREW NSS
КОВШ (УСТАНОВЛЕН СМЕННЫЙ)(325,328,331,334,430)
1Артикул: BUCKET, BUCKET NLA - 13-- (330mm) uses 3 teeth
2Артикул: BUCKET, BUCKET NLA - 16-- (406mm) uses 4 teeth
3Артикул: BUCKET, BUCKET NLA - 18-- (457mm) uses 4 teeth
ДВУХЧЕЛЮСТНОЙ ГРЕЙФЕРНЫЙ КОВШ (442)
1Артикул: 5440000036, BUCKET CARRIER (400)
2Артикул: 5440000037, BUCKET CARRIER (500)
3Артикул: BUCKET, BUCKET SET W/Ref. 10 & 11 - not serviced, order components
КОВШ (0.14 КУБИЧЕСКИХ МЕТРОВ) (МИНИ 0.24 КУБИЧЕСКИХ МЕТРОВ)(116) (600 ММ ШИРОКИЕ) (УСИЛЕННОГО ТИПА)
1Артикул: BUCKET, BUCKET ASSY Was 20T-70-00570
2Артикул: BUCKET, BUCKET Was 20T-70-42210
3Артикул: LIP, LIP Was 20T-70-42220
КОВШ (СМЕННЫЙ) (24-- ПРЕДНАЗНАЧЕННЫЙ ДЛЯ ТЯЖЕЛЫХ УСЛОВИЙ ЭКСПЛУАТАЦИИ) (337)
1Артикул: BUCKET, BUCKET SALES #7150227 - 24-- severe duty
2Артикул: 6737325, TOOTH, BUCKET 10 See BTI376 - 140 mm (5.5--) long
3Артикул: 6737325EF, TOOTH, BUCKET
КОВШ DITCH (БЫСТРОСМЕННАЯ МУФТА КРЕПЛЕНИЯ БОЛТА)
1Артикул: BUCKET,, BUCKET, DITCH SALES #7242200 - 1235 mm (48.6--) - Ref. 2-4, Ref. 5 (7244999 cutting edge), Ref. 6 & 7
2Артикул: BUCKET,, BUCKET, DITCH SALES #7242550 - 1555 mm (61.2--) - Ref. 2-4, Ref. 5 (7245001 cutting edge), Ref. 6 & 7
3Артикул: 4DM12, NUT HEX
КОВШ (CL4) (СМЕННЫЙ) (12--)
1Артикул: BUCKET, BUCKET SALES #M7025-R01-C01 (7172878STXT) - 12-- standard W/teeth - Ref. 2-13
2Артикул: BUCKET, BUCKET SALES #M7025-R01-C02 (7172878SDXT) - 12-- severe duty W/teeth - Ref. 2-14
3Артикул: BUCKET, BUCKET SALES #M7025-R01-C03 (7172878STXS) - 12-- standard W/O teeth - Ref. 2-8
КОВШ (0.16 КУБИЧЕСКИХ МЕТРОВ) (МИНИ 0.26 КУБИЧЕСКИХ МЕТРОВ)(116) (700 ММ ШИРОКИЕ)
1Артикул: BUCKET, BUCKET ASSY Was 20T-920-0030
2Артикул: BUCKET, BUCKET Was 20T-920-3110
3Артикул: LIP, LIP Was 20T-920-3120
КОВШ (0.11 КУБИЧЕСКИХ МЕТРОВ) (МИНИ 0.18 КУБИЧЕСКИХ МЕТРОВ)(100) (600 ММ ШИРОКИЕ)
1Артикул: BUCKET, BUCKET ASS-Y Was 20S-920-0020
2Артикул: BUCKET, BUCKET Was 20S-920-3110
3Артикул: 6642876, EDGE lip - welded
КОВШ (СМЕННЫЙ) (39-- ГРЕЙДЕРНЫЙ КОВШ)
1Артикул: BUCKET, BUCKET SALES #7169677 - X-Change - 39-- Grading
2Артикул: 7135986, EDGE, CUTTING WELD-ON SIDE
3Артикул: 7167814, BAR, WEAR
КОВШ (GRADING PIN-ON STYLE) (31.00--) (800 ММ) (317 И 418)
1Артикул: BUCKET, BUCKET SALES #7150275 - grading - pin-on - 31.00-- (800 mm) for 317 & 418 excavators
2Артикул: 7150281, EDGE CUTTING front cutting
КОВШ (0.05 КУБИЧЕСКИХ МЕТРОВ (МИНИ 0.09 КУБИЧЕСКИХ МЕТРОВ)(100) (300 ММ ШИРОКИЕ)
1Артикул: BUCKET, BUCKET ASS-Y Was 20S-926-0020
2Артикул: BUCKET, BUCKET Was 20S-926-3110
3Артикул: 6642879, EDGE (welded)
КОВШ (0.09 КУБИЧЕСКИХ МЕТРОВ) (МИНИ 0.15 КУБИЧЕСКИХ МЕТРОВ)(100) (500 ММ ШИРОКИЕ, С КРЮКОМ)
1Артикул: BUCKET, BUCKET ASS-Y Was 20S-70-00470
2Артикул: BUCKET, BUCKET Was 20S-70-32110
3Артикул: EDGE, EDGE (welded) - Was 20S-70-21520
КОВШ (0,11 КУБИЧЕСКИХ МЕТРОВ)(130) (450 ММ ШИРОКИЕ, С КРЮКОМ) (PC60)
1Артикул: BUCKET, BUCKET ASS-Y Was 201-926-0140
2Артикул: BUCKET, BUCKET Was 20X-926-2430
3Артикул: BUCKET, BUCKET Was 20X-926-2410
КОВШ (УСТАНОВЛЕН СМЕННЫЙ)(325,328,425,428) (ОТЛИВКА)
1Артикул: BUCKET, BUCKET SALES - 13-- (330mm) - uses 3 teeth - SALES #6735375
2Артикул: BUCKET, BUCKET SALES - 16-- (406mm) - uses 4 teeth - SALES #6735380
3Артикул: BUCKET, BUCKET SALES - 20-- (508mm) - uses 5 teeth - SALES #6735395
КОВШ (C 6-- РЕЖУЩИМИ КРОМКАМИ)(130) (WERK BRAU)
1Артикул: BUCKET, BUCKET SALES - 16--, 20--, 24--, 30-- & 36--
2Артикул: 6646814, EDGE 16-- (3/4-- thick)
3Артикул: 6646815, EDGE 20-- (3/4-- thick)
КОВШ (0.16 КУБИЧЕСКИХ МЕТРОВ) (МИНИ 0.26 КУБИЧЕСКИХ МЕТРОВ)(116) (700 ММ ШИРОКИЕ, С КРЮКОМ (КРОМЕ ЯПОНИИ)
1Артикул: BUCKET, BUCKET ASSY Was 20T-920-0040
2Артикул: BUCKET, BUCKET Was 20T-920-3210
3Артикул: LIP, LIP Was 20T-920-3120
КОВШ (CL3) (СМЕННЫЙ) (30--) (БЕЗ ЗУБЬЕВ)
1Артикул: BUCKET, BUCKET SALES #M7028-R01-C03 (7178598STXS) - 30-- standard W/O teeth - Ref. 2-8
2Артикул: BUCKET,, BUCKET, W/A NLA - Order Ref. 1
3Артикул: 7137508, EDGE, CUTTING WELD-ON 30--
КОВШ (РЫХЛИТЕЛЬ) (12.00--) (300 ММ) (317 И 418)
1Артикул: BUCKET, BUCKET SALES #7140493 - pin-on - 12.00-- (300 mm) for 317 & 418 excavators
2Артикул: 6807154, EDGE, SIDE WELD ON BEVELED 3-- side cutting - Was 7140507 - A
3Артикул: 7140518, EDGE CUTTING front cutting
КОВШ (300, 450, 500, 600, 800, 900 ММ)(442) (ПРЯМОЕ КРЕПЛЕНИЕ)
1Артикул: BUCKET, BUCKET NLA - 300MM - Was 6190279500 - A
2Артикул: BUCKET, BUCKET NLA - 450MM - Was 6190280000 - A
3Артикул: BUCKET, BUCKET NLA - 500MM - Was 6190281500 - A
КОВШ (0,32 КУБИЧЕСКИХ МЕТРОВ)(130) (725 ММ ШИРОКИЕ)
1Артикул: BUCKET, BUCKET ASS-Y Was 20X-70-00240
2Артикул: BUCKET, BUCKET Was 20X-70-23111
3Артикул: LIP, LIP welded - Was 20X-70-23120
КОВШ (CL3) (СМЕННЫЙ) (12--) (16--) (18--)
1Артикул: BUCKET, BUCKET SALES - 12-- servere duty - Sales #7145604
2Артикул: 7107319, TOOTH, BUCKET 10 - 114,3 mm (4.5--) long
3Артикул: 7107319EF, TOOTH, BUCKET
ОТВАЛ ГРЕЙДЕРА (55-- ГРЕЙДЕР)(325-435)
1Артикул: DOZER, DOZER SALES #6817096
2Артикул: 6809205, EDGE, CUTTING WELD ON 53-- weld on
КОВШ (РЫХЛИТЕЛЬ) (8.00--) (200 ММ) (317 И 418)
1Артикул: BUCKET, BUCKET SALES #7157626 - pin-on - 8.00-- (200 mm) - for 317 & 418 excavators
2Артикул: 6807154, EDGE, SIDE WELD ON BEVELED 3-- side cutting - Was 7140507 - A
3Артикул: 7157631, EDGE CUTTING front cutting
КОВШ (УСТАНОВЛЕН СМЕННЫЙ)(335,337,341,435)
1Артикул: BUCKET, BUCKET SALES - 13-- (330mm) uses 3 teeth - Sales #6735350
2Артикул: BUCKET, BUCKET SALES - 18-- (457mm) uses 4 teeth - Sales #6735354
3Артикул: BUCKET, BUCKET SALES - 24-- (609mm) uses 4 teeth - Sales #6735358
КОВШ (С СКРЕБКОМ И БЫСТРОЕ РАЗЪЕДИНЕНИЕ)(442) (290 ММ)
1Артикул: BUCKET, BUCKET - 290MM NLA - Was 6223263002 - A
2Артикул: 6223263005, EJECTOR
3Артикул: 6151720006, BUCKET LINK
КОВШ (СМЕННЫЙ) (36-- ПРЕДНАЗНАЧЕННЫЙ ДЛЯ ТЯЖЕЛЫХ УСЛОВИЙ ЭКСПЛУАТАЦИИ) (337)
1Артикул: BUCKET, BUCKET SALES - 36-- severe duty - Sales #7150228
2Артикул: 6737325, TOOTH, BUCKET 10 See BTI376 - 140 mm (5.5--) long
3Артикул: 6737325EF, TOOTH, BUCKET
КОВШ (0.05 КУБИЧЕСКИХ МЕТРОВ) (МИНИ 0.09 КУБИЧЕСКИХ МЕТРОВ)(116) (300 ММ ШИРОКИЕ)
1Артикул: BUCKET, BUCKET ASSY Was 20T-926-0010
2Артикул: BUCKET, BUCKET Was 20T-926-1111
3Артикул: LIP, LIP Was 20T-926-1120
КОВШ ДЛЯ ОЧИСТКИ ТРАНШЕЙ (ПРЯМОЕ КРЕПЛЕНИЕ) (442) (С ЗУБОМ РЫХЛИТЕЛЯ)
1Артикул: 6190288000, DITCH CLEANING BUCKET W/Ref. 2 & 3
2Артикул: 5018001003, CUTTING EDGE
3Артикул: 5018001057, BLADE
КОВШ (CL3) (СМЕННЫЙ) (12--)
1Артикул: BUCKET, BUCKET SALES #M7024-R01-C01 (7172855STXT) - 12-- standard W/teeth - Ref. 2-13
2Артикул: BUCKET, BUCKET SALES #M7024-R01-C02 (7172855SDXT) - 12-- severe duty W/teeth - Ref. 2-14
3Артикул: BUCKET, BUCKET SALES #M7024-R01-C03 (7172855STXS) - 12-- standard W/O teeth - Ref. 2-8
КОВШ (СМЕННЫЙ) (52-- ГРЕЙДЕРНЫЙ КОВШ)
1Артикул: BUCKET, BUCKET SALES #7169624 - X-Change - 52-- Grading
2Артикул: 7137506, EDGE, CUTTING WELD-ON SIDE
3Артикул: 7167632, BAR, WEAR
КОВШ (18-- ПРОВЕДЕНИЕ ТРАНШЕЙ ) (E80) (WERK-BRAU)
1Артикул: BUCKET, BUCKET ASSY 18-- SALES #7171895 - W/Ref. 2-5
2Артикул: 6657330, TOOTH
3Артикул: 6657330EF, TOOTH, BUCKET
ПОВОРОТНЫЙ КОВШ (1500 ММ)(442) (ПРЯМОЕ КРЕПЛЕНИЕ)
1Артикул: BUCKET, BUCKET NLA - Includes Ref. 2-27 - Was 6190246500 - A
2Артикул: 5018001037, PIVOT MOUNT
3Артикул: SWILLING, SWILLING BUCKET CMP NLA - Was 5018001038 - A
КОВШ ДЛЯ РЫТЬЯ ТРАНШЕЙ (0,09 КУБИЧЕСКИХ МЕТРОВ)(100) (300 ММ ШИРОКИЕ) (ОПЦИЯ)
1Артикул: 6642877, BUCKET AS
2Артикул: 6642878, BUCKET
3Артикул: 6642879, EDGE lip - welded
ДВУХЧЕЛЮСТНОЙ ГРЕЙФЕРНЫЙ КОВШ (SCRAPER)(442)
1Артикул: 5440000151, SCRAPER SIDE
2Артикул: 5440000236, CLAMP 325mm
3Артикул: 5440000152, CLAMP 400mm
КОВШ (0.06 КУБИЧЕСКИХ МЕТРОВ) (МИНИ 0.1 КУБИЧЕСКИХ МЕТРОВ)(76) (450 ММ ШИРОКИЕ)
1Артикул: BUCKET, BUCKET ASSY Komatsu S/N 10501-10554 - Was 20N-70-41700
2Артикул: BUCKET, BUCKET ASSY Komatsu S/N 10555 & Abv - Was 20N-70-47300
3Артикул: BUCKET, BUCKET Komatsu S/N 10501-10554 - Was 20N-54-41710
КОВШ (48-- НАКЛОН) (E80) (WERK-BRAU)
1Артикул: BUCKET, BUCKET ASSY TILTING SALES #7171901 - W/Ref. 2-28
2Артикул: MOUNT,, MOUNT, BUCKET NLA - Was 7010702 - A
3Артикул: 7010703, PIN
КОВШ (WERK-BRAU)(76)
1Артикул: BUCKET, BUCKET SALES - 12-- (304.8), 16-- (406.4), 20-- (508) & 24-- (609.6)
2Артикул: 6646813, EDGE L.H. & R.H.
3Артикул: 6646809, EDGE 12-- (304.8)
КОВШ (24-- ПРОВЕДЕНИЕ ТРАНШЕЙ ) (E80) (WERK-BRAU)
1Артикул: BUCKET, BUCKET ASSY 24-- SALES #7171893 - W/Ref. 2-5
2Артикул: 6657330, TOOTH
3Артикул: 6657330EF, TOOTH, BUCKET
КОВШ (200 ММ, 300 ММ, 400 ММ)(316)
1Артикул: 6816768, BUCKET, 200MM 200 mm - Was SALES - A
2Артикул: 6816769, BUCKET, 300MM 300 mm - Was SALES - A
3Артикул: 6816770, BUCKET, 400MM 400 mm - Was SALES - A
КОВШ (56)
1Артикул: BUCKET, BUCKET NLA - 350mm - Was SALES - A
2Артикул: 6638142, EDGE welded
3Артикул: 6637821, TOOTH welded
КОВШ (0.11 КУБИЧЕСКИХ МЕТРОВ) (МИНИ 0.18 КУБИЧЕСКИХ МЕТРОВ)(100) (600 ММ ШИРОКИЕ, С КРЮКОМ)
1Артикул: BUCKET, BUCKET ASS-Y Was 20S-920-0030
2Артикул: BUCKET, BUCKET Was 20S-920-3210
3Артикул: 6642876, EDGE lip - welded
КОВШ (CL4) (СМЕННЫЙ) (36--)
1Артикул: BUCKET, BUCKET SALES #M7020-R01-C01 (7175594STXT) - 36-- standard W/teeth - Ref. 2-13
2Артикул: BUCKET, BUCKET SALES #M7020-R01-C02 (7175594SDXT) - 36-- severe duty W/teeth - Ref. 2-14
3Артикул: BUCKET, BUCKET SALES #M7020-R01-C03 (7175594STXS) - 36-- standard W/O teeth - Ref. 2-8
КОВШ (CL3) (СМЕННЫЙ) (20--) (БЕЗ ЗУБЬЕВ)
1Артикул: BUCKET, BUCKET SALES #M7027-R01-C03 (7178734STXS) - 20-- standard W/O teeth - Ref. 2-8
2Артикул: BUCKET,, BUCKET, W/A NLA - Order Ref. 1
3Артикул: 7131280, EDGE, CUTTING WELD-ON 20--
КОВШ (0.14 КУБИЧЕСКИХ МЕТРОВ) (МИНИ 0.24 КУБИЧЕСКИХ МЕТРОВ)(116) (600 ММ ШИРОКИЕ, С КРЮКОМ) (КРОМЕ ЯПОНИИ)
1Артикул: BUCKET, BUCKET ASSY Was 20T-70-00561
2Артикул: BUCKET, BUCKET Komatsu S/N 10735 & Abv - Was 20T-70-42110
3Артикул: 6644832, BUCKET Komatsu S/N 10001-10734
КОВШ (36-- ПРОВЕДЕНИЕ ТРАНШЕЙ ) (E80) (WERK-BRAU)
1Артикул: BUCKET, BUCKET ASSY 36-- SALES #7171897 - W/Ref. 2-5
2Артикул: 6657330, TOOTH
3Артикул: 6657330EF, TOOTH, BUCKET
КОВШ ДЛЯ РЫТЬЯ ТРАНШЕЙ (0.07 КУБИЧЕСКИХ МЕТРОВ)(76) (350 ММ ШИРОКИЕ) (ОПЦИЯ)
1Артикул: 6642729, BUCKET ASSY
2Артикул: BUCKET, BUCKET Was 20N-926-4210
3Артикул: 6645945, EDGE, WELDED
ОСВЕТИТЕЛЬНОЕ УСТРОЙСТВО КОВША (0.16 КУБИЧЕСКИХ МЕТРОВ, 0.26 КУБИЧЕСКИХ МЕТРОВ)(116) (700 ММ ШИРОКИЕ)
1Артикул: BUCKET, BUCKET Was 20T-920-3110
2Артикул: LIP, LIP welded - Was 20T-920-3120
3Артикул: 6639612, TOOTH
ДВУХЧЕЛЮСТНОЙ ГРЕЙФЕРНЫЙ КОВШ (ГИДРОПОДЪЕМНИК)(442) (С ОБРАТНЫМ КЛАПАНОМ)
1Артикул: 5440000089, CASE
2Артикул: 5440000090, PISTON
3Артикул: 5440000075, HEAD
КОВШ (СМЕННЫЙ) (12-- ПРЕДНАЗНАЧЕННЫЙ ДЛЯ ТЯЖЕЛЫХ УСЛОВИЙ ЭКСПЛУАТАЦИИ) (337)
1Артикул: BUCKET, BUCKET SALES - 12-- servere duty - Sales #7150510
2Артикул: 6737325, TOOTH, BUCKET 10 See BTI376 - 140 mm (5.5--) long
3Артикул: 6737325EF, TOOTH, BUCKET
КОВШ (ТРАНШЕЯ ДЛЯ КАБЕЛЯ)(442)
1Артикул: 6149248001, BUCKET
2Артикул: 6149248008, BLADE
3Артикул: NAME, NAME PLATE NSS
КОВШ (0,25 КУБИЧЕСКИХ МЕТРОВ)(130) (650 ММ ШИРОКИЕ, С КРЮКОМ) (PC60)
1Артикул: BUCKET, BUCKET ASS-Y Was 201-70-00490
2Артикул: BUCKET, BUCKET Was 201-70-53150
3Артикул: 6639127, BUCKET
КОВШ (0.07 КУБИЧЕСКИХ МЕТРОВ) (МИНИ 0.12 КУБИЧЕСКИХ МЕТРОВ)(76) (550 ММ ШИРОКИЕ)
1Артикул: BUCKET, BUCKET ASSY Komatsu S/N 10501-10554 - Was 20N-920-4500
2Артикул: BUCKET, BUCKET ASSY Komatsu S/N 10555 & Abv - Was 20N-920-4700
3Артикул: BUCKET, BUCKET Komatsu S/N 10501-10554 - Was 20N-920-4510
ДВУХЧЕЛЮСТНОЙ ГРЕЙФЕРНЫЙ КОВШ (ТРАВЕРСА, РАБОТАЮЩАЯ НА СЖАТИЕ)(442)
1Артикул: 5440000176, RAIL 720mm
2Артикул: 5440000177, RAIL 1000mm
3Артикул: 5440000178, RAIL 1250mm
КОВШ (BOBCAT)(116)
1Артикул: BUCKET, BUCKET SALES - Trenching 12-- (304,8), 18-- (457,2), 24-- (609,6) & 30-- (762)
2Артикул: 6593937, EDGE, CUTTING WELD ON BEVELED 24--
3Артикул: 6593932, CUTTING EDGE L.H.
КОВШ (РЫХЛИТЕЛЬ) (16.00--) (400 ММ) (317 И 418)
1Артикул: BUCKET, BUCKET SALES #7140489 - pin-on - 16.00-- (400 mm) for 317 & 418 excavators
2Артикул: 6807154, EDGE, SIDE WELD ON BEVELED 3-- side cutting - Was 7140507 - A
3Артикул: 7140508, EDGE CUTTING front cutting
КОВШ (24-- ПРОВЕДЕНИЕ ТРАНШЕЙ )(442) (WERK-BRAU)
1Артикул: BUCKET, BUCKET 24-- trenching - SALES# 7125308
2Артикул: 6691584, SHANK standard
3Артикул: 6691585, SHANK corner
КОВШ (36-- ПРОВЕДЕНИЕ ТРАНШЕЙ )(442) (WERK-BRAU)
1Артикул: BUCKET, BUCKET 36-- trenching - SALES# 7125312
2Артикул: 6691584, SHANK standard
3Артикул: 6691585, SHANK corner
КОВШ (CL4) (СМЕННЫЙ) (18--) (24--)
1Артикул: BUCKET, BUCKET SALES #M7030-R01-C01 (7178389STXT) - 18-- standard W/teeth - Ref. 2-13
2Артикул: BUCKET, BUCKET SALES #M7030-R01-C02 (7178389SDXT) - 18-- severe duty W/teeth - Ref. 2-14
3Артикул: BUCKET, BUCKET SALES #M7030-R01-C03 (7178389STXS) - 18-- standard W/O teeth - Ref. 2-8
КОВШ (54-- ТАНШЕЕКОПАТЕЛЬ)(442) (WERK-BRAU)
1Артикул: BUCKET, BUCKET 54-- Ditching - SALES# 7125306
2Артикул: 6691591, CUTTING EDGE
3Артикул: 6691580, BOLT
КОВШ (13--, 18--, И 24-- ОСОБО ПРОЧНЫЙ)(329,331,334,430)
1Артикул: BUCKET, BUCKET SALES #7104343 - 330 mm (13--) wide H.D. - Uses 3 teeth
2Артикул: BUCKET, BUCKET SALES #7104336 - 457 mm (18--) wide H.D. - Uses 4 teeth
3Артикул: BUCKET, BUCKET SALES - 24-- (610mm) H.D. uses 4 teeth - Sales # 6813593
ДВУХЧЕЛЮСТНОЙ ГРЕЙФЕРНЫЙ КОВШ (ГИДРОПОДЪЕМНИК)(442)
1Артикул: 5440000073, CASE
2Артикул: 5440000074, SEAT
3Артикул: 5440000075, HEAD
КОВШ (CL4) (СМЕННЫЙ) (30--)
1Артикул: BUCKET, BUCKET SALES #M7026-R01-C01 (7177613STXT) - 30-- standard W/teeth - Ref. 2-13
2Артикул: BUCKET,, BUCKET, W/A NLA - Order Ref. 1
3Артикул: 7141222, EDGE, CUTTING WELD-ON 30--
КОВШ (BOBCAT)(100)
1Артикул: BUCKET, BUCKET SALES - trenching (12--, 16--, 20--, 24-- & 30--)
2Артикул: 6593115, CUTTING EDGE Cutting
3Артикул: 6593062, CUTTING EDGE Cutting (L.H.)
КОВШ (0.05 КУБИЧЕСКИХ МЕТРОВ, 0.08 КУБИЧЕСКИХ МЕТРОВ)(116) (300 ММ ШИРОКИЕ)
1Артикул: BUCKET, BUCKET Was 20T-926-1111
2Артикул: LIP, LIP welded - Was 20T-926-1120
3Артикул: 6639612, TOOTH
КОВШ (КРЕПЛЕНИЕ)(231,331,334) (NON CURRENT)
1Артикул: BUCKET, BUCKET SALES - 12-- (305 mm) - SALES # 6536100
2Артикул: BUCKET, BUCKET SALES - 16-- (406 mm) - SALES # 6536110
3Артикул: BUCKET, BUCKET SALES - 20-- (508 mm) - SALES # 6536055
КОВШ (РЫХЛИТЕЛЬ) (20.00--) (500 ММ) (317 И 418)
1Артикул: BUCKET, BUCKET SALES #7150266- pin-on - 20.00-- (500 mm) for 317 & 418 excavators
2Артикул: 6807154, EDGE, SIDE WELD ON BEVELED 3-- side cutting - Was 7140507 - A
3Артикул: 7150272, EDGE CUTTING front cutting
КОВШ (0.04 КУБИЧЕСКИХ МЕТРОВ)(56) (250 ММ ШИРОКИЕ, С КРЮКОМ)
1Артикул: BUCKET,, BUCKET, WITH HOOK Was 20M-926-4120
2Артикул: EDGE, EDGE (welded) - Was 20M-926-3120
3Артикул: 6637821, TOOTH (welded)
КОВШ (УСТАНОВЛЕН СМЕННЫЙ)(337,341) (ОТЛИВКА)
1Артикул: BUCKET, BUCKET NLA - 13-- (330 mm) - uses 3 teeth - Was SALES
2Артикул: BUCKET, BUCKET NLA - 18-- (406 mm) - uses 4 teeth - Was SALES
3Артикул: BUCKET, BUCKET NLA - 24-- (609 mm) - uses 4 teeth - Was SALES
КОВШ (СМЕННЫЙ)(335,337,341,435) (HD ОТЛИВКА)
1Артикул: BUCKET, BUCKET SALES #6813606 - 24-- - 4 teeth
2Артикул: BUCKET, BUCKET SALES #6813607 - 36-- - 6 teeth
3Артикул: 6813941, EDGE, CUTTING, WELD-ON 24--
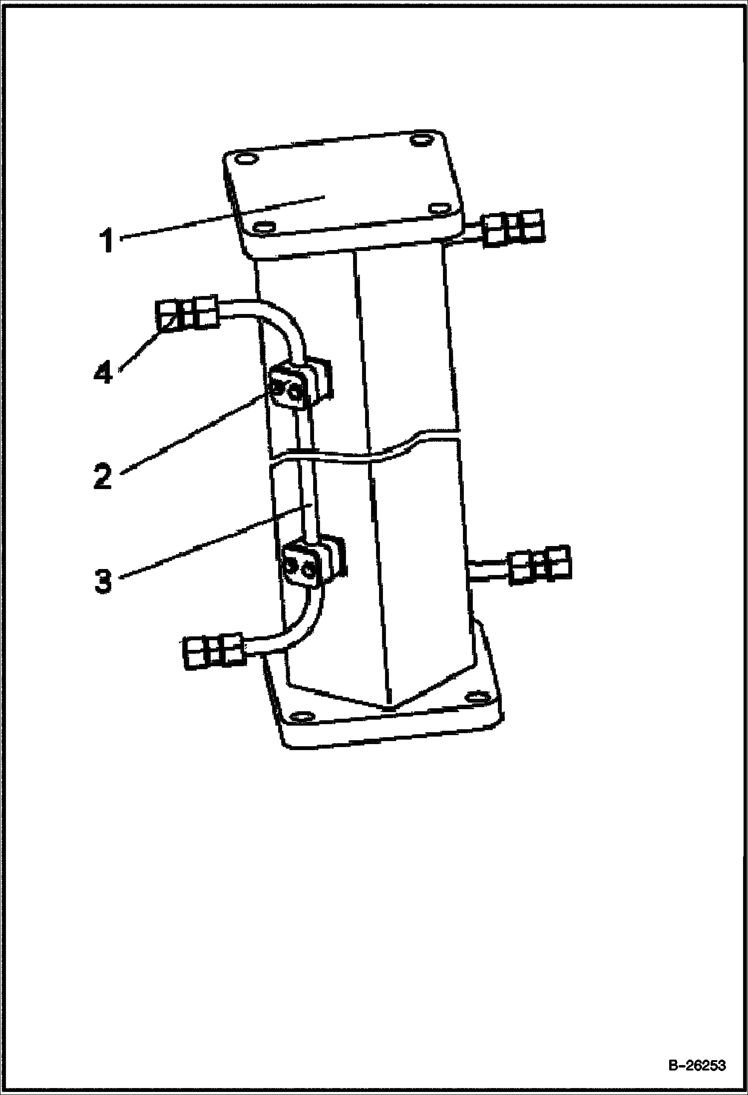
ПОВОРОТНЫЙ КОВШ (ГИДРОЦИЛИНДР)(442)
1Артикул: 6502045000, HYDRAULIC CYLINDER
2Артикул: 6502045003, PIPE
3Артикул: 1456622670, CIRCLIP
КОВШ (КРЕПЛЕНИЕ) (39-- ГРЕЙДЕРНЫЙ КОВШ)
1Артикул: BUCKET, BUCKET SALES #7169678 - pin-on - 39-- Grading
2Артикул: 7147495, EDGE, CUTTING WELD-ON SIDE
3Артикул: 7167814, BAR, WEAR
ЗУБЬЯ КОВША (ЗАМЕНА ТОЛЬКО В ПРОЦЕССЕ ОБСЛУЖИВАНИЯ)
1Артикул: 7107328, TOOTH, ASSY 5 W/ (1) each of Ref. 2-4 - Was 6671143 - A
2Артикул: SHANK, SHANK NLA - Order 7107322 shank - Was 7107318 - A
3Артикул: 7107322, SHANK
КОВШ (CL3) (СМЕННЫЙ) (16--) (18--) (20--) (24--)
1Артикул: BUCKET, BUCKET SALES #M7031-R01-C01 (7178816STXT) - 16-- standard W/teeth - Ref. 2-13
2Артикул: BUCKET, BUCKET SALES #M7031-R01-C02 (7178816SDXT) - 16-- severe duty W/teeth - Ref. 2-14
3Артикул: BUCKET, BUCKET SALES #M7023-R01-C01 (7178758STXT) - 18-- standard W/teeth - Ref. 2-13
КОВШ (CL4) (СМЕННЫЙ) (30--) (БЕЗ ЗУБЬЕВ)
1Артикул: SALES, SALES #M7026-R01-C03 (7177608STXS) - 30-- standard W/O teeth - Ref. 2-8
2Артикул: BUCKET,, BUCKET, W/A NLA - Order Ref. 1
3Артикул: 7141222, EDGE, CUTTING WELD-ON 30--
КОВШ (С СКРЕБКОМ) (400 ММ) (442) (БЫСТРОСЪЕМНЫЙ)
1Артикул: BUCKET, BUCKET CPL NLA - 400mm - W/Ref. 2-24 - Was 6190290700 - A
2Артикул: BUCKET, BUCKET NLA - Was 5018001074 - A
3Артикул: 5018001075, CUTTING EDGE 400 MM
КОВШ (0,08 КУБИЧЕСКИХ МЕТРОВ)(130) (350 ММ ШИРОКИЕ)
1Артикул: BUCKET, BUCKET ASS-Y Was 201-926-0100
2Артикул: BUCKET, BUCKET Was 20X-926-2310
3Артикул: LIP, LIP welded - Was 20X-926-2320
КОВШ (0.05 КУБИЧЕСКИХ МЕТРОВ) (МИНИ 0.09 КУБИЧЕСКИХ МЕТРОВ)(116) (300 ММ ШИРОКИЕ, С КРЮКОМ (КРОМЕ ЯПОНИИ)
1Артикул: BUCKET, BUCKET ASSY Was 20T-926-0040
2Артикул: BUCKET, BUCKET Was 20T-926-3210
3Артикул: LIP, LIP Was 20T-926-1120
ЭКСКАВАТОРНЫЙ КОВШ (БЫСТРОСМЕННАЯ МУФТА КРЕПЛЕНИЯ БОЛТА)
1Артикул: BUCKET,, BUCKET, DIG SALES #7242190 - 300 mm (11.8--) - Ref. 2-4 & (3) of Ref. 5-7
2Артикул: BUCKET,, BUCKET, DIG SALES #7242191 - 400 mm (15.8--) - Ref. 2-4 & (3) of Ref. 5-7
3Артикул: BUCKET,, BUCKET, DIG SALES 37242192 - 450 mm (17.7--) - Ref. 2-4 & (4) of Ref. 5-7
КОВШ (0.13 КУБИЧЕСКИХ МЕТРОВ) (МИНИ 0.22 КУБИЧЕСКИХ МЕТРОВ)(116) (600 ММ ШИРОКИЕ)
1Артикул: BUCKET, BUCKET ASSY Was 20T-70-00341
2Артикул: BUCKET, BUCKET Komatsu S/N 10735 & Abv - Was 20T-70-41310
3Артикул: 6642955, BUCKET Komatsu S/N 10001-10734
КОВШ (ДЕМОНТАЖ ТРОТУАРНОЙ ПЛИТКИ)(442) (WERK-BRAU)
1Артикул: BUCKET, BUCKET pavement removal - SALES# 7125316
2Артикул: 6691584, SHANK standard
3Артикул: 6567620, PIN
ТРАПЕЦИЕВИДНЫЙ КОВШ (130)
1Артикул: TRAPEZOIDAL, TRAPEZOIDAL BUCKET ASS-Y Was 201-929-0021
2Артикул: BUCKET,, BUCKET, TRAPEZOIDAL Was 201-929-2111
3Артикул: LIP, LIP welded - Was 201-929-2120
ОСВЕТИТЕЛЬНОЕ УСТРОЙСТВО КОВША (0,18 КУБИЧЕСКИХ МЕТРОВ)(100) (600 ММ ШИРОКИЕ) (ОПЦИЯ)
1Артикул: 6642874, BUCKET AS
2Артикул: 6642875, BUCKET
3Артикул: 6642876, EDGE lip - welded
КОВШ (0.04 КУБИЧЕСКИХ МЕТРОВ) (МИНИ 0.07 КУБИЧЕСКИХ МЕТРОВ)(76) (350 ММ ШИРОКИЕ)
1Артикул: BUCKET, BUCKET ASSY Komatsu S/N 10501-10554 - Was 20N-926-4600
2Артикул: BUCKET, BUCKET ASSY Komatsu S/N 10555 & Abv - Was 20N-926-4705
3Артикул: BUCKET, BUCKET Komatsu S/N 10501-10554 - Was 20N-926-4610
КОВШ (0.13 КУБИЧЕСКИХ МЕТРОВ, 0.22 КУБИЧЕСКИХ МЕТРОВ)(116) (600 ММ ШИРОКИЕ)
1Артикул: 6642955, BUCKET
2Артикул: 6642956, PLATE welded
3Артикул: 6642957, LIP welded
КОВШ (48-- НАКЛОН)(442) (WERK-BRAU)
1Артикул: SALES, SALES SALES# 7125320
2Артикул: 6691571, BUSHING
3Артикул: 6691572, PIN
КОВШ (C 4-- РЕЖУЩИМИ КРОМКАМИ)(56)
1Артикул: BUCKET, BUCKET SALES - 12--, 16--, 20-- & 24--
2Артикул: 6646808, EDGE l.h.
3Артикул: 6646808, EDGE r.h.
КОВШ (0,18 КУБИЧЕСКИХ МЕТРОВ)(130) (550 ММ ШИРОКИЕ, С КРЮКОМ) (PC60)
1Артикул: BUCKET, BUCKET ASS-Y Was 201-926-0150
2Артикул: BUCKET, BUCKET Was 20X-926-2530
3Артикул: BUCKET, BUCKET Was 20X-926-2510
КОВШ (СМЕННЫЙ) (18-- ПРЕДНАЗНАЧЕННЫЙ ДЛЯ ТЯЖЕЛЫХ УСЛОВИЙ ЭКСПЛУАТАЦИИ) (331)
1Артикул: BUCKET, BUCKET SALES - 18-- severe duty - Sales #7149933
2Артикул: 7107319, TOOTH, BUCKET 10 114,3 mm (4.5--) long
3Артикул: 7107319EF, TOOTH, BUCKET
КОВШ (0.03 КУБИЧЕСКИХ МЕТРОВ) (МИНИ 0.05 КУБИЧЕСКИХ МЕТРОВ)(76) (250 ММ ШИРОКИЕ)
1Артикул: BUCKET, BUCKET ASSY Komatsu S/N 10501-10554 - Was 20N-926-4500
2Артикул: 6642728, BUCKET Assy - Komatsu S/N 10555 & Abv
3Артикул: BUCKET, BUCKET Komatsu S/N 10501-10554 - Was 20N-926-4510
КОВШ (КРЕПЛЕНИЕ)(319,320,322,323)
1Артикул: BUCKET, BUCKET SALES #6715495 - 229 mm (9--)
2Артикул: BUCKET, BUCKET SALES #6715496 - 305 mm (12--)
3Артикул: BUCKET, BUCKET SALES #6715497 - 406 mm (16--)
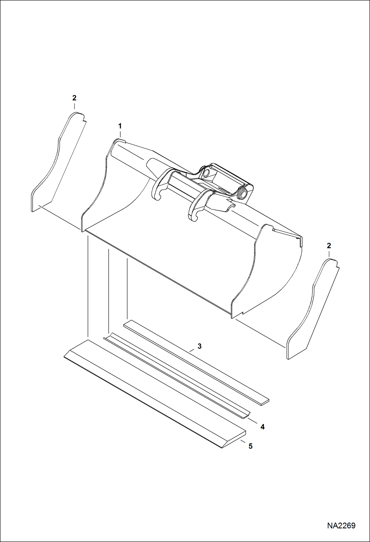
КОВШ (С СКРЕБКОМ) (450 ММ) (442) (ПРЯМОЕ КРЕПЛЕНИЕ)
1Артикул: BUCKET, BUCKET NLA - Was 6190281000 - A
2Артикул: 5018001044, BLADE W/Ref. 3-5
3Артикул: 5455660445, TOOTH, BUCKET
ДВУХЧЕЛЮСТНОЙ ГРЕЙФЕРНЫЙ КОВШ (ПЕРЕХОДНИК)(442)
1Артикул: 5440000164, MOUNTING PLATE Left
2Артикул: 5440000165, MOUNTING PLATE Right
3Артикул: 5440000239, ADAPTER 325mm
КОВШ (18-- ПРОВЕДЕНИЕ ТРАНШЕЙ )(442) (WERK-BRAU)
1Артикул: BUCKET, BUCKET 18-- trenching - SALES # 7125310
2Артикул: 6691584, SHANK standard
3Артикул: 6691585, SHANK corner
КОВШ (0.04 КУБИЧЕСКИХ МЕТРОВ)(56) (250 ММ ШИРОКИЕ) (ОПЦИЯ)
1Артикул: 6642378, BUCKET 0.04m3, 250mm width, - Komatsu S/N 10601 & Abv.
2Артикул: 6642377, EDGE welded - Komatsu S/N 10601 & Abv.
3Артикул: 6638133, EDGE side - welded - Komatsu S/N 10601 & Abv.
КОВШ (СМЕННЫЙ) (24-- ПРЕДНАЗНАЧЕННЫЙ ДЛЯ ТЯЖЕЛЫХ УСЛОВИЙ ЭКСПЛУАТАЦИИ) (331) (A8US)
1Артикул: BUCKET, BUCKET SALES - 24-- severe duty - Sales #7144515
2Артикул: 7107319, TOOTH, BUCKET 10 114,3 mm (4.5--) long
3Артикул: 7107319EF, TOOTH, BUCKET
КОВШ (0.09 КУБИЧЕСКИХ МЕТРОВ) (МИНИ 0.15 КУБИЧЕСКИХ МЕТРОВ)(100) (500 ММ ШИРОКИЕ)
1Артикул: BUCKET, BUCKET ASS-Y Was 20S-70-00440
2Артикул: BUCKET, BUCKET Was 20S-70-31310
3Артикул: EDGE, EDGE (welded) - Was 20S-70-21520
КОВШ (CL3) (СМЕННЫЙ) (30--)
1Артикул: BUCKET, BUCKET SALES #M7028-R01-C01 (7178593STXT) - 30-- standard W/teeth - Ref. 2-13
2Артикул: BUCKET,, BUCKET, W/A NLA - Order Ref. 1
3Артикул: 7137508, EDGE, CUTTING WELD-ON 30--
КОВШ (УСТАНОВЛЕН СМЕННЫЙ)(337,341)
1Артикул: BUCKET, BUCKET NLA - 13-- (330mm) - W/Ref. 2-7 - Was SALES - A
2Артикул: BUCKET, BUCKET NLA - 18-- (460mm) - W/Ref. 2-7 - Was SALES - A
3Артикул: BUCKET, BUCKET NLA - 24-- (610mm) - W/Ref. 2-7 - Was SALES - A
КОВШ (ОТЛИВКА - УСТАНОВЛЕН СМЕННЫЙ)(329,331,334,430)
1Артикул: BUCKET, BUCKET SALES - 13-- (330 mm) - uses 3 teeth - SALES #6735414
2Артикул: BUCKET, BUCKET SALES - 16-- (406 mm) - uses 4 teeth - SALES #6735418
3Артикул: BUCKET, BUCKET SALES - 18-- (457 mm) - uses 4 teeth - SALES #6735422
ОСВЕТИТЕЛЬНОЕ УСТРОЙСТВО КОВША (.12 КУБИЧЕСКИХ МЕТРОВ)(76) (550 ММ ШИРОКИЕ) (ОПЦИЯ)
1Артикул: 6642727, BUCKET AS
2Артикул: BUCKET, BUCKET Was 20N-920-4110
3Артикул: 6642726, EDGE (welded)
КОВШ (0,08 КУБИЧЕСКИХ МЕТРОВ)(130) (350 ММ ШИРОКИЕ, С КРЮКОМ) (PC60)
1Артикул: BUCKET, BUCKET ASS-Y Was 201-926-0130
2Артикул: BUCKET, BUCKET Was 20X-926-2330
3Артикул: BUCKET, BUCKET Was 20X-926-2310
КОВШ (220,320,322)
1Артикул: BUCKET, BUCKET NLA - 10-- (268 mm) - See Nameplate P/N 6536551 - to identify bucket order new sales bucket
2Артикул: BUCKET, BUCKET 12-- (318 mm) - See Nameplate P/N 6536838 - to identify bucket order new sales bucket
3Артикул: BUCKET, BUCKET 16-- (418 mm) - See Nameplate P/N 6536889 - to identify bucket order new sales bucket
КОВШ (0,25 КУБИЧЕСКИХ МЕТРОВ)(130) (650 ММ ШИРОКИЕ)
1Артикул: BUCKET, BUCKET ASS-Y Was 201-70-00440
2Артикул: 6639127, BUCKET
3Артикул: 6639128, LIP
ДВУХЧЕЛЮСТНОЙ ГРЕЙФЕРНЫЙ КОВШ (НАВЕСНОЕ УСТРОЙСТВО ЗАХВАТА С ГИДРОУСТАНОВКОЙ)(442) (ПРЯМОЕ КРЕПЛЕНИЕ) (ТИП GM2)
1Артикул: 1915060264, FITTING
2Артикул: 1924060154, ELBOW FITTING
3Артикул: 1921060558, ELBOW