+7 (701) 588 50 05 Телефон для связи
RU

WhatsApp

Позвонить

ЭЛЕКТРИЧЕСКАЯ СИСТЕМА в Алматы

ЭЛЕКТРИЧЕСКОЕ УПРАВЛЕНИЕ (Ручное управление)

ЭЛЕКТРИЧЕСКОЕ УПРАВЛЕНИЕ (Ручное управление)

1Артикул: 6680418, HANDLE ASSY. RH - Also Order Ref. 3 & 4
2Артикул: 6640690, PIN
3Артикул: 6641176, SEAL
Подробнее >
ЭЛЕКТРООБОРУДОВАНИЕ ДВИГАТЕЛЯ (С КОНТРОЛЛЕРОМ) (СЕРИЙНЫЙ НОМЕР A5GK11001 - A5GK19999. A5GL11001 - A5GL19999)

ЭЛЕКТРООБОРУДОВАНИЕ ДВИГАТЕЛЯ (С КОНТРОЛЛЕРОМ) (СЕРИЙНЫЙ НОМЕР A5GK11001 - A5GK19999. A5GL11001 - A5GL19999)

1Артикул: 43C616, BOLT
2Артикул: 84G3112, BOLT 5
3Артикул: 6688439, CONTROLLER, BOBCAT
Подробнее >
ГЛАВНЫЙ ЖГУТ ПРОВОДОВ СОЕДИНИТЕЛЯ В СБОРЕ

ГЛАВНЫЙ ЖГУТ ПРОВОДОВ СОЕДИНИТЕЛЯ В СБОРЕ

1Артикул: CONNECTOR, CONNECTOR NSS - Order components
2Артикул: BOLT, BOLT NSS - Order Ref. 3
3Артикул: 6688834, CONNECTOR cab - W/Ref. 2 & 4
Подробнее >
ЭЛЕКТРИЧЕСКИЕ УСТРОЙСТВА УПРАВЛЕНИЯ (СИСТЕМА УСОВЕРШЕНСТВОВАННОГО КОНТРОЛЯ) (РУКОЯТЬ В СБОРЕ)

ЭЛЕКТРИЧЕСКИЕ УСТРОЙСТВА УПРАВЛЕНИЯ (СИСТЕМА УСОВЕРШЕНСТВОВАННОГО КОНТРОЛЯ) (РУКОЯТЬ В СБОРЕ)

1Артикул: 6684915, LEVER, ACS RH tilt - RH
2Артикул: 6684916, LEVER, ACS LH lift - LH
3Артикул: 6680462, HANDLE, ACS RH tilt - RH
Подробнее >
ЭЛЕКТРОСХЕМА КАБИНЫ (СЕРИЙНЫЙ НОМЕР A5GK11001 - A5GK19999, A5GL11001 - A5GL19999)

ЭЛЕКТРОСХЕМА КАБИНЫ (СЕРИЙНЫЙ НОМЕР A5GK11001 - A5GK19999, A5GL11001 - A5GL19999)

1Артикул: 7143070, HARNESS standard - W/Ref. 24
2Артикул: PANEL, PANEL NLA - LH - W/Ref. 6 - gauges lit by bulbs - Order 6689754 panel
3Артикул: 6689754, PANEL INSTRUMENT LH LH - W/Ref. 6 - lit gauges
Подробнее >
ЭЛЕКТРИЧЕСКИЕ УСТРОЙСТВА УПРАВЛЕНИЯ (СИСТЕМА УСОВЕРШЕНСТВОВАННОГО КОНТРОЛЯ) (НОЖНАЯ ПЕДАЛЬ В СБОРЕ)

ЭЛЕКТРИЧЕСКИЕ УСТРОЙСТВА УПРАВЛЕНИЯ (СИСТЕМА УСОВЕРШЕНСТВОВАННОГО КОНТРОЛЯ) (НОЖНАЯ ПЕДАЛЬ В СБОРЕ)

1Артикул: 6684912, SENSOR, FOOT RH
2Артикул: 6684911, SENSOR, FOOT LH
3Артикул: 43C408, BOLT
Подробнее >
ЭЛЕКТРИЧЕСКИЕ УСТРОЙСТВА УПРАВЛЕНИЯ(МНОГОРЕЖИМНЫЙ ДЖОЙСТИК УПРАВЛЕНИЯ) (СЕРИЙНЫЙ НОМЕР A5GK11001 - A5GK19999, A5GL11001 - A5GL19999)

ЭЛЕКТРИЧЕСКИЕ УСТРОЙСТВА УПРАВЛЕНИЯ(МНОГОРЕЖИМНЫЙ ДЖОЙСТИК УПРАВЛЕНИЯ) (СЕРИЙНЫЙ НОМЕР A5GK11001 - A5GK19999, A5GL11001 - A5GL19999)

1Артикул: JOYSTICK,, JOYSTICK, LH NLA - Order 6697904 joystick, LH & 7152616 harness, adapter - Was 6689920 - A
2Артикул: JOYSTICK,, JOYSTICK, RH NLA - Order 6697905 joystick, RH & 7152616 harness, adapter - Was 6689921 - A
3Артикул: 6624289, STRAP, TIE
Подробнее >
ЭЛЕКТРИЧЕСКИЕ УСТРОЙСТВА УПРАВЛЕНИЯ(МНОГОРЕЖИМНЫЙ ДЖОЙСТИК УПРАВЛЕНИЯ) (СЕРИЙНЫЙ НОМЕР A5GK20001 И ВЫШЕ, A5GL20001 И ВЫШЕ)

ЭЛЕКТРИЧЕСКИЕ УСТРОЙСТВА УПРАВЛЕНИЯ(МНОГОРЕЖИМНЫЙ ДЖОЙСТИК УПРАВЛЕНИЯ) (СЕРИЙНЫЙ НОМЕР A5GK20001 И ВЫШЕ, A5GL20001 И ВЫШЕ)

1Артикул: 6697904, JOYSTICK, LH Ref. 3-6 & 8
2Артикул: 6697905, JOYSTICK, RH Ref. 3-6 & 8
3Артикул: 6689922, HANDLE LH - W/Ref. 6
Подробнее >
СТАРТЕР

СТАРТЕР

1Артикул: 6685190, STARTER
2Артикул: 6685190REM, STARTER
3Артикул: 6685190, STARTER Was 6685190EF
Подробнее >
ЭЛЕКТРИЧЕСКИЕ СИСТЕМЫ УПРАВЛЕНИЯ (СИСТЕМА РУЧНОГО УПРАВЛЕНИЯ (СИСТЕМА РУЧНОГО УПРАВЛЕНИЯ (AHC)) (РУКОЯТКА В СБОРЕ)

ЭЛЕКТРИЧЕСКИЕ СИСТЕМЫ УПРАВЛЕНИЯ (СИСТЕМА РУЧНОГО УПРАВЛЕНИЯ (СИСТЕМА РУЧНОГО УПРАВЛЕНИЯ (AHC)) (РУКОЯТКА В СБОРЕ)

1Артикул: 6684913, LEVER tilt - RH
2Артикул: 6684914, LEVER lift - LH
3Артикул: 6680462, HANDLE, ACS RH tilt - RH
Подробнее >
ГЕНЕРАТОР ПЕРЕМЕННОГО ТОКА (90 А)

ГЕНЕРАТОР ПЕРЕМЕННОГО ТОКА (90 А)

1Артикул: 6678205, ALTERNATOR, 90 AMP 90 amp - Ref. 2-18
2Артикул: 6678205REM, ALTERNATOR, 90 AMP 90 amp - Ref. 2-18
3Артикул: 6678205, ALTERNATOR, 90 AMP Ref. 2-18 - Was 6678205EF
Подробнее >
ЭЛЕКТРОСХЕМА КАБИНЫ (СЕРИЙНЫЙ НОМЕР A5GL20001 И ВЫШЕ, A5GK20001 И ВЫШЕ)

ЭЛЕКТРОСХЕМА КАБИНЫ (СЕРИЙНЫЙ НОМЕР A5GL20001 И ВЫШЕ, A5GK20001 И ВЫШЕ)

1Артикул: 7149336, HARNESS, CAB W/Ref. 22
2Артикул: 7139311, HARNESS, CAB DLX W/Ref. 22 - required to operate beacon, 4-way flashers, power bob-tach, heater & strobe lights
3Артикул: 6693886, PANEL, LH lit gauges - W/Ref. 6
Подробнее >
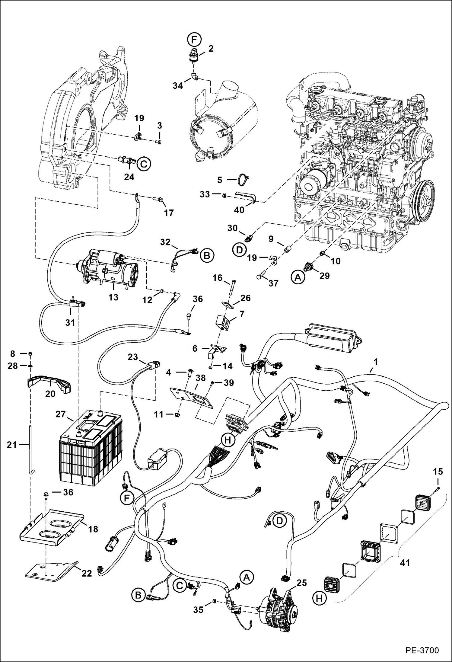
ЭЛЕКТРОСХЕМА ДВИГАТЕЛЯ (ДВИГАТЕЛЬ)

ЭЛЕКТРОСХЕМА ДВИГАТЕЛЯ (ДВИГАТЕЛЬ)

1Артикул: 7123800, HARNESS LF MFR main frame
2Артикул: 7159444, HARNESS main frame
3Артикул: 7169388, HARNESS loader
Подробнее >
ЭЛЕКТРИЧЕСКИЕ УСТРОЙСТВА УПРАВЛЕНИЯ(СИСТЕМА РУЧНОГО УПРАВЛЕНИЯ (AHC) И СИСТЕМА УСОВЕРШЕНСТВОВАННОГО КОНТРОЛЯ)

ЭЛЕКТРИЧЕСКИЕ УСТРОЙСТВА УПРАВЛЕНИЯ(СИСТЕМА РУЧНОГО УПРАВЛЕНИЯ (AHC) И СИСТЕМА УСОВЕРШЕНСТВОВАННОГО КОНТРОЛЯ)

1Артикул: 6680410, CONTROLLER plastic - W/ 3-connector plug
2Артикул: 6717393, LEVER throttle
3Артикул: 7101672, ACTUATOR W/Ref. 37
Подробнее >
ЭЛЕКТРООБОРУДОВАНИЕ ДВИГАТЕЛЯ (С КОНТРОЛЛЕРОМ) (СЕРИЙНЫЙ НОМЕР A5GK20001 И ВЫШЕ, A5GL20001 И ВЫШЕ)

ЭЛЕКТРООБОРУДОВАНИЕ ДВИГАТЕЛЯ (С КОНТРОЛЛЕРОМ) (СЕРИЙНЫЙ НОМЕР A5GK20001 И ВЫШЕ, A5GL20001 И ВЫШЕ)

1Артикул: 7157217, BOLT
2Артикул: 84G3112, BOLT 5
3Артикул: 7260936, CONTROLLER, GATEWAY Bobcat - Was 6693353 - A
Подробнее >