+7 (701) 588 50 05 Телефон для связи
RU

WhatsApp

Позвонить

ЭЛЕКТРИЧЕСКАЯ СИСТЕМА в Алматы

ЭЛЕКТРИЧЕСКАЯ СИСТЕМА КАБИНЫ (СЕРИЙНЫЙ НОМЕР 11730 И НИЖЕ)

ЭЛЕКТРИЧЕСКАЯ СИСТЕМА КАБИНЫ (СЕРИЙНЫЙ НОМЕР 11730 И НИЖЕ)

1Артикул: 6557492, HARNESS See BTI123 cab
2Артикул: 6558142, HOUSING light
3Артикул: 6557486, LAMP front
Подробнее >
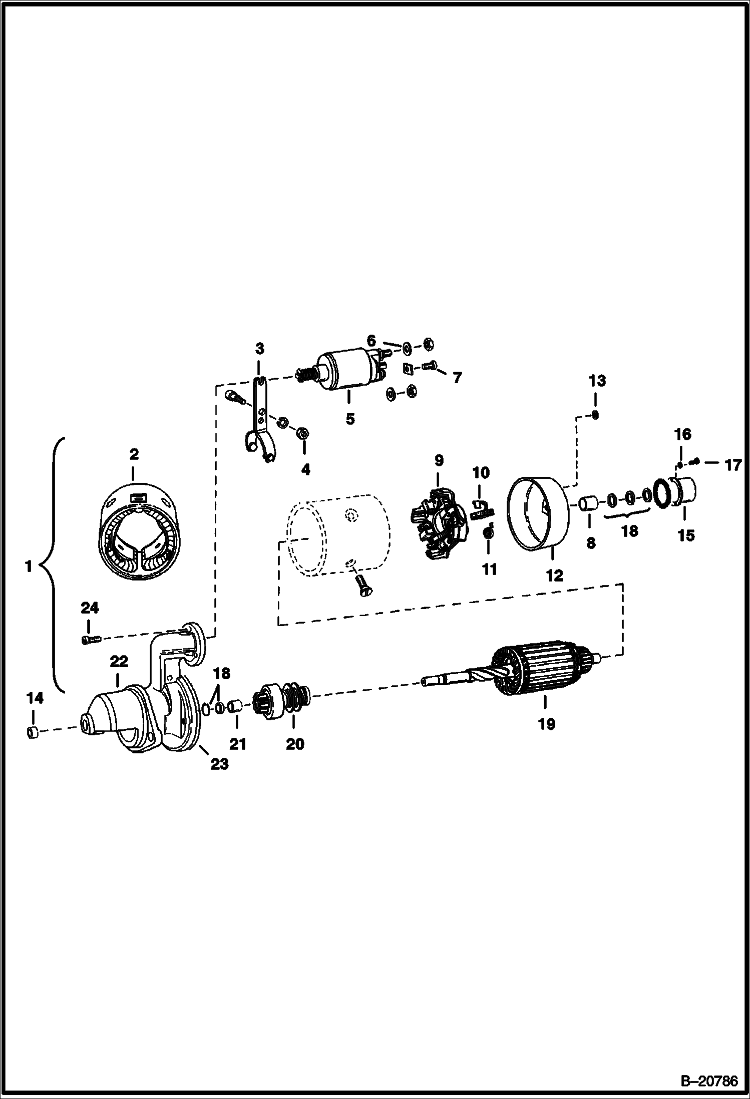
СТАРТЕР (BOSCH 0-001-211-206)

СТАРТЕР (BOSCH 0-001-211-206)

1Артикул: STARTER, STARTER NLA - Was - 6514006
2Артикул: NLA, NLA - Was 6513289
3Артикул: LEVER, LEVER NLA - Was 6513298
Подробнее >
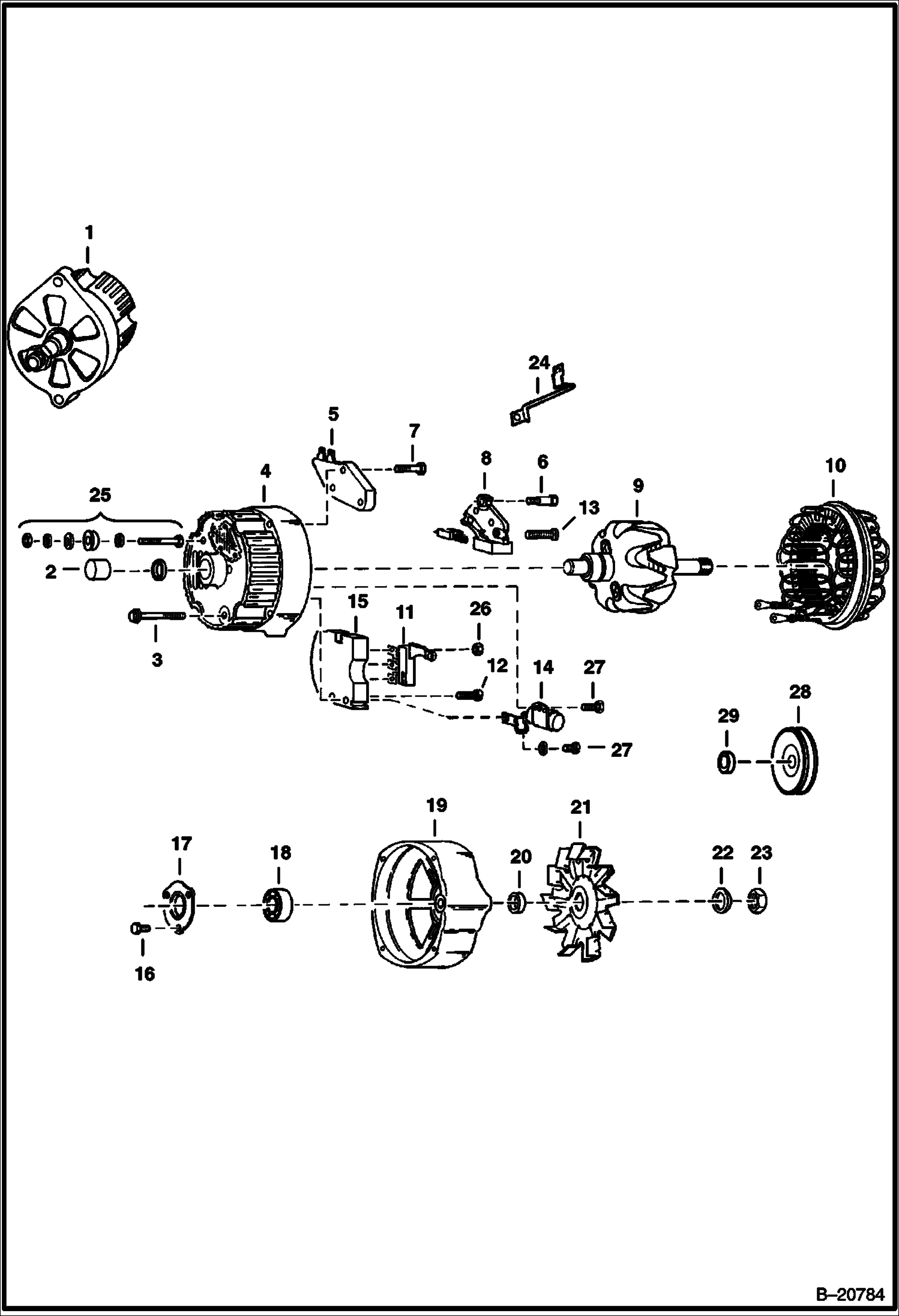
ГЕНЕРАТОР ПЕРЕМЕННОГО ТОКА (DELCO 1103133 - ОТКРЫТЫЙ)

ГЕНЕРАТОР ПЕРЕМЕННОГО ТОКА (DELCO 1103133 - ОТКРЫТЫЙ)

1Артикул: ALTERNATOR, ALTERNATOR NLA - Order 908221B
2Артикул: BEARING, BEARING NLA - Was 905351B - A
3Артикул: BOLT, BOLT NLA - Was 897467B - A
Подробнее >
ЭЛЕКТРИЧЕСКАЯ СИСТЕМА КАБИНЫ (СЕРИЙНЫЙ НОМЕР 11731 И ВЫШЕ)

ЭЛЕКТРИЧЕСКАЯ СИСТЕМА КАБИНЫ (СЕРИЙНЫЙ НОМЕР 11731 И ВЫШЕ)

1Артикул: 6558859, HARNESS cab
2Артикул: 6561500, HARNESS
3Артикул: 6558142, HOUSING light
Подробнее >
ЭЛЕКТРИЧЕСКАЯ СИСТЕМА ДВИГАТЕЛЯ

ЭЛЕКТРИЧЕСКАЯ СИСТЕМА ДВИГАТЕЛЯ

1Артикул: HARNESS, HARNESS See Illustration CAB ELECTRICAL SYSTEM/ B20791 See Illustration CAB ELECTRICAL SYSTEM/ E1165 CAB
2Артикул: 6558864, HARNESS engine
3Артикул: 6561654, HARNESS
Подробнее >
СТАРТЕР (BOSCH 0-001-211-228)

СТАРТЕР (BOSCH 0-001-211-228)

1Артикул: STARTER, STARTER NLA - Ref. 2 - 24 - Was 6514006 - A
2Артикул: STARTER, STARTER NLA - Was 6665502REM - A
3Артикул: NLA, NLA - Was 6513289
Подробнее >
ГЕНЕРАТОР ПЕРЕМЕННОГО ТОКА (DELCO 1102920 - ОТКРЫТЫЙ)

ГЕНЕРАТОР ПЕРЕМЕННОГО ТОКА (DELCO 1102920 - ОТКРЫТЫЙ)

1Артикул: ALTERNATOR, ALTERNATOR NLA - Order 908221B , 29CM00825B & 4DM00006B
2Артикул: BEARING, BEARING NLA - Was 999306B - A
3Артикул: BOLT, BOLT NLA - Was 897467B - A
Подробнее >
ГЕНЕРАТОР ПЕРЕМЕННОГО ТОКА (DELCO 1105070 ИЛИ 1105422 - ОТКРЫТАЯ)

ГЕНЕРАТОР ПЕРЕМЕННОГО ТОКА (DELCO 1105070 ИЛИ 1105422 - ОТКРЫТАЯ)

1Артикул: ALTERNATOR, ALTERNATOR NLA - Less Pulley & Fan - Order 908221REM - Was 908221 - A
2Артикул: BEARING, BEARING NLA - Was 905351B - A
3Артикул: BOLT, BOLT NLA - Was 897467B - A
Подробнее >
СТАРТЕР (LUCAS)

СТАРТЕР (LUCAS)

1Артикул: 7303331, STARTER Was - 6665502REM
2Артикул: KIT, KIT NLA - Was 6512800 - A
3Артикул: ARMATURE, ARMATURE NLA - Was 6512799 - A
Подробнее >