+7 (701) 588 50 05 Телефон для связи
RU

WhatsApp

Позвонить

ЭЛЕКТРИЧЕСКАЯ СИСТЕМА в Алматы

ГЕНЕРАТОР ПЕРЕМЕННОГО ТОКА (BOBCAT)

ГЕНЕРАТОР ПЕРЕМЕННОГО ТОКА (BOBCAT)

1Артикул: 6661611, ALTERNATOR See BTIE-022 Less Pulley & Fan
2Артикул: 6661611REM, ALTERNATOR, 55 AMP
3Артикул: 6661611, ALTERNATOR Was 6661611EF
Подробнее >
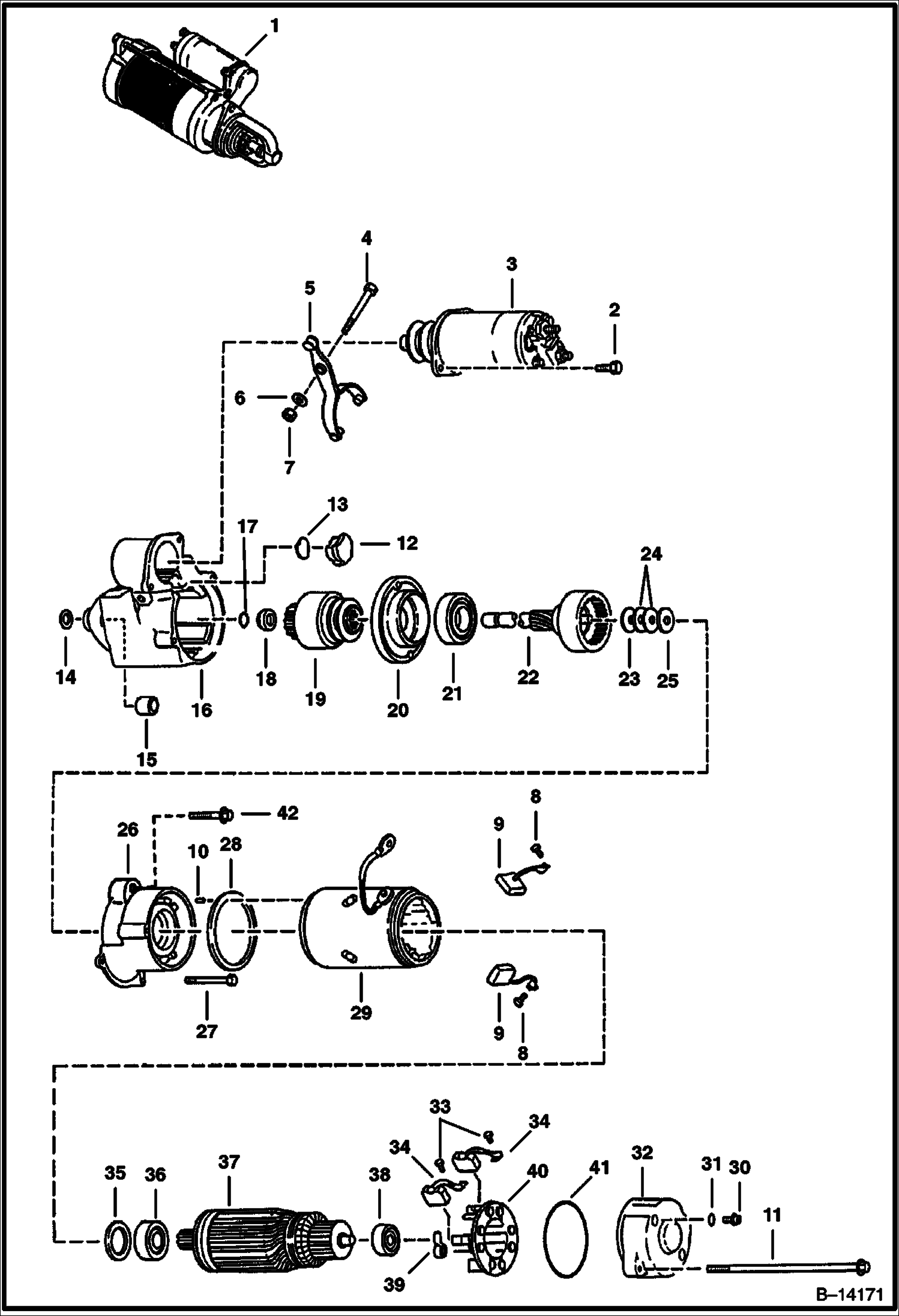
СТАРТЕР (10479606)

СТАРТЕР (10479606)

1Артикул: 6665088, STARTER
2Артикул: 6665088REM, STARTER
3Артикул: SCREW, SCREW NSS
Подробнее >
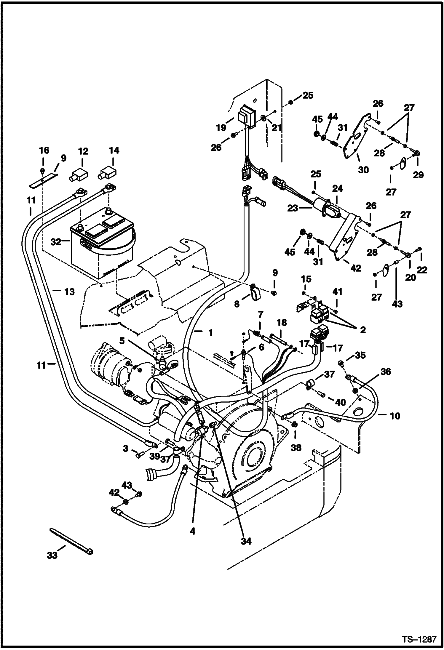
ЭЛЕКТРИЧЕСКИЕ СИСТЕМЫ (ДВИГАТЕЛЬ)

ЭЛЕКТРИЧЕСКИЕ СИСТЕМЫ (ДВИГАТЕЛЬ)

1Артикул: 6596799, HARNESS See Illustration ELECTRICAL SYSTEMS/ TS1286 Engine - 2 piece - for console harness
2Артикул: 6670312, SWITCH, MAGNETIC relay
3Артикул: 6CM1220, BOLT
Подробнее >
ЭЛЕКТРИЧЕСКИЕ СИСТЕМЫ (КОНСОЛЬ)

ЭЛЕКТРИЧЕСКИЕ СИСТЕМЫ (КОНСОЛЬ)

1Артикул: GAUGES, GAUGES NLA - Dash - order components - W/Ref. 2-8 - Was 6664268 - A
2Артикул: 6664022, COVER Lens - W/gasket
3Артикул: LENS, LENS NLA - warning lights - Was 6661205 - A
Подробнее >