+7 (701) 588 50 05 Телефон для связи
RU

WhatsApp

Позвонить

ЭЛЕКТРИЧЕСКАЯ СИСТЕМА в Алматы

ГЕНЕРАТОР ПЕРЕМЕННОГО ТОКА DELCO - REMY NO. 1100827 ЗАКРЫТ

ГЕНЕРАТОР ПЕРЕМЕННОГО ТОКА DELCO - REMY NO. 1100827 ЗАКРЫТ

1Артикул: ALTERNATOR, ALTERNATOR See BTI258 NLA - Ref. 2-32 & 36-40 - Was 1536554B - A
2Артикул: NUT, NUT NLA
3Артикул: WASHER, WASHER NLA
Подробнее >
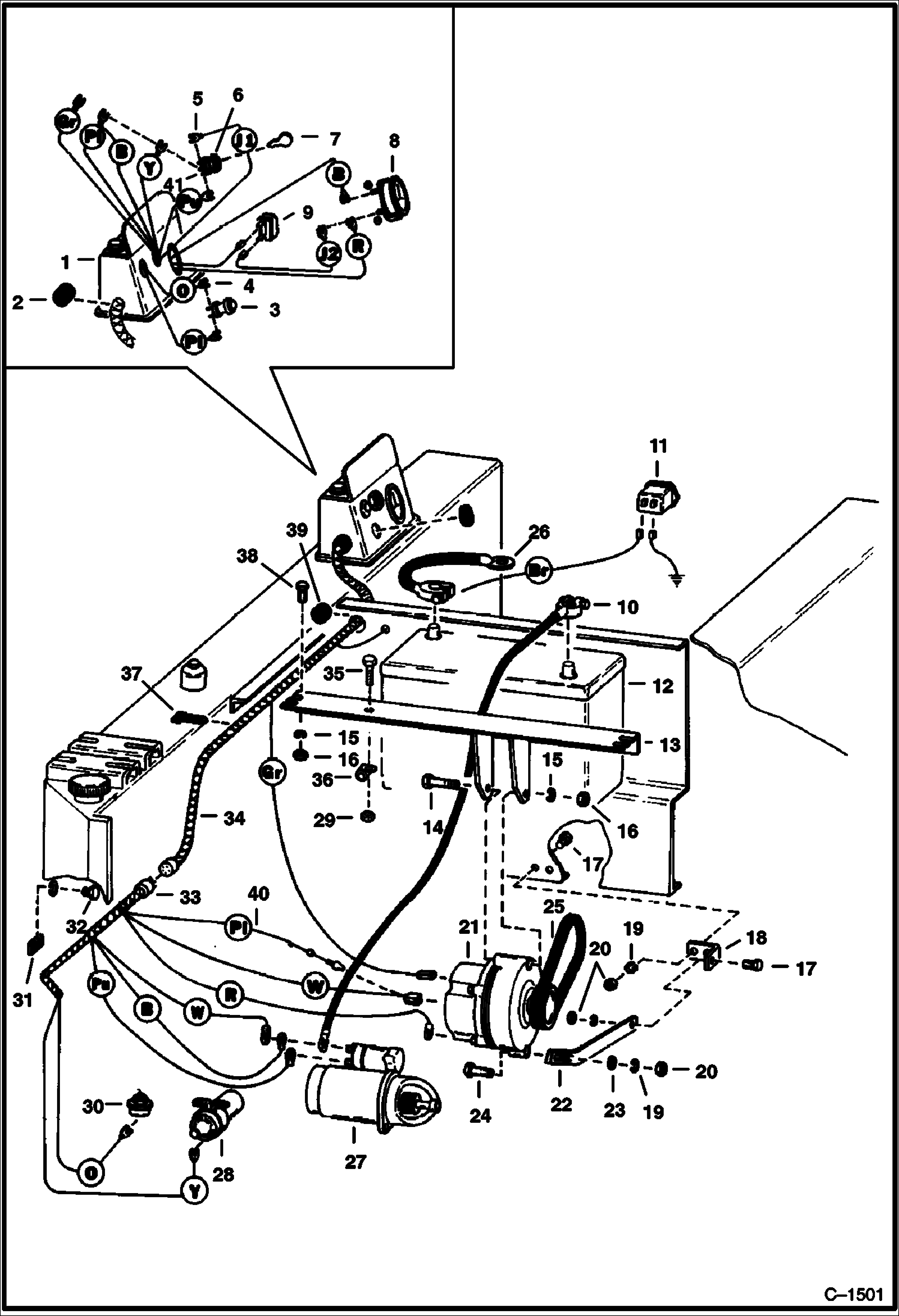
КОНТУР ЭЛЕКТРИЧЕСКОЙ ЦЕПИ РАМЫ ШАССИ СЕРИЙНЫЙ НОМЕР 4956 M 1780 ЧЕРЕЗ 19999

КОНТУР ЭЛЕКТРИЧЕСКОЙ ЦЕПИ РАМЫ ШАССИ СЕРИЙНЫЙ НОМЕР 4956 M 1780 ЧЕРЕЗ 19999

1Артикул: PANEL, PANEL See Illustration MAIN FRAME/ D1405 INSTRUMENT
2Артикул: 565049, GROMMET
3Артикул: 6515427, LIGHT oil pressure
Подробнее >
СТАРТЕР

СТАРТЕР

1Артикул: STARTER, STARTER NLA - 1109424 - Order 6515795 REM
2Артикул: 6515795REM, STARTER 1109424 - Remanufactured
3Артикул: STARTER, STARTER NLA - 10455336 - Order 6515795 REM
Подробнее >
ГЕНЕРАТОР ПЕРЕМЕННОГО ТОКА DELCO #1105076 ИЛИ #10456416 - ЗАКРЫТ

ГЕНЕРАТОР ПЕРЕМЕННОГО ТОКА DELCO #1105076 ИЛИ #10456416 - ЗАКРЫТ

1Артикул: ALTERNATOR, ALTERNATOR NLA - Less Pulley & Fan - Order 6599740REM - Was 6654209 - A
2Артикул: 6599740REM, ALTERNATOR Less pully & fan
3Артикул: BEARING, BEARING NLA - Was 999306B - A
Подробнее >
ГЕНЕРАТОР ПЕРЕМЕННОГО ТОКА DELCO #1105070 ИЛИ #1105422 - ОТКРЫТЫЙ

ГЕНЕРАТОР ПЕРЕМЕННОГО ТОКА DELCO #1105070 ИЛИ #1105422 - ОТКРЫТЫЙ

1Артикул: ALTERNATOR, ALTERNATOR NLA - Less Pulley & Fan - Order 908221REM - Was 908221 - A
2Артикул: BEARING, BEARING NLA - Was 905351B - A
3Артикул: BOLT, BOLT NLA - Was 897467B - A
Подробнее >
КОНТУР ЭЛЕКТРИЧЕСКОЙ ЦЕПИ РАМЫ ШАССИ СЕРИЙНЫЙ НОМЕР 4956 M 17179 И НИЖЕ ИЛИ 220000 И НИЖЕ

КОНТУР ЭЛЕКТРИЧЕСКОЙ ЦЕПИ РАМЫ ШАССИ СЕРИЙНЫЙ НОМЕР 4956 M 17179 И НИЖЕ ИЛИ 220000 И НИЖЕ

1Артикул: PANEL, PANEL See Illustration MAIN FRAME/ D1405 INSTRUMENT
2Артикул: 565049, GROMMET
3Артикул: 6515427, LIGHT oil pressure
Подробнее >
ГЕНЕРАТОР ПЕРЕМЕННОГО ТОКА DELCO #1103133 - ОТКРЫТЫЙ

ГЕНЕРАТОР ПЕРЕМЕННОГО ТОКА DELCO #1103133 - ОТКРЫТЫЙ

1Артикул: ALTERNATOR, ALTERNATOR NLA - Order 908221B
2Артикул: BEARING, BEARING NLA - Was 905351B - A
3Артикул: BOLT, BOLT NLA - Was 897467B - A
Подробнее >