+7 (701) 588 50 05 Телефон для связи
RU

WhatsApp

Позвонить

ЭЛЕКТРИЧЕСКАЯ СИСТЕМА в Алматы

СТАРТЕР

СТАРТЕР

1Артикул: 6685191, STARTER Was 6676958 - A
2Артикул: 6685191REM, STARTER
3Артикул: 6685191, STARTER Was 6685191EF
Подробнее >
ЭЛЕКТРОСХЕМА ДВИГАТЕЛЯ (БЕЗ B.O.S.S. (ОПЦИЯ))

ЭЛЕКТРОСХЕМА ДВИГАТЕЛЯ (БЕЗ B.O.S.S. (ОПЦИЯ))

1Артикул: 6707890, HARNESS See BTI352 - engine - W/Ref. 57 & 58
2Артикул: 6711562, HARNESS See BTI352 - engine - W/Ref. 57 & 58 - for new starter - auxiliary bleed
3Артикул: 6713312, HARNESS See BTI352 - engine - four glow plug head
Подробнее >
ЭЛЕКТРИЧЕСКИЕ РЕГУЛЯТОРЫ (СЕРИЙНЫЙ НОМЕР 5141 11442, 5142 11104 И НИЖЕ)

ЭЛЕКТРИЧЕСКИЕ РЕГУЛЯТОРЫ (СЕРИЙНЫЙ НОМЕР 5141 11442, 5142 11104 И НИЖЕ)

1Артикул: 6706565, KIT LH blank handle - Ref. 2 & 21
2Артикул: 6680415, HANDLE LH blank - Was 6705920 - A
3Артикул: 6706566, KIT two-switch handle - Ref. 4, 9, 10 & 21
Подробнее >
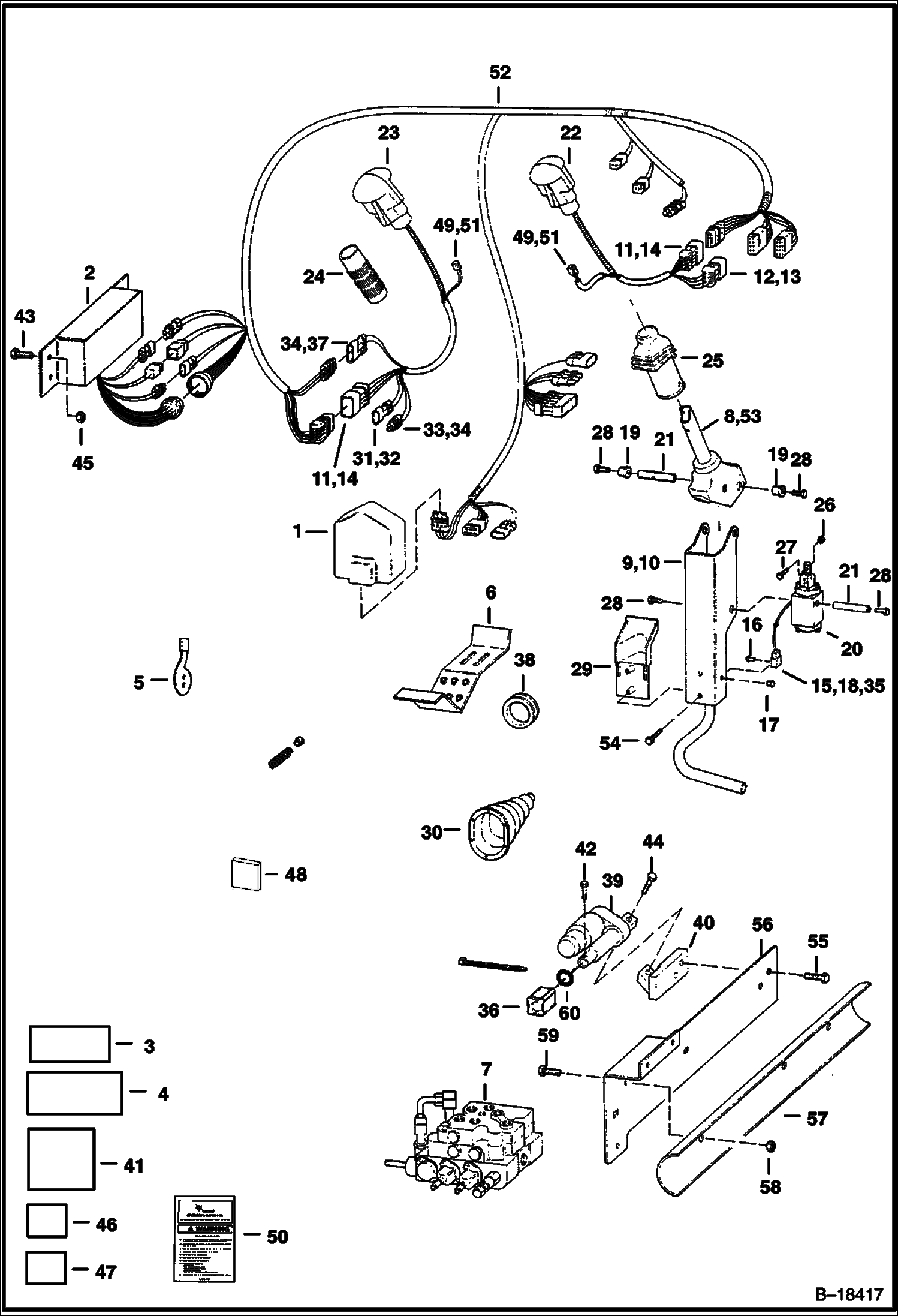
ЭЛЕКТРОСХЕМА КАБИНЫ (С B.O.S.S. (ОПЦИЯ))

ЭЛЕКТРОСХЕМА КАБИНЫ (С B.O.S.S. (ОПЦИЯ))

1Артикул: 6578824, HOUSING rubber
2Артикул: 6649478, BULB HOUSING
3Артикул: 6707671, HARNESS
Подробнее >
ЭЛЕКТРИЧЕСКИЕ СХЕМЫ УПРАВЛЕНИЯ (ПЕРЕДОВОЕ УСТРОЙСТВО РУЧНОГО УПРАВЛЕНИЯ ОПЦИЯ)

ЭЛЕКТРИЧЕСКИЕ СХЕМЫ УПРАВЛЕНИЯ (ПЕРЕДОВОЕ УСТРОЙСТВО РУЧНОГО УПРАВЛЕНИЯ ОПЦИЯ)

1Артикул: 6680444, CONTROLER BICS - Was 6674225 - A
2Артикул: 6675129, CONTROLLER, AHC AHC - Was 6674211 - C
3Артикул: 6715940, DECAL operation
Подробнее >
ГЕНЕРАТОР ПЕРЕМЕННОГО ТОКА (BOBCAT)

ГЕНЕРАТОР ПЕРЕМЕННОГО ТОКА (BOBCAT)

1Артикул: 6661611, ALTERNATOR Less Fan & Pulley
2Артикул: 6661611REM, ALTERNATOR, 55 AMP
3Артикул: 6661611, ALTERNATOR Was 6661611EF
Подробнее >
ЭЛЕКТРИЧЕСКИЕ СХЕМЫ УПРАВЛЕНИЯ (ДЛЯ ВСПОМОГАТЕЛЬНОГО ОБОРУДОВАНИЯ) (СЕРИЙНЫЙ НОМЕР 5141 11443-39999, 5142 11105-39999)

ЭЛЕКТРИЧЕСКИЕ СХЕМЫ УПРАВЛЕНИЯ (ДЛЯ ВСПОМОГАТЕЛЬНОГО ОБОРУДОВАНИЯ) (СЕРИЙНЫЙ НОМЕР 5141 11443-39999, 5142 11105-39999)

1Артикул: 6706565, KIT LH blank handle - Ref. 2 & 22
2Артикул: 6680415, HANDLE LH blank - Was 6705920 - A
3Артикул: 6706734, KIT two switch handle - Ref. 4, 9, 10 & 22 - RH & LH
Подробнее >
СТАРТЕР (СЕРИЙНЫЙ НОМЕР 5141 11706, 5142 11224 И НИЖЕ)

СТАРТЕР (СЕРИЙНЫЙ НОМЕР 5141 11706, 5142 11224 И НИЖЕ)

1Артикул: 6665324, STARTER
2Артикул: 6665324REM, STARTER
3Артикул: 6666621, ARMATURE W/Ref. 3 & 4
Подробнее >
ЭЛЕКТРОСХЕМА ДВИГАТЕЛЯ (С B.O.S.S. (ОПЦИЯ))

ЭЛЕКТРОСХЕМА ДВИГАТЕЛЯ (С B.O.S.S. (ОПЦИЯ))

1Артикул: 6707891, HARNESS See BTI352 - engine - W/Ref. 62 & 63
2Артикул: 6711603, HARNESS See BTI352 - engine - W/Ref. 62 & 63 - for new starter
3Артикул: 6713313, HARNESS See BTI352
Подробнее >
СТАРТЕР (СЕРИЙНЫЙ НОМЕР 5141 11707-39999, 5142 11225-39999)

СТАРТЕР (СЕРИЙНЫЙ НОМЕР 5141 11707-39999, 5142 11225-39999)

1Артикул: STARTER, STARTER See Illustration STARTER/ B16488R - NLA - Was 6676958 - A
2Артикул: 6667825REM, STARTER
3Артикул: 6669345, YOKE
Подробнее >
ЭЛЕКТРОСХЕМА КАБИНЫ (БЕЗ B.O.S.S. (ОПЦИЯ))

ЭЛЕКТРОСХЕМА КАБИНЫ (БЕЗ B.O.S.S. (ОПЦИЯ))

1Артикул: 6707665, HARNESS
2Артикул: 6711767, HARNESS, CAB BASE for side console
3Артикул: 35C410, BOLT 5
Подробнее >