+7 (701) 588 50 05 Телефон для связи
RU

WhatsApp

Позвонить

Продажа: ЭЛЕКТРИЧЕСКАЯ СИСТЕМА в Алматы и Астане Цены официального дилера с доставкой по всему Казахстану

Официальный дилер Все запчасти в наличии Лизинг / Рассрочка Сервис и гарантия
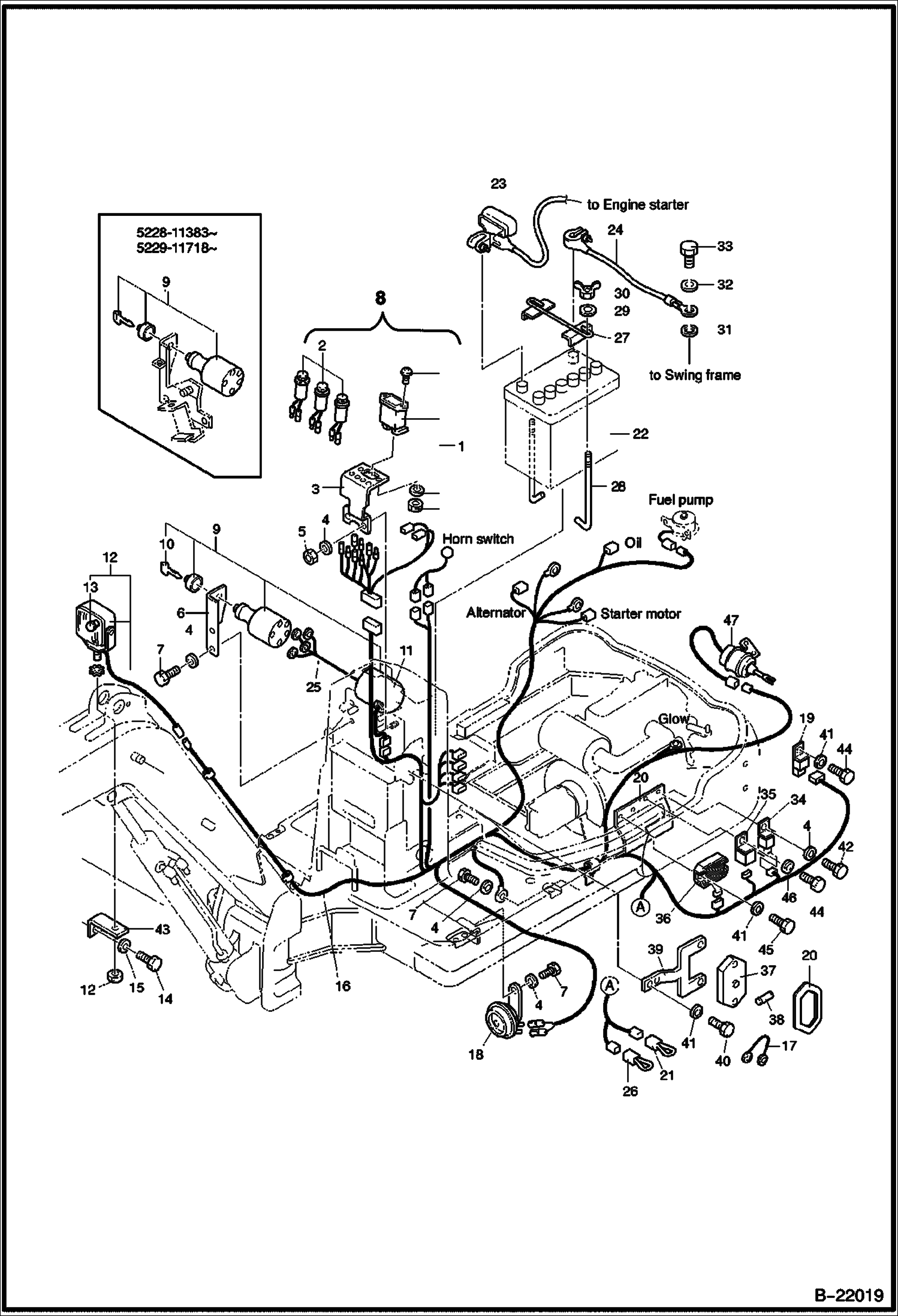
Спецтехника КОНТУР ЭЛЕКТРИЧЕСКОЙ ЦЕПИ от Globus Machinery

КОНТУР ЭЛЕКТРИЧЕСКОЙ ЦЕПИ

1Артикул: 6664886, ...
2Артикул: NTS4-1500...
3Артикул: NTS4-1006...
Подробнее >