+7 (701) 588 50 05 Телефон для связи
RU

WhatsApp

Позвонить

ЭЛЕКТРИЧЕСКАЯ СИСТЕМА в Алматы

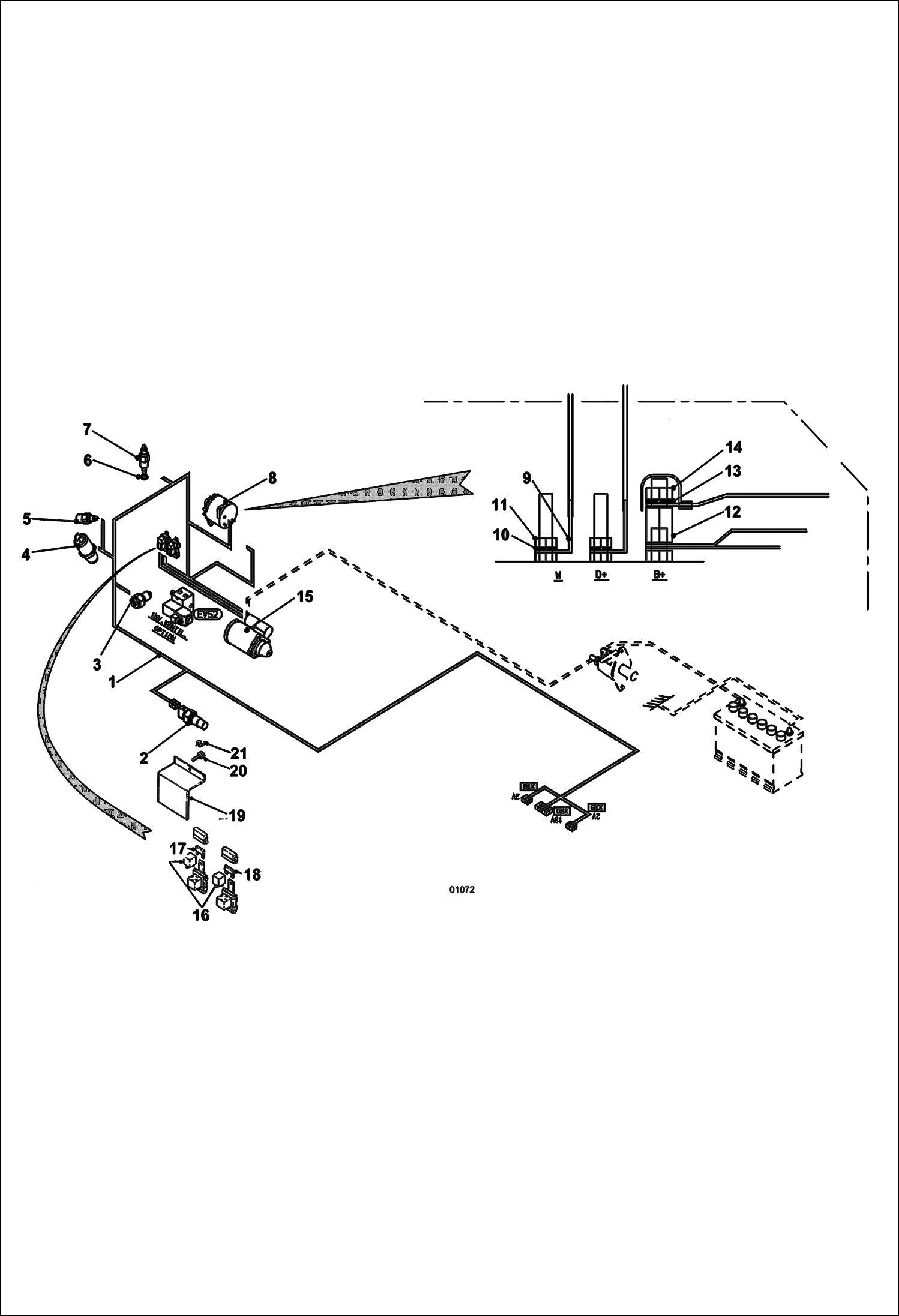
ЭЛЕКТРОДВИГАТЕЛЬ

ЭЛЕКТРОДВИГАТЕЛЬ

1Артикул: 98055-7, ENGINE WIRING Without Canopy - Was 96372-9 - A
2Артикул: 98095-3, HARNESS , ENGINE With Canopy
3Артикул: 6917185, SENDER, TEMP OIL HYD Hyd Temp - Was 78872-9 - A
Подробнее >
ЭЛЕКТРИЧЕСКАЯ СХЕМА

ЭЛЕКТРИЧЕСКАЯ СХЕМА

1Артикул: 7312553, BATTERY 700 CCA DRY See BTIVH-003 - Was 6665427 - A
2Артикул: 77136-0, BRACKET
3Артикул: 01598-2, SCREW
Подробнее >
ЭЛЕКТРИКА - ПАНЕЛЬ УПРАВЛЕНИЯ 3671 11001 -12514 3672 11001 - 12509

ЭЛЕКТРИКА - ПАНЕЛЬ УПРАВЛЕНИЯ 3671 11001 -12514 3672 11001 - 12509

1Артикул: 96619-2, HARNESS W/Ref. 2-10
2Артикул: 96623-4, WINKER RELAY
3Артикул: 96618-4, RELAY
Подробнее >
ЗАДНИЙ ЗВУКОВОЙ СИГНАЛ

ЗАДНИЙ ЗВУКОВОЙ СИГНАЛ

1Артикул: 97515-1, ALARM WAS 96073-2 - A
2Артикул: 01597-4, SCREW
3Артикул: 000350-02V, WASHER
Подробнее >
ЭЛЕКТРИКА - ПАНЕЛЬ УПРАВЛЕНИЯ

ЭЛЕКТРИКА - ПАНЕЛЬ УПРАВЛЕНИЯ

1Артикул: 95365-3, INSTRUMENT PANEL Enclosed Cab - A
2Артикул: 6909356, INSTRUMENT , MODULE With Canopy NLA - Was 6909356
3Артикул: 96591-3, SWITCH, BEACON rotating,beacon, flashing light
Подробнее >