+7 (701) 588 50 05 Телефон для связи
RU

WhatsApp

Позвонить

ЭЛЕКТРИЧЕСКАЯ СИСТЕМА в Алматы

АККУМУЛЯТОР ДИЗЕЛЬ

АККУМУЛЯТОР ДИЗЕЛЬ

1Артикул: 1010934CC, SCREW
2Артикул: 7305038, BATTERY 525 CCA - Was 6686662D - A
3Артикул: 1014375CC, SCREW
Подробнее >
ЯЩИК С ЭЛЕКТРИЧЕСКИМИ ДЕТАЛЯМИ ТРАНСПОРТНОГО СРЕДСТВА С ДИЗЕЛЬНЫМ ДВИГАТЕЛЕМ

ЯЩИК С ЭЛЕКТРИЧЕСКИМИ ДЕТАЛЯМИ ТРАНСПОРТНОГО СРЕДСТВА С ДИЗЕЛЬНЫМ ДВИГАТЕЛЕМ

1Артикул: 1012295CC, FUSE
2Артикул: SCREW, SCREW NLA - 1/4-20x88, hex head - Order 17C414 - Was 1015521CC - A
3Артикул: 1015741CC, BLOCK
Подробнее >
ГЕНЕРАТОР

ГЕНЕРАТОР

1Артикул: 102601101CC, V-BELT W/ 40 amp alternator
2Артикул: 103305501CC, BELT W/cab heater
3Артикул: 102934901CC, BELT W/ 60 amp alternator
Подробнее >
ЭЛЕКТРОТЕХНИЧЕСКИЕ ДЕТАЛИ DIESEL VEHICLE

ЭЛЕКТРОТЕХНИЧЕСКИЕ ДЕТАЛИ DIESEL VEHICLE

1Артикул: CONSOLE,, CONSOLE, CAB ELEC NLA - W/Ref. 2-16 - Order components - Was 102871301CC - A
2Артикул: 103348201CC, CLIP required to install 103348101CC gauge
3Артикул: 1016630CC, LIGHT oil warning/indicator
Подробнее >
УСТАНОВКА СРЕДСТВ ОСВЕЩЕНИЯ

УСТАНОВКА СРЕДСТВ ОСВЕЩЕНИЯ

1Артикул: 102710101CC, SWITCH TURN SIGNAL
2Артикул: 102740601CC, DECAL DIRECTIONAL
3Артикул: 102807201CC, CONNECTOR
Подробнее >
СТАРТЕР (ДИЗЕЛЬ)

СТАРТЕР (ДИЗЕЛЬ)

1Артикул: 6680663, NUT Was 102645501CC - A
2Артикул: 6652792, NUT Was 102647701CC - A
3Артикул: 6683053, BOLT Was 102648401CC - A
Подробнее >
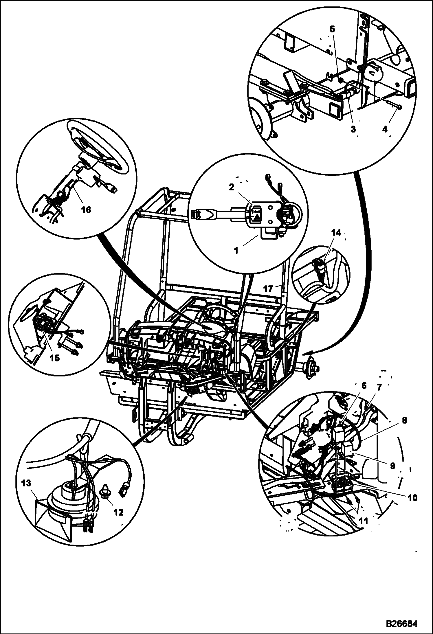
ЖГУТ ПРОВОДОВ ДИЗЕЛЬ VEHICLE

ЖГУТ ПРОВОДОВ ДИЗЕЛЬ VEHICLE

1Артикул: 102538501CC, DIODE 6.0 amp
2Артикул: 103804301CC, HARNESS One piece harness - Was 103277501CC - A
Подробнее >