+7 (701) 588 50 05 Телефон для связи
RU

WhatsApp

Позвонить

ЭЛЕКТРИЧЕСКАЯ СИСТЕМА в Алматы

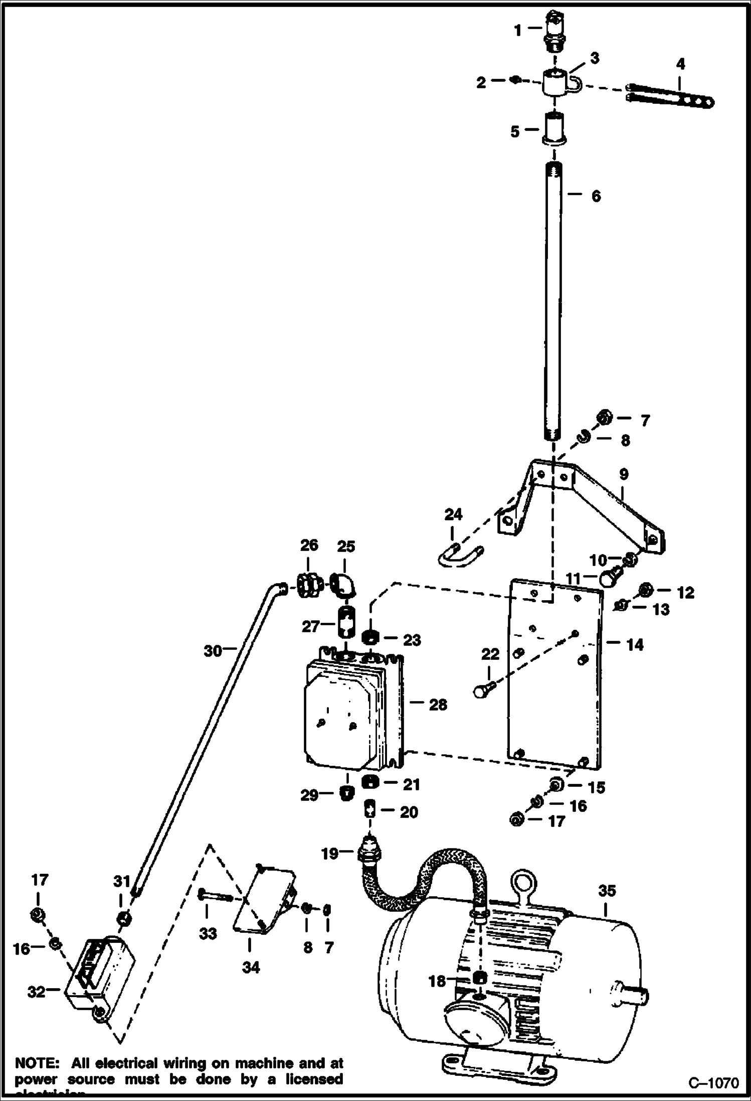
ЭЛЕКТРИЧЕСКИЕ ДЕТАЛИ РАМЫ ШАССИ ДЛЯ УДАЛЕННОЙ КОНСОЛИ

ЭЛЕКТРИЧЕСКИЕ ДЕТАЛИ РАМЫ ШАССИ ДЛЯ УДАЛЕННОЙ КОНСОЛИ

1Артикул: 6517534, CONNECTOR cord sealing
2Артикул: 10H35, FITTING, GREASE 10
3Артикул: 6506265, HOUSING
Подробнее >
ЭЛЕКТРОДВИГАТЕЛЬ

ЭЛЕКТРОДВИГАТЕЛЬ

1Артикул: MOTOR, MOTOR NLA - 10 hp reliance, continuous duty 3- phrase , 60 cycle 440 volt explosion proof motor - Was 6504997 - A
2Артикул: 6504998, MOTOR 15 hp Reliance, Continuous Duty 3-Phrase, 60 Cycle 440 Volt Explosion Proof Motor
3Артикул: MOTOR, MOTOR NLA - 15 hp Reliance, Continuous Duty 3-Phrase, 6 Cycle 440 Volt Explosion Proof Motor - Used in Bureau of Mines Approved Machines Only - Was 6505926 - A
Подробнее >
ПЕРЕКЛЮЧАТЕЛЬ ПУСКА И ОСТАНОВКИ ПЕРЕЧЕНЬ ЭЛЕКТРИКИ

ПЕРЕКЛЮЧАТЕЛЬ ПУСКА И ОСТАНОВКИ ПЕРЕЧЕНЬ ЭЛЕКТРИКИ

1Артикул: 6516700, SWITCH start-stop - Ref. 2 - 9 & 12 - 18
2Артикул: CASE, CASE NLA - body
3Артикул: 6510040, ELEMENT switch
Подробнее >
15 H.P. ЭЛЕКТРОДВИГАТЕЛЬ И КРЕПЕЖНЫЕ ДЕТАЛИ

15 H.P. ЭЛЕКТРОДВИГАТЕЛЬ И КРЕПЕЖНЫЕ ДЕТАЛИ

1Артикул: DRIVE, DRIVE See Illustration VARIABLE SPEED DRIVE SHEAVE/ B21304 VARIABLE SPEED
2Артикул: 6505435, SHEAVE See Illustration FIXED DRIVE SHEAVE/ B1358 FIXED
3Артикул: 6J808, KEY, WOODRUFF
Подробнее >
ПОВОРОТНОЕ УСТРОЙСТВО ДЛЯ ЭЛЕКТРИЧЕСКОГО ШНУРА

ПОВОРОТНОЕ УСТРОЙСТВО ДЛЯ ЭЛЕКТРИЧЕСКОГО ШНУРА

1Артикул: SWIVEL, SWIVEL NLA - Ref. 2 - 15 - Industrial Electrical Works - #B3 - Was 6517876
2Артикул: SHAFT, SHAFT NLA - Was 6517874 - A
3Артикул: 6517873, BEARING
Подробнее >
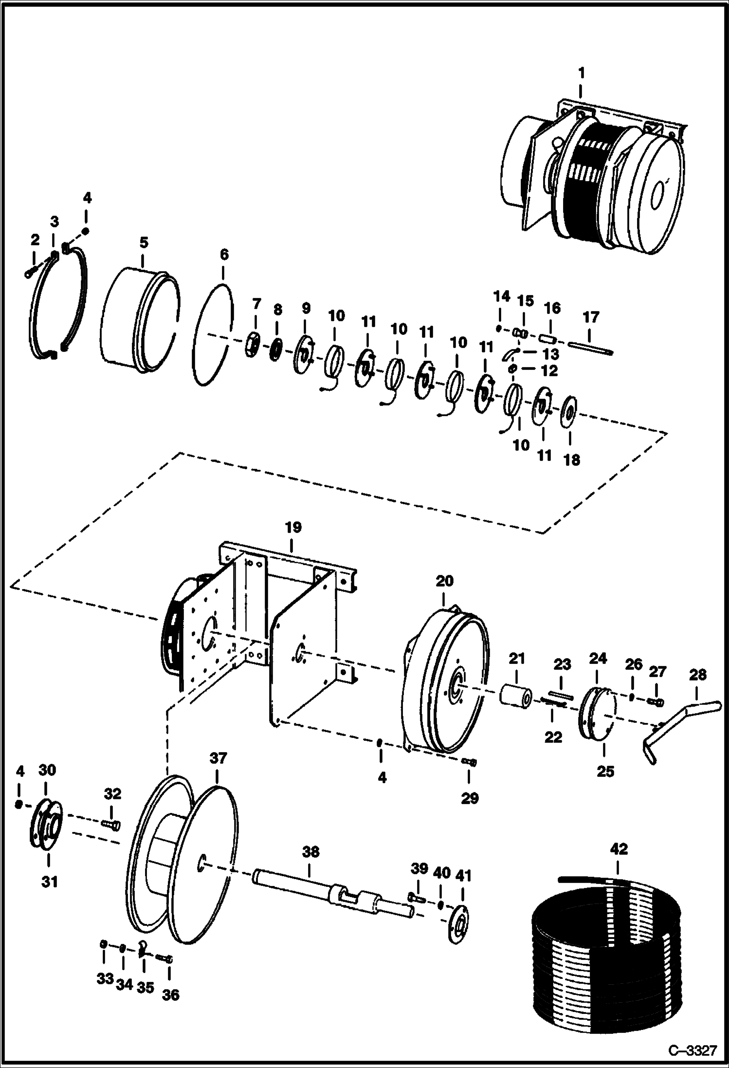
КАТУШКА ЭЛЕКТРИЧЕСКОГО ШНУРА ВЗРЫВООПАСНЫЙ

КАТУШКА ЭЛЕКТРИЧЕСКОГО ШНУРА ВЗРЫВООПАСНЫЙ

1Артикул: REEL, REEL NLA - Less Cord - Ref. 2-41 - Was 6517881 - A
2Артикул: 17C520, BOLT 5
3Артикул: 6517844, COUPLING ring - Both Halves - W/Hardware
Подробнее >