+7 (701) 588 50 05 Телефон для связи
RU

WhatsApp

Позвонить

ЭЛЕКТРИЧЕСКАЯ СИСТЕМА в Алматы

ГЕНЕРАТОР ПЕРЕМЕННОГО ТОКА СЕРИЙНЫЙ НОМЕР 1103133 ОТКРЫТЫЙ

ГЕНЕРАТОР ПЕРЕМЕННОГО ТОКА СЕРИЙНЫЙ НОМЕР 1103133 ОТКРЫТЫЙ

1Артикул: ALTERNATOR, ALTERNATOR NLA - Order 6599739
2Артикул: BEARING, BEARING NLA - Was 905351B - A
3Артикул: BOLT, BOLT NLA - Was 897467B - A
Подробнее >
ЭЛЕКТРООБОРУДОВАНИЕ КАБИНЫ СЕРИЙНЫЙ НОМЕР 12001 И ВЫШЕ

ЭЛЕКТРООБОРУДОВАНИЕ КАБИНЫ СЕРИЙНЫЙ НОМЕР 12001 И ВЫШЕ

1Артикул: 6558859, HARNESS cab
2Артикул: 6561500, HARNESS cab
3Артикул: 6558142, HOUSING light
Подробнее >
ЭЛЕКТРООБОРУДОВАНИЕ КАБИНЫ СЕРИЙНЫЙ НОМЕР 11999 И НИЖЕ

ЭЛЕКТРООБОРУДОВАНИЕ КАБИНЫ СЕРИЙНЫЙ НОМЕР 11999 И НИЖЕ

1Артикул: 6557492, HARNESS cab
2Артикул: 6558142, HOUSING light
3Артикул: 6557486, LAMP
Подробнее >
ГЕНЕРАТОР ПЕРЕМЕННОГО ТОКА DELCO 1102920 - ОТКРЫТЫЙ

ГЕНЕРАТОР ПЕРЕМЕННОГО ТОКА DELCO 1102920 - ОТКРЫТЫЙ

1Артикул: ALTERNATOR, ALTERNATOR NLA - Order 6599739
2Артикул: BEARING, BEARING NLA - Was 999306B - A
3Артикул: BOLT, BOLT NLA - Was 897467B - A
Подробнее >
СТАРТЕР

СТАРТЕР

1Артикул: STARTER, STARTER NLA - 98210 - 01522 - order 6513138
2Артикул: 6513348, BOLT
3Артикул: 6513347, SOLENOID
Подробнее >
ЭЛЕКТРООБОРУДОВАНИЕ ДВИГАТЕЛЯ СЕРИЙНЫЙ НОМЕР 12001 И ВЫШЕ

ЭЛЕКТРООБОРУДОВАНИЕ ДВИГАТЕЛЯ СЕРИЙНЫЙ НОМЕР 12001 И ВЫШЕ

1Артикул: HARNESS, HARNESS NLA - engine - W/round main connector - Was 6558861 - A
2Артикул: 6562836, HARNESS engine - W/rectangular main connector
3Артикул: HARNESS, HARNESS See Illustration CAB ELECTRICAL/ E1226 See Illustration CAB ELECTRICAL/ B21417 CAB
Подробнее >
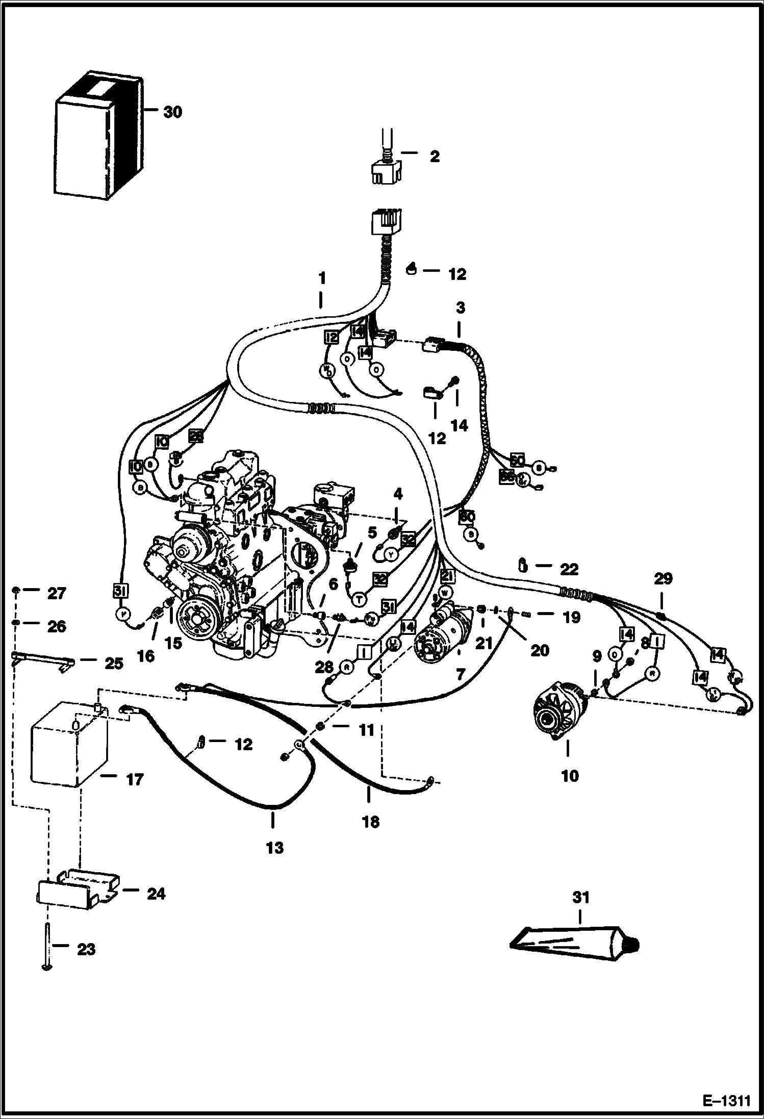
ЭЛЕКТРООБОРУДОВАНИЕ ДВИГАТЕЛЯ СЕРИЙНЫЙ НОМЕР 11999 И НИЖЕ

ЭЛЕКТРООБОРУДОВАНИЕ ДВИГАТЕЛЯ СЕРИЙНЫЙ НОМЕР 11999 И НИЖЕ

1Артикул: 6557452, HARNESS engine
2Артикул: HARNESS, HARNESS See Illustration CAB ELECTRICAL/ E1226 See Illustration CAB ELECTRICAL/ B21417 CAB
3Артикул: 6557447, HARNESS wiring
Подробнее >
ГЕНЕРАТОР ПЕРЕМЕННОГО ТОКА СЕРИЙНЫЙ НОМЕР 1105070 - ОТКРЫТЫЙ

ГЕНЕРАТОР ПЕРЕМЕННОГО ТОКА СЕРИЙНЫЙ НОМЕР 1105070 - ОТКРЫТЫЙ

1Артикул: 6599739, ALTERNATOR Less Pulley & Fan
2Артикул: BEARING, BEARING NLA - Was 905351B - A
3Артикул: BOLT, BOLT NLA - Was 897467B - A
Подробнее >