+7 (701) 588 50 05 Телефон для связи
RU

WhatsApp

Позвонить

ЭЛЕКТРИЧЕСКАЯ СИСТЕМА в Алматы

ЭЛЕКТРИЧЕСКИЕ УСТРОЙСТВА УПРАВЛЕНИЯ (СИСТЕМА УСОВЕРШЕНСТВОВАННОГО КОНТРОЛЯ)

ЭЛЕКТРИЧЕСКИЕ УСТРОЙСТВА УПРАВЛЕНИЯ (СИСТЕМА УСОВЕРШЕНСТВОВАННОГО КОНТРОЛЯ)

1Артикул: 6680410, CONTROLLER plastic - W/ 3-connector plug
2Артикул: 6717393, LEVER throttle
3Артикул: 7101672, ACTUATOR W/Ref. 31
Подробнее >
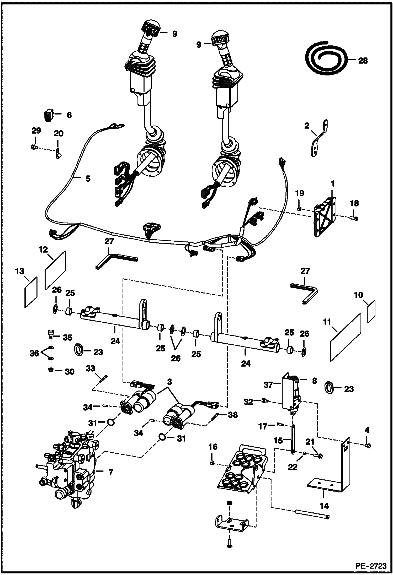
ЭЛЕКТРИЧЕСКИЕ УСТРОЙСТВА УПРАВЛЕНИЯ(МНОГОРЕЖИМНЫЙ ДЖОЙСТИК УПРАВЛЕНИЯ) (СЕРИЙНЫЙ НОМЕР 530512552-530559999, 530611154-530659999)

ЭЛЕКТРИЧЕСКИЕ УСТРОЙСТВА УПРАВЛЕНИЯ(МНОГОРЕЖИМНЫЙ ДЖОЙСТИК УПРАВЛЕНИЯ) (СЕРИЙНЫЙ НОМЕР 530512552-530559999, 530611154-530659999)

1Артикул: JOYSTICK,, JOYSTICK, LH NLA - Order 6697904 LH joystick - Also Order 7152616 adapter harness to replace existing 7112828 harness - Was 6689920 - A
2Артикул: JOYSTICK,, JOYSTICK, RH NLA - Order 6697905 RH joystick - Also Order 7152616 adapter harness to replace existing 7112828 harness - Was 6689921 - A
3Артикул: 6624289, STRAP, TIE
Подробнее >
ЭЛЕКТРОСХЕМА КАБИНЫ (СЕРИЙНЫЙ НОМЕР 530560001 И ВЫШЕ, 530660001 И ВЫШЕ)

ЭЛЕКТРОСХЕМА КАБИНЫ (СЕРИЙНЫЙ НОМЕР 530560001 И ВЫШЕ, 530660001 И ВЫШЕ)

1Артикул: 7149336, HARNESS, CAB W/Ref. 22
2Артикул: 7139311, HARNESS, CAB DLX W/Ref. 22 - required to operate beacon, 4-way flashers, power bob-tach, heater & strobe lights
3Артикул: 6693886, PANEL, LH lit gauges - W/Ref. 6
Подробнее >
ЭЛЕКТРОСХЕМА ДВИГАТЕЛЯ (СЕРИЙНЫЙ НОМЕР 530511001 - 530559999, 530611001 - 530659999)

ЭЛЕКТРОСХЕМА ДВИГАТЕЛЯ (СЕРИЙНЫЙ НОМЕР 530511001 - 530559999, 530611001 - 530659999)

1Артикул: HARNESS, HARNESS NLA - loader - W/fuel sender wire - Order 7116258 Harness & Ref. 30 - Was 7116258
2Артикул: 7116258, HARNESS, MFR loader - W/O fuel sender wire
3Артикул: HARNESS, HARNESS NLA - loader - single speed option - Order 7142376 harness - Was 7123793 - A
Подробнее >
ЭЛЕКТРИЧЕСКИЕ УСТРОЙСТВА УПРАВЛЕНИЯ(КОМПЛЕКТ ДЖОЙСТИКА УПРАВЛЕНИЯ) (СЕРИЙНЫЙ НОМЕР 530511001 - 530512551, 530611001 - 530611153)

ЭЛЕКТРИЧЕСКИЕ УСТРОЙСТВА УПРАВЛЕНИЯ(КОМПЛЕКТ ДЖОЙСТИКА УПРАВЛЕНИЯ) (СЕРИЙНЫЙ НОМЕР 530511001 - 530512551, 530611001 - 530611153)

1Артикул: KIT,, KIT, JOYSTICK NLA - Ref. 4-20 & 35 - Order 7126558 kit, joystick - Was 7126558 - A
2Артикул: 7126558, KIT, JOYSTICK Ref. 4, 5, 11-20, 26-35
3Артикул: JOYSTICK,, JOYSTICK, COMPLETE L.H NSS - Order Ref. 6, 8, 10 & 11
Подробнее >
ЭЛЕКТРИЧЕСКИЕ УСТРОЙСТВА УПРАВЛЕНИЯ (СИСТЕМА УСОВЕРШЕНСТВОВАННОГО КОНТРОЛЯ) (НОЖНАЯ ПЕДАЛЬ В СБОРЕ)

ЭЛЕКТРИЧЕСКИЕ УСТРОЙСТВА УПРАВЛЕНИЯ (СИСТЕМА УСОВЕРШЕНСТВОВАННОГО КОНТРОЛЯ) (НОЖНАЯ ПЕДАЛЬ В СБОРЕ)

1Артикул: 6680420, SENSOR foot pedal - R.H.
2Артикул: 6680421, SENSOR foot pedal - L.H.
3Артикул: 43C408, BOLT
Подробнее >
ЭЛЕКТРИЧЕСКАЯ СИСТЕМА ДВИГАТЕЛЯ

ЭЛЕКТРИЧЕСКАЯ СИСТЕМА ДВИГАТЕЛЯ

1Артикул: HARNESS, HARNESS NLA - loader - W/fuel sender wire, Ref. 9 & 22 - Order 7116258 harness & Ref. 39 - Was 7116258 - A
2Артикул: 7116258, HARNESS, MFR loader - W/O fuel sender wire & W/Ref. 9 & 22
3Артикул: HARNESS, HARNESS NLA - loader - single speed option - Order 7142376 harness - Was 7123793 - A
Подробнее >
ЭЛЕКТРИЧЕСКИЕ УСТРОЙСТВА УПРАВЛЕНИЯ(МНОГОРЕЖИМНЫЙ ДЖОЙСТИК УПРАВЛЕНИЯ) (СЕРИЙНЫЙ НОМЕР 530511001 - 530512551, 530611001 - 530611153)

ЭЛЕКТРИЧЕСКИЕ УСТРОЙСТВА УПРАВЛЕНИЯ(МНОГОРЕЖИМНЫЙ ДЖОЙСТИК УПРАВЛЕНИЯ) (СЕРИЙНЫЙ НОМЕР 530511001 - 530512551, 530611001 - 530611153)

1Артикул: JOYSTICK, JOYSTICK LH NSS - Order Ref. 13 - Was 6687883 - A
2Артикул: JOYSTICK, JOYSTICK RH NSS - Order Ref. 14 - Was 6687882 - A
3Артикул: BOLT, BOLT NSS - Order Ref. 24 - Was 6678659 - A
Подробнее >
ГЕНЕРАТОР

ГЕНЕРАТОР

1Артикул: 6678205, ALTERNATOR, 90 AMP 90 amp
2Артикул: 6678205REM, ALTERNATOR, 90 AMP 90 amp - Ref. 2-18
3Артикул: 6678205, ALTERNATOR, 90 AMP Ref. 2-18 - Was 6678205EF
Подробнее >
ЭЛЕКТРОСХЕМА КАБИНЫ (СЕРИЙНЫЙ НОМЕР 530511001 - 530559999, 530611001 - 530659999)

ЭЛЕКТРОСХЕМА КАБИНЫ (СЕРИЙНЫЙ НОМЕР 530511001 - 530559999, 530611001 - 530659999)

1Артикул: 7116261, HARNESS standard - W/Ref. 22
2Артикул: 7143070, HARNESS standard - W/Ref. 22
3Артикул: 7116260, HARNESS, CAB DLX deluxe - W/Ref. 22 - required to operate rotating beacon, 4-way flasher, power Bob-Tach, heater, A/C & strobe light
Подробнее >
ЭЛЕКТРИЧЕСКОЕ УПРАВЛЕНИЕ (Ручное управление)

ЭЛЕКТРИЧЕСКОЕ УПРАВЛЕНИЕ (Ручное управление)

1Артикул: 6680418, HANDLE ASSY. RH - Also Order Ref. 3 & 4
2Артикул: 6640690, PIN
3Артикул: 6641176, SEAL
Подробнее >
ЭЛЕКТРОСХЕМА ДВИГАТЕЛЯ (СЕРИЙНЫЙ НОМЕР 530560001 И ВЫШЕ, 530660001 И ВЫШЕ)

ЭЛЕКТРОСХЕМА ДВИГАТЕЛЯ (СЕРИЙНЫЙ НОМЕР 530560001 И ВЫШЕ, 530660001 И ВЫШЕ)

1Артикул: 7159445, HARNESS
2Артикул: 6674316, SWITCH, PRESS OIL HYD 3-pin molded connector
3Артикул: 6675559, COIL
Подробнее >
СТАРТЕР

СТАРТЕР

1Артикул: 6685190, STARTER
2Артикул: 6685190REM, STARTER
3Артикул: 6685190, STARTER Was 6685190EF
Подробнее >
ГЛАВНЫЙ ЖГУТ ПРОВОДОВ СОЕДИНИТЕЛЯ В СБОРЕ

ГЛАВНЫЙ ЖГУТ ПРОВОДОВ СОЕДИНИТЕЛЯ В СБОРЕ

1Артикул: CONNECTOR, CONNECTOR NSS - Order components
2Артикул: BOLT, BOLT NSS - Order Ref. 3
3Артикул: 6688834, CONNECTOR cab - W/Ref. 2 & 4
Подробнее >