+7 (701) 588 50 05 Телефон для связи
RU

WhatsApp

Позвонить

ЭЛЕКТРИЧЕСКАЯ СИСТЕМА в Алматы

СТАРТЕР KOHLER ДВИГАТЕЛЬ СПЕЦИФИКАЦИИ NO. 3941, 3959 И 3960

СТАРТЕР KOHLER ДВИГАТЕЛЬ СПЕЦИФИКАЦИИ NO. 3941, 3959 И 3960

1Артикул: STARTER, STARTER Not Available
2Артикул: 7D5, NUT terminal stud
3Артикул: 4E5, WASHER
Подробнее >
СТАРТЕР ONAN ДВИГАТЕЛЬ

СТАРТЕР ONAN ДВИГАТЕЛЬ

1Артикул: MOTOR, MOTOR NLA - starter - W/Ref. 2 - 19 - Was 6517049 - A
2Артикул: 6517646, BAND cover
3Артикул: PAD, PAD NLA - felt
Подробнее >
СТАРТЕР DEUTZ ДИЗЕЛЬ

СТАРТЕР DEUTZ ДИЗЕЛЬ

1Артикул: 6513391, STARTER Bosch 0-001-362-0246
2Артикул: 6513358, RELAY
3Артикул: 6513355, LEVER engaging
Подробнее >
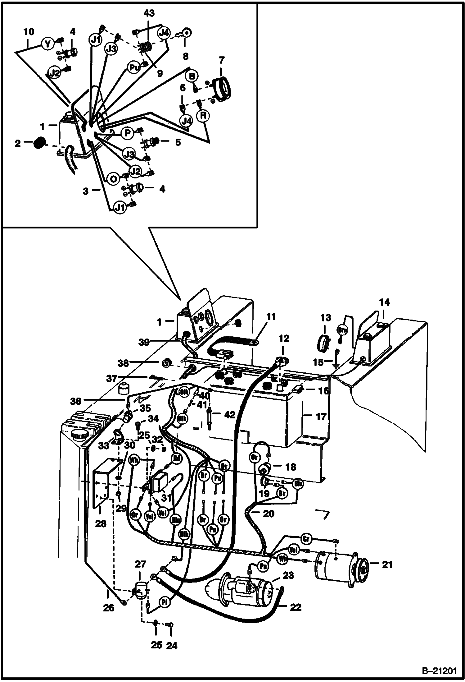
КОНТУР ЭЛЕКТРИЧЕСКОЙ ЦЕПИ РАМЫ ШАССИ M-500 БЕНЗИН СЕРИЙНЫЙ НОМЕР 42806 И НИЖЕ

КОНТУР ЭЛЕКТРИЧЕСКОЙ ЦЕПИ РАМЫ ШАССИ M-500 БЕНЗИН СЕРИЙНЫЙ НОМЕР 42806 И НИЖЕ

1Артикул: PANEL, PANEL See Illustration MAIN FRAME ATTACHING PARTS/ B21119 INSTRUMENT - LEFT
2Артикул: 565049, GROMMET
3Артикул: 6515427, LIGHT oil pressure
Подробнее >
ГЕНЕРАТОР ПЕРЕМЕННОГО ТОКА В СБОРЕ KOHLER

ГЕНЕРАТОР ПЕРЕМЕННОГО ТОКА В СБОРЕ KOHLER

1Артикул: COVER, COVER NLA - gear - Was 6517163 - A
2Артикул: PLATE, PLATE NLA - blower support - Was 6517117 - A
3Артикул: 6516694, STATOR ASSY.
Подробнее >
СТАРТЕР DELCO - 1109433 ИЛИ 1108336 KOHLER ДВИГАТЕЛЬ СПЕЦИФИКАЦИИ 3966 И ВЫШЕ

СТАРТЕР DELCO - 1109433 ИЛИ 1108336 KOHLER ДВИГАТЕЛЬ СПЕЦИФИКАЦИИ 3966 И ВЫШЕ

1Артикул: STARTER, STARTER ASSY. NLA - Ref. 2, 3, 5-13, 16-23 & 26-45 - Was 6515796 - A
2Артикул: STARTER, STARTER NLA - reman. - Was 6515796 REM - A
3Артикул: 6515797, BOLT thru
Подробнее >
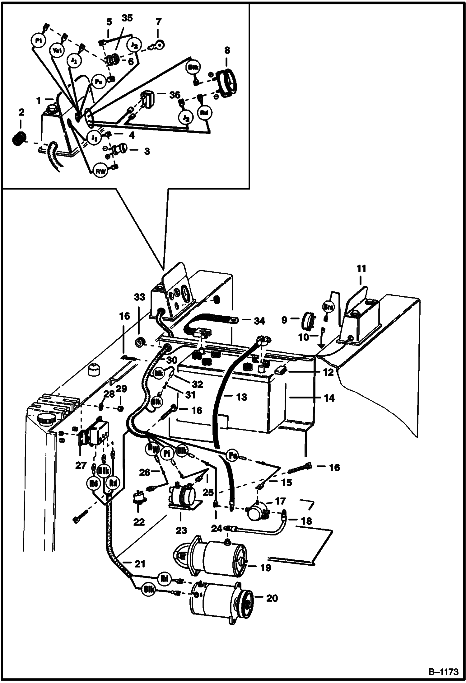
КОНТУР ЭЛЕКТРИЧЕСКОЙ ЦЕПИ РАМЫ ШАССИ M-500 DEUTZ ДИЗЕЛЬ

КОНТУР ЭЛЕКТРИЧЕСКОЙ ЦЕПИ РАМЫ ШАССИ M-500 DEUTZ ДИЗЕЛЬ

1Артикул: PANEL, PANEL See Illustration MAIN FRAME ATTACHING PARTS/ B21119 INSTRUMENT - LEFT
2Артикул: GROMMET, GROMMET NLA - Was 585950 - A
3Артикул: WIRE, WIRE
Подробнее >
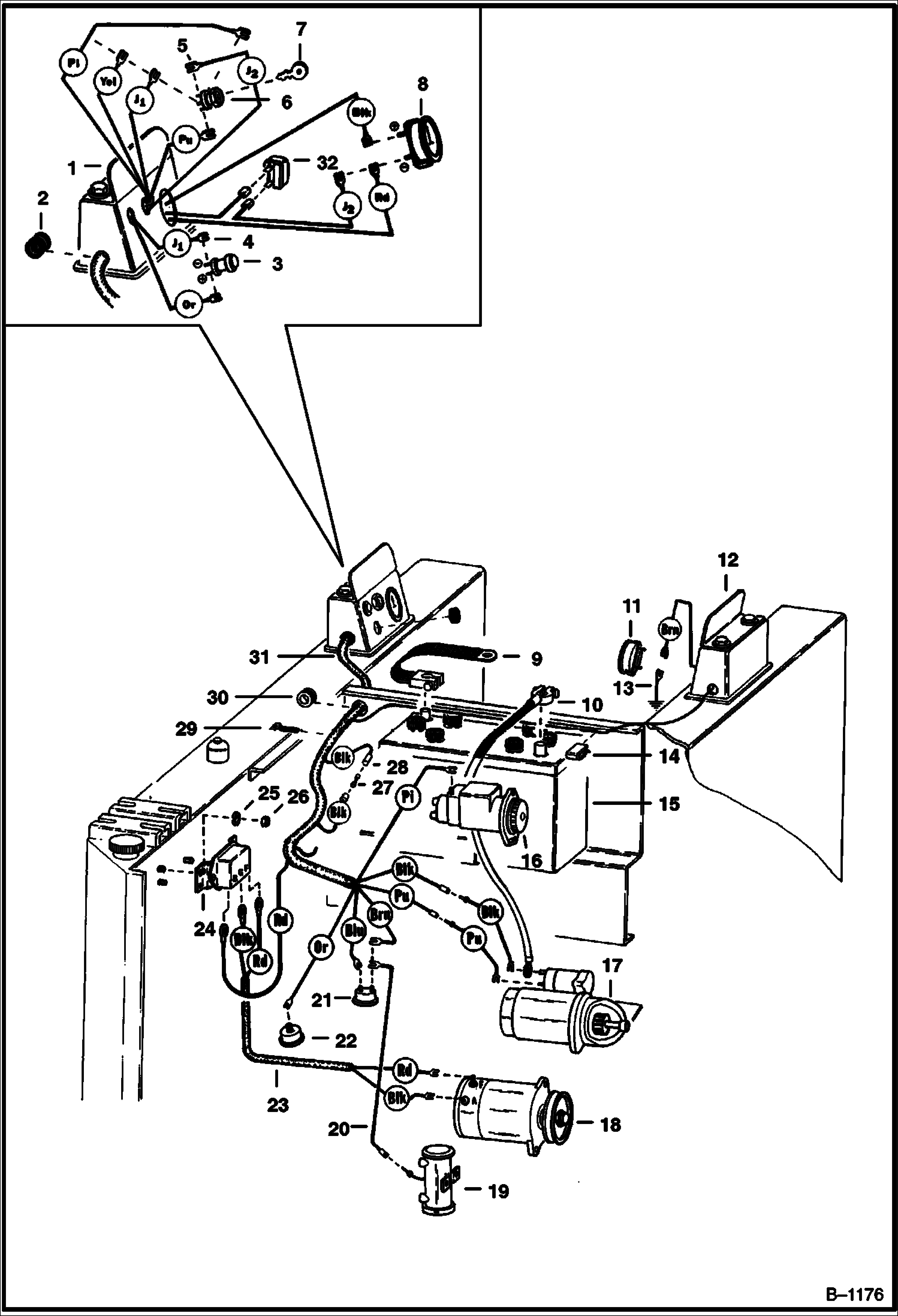
ЭЛЕКТРООБОРУДОВАНИЕ РАМЫ ШАССИ M-444 БЕНЗИН

ЭЛЕКТРООБОРУДОВАНИЕ РАМЫ ШАССИ M-444 БЕНЗИН

1Артикул: PANEL, PANEL See Illustration MAIN FRAME ATTACHING PARTS/ B21119 INSTRUMENT - LEFT
2Артикул: 565049, GROMMET
3Артикул: 6515427, LIGHT oil pressure
Подробнее >
СТАРТЕР (DEUTZ ДИЗЕЛЬ, BOSCH)

СТАРТЕР (DEUTZ ДИЗЕЛЬ, BOSCH)

1Артикул: STARTER, STARTER ASSY. NLA - Model 0-001-354-082 - Order 6513391
2Артикул: STARTER, STARTER ASSY. NLA - Model 0-001-358-047 - Order 6513391
3Артикул: 3726935, RELAY W/Ref. 5 & 6 - Use W/ Model 0-001-354-082
Подробнее >
КОНТУР ЭЛЕКТРИЧЕСКОЙ ЦЕПИ РАМЫ ШАССИ M-500 БЕНЗИН СЕРИЙНЫЙ НОМЕР 42807 И ВЫШЕ

КОНТУР ЭЛЕКТРИЧЕСКОЙ ЦЕПИ РАМЫ ШАССИ M-500 БЕНЗИН СЕРИЙНЫЙ НОМЕР 42807 И ВЫШЕ

1Артикул: PANEL, PANEL See Illustration MAIN FRAME ATTACHING PARTS/ B21119 INSTRUMENT - LEFT
2Артикул: GROMMET, GROMMET NLA - Was 585950 - A
3Артикул: 6515427, LIGHT oil pressure
Подробнее >
ГЕНЕРАТОР

ГЕНЕРАТОР

1Артикул: GENERATOR, GENERATOR NLA - Was 564858B - A
2Артикул: 12D12, NUT terminal
3Артикул: 863972, WASHER
Подробнее >
BOSCH ГЕНЕРАТОР

BOSCH ГЕНЕРАТОР

1Артикул: GENERATOR, GENERATOR NLA - Ref. 2 - 30 - Was 4118960B - A
2Артикул: 3726892, PLUG
3Артикул: 6517916, KEY woodruff
Подробнее >