+7 (701) 588 50 05 Телефон для связи
RU

WhatsApp

Позвонить

ЭЛЕКТРИЧЕСКАЯ СИСТЕМА в Алматы

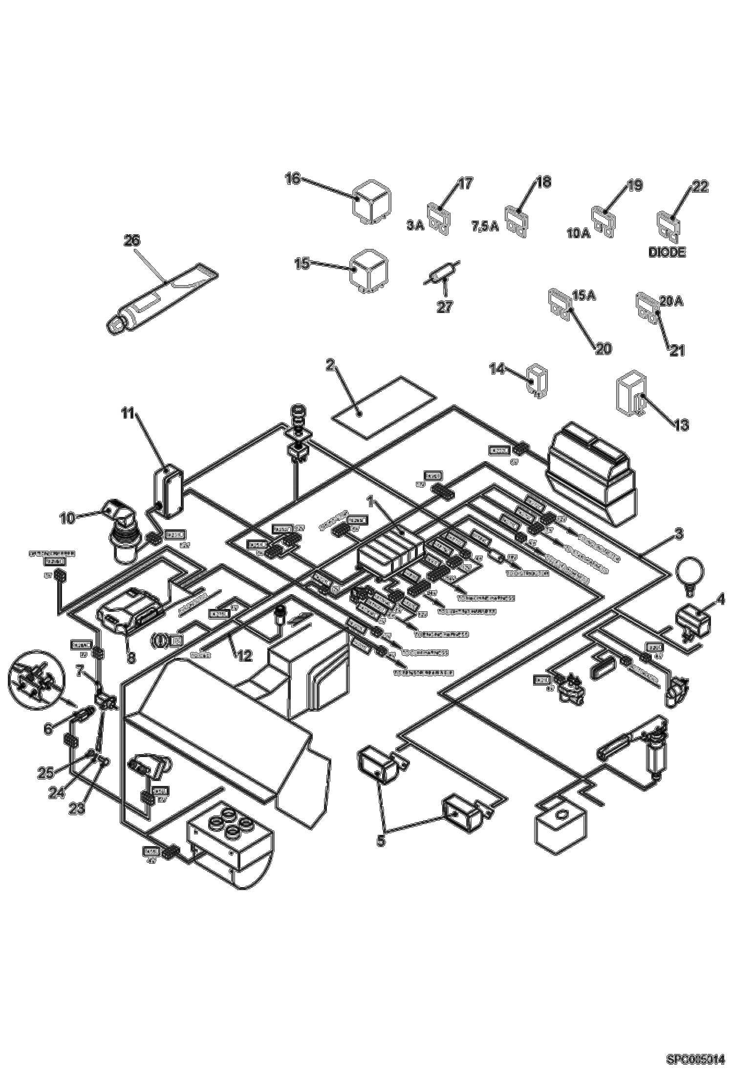
ЭЛЕКТРИЧЕСКАЯ СХЕМА ШАССИ

ЭЛЕКТРИЧЕСКАЯ СХЕМА ШАССИ

1Артикул: 000350-01U, WASHER
2Артикул: 000350-02V, WASHER
3Артикул: 6901596, GREASE
Подробнее >
ЭЛЕКТРИЧЕСКАЯ СХЕМА ДВИГАТЕЛЯ

ЭЛЕКТРИЧЕСКАЯ СХЕМА ДВИГАТЕЛЯ

1Артикул: 6915845, ENGINE WIRING HARNESS
2Артикул: 6917185, SENDER, TEMP OIL HYD
3Артикул: 6912549, FILTER, PLUGGING INDICATOR
Подробнее >
ЭЛЕКТРИЧЕСКАЯ СХЕМА КАБИНЫ

ЭЛЕКТРИЧЕСКАЯ СХЕМА КАБИНЫ

1Артикул: 6916967, HARNESS CAB W/Ref. 13-22
2Артикул: 6916963, DECAL
3Артикул: 97236.4, Wire Harness
Подробнее >